233网较全真机考、在线考试、每日一练、评估报告,专业全面的题库,尽在 233网校题库!http://wx.233.com/tiku
w^w.^3'3.<C'm
2022年中级注册安全工程师《安全生产专业实务(建筑施工安全)》 真题及答案
第1题 单选题 (每题1分,共20题,共20分) 下列每小题的四个选项中,只有一项是最符 合题意的正确答案,多选、错选或不选均不得分。
1、某工程项目部按照事故发生的原因,从人的因素、物的因素、环境因素和管理因素等四个 方面进行危险有害因素辨识。下列危险有害因素中,属于管理因素的是()。
A 、 违章指挥
B 、 违章作业
C 、 监护失误
D 、 安全投入不足
◆
答案: D
解析:根据《生产过程危险和有害因素分类与代码》(GB/T 13861—2022),人的因素:代码12表示 行为性危险和有害因素,代码1201表示指挥错误、120101表示指挥失误、 120102表示违章指挥;代 码1203表示监护失误。管理因素:代码44表示职业安全卫生投入不足,选项D正确。
2、某建筑工程在使用QTZ160塔式起重机吊运钢筋作业过程中,由于起重力矩达到额定值, 力矩限制器发出报警信号,司机采取了应急操作。下列操作方法中,能够有效消除该起重机 报警信号、解除其危险状态的是()。
A 、 起重臂向右侧进行回转动作
B 、 起重臂向左侧进行回转动作
C 、 变幅小车向减小幅度方向运动
D 、 变幅小车向增大幅度方向运动
◆
答案: C
解析:塔式起重机必须安装起重力矩限制器,当起重力矩大于相应工况下的额定值并小于该额定值 的110%时,应切断上升和幅度增大方向的电源,但机构可以作下降和减小幅度方向的运动。
3、某起重机械安装公司在拆卸QTZ125塔式起重机前,编制了专项施工方案。根据《建筑施 工塔式起重机安装、使用、拆卸安全技术规程》(JGJ 196),下列塔式起重机拆卸作业安全技 术措施中,错误的是()。
A 、 降节作业前确认顶升系统完好
B 、 降节作业前先拆除最上面的附着装置
C 、 明确附着装置的拆卸顺序和拆卸方法
D 、 明确拆卸作业暂时中断情况下的安全措施
◆
答案: B
解析:根据《建筑施工塔式起重机安装、使用、拆卸安全技术规程》,自升式塔式起重机每次降节
1/14
前,应检查顶升系统和附着装置的连接等,确认完好后方可进行作业,选项A正确。拆卸时应先降 节,后拆除附着装置,选项B错误。附着式塔式起重机应明确附着装置的拆卸顺序和方法,选项C正 确。塔式起重机拆卸作业宜连续进行;当遇特殊情况拆卸作业不能继续时,应采取措施保证塔式起 重机处于安全状态,选项D正确。
4、某钢结构加工场使用桥式起重机吊运物料。根据《建筑机械使用安全技术规程》(JGJ 33),桥式起重机吊运钢结构构件时,吊运路线不得从人员、设备上面通行;空车行走时,吊 钩离地面的最小距离应为()。
A 、 1.00m
B 、 1.50m
C 、 1.80m
D 、 2.00m
◆
答案: D
解析:起重机在没有障碍物的线路上运行时,吊钩或吊具以及吊物底面必须离地面2.00m以上,越 过障碍物时,须超过障碍物0.50m高。
5、某施工现场部分特殊场所须使用安全特低电压照明。现有一台双绕组安全隔离变压器,输 出电压为24V。下列特殊场所中,适用此变压器为照明装置供电的是()。
A 、 金属管道内
B 、 钢制水箱内
C 、 金属结构构架场所
D 、 相对湿度长期处于97%的蓄水池
◆
答案: C
解析:在潮湿场所或金属构架上操作时,必须选用Ⅱ类或由安全隔离变压器供电的Ⅲ类手持电动工 具。金属管道内、钢制水箱内的照明属于金属容器内的照明,电源电压不得大于12V。相对湿度长期 处于97%的蓄水池,湿度马上要达到饱和,属于特别潮湿的场所,电源电压不得大于12V。
6、某建筑工程钢筋加工场有多台交流电焊机,工程项目部草拟了电焊机安全使用规定。下列 电焊机安全使用规定中,错误的是()。
A 、 电焊机的二次线电缆长度不得超过50m
B 、 照明设备不得从电焊机开关箱中接取电源
C 、 严禁露天冒雨从事电焊作业
D 、 开关箱与电焊机的距离不得超过3m
◆
答案: A
解析:电焊机的二次电缆长度不得超过30m,不得采用金属构件或结构钢筋代替二次线的地线,选项 A错误。
7、为防止人员和物料坠落,电梯井口必须设置防护门。根据《建筑施工高处作业安全技术规 范》(JGJ 80),防护门高度不应低于()。
A 、 800mm
2/14
B 、 1000mm
C 、 1200mm
D 、 1500mm
◆
答案: D
解析:电梯井口应设置防护门,其高度不应小于1.5m,防护门底端距地面高度不应大于50mm,并应 设置挡脚板。
8、某工程项目部组织施工现场高处作业专项安全检查,发现下列情况,其中属于安全隐患的 是()。
A 、 单梯梯面与水平面呈75°夹角
B 、 深基坑斜道设置了间距300mm的防滑条
C 、 固定直梯高15m,在8m处设置了梯间平台
D 、 无外脚手架的27。坡屋面,设置了1.2m的防护栏杆
◆
答案: D
解析:单梯不得垫高使用,使用时应与水平面呈75°夹角,选项A正确;
深基坑施工应设置扶梯、入坑踏步及专用载人设备或斜道等设施。采用斜道时,应加设间距不大于 400mm的防滑条等防滑措施,选项B正确;
使用固定式直梯进行攀登作业时,攀登高度宜为5m,且不超过10m。超过3m时,宜加护笼,超过8m 时必须设置梯间平台。选项C中,固定直梯高15m,不等于攀登高度就是15m,在8m处设置了梯间平 台,选项C正确;
在坡度大于1:2.2的屋面上作业,当无外脚手架时,应在屋檐边设置不低于1.5m高的防护栏杆,并应 采用密目式安全立网全封闭。27°坡屋面的坡度大于1:2.2,故屋檐边防护栏杆设置应不低于1.5m, 选项D属于安全隐患。
9、某工程项目部搭设落地式操作平台进行物料倒运。根据《建筑施工高处作业安全技术规 范》(JGJ 80),下列落地式操作平台架体构造做法中,正确的是()。
A 、 操作平台搭设高度24m
B 、 操作平台高宽比为3:1
C 、 操作平台与外脚手架连接
D 、 操作平台与建筑物柔性连接
◆
答案: B
解析:落地式操作平台的面积不应超过10m²,高度不应超过15m,高宽比不应大于3:1,选项A错 误,选项B正确。落地式操作平台应独立设置,并应与建筑物进行刚性连接,不得与脚手架连接,选 项C、D错误。
10、为确保基坑安全,在软土基坑工程施工前,工程项目部编制了土方开挖专项施工方案。 关于软土基坑开挖的说法,错误的是()。
A 、 软土基坑开挖应遵循分层、分段、对称、均衡、适时的原则
B 、 软土基坑盆式开挖的取土口位置与基坑边的距离不宜大于8m
C 、 桩基础施工完成时,应根据开挖面下软土的性状,限制每层开挖厚度
3/14
D 、 采用重力式水泥墙的支护结构,沿水泥墙方向应分区段开挖,每一开挖区段的长度不宜 超过40m
◆
答案: B
解析:软土基坑开挖应符合下列规定:①应按分层、分段、对称、均衡、适时的原则开挖。②当主 体结构采用桩基础且基础桩已施工完成时,应根据开挖面下软土的性状,限制每层开挖厚度。③对 采用内支撑的支护结构,宜采用开槽方法浇筑混凝土支撑或安装钢支撑;开挖到支撑作业面后,应 及时进行支撑的施工。④对重力式水泥土墙,沿水泥土墙方向应分区段开挖,每一开挖区段的长度 不宜大于40m。选项B不属于软土基坑开挖的相关规定。
11、某基坑工程支护结构安全等级为三级,施工单位对基坑进行了过程监测。根据《建筑基 坑支护技术规程》(JGJ 120),下列基坑监测项目中,属于应测项目的是()。
A 、 土压力
B 、 支撑轴力
C 、 孔隙水压力
D 、 支护结构顶部水平位移
◆
答案: D
解析:土压力、支撑轴力、孔隙水压力属于支护结构安全等级三级中的选测项目;支护结构顶部水 平位移为应测项目。
12、某道路工程需对山体进行爆破作业。施工前,工程项目部编制了爆破作业专项施工方 案。关于土石方爆破安全措施的说法,错误的是()。
A 、 电力起爆网路发生盲炮时,应立即切断电源,及时将盲炮电路短路
B 、 爆破警戒范围应经过设计计算,在危险区边界设置明显标志,并设置警戒人员
C 、 B级及复杂环境的爆破工程爆破后,应由安全员、爆破员共同进行安全检查
D 、 发现爆破作业对周边公用设施造成安全威胁时,应及时组织抢险、治理,排除安全隐患 ◆
答案: C
解析:电力起爆网路发生盲炮时,应立即切断电源,及时将盲炮电路短路,选项A正确。爆破警戒范 围经由设计确定,在危险区边界应设有明显标志,并设置警戒人员,选项B正确。B级及复杂环境的 爆破工程,爆后检查工作应由现场技术负责人、起爆组长和有经验的爆破员、安全员组成检查小组 实施。其他爆破工程的爆后检查工作由安全员、爆破员共同实施,选项C错误。发现爆破作业对周边 建(构)筑物、公用设施造成安全威胁时,应及时组织抢险、治理,排除安全隐患,选项D正确。
13、某建筑工程采用承插型盘扣式钢管搭设模板支撑架,搭设高度12m,专职安全生产管理 人员对模板支撑架进行了专项检查。根据《建筑施工承插型盘扣式钢管脚手架安全技术标 准》(JGJ/T 231),下列模板支撑架搭设情形中,不符合规定的是()。
A 、 水平杆的步距为1.5m
B 、 每间隔4跨设置竖向斜杆
C 、 可调托座丝杆外露长度为375mm
D 、 可调托座伸出顶层水平杆的悬臂长度为637mm
◆
答案: B
4/14
解析:选项A符合规定,选项B不符合规定,对标准步距为1.5m的支撑架,应根据支撑架搭设高
度、支撑架型号及立杆轴向力设计值进行竖向斜杆布置,竖向斜杆布置形式选用应符合下表的要
求。
标准型(B型)支撑架竖向斜杆布置形式
| 立杆轴力设计值N (kN) | 搭设高度H (m) | |||
| H≤8 | 8<H≤16 | 16<H≤24 | H>24 | |
| N≤25 | 间隔3跨 | 间隔3跨 | 间隔2跨 | 间隔1跨 | 
| 25<N≤4O | 间隔2跨 | 间隔1跨 | 间隔1跨 | 间隔1跨 | 
| N>40 | 间隔1跨 | 间隔1跨 | 间隔1跨 | 每跨 | 
重型(Z型)支撑架竖向斜杆布置形式
| 立杆轴力设计值N (kN) | 搭设高度H (m) | |||
| H≤8 | 8<H≤16 | 16<H≤24 | H>24 | |
| N≤40 | 间隔3跨 | 间隔3跨 | 间隔2跨 | 间隔1跨 | 
| 4O<N≤65 | -⅞]隔2跨 | 间隔1跨 | 间隔1跨 | 间隔1跨 | 
| N>65 | 间隔1跨 | 间隔1跨 | 间隔1跨 | 每跨 | 
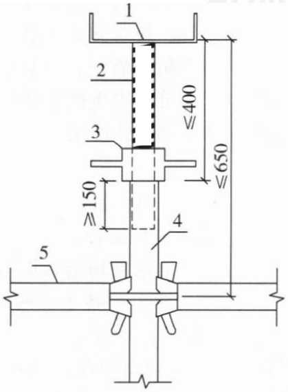
选项C、D符合规定,支撑架可调托撑伸出顶层水平杆或双槽托梁中心线的悬臂长度不应超过
650mm,且丝杆外露长度不应超过400mm,可调托撑插入立杆或双槽托梁长度不得小于l50mm,可调 托撑伸出顶层水平杆的悬壁长度如下图所示。
 
§§5
1 一可调托撑;2-螺杆;3一调节螺母;4-立杆;5一水平杆 可调托撑伸出顶层水平杆的悬壁长度
14、根据《建筑施工扣件式钢管脚手架安全技术规范》(JGJ 130),悬挑式脚手架型钢悬挑梁 的悬挑端,应设置能使脚手架立杆与悬挑梁可靠固定的定位点,定位点与悬挑梁端部的最小 距离是()。
A 、 50mm
B 、 100mm
C 、 150mm
D 、 200mm
答案: B
解析:型钢悬挑梁悬挑端应设置能使脚手架立杆与钢梁可靠固定的定位点,定位点离悬挑梁端部不
5/14
应小于100mm。
15、爬升模板拆除时,应按规定程序拆除以下部件:①爬升支架;②悬挂脚手架和模板;③ 爬升设备。根据《建筑施工模板安全技术规范》(JGJ 162),正确的拆除顺序是()。
A 、 ①②③ B 、 ②①③ C 、 ①③② D 、 ②③①
答案: D
解析:根据《建筑施工模板安全技术规范》(JGJ 162),爬升模板拆除时应设专人指挥,严禁交叉作 业。拆除顺序应为:悬挂脚手架和模板一爬升设备一爬升支架。
16、某轨道交通工程项目部针对盾构区间隧道施工水平运输存在的风险及可能导致的后果, 提出了安全防范措施。下列隧道水平运输安全措施中,错误的是()。
A 、 日常搭乘工作人员的电瓶车、平板车配备安全带
B 、 在隧道内曲线段出入端设置车辆缓慢通过标志
C 、 长距离大坡度地段,工作面钢轨末端设置行驶止动装置
D 、 长距离大坡度地段,电瓶车增设电动制动刹车装置,配置闪光示警灯具
◆
答案: A
解析:盾构隧道施工时,需要电机车等临时轨道运输工具水平运送管片、钢轨、枕轨等材料和出渣 土,电机车司机在电机车起步、转弯或者比较黑暗处必须鸣笛示警,并且要严格控制好速度,且电 机车进出隧道时严禁搭乘各类人员,以防脱轨时电机车倾翻将人员压伤,选项A错误。
17、城市轨道交通工程关键节点施工前的条件核查,是关键节点风险管控的重要手段。根据 《住房城乡建设部办公厅关于加强城市轨道交通工程关键节点风险管控的通知》(建办质 [2017]68号),负责对关键节点施工前条件预核查的单位是()。
A 、 监理单位
B 、 建设单位
C 、 设计单位
D 、 施工单位
◆
答案: A
解析:城市轨道交通工程关键节点风险管控程序:①施工单位根据《关键节点分类清单》编制《关 键节点识别清单》,报监理单位审批。②施工单位对照经监理单位批准的《关键节点识别清单》, 对关键节点施工前条件自检自评,符合要求的报监理单位。③监理单位对关键节点施工前条件进行 预核查,通过后报建设单位。④建设单位(或委托监理单位)依据相关制度规定和标准规范组织开展关 键节点施工前条件核查。⑤通过核查的,方可进行关键节点施工;未通过核查的,相关单位按照核 查意见进行整改,整改完成后建设单位重新组织核查。
过期考点 18、某建筑工程建筑高度28m,幕墙采用高处作业吊篮进行施工。工程项目部编制 了幕墙安装专项施工方案,明确了高处作业安全技术措施。下列幕墙施工高处作业安全技术
6/14
措施中,错误的是()。
A 、 高处作业吊篮下方设置安全隔离区和警告标志
B 、 对幕墙施工作业面可能坠落的物料设置固定措施
C 、 施工现场人员进出的通道口处搭设长度4m的安全防护棚
D 、 对距离高处作业吊篮10m范围内的高压输电线路设置隔离屏障
◆
答案: C
解析:幕墙施工时,下方均应设置警戒隔离区,防止高空坠物,并对幕墙施工作业面可能坠落的物 料设置固定措施,选项A、B正确。施工现场立体交叉作业时,下层作业位置应处于坠落半径之外, 不符合规定时,应设置安全防护棚,下方应设置警戒隔离区。当幕墙作业高度达到28m时,坠落半径 为5m,搭设长度4m的安全防护棚不满足要求,选项C错误。根据《建筑施工工具式脚手架安全技术 规范》。高处作业吊篮安装和使用时,在10m范围内如有高压输电线路,应按照现行行业标准《施工 现场临时施工用电安全技术规范》(JGJ 46)的规定,采取隔离措施,选项D正确。
19、施工现场有限空间中可能存在大量有毒气体,作业人员接触后将会引起化学性中毒,导 致伤亡。下列气体中,不属于有毒气体的是()。
A 、 二氧化碳
B 、 二氧化硫
C 、 硫化氢
D 、 磷化氢
◆
答案: A
解析:二氧化碳本身没有毒性。
20、某工程项目部计划安装10台塔式起重机,安装单位编制了塔式起重机安装工程生产安全 事故专项应急预案。下列要素中,不属于该应急预案编制要素的是()。
A 、 处置程序
B 、 处置措施
C 、 经济合理性分析
D 、 事故风险分析
◆
答案: C
解析:专项应急预案主要内容包括:①事故风险分析。针对可能发生的事故风险,分析事故发生的 可能性以及严重程度、影响范围等。②应急指挥机构及职责。根据事故类型,明确应急指挥机构总 指挥、副总指挥以及各成员单位或人员的具体职责,应急指挥机构可以设置相应的应急救援工作小 组,明确各小组的工作任务及主要负责人职责。③处置程序。明确事故及事故险情信息报告程序和 内容、报告方式和责任人等内容。根据事故响应级别,具体描述事故接警报告和记录、应急指挥机 构启动、应急指挥、资源调配、应急救援、扩大应急等应急响应程序。④处置措施。针对可能发生 的事故风险、事故危害程度和影响范围,制定相应的应急处置措施,明确处置原则和具体要求。
第2题 案例分析题不定项 (每题2分,共5题,共10分) 下列每小题的备选答案中,有两 个或两个以上符合题意的正确答案,至少有1个错项,多选、错选均不得分;少选,所选 的每个选项得0.5分。
7/14
21、{TS}{TSE}根据下面资料,回答下列问题
某建筑工程,建筑高度123.10m,建筑面积79533m2,其中:地下建筑面积8349m2,地 上建筑 面积71184m2;地下4层,基底标高-12.50m,最大基坑深度17.60m;地上40层,首层3.60m, 标准层2.90m。工期474天。
施工过程中使用的主要机械设备有:塔式起重机、履带式挖掘机、装载机、叉车、旋挖钻孔 机、汽车式起重机、水泵、施工升降机、高处作业吊篮、混凝土布料机、混凝土输送泵、混 凝土搅拌运输车、混凝土泵车、打夯机、电焊机、直螺纹套丝机等钢筋加工机械、木工设 备、 振捣棒等。
结构施工阶段使用两台塔式起重机,且与相邻工程的塔式起重机之间存在交叉重叠。四层以 下采用落地式作业脚手架,四层以上采用附着式升降脚手架。混凝土采用预拌混凝土人工浇 筑,混凝土搅拌运输车水平运输,混凝土输送泵垂直输送。
根据以上场景。回答下列问题:(共10分,每题2分,1~2题为单选题,3~5题为多选题) 根据《特种设备目录》,施工过程中使用的特种设备是()。
A 、 履带式挖掘机
B 、 汽车式起重机
C 、 高处作业吊篮
D 、 旋挖钻孔机
E 、 叉车
◆
答案: E
解析:叉车是场内专用车辆,属于特种设备。
22、根据《建筑工程施工现场消防安全技术规范》(GB 50720),该工程应在适当楼层增设临 时中转水池及加压水泵,中转水池的最小有效容积不应少于()。
A 、 5m³
B 、 10m³
C 、 15m³
D 、 20m³
E 、 25m³
◆
答案: B
解析:高度超过100m的在建工程,应在适当楼层增设临时中转水池及加压水泵。中转水池的有效容 积不应少于10m³,上、下两个中转水池的高差不宜超过100m。此工程建筑高度123.10m,中转水池的 有效容积不应少于10m³。
23、根据施工现场的作业条件,在基坑施工阶段使用混凝土泵车进行混凝土浇筑作业,选择 混凝土泵车安放位置时,应该考虑的情况有()。
A 、 对建筑基坑的影响
B 、 与输电线路的安全距离
C 、 场地的平整度和承载能力
D 、 施工现场高处作业吊篮的安全使用
E 、 与现场作业的塔式起重机和旋挖钻机有干涉
8/14
答案: A,B,C,E
解析:根据《建筑机械使用安全技术规程》(JGJ 33),混凝土泵车应停放在平整坚实的地方,与沟槽 和基坑的安全距离应符合使用说明书的要求。臂架回转范围内不得有障碍物,与输电线路的安全距 离应符合现行行业标准《施工现场临时用电安全技术规范》(JOJ 46)的规定。
24、下列专项施工方案中,属于危险性较大的分部分项工程专项方案的有()。
A 、 季节性施工专项方案
B 、 施工升降机安装专项方案
C 、 高处作业吊篮安装专项方案
D 、 塔式起重机安装专项方案
E 、 附着式升降脚手架安装专项方案
◆
答案: B,C,D,E
解析:施工升降机、塔式起重机安装属于起重机械安装和拆卸工程,高处作业吊篮和附着式升降脚 手架安装属于脚手架工程,均属于危险性较大的分部分项工程。
25、塔式起重机安装检测合格后,总承包单位组织相关单位进行验收,应参加验收的单位有 ()。
A 、 监理单位
B 、 使用单位
C 、 建设单位
D 、 设备出租单位
E 、 设备安装单位
◆
答案: A,B,D,E
解析:施工单位组织设备供应方、安装单位、使用单位、监理单位对塔式起重机联合验收,实行施 工总承包的,由施工总承包单位组织验收。
第3题 案例分析题 (每题70分,共3题,共210分) 根据所给材料回答问题。
26、A公司承建的住宅工程由5栋28层住宅楼、商业裙楼及地下车库组成,总建筑面积150
000m2。
1号住宅楼地下二层设消防水池,长15.10m、宽6.60m、高5.02m,面积约99.66m2,顶 部预留两个检修洞口,长0.90m、宽0.90m。工程项目部制定了消防水池防水作业专项施工 方案,对作业人员进行了专项安全教育培训,明确了监护人员及职责。
2022牟8月5日,2号住宅楼正在进行地上8层结构施工,使用的附着式升降脚手架准备进行提 升作业。作业前,工程项目部组织了附着式升降脚手架自检,形成以下检查记录:
(1)附墙支座锚固螺栓孔与结构外表面垂直。
(2)附着式升降脚手架配备限制载荷控制系统。
(3)6层东北角两个相邻提升点的高差为40mm。
(4)附墙支座设置了防坠落装置、防倾覆装置和导向装置。
(5)防坠落装置设有防尘、防污染措施。
(6)竖向主框架每两层设置一道附墙支座。
9/14
(7)7层西南角的架体上存有手推车。
2022年8月13日,A公司安全生产管理部门对该项目进行了月底安全检查,发现现场存在如下 问题:
(1)劳务分包单位8公司现场劳务作业人员共180人,配备专职安全生产管理人员1名。
(2)B公司与附着式升降脚手架专业分包单位C公司签订了租赁合同;现场由木工负责附着式升 降脚手架提升作业;附着式升降脚手架提升机构的上吊点安装在附墙支座上;附墙支座采用 锚固螺栓与建筑结构连接,仅使用单螺母固定。
(3)附着式升降脚手架提升后未验收即投入使用。
(4)地下室消防水池防水作业时,有限空间作业安全管理措施不完善。 针对施工现场存在的问题,安全生产管理部门开具了隐患整改通知单。 根据以上场景。回答下列问题:(共22分)
1.根据《建筑施工企业安全生产管理机构设置及专职安全生产管理人员配备办法》(建质 [2008]91号),B公司目前在该项目至少应配备多少名专职安全生产管理人员?当B公司在该项 目的劳务作业人员增加到500人时,至少应配备多少名专职安全生产管理人员?
2.指出2号住宅楼附着式升降脚手架自检记录中存在的隐患,提出整改措施。 3.针对A公司月度安全检查发现的第(2)项问题,制定整改措施。
4.工程项目部在组织对地下室消防水池防水作业时,应当补充哪些安全管理措施?
1.根据《建筑施工企业安全生产管理机构设置及专职安全生产管理人员配备办法》,劳务分 包单位施工人员在50人以下的,应当配备1名专职安全生产管理人员;50~200人的,应当配 备2名专职安全生产管理人员;200人及以上的,应当配备3名及以上专职安全生产管理人员, 并根据所承担的分部分项工程施工危险实际情况增加,不得少于工程施工人员总人数的5‰。 B公司现场劳务作业人员共180人,目前在该项目至少应配备2名专职安全生产管理人员。当 劳务作业人员增加到500人时,至少应配备3名专职安全生产管理人员。
2.(1)隐患一:6层东北角两个相邻提升点的高差为40mm。
整改措施:各相邻提升点间的高差不得大于30mm,整体架最大升降差不得大于80mm。 (2)隐患二:竖向主框架每两层设置一道附墙支座。
整改措施:竖向主框架所覆盖的每个楼层处应设置一道附墙支座。 (3)隐患三:7层西南角的架体上存有手推车。
整改措施:及时将手推车清除。
3.针对月度安全检查发现的第(2)项问题的整改措施
(1)应由A公司与附着式升降脚手架专业分包单位C公司签订租赁合同。 (2)应由附着式升降脚手架架子工负责附着式升降脚手架提升作业。 (3)附着式升降脚手架提升机构的上吊点安装在建筑结构上。
(4)附墙支座应采用锚固螺栓与建筑物连接,受拉螺栓的螺母不得少于二个或应采用弹簧垫片 加单螺母,螺杆露出螺母端部的长度不应少于3扣,且不得小于10mm,垫板尺寸应由设计确 定,且不得小于100mmx100mmx10mm
(5)附着式升降脚手架提升后应先经验收合格后才可投入使用
4.工程项目部在组织对地下室消防水池防水作业时,应当补充以下安全管理措施: (1)受限空间作业应办理受限空间作业许可证。
(2)建立、健全有限空间作业安全生产责任制,明确有限空间作业负责人、作业人员、监护人 员职责。
(3)组织制定专项作业方案、安全作业操作规程、事故应急救援预案、安全技术措施等有限空 间作业管理制度。
10/14
(4)保证有限空间作业的安全投入,提供符合要求的通风、检测、防护、照明等安全防护措施 和个人防护用品。
(5)督促、检查本单位有限空间作业的安全生产工作,落实有限空间作业的各项安全要求。 (6)提供应急救援保障,做好应急救援工作。
(7)及时如实报告安全生产事故。
27、某住宅工程包含独立单体11栋、配套3栋及1座地下车库,建筑高度最高53.85m。2022 年6月,该工程进入装修阶段。外墙装修选用ZLP-630型高处作业吊篮(以下简称吊篮),根据 现场实际工况,吊篮的最大限制载荷(W1)为400kg(含吊篮平台自重50kg),吊篮平台为标准规 格。为满足外立面保温及外墙涂料施工要求,吊篮悬挂机构安装在楼顶上,悬挂机构前梁长 度为1.50m。
工程项目部编制了吊篮安装专项施工方案,在安装作业中,明确了以下安全要求:
(1)安装单位应配备足够的作业人员,包括高处作业吊篮操作工、高处作业吊篮拆卸工、电焊 工、建筑电工、普工等。
(2)安装过程中作业人员应佩戴五点式安全带。
(3)安装前应对楼顶悬挂机构的安装位置做好防护。 (4)配重应安装牢固,重量(W2)应满足说明书要求。 (5)悬挂机构的抗倾覆力矩应大于或等于3倍的倾覆力矩。
 
Ll-春控机构前梁长度(m)1 L2-悬挂机构后梁长度(m) WI-最大限♦!!!(.荷(kg)t W2-配重质量(kg) 高处作业吊篮悬挂机构结构示意图
吊篮安装后,工程项目部对每台吊篮逐一进行了检查、验收,重点检查了安全装置的有效 性:吊篮投入使用后,专职安全管理人员对1#楼吊篮进行了安全检查,发现以下情况: (1)屋面设置了高处作业吊篮专用配电箱。
(2)个别出现严重漏油的提升机补充了润滑油。
(3)安全钢丝绳在接近地面位置坠有重物。
(4)工作钢丝绳盘好后放在吊篮平台内,并采取了防止人员踩踏的措施。
(5)吊篮操作工从窗口进出吊篮平台。
(6)工作结束后将吊篮停置于地面。
(7)吊篮操作工专用安全绳固定在悬挂机构上。
(8)抽检现场8号吊篮悬挂机构实测数据如下:
 
根据以上场景,回答下列问题:(共22分)
11/14
1.安装单位配备的作业人员中,应列入特种作业人员管理的有哪些?
2.指出高处作业吊篮应重点检查的安全装置。
3.根据1#楼8号吊篮实测数据,校核载荷均布的情况下,单侧悬挂机构的抗倾覆能力,并判 断是否符合安全要求。
4.指出施工现场专职安全管理人员安全检查中发现的安全隐患,并说明正确做法。
1.安装单位配备的作业人员中,应列入特种作业人员管理的有高处作业吊篮操作工、高处作 业吊篮拆卸工、电焊工、建筑电工。
2.高处作业吊篮应重点检查的安全装置有安全锁、上行程限位装置、手动滑降装置、安全钢 丝绳。
3.单侧抗倾覆力矩=25 x20x4=2000(kg▪m)
单侧倾覆力矩=200x1.5=300(kg▪m)
单侧抗倾覆力矩/单侧倾覆力矩=2000/300≈6.67
根据《高处作业吊篮》(GB/T 19155-2017)的规定,在配重悬挂支架外伸距离最大,起升机构 极限工作载荷工况时,稳定力矩应大于或等于3倍的倾覆力矩。
根据《建筑施工工具式脚手架安全技术规范》JGJ 202-2010悬挑机构的抗倾覆系数大于等于 2,因此,符合安全要求
4.(1)隐患一:个别出现严重漏油的提升机补充了润滑油。
正确做法:提升机出现漏油现象应立即停止使用。
(2)隐患二:工作钢丝绳盘好后放在吊篮平台内,并采取了防止人员踩踏的措施。 正确做法:安全钢丝绳和工作钢丝绳均应在地面坠有重物。
(3)隐患三:吊篮操作工从窗口进出吊篮平台。
正确做法:吊篮正常工作时,人员应从地面进入吊篮,不得从建筑物顶部、窗口等处或其他 孔洞出入吊篮。
(4)隐患四:吊篮操作工专用安全绳固定在悬挂机构上。
正确做法:高处作业吊篮应设置作业人员专用的挂设安全带的安全绳及安全锁扣,安全绳应 固定在建筑物可靠位置上,不得与吊篮上任何部位连接。
28、某地铁双层岛式明挖车站工程,基坑长度150m,标准段宽度20.90m,深度19.60m。基 坑开挖范围内岩土为杂填土、粉质黏土和砂卵石。
支护体系采用钻孔灌注桩(桩径800mm)+内支撑的方式,竖向设三道钢支撑,钢支撑的防坠钢 丝绳(414)每个固接端均设两个受力绳卡,绳卡交替布置,间距4倍钢丝绳直径,最后一个绳 卡距绳头的长度为130mm。
基坑自北向南分八段施工,采取四周降水和内部疏干降水措施,场地内市政管线已改移至临 近基坑南侧。
2021年10月20日,专业监理工程师发现在基坑南侧侧壁临近地下管线处有渗漏水,且第三方 监测发现支护结构变形值超过设计变形控制值。专业监理工程师立刻口头要求项目负责人查 明原因并尽快处理;项目负责人认为问题不大,未采取有效处置措施。
2021年10月28日,专业监理工程师再次发现南侧侧壁漏水量增大并伴有流砂,基坑底部出现 管涌,桩间土多处出现孔洞,孔洞深度800~1000mm。监理单位要求工程项目部立即停工处 置。工程项目部安排对问题部位加强监控,并局部进行封堵,但未停止施工作业。
2021年10月30日,基坑第七段进行底板防水层施工,第八段大部分已开挖到基底,挖掘机正 在进行最后一部分土体开挖,竖向架设两道钢支撑,地下水位降至基础垫层以下0.20m。当日 15:10分左右,基坑南侧侧壁中上部出现较大涌水,基坑顶部出现较大裂缝,项目工程技术
12/14
人员发现后向项目负责人报告。15:25分左右,基坑南侧中间部分突然坍塌,并迅速向两侧 发展,造成部分钢支撑脱落,两侧围护桩侧移或倾倒,大量土体垮塌,并使改移至此的多根 通信电缆裸露悬空,4600自来水管断裂,4800污水管断裂,燃气管线外露,基坑被淹。
事故导致3名工人遇难,8名工人受伤,基坑西南角一栋7层宾馆结构受损。
事故造成的经济损失如下:现场抢救及医疗费用143万元,伤亡人员丧葬及抚恤费用458万 元,停工停产费用285万元,清理现场费用800万元,补充新员工培训费用5万元,事故罚款及 赔偿费用4800万元。
根据以上场景。回答下列问题:(共26分)
1.根据《企业职工伤亡事故分类》(GB 6441),辨识车站开挖作业现场存在的危险有害因 素。
2.判定该起事故的等级,并计算事故直接经济损失。
3.指出地下管线破裂时应采取的应急措施。
4.指出钢支撑防坠钢丝绳固接存在的安全隐患,并说明正确做法。
5.根据《房屋市政工程生产安全重大事故隐患判定标准(2022版)》,指出该基坑工程存在的 重大事故隐患,并补充其他属于基坑工程的重大事故隐患。
1.车站开挖作业现场存在的危险有害因素: (1)高处坠落:基坑深度19.60m。
(2)机械伤害:挖掘机等施工机械。
(3)坍塌:深基坑开挖时土石塌方。
(3)其他伤害:施工人员跌打扭伤。
(4)淹溺:Φ600自来水管断裂,Φ800污水管断裂,基坑被淹。
(5)火灾:燃气管线外露。
(6)起重伤害:钢支撑吊装等。
(7)触电:改移至此的多根通信电缆裸露悬空、电气设备漏电等。
2.(1)该起事故死亡3人,直接经济损失6201万元,属于重大事故。
(2)直接经济损失=143+458+800+4800=6201(万元)。
3.地下管线破裂时应采取的应急措施:背景资料中自来水管、污水管线断裂,燃气管线外 露,应立即关闭阀门,防止发生火灾、爆炸等安全事故,停止基坑开挖,回填反压、基坑侧 壁卸载,及时加固、修复或更换破裂管线。
4.(1)隐患一:每个固接端均设两个受力绳卡。
正确做法:每个固接端设有三个受力绳卡。
(2)隐患二:绳卡交替布置。
正确做法:钢丝绳扣安装在钢丝绳长头一侧,不得交替布置。
(3)隐患三:间距4倍钢丝绳直径。
正确做法:绳卡间距不应小于钢丝绳直径的6倍。 (4)隐患四:最后一个绳卡距绳头的长度为130mm。 正确做法:绳头距最后一个绳卡的长度不少于140mm。
5.(1)该基坑工程存在的重大事故隐患如下: ①临近地下管线处有渗漏水。
13/14
②支护结构变形值超过设计变形控制值。
③南侧侧壁漏水量增大并伴有流砂。
④基坑底部出现管涌。
⑤桩间土孔洞深度800~1000mm,大于钻孔灌注桩桩径800mm。
⑥地下水位降至基础垫层以下0.2m。
(2)其他属于基坑工程的重大事故隐患:
①对因基坑工程施工可能造成损害的毗邻重要建筑物、构筑物和地下管线等,未采取专项防 护措施。
②基坑土方超挖且未采取有效措施。
③深基坑施工未进行第三方监测。
 
考证就上233网校APP
免费题库,复习资料包,
扫码下载即可获得
14/14