—、单项选择题(每题的备选项中,只有1个最符合题意)
1. 安全色是被赋予安全意义具有特殊属性的颜色,包括红、黄、蓝、绿四种。下列场景
■中安全色的使用,正确的是( )。
A.临边洞口防护栏杆--红色 B.消防水泵--黄色
C.施工现场警告标志--蓝色 D.砂轮机启动按■钮--绿色
2. 离合器和制动器是保证压力机正常工作不可缺少的操作控制部件,两者的动作必须密
切配合相互协调。离合器与控制器工作异常,会导致滑块运行失去控制,引发冲压事 故。关于压力机离合器和制动器的说法,正确的是( )。
A. 大型和中型压力机离合器接合前,制动器必须处于制动状态
B. 压力机不工作时,离合器处于脱开状态,制动器处于不制动状态
C. 通常采用离合器-制动器组合结构,以提高两者同时结合的可能性
D. 执行停机控制的瞬时动作时,离合器立即脱开,制动器立即结合
3. 为降低铸造作业安全风险,应根据生产工艺水平、设备特点、厂房场地和厂房条件等,
结合防尘防毒技术综合考虑工艺设备和生产流程的布局。下列铸造作业各工艺布置中, 错误的是( )。
A. 砂处理、清理工段宜用轻质材料或实体墙与其他部分隔开
B. 造型、制芯工段应布置在全年最小频率风向的上风侧
C. 打磨、切割工序应布置在固定工位
D. 浇注和落砂工序应设置避风天窗
4. 安全人机工程是应用人机工程学的理论和方法研究“人-机-环境”系统,并使三者在安 全的基础上达到最佳匹配。在人机系统中,人始终处于核心地位并起主导作用,机器 起保障作用。下列特性中,人优于机器的是( )o
A.接收信息的通道数量 B.特定信息的反应能力
C.信息传递和加工速度 D.信息响应和反应速度
5. 接地电阻是衡量防雷接地装置是否可靠的重要指标,每年雷雨季节前应检査防雷接地装置
并测量其接地电阻。下列四种防雷接地装置的实测接地电阻,不符合安全要求的是( )。
A. 员工宿舍楼接闪器的每根引下线的接地电阻为20 Ω
B. 气瓶间的独立避雷针引下线的接地电阻为8 Ω
C. 配电室进户线处阀型避雷器的接地电阻为8 Ω
D. 罐区防感应雷装置的工频接地电阻为8Q
6. 静电的产生与积累受材料材质、生产工艺、环境温度和湿度等因素影响。下列说法中,
正确的是( )。
A. 容易得失电子且电阻率低的材料容易产生和积累静电
B. 接触面越大,双电层正、负电荷越少,产生的静电越少
C. 湿度增加,绝缘体表面电阻降低,加速静电泄放
D. 接触压力越大,电荷分离强度越大,产生的静电越少
7. 低压控制电器主要用来接通、断开线路和控制电气设备。下列四种常用的低压控制电
器中,同时具有断开短路电流、过载和失压保护、用作线路主开关等功能的是( )。
A.三相刀开关 B.交流接触器
C.低压断路器 D.主令控制器
8. 角磨机、冲击电钻等手持电动工具,以及蛙夯、振捣器等移动式电气设备,易引发触 电事故,使用时必须采取安全防护措施并严格遵守安全操作规程。关于手持电动工具 和移动式电气设备安全要求的说法,正确的是( )o
A. 在火灾和爆炸危险环境中,不应设保护零线
B. 对于单相设备,相线应装熔断器,中性线不装熔断器
C. 对于移动式电气设备,应单独敷设保护线
D. 对于移动式电气设备,电源插座应有专用保护插孔
9. 与空气形成爆炸性混合物的危险物质分为三类:I类为矿井甲烷;II类为爆炸性气体、
蒸气、薄雾;In类为爆炸性粉尘、纤维。为了在不同危险环境配置相应的防爆电气设 备,应对危险物质的主要性能参数进行分组、分级。关于危险物质分组、分级的说法, 错误的是( )。
A. 气体、蒸气、薄雾按引燃温度分6组:TK T2、T3、T4、T5、T6
B. 气体、蒸气、薄雾按最小点燃电流比分4级:I、HA、HB, IIC
C. 气体、蒸气、薄雾按最大试验安全间隙分3级:UA、UB、IlC
D. 在爆炸性粉尘环境中粉尘分3级:IDA、InBʌ IllC
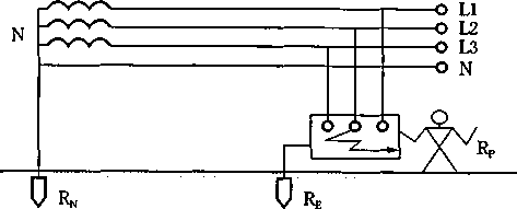
10. 某企业低压配电网的配电防护系统釆用下图所示的TT系统,图中RN为低压中性点接
地电阻,即工作接地电阻;RE为设备外壳接地电阻,即保护接地电阻;RP为人体电 阻。关于该系统安全特性的说法,正确的是( )。
 
A. 如出现一相漏电,故障电流经RN和RE构成回路,则流经人体电流减小
B. 如保护接地电阻与工作接地电阻相同,则漏电设备对地电压接近相电压的1/2
C. 因采用了保护接地,如出现一相漏电,则漏电设备对地电压可降至安全范围
D. 因采用了保护接地,与没有接地相比,漏电设备和零线上对地电压均会降低
11. 某公司司炉工对蒸汽锅炉进行巡检时发现,水位表内发暗,看不到水位。针对此情
况,他应釆取的应急措施是( )。
A. 打开水位计的放水旋塞,冲洗汽连管及水连管,关闭水位计的汽连管旋塞,关闭放 水旋塞
B. 关闭给水阀停止上水,启用省煤器再循环管路,开启排污阀及过热器、蒸汽管道上 的疏水阀
C. 降低燃烧强度,减少负荷,调小主汽阀,全开连续排污阀,并打开定期排污阀放 水,同时上水
D. 关闭锅炉与蒸汽总管间的阀门,开启过热器出口集箱、疏水阀和对空排气阀
12. 瓶阀是装在气瓶瓶口上,用于控制气体进入或排出的组合装置,包括阀体、阀杆、阀
芯、密封圈、锁紧螺母等部件。关于气瓶瓶阀安全要求的说法,错误的是( )。
A. 瓶阀上与气瓶连接的螺纹,应与瓶体螺纹匹配并保证密封可靠性
B. 可燃气体瓶阀出气口螺纹应为右旋,不燃气体瓶阀出气口螺纹应为左旋
C. 工业用非重复充装焊接气瓶,瓶阀应设计成不可重复充装的结构
D. 任何与气体接触的金属瓶,瓶阀材料应与瓶内充装介质具有相容性
13. 起重特性曲线是衡量起重机起重能力的重要指标,表示起重机在一定幅度处允许起吊
的最大重量,与多个因素有关。下列因素中,与确定塔式起重机起重特性曲线无关的 是( )。
A.起升高度 B.起升机构的强度
C.最大安全工作载荷 D.起重力矩限制器控制的设定值
14. 某饲料公司使用燃油叉车搬运货物,燃油叉车由起升装置、货叉、护顶架、挡货架、
制动器、链条、液压系统等部件构成。关于该公司燃油叉车安全要求的说法,错误的 是( )。
A.排气管应安装防火帽 B.起升装置应设置限位器
C.液压系统应选用溢流安全阀 D.起升装置链条应进行脉冲试验
15. 甲烷从管道泄漏后,在空气中扩散遇点火源可能发生燃爆,整个过程一般分为四个阶 段,即泄漏、扩散、感应、化学反应。其中,甲烷分子和氧气分子接受点火源能量, 离解成自由基或活性分子,这一阶段称为( )o
A.扩散阶段 B.感应阶段
C.化学反应阶段 D.泄漏阶段
16. 火灾探测器通过敏感元件探测烟雾、温度、火焰和燃烧气体等火灾参量,将表征火灾
参量的物理量转化为电信号,传送到火灾报警控制器,达到火灾报警目的。根据《火 灾自动报警系统设计规范XGB 50116),下列场景选择火灾探测器的做法中,错误的 是( )。
A. 火灾发展迅速,声生热、烟和火焰辐射的场所,选择感温、感烟探测器
B. 火灾发展迅速,有强烈的火焰辐射和少量烟、热的场所,选择火焰探测器
C. 火灾初期有阴燃阶段,且需要早期探测的场所,选择二氧化碳火灾探测器
D. 火灾形成特征不可预料的场所,根据模拟试验结果分析后选择火灾探测器
17. 根据《建筑设计防火规范XGB 50016),有爆炸危险的厂房或厂房内有爆炸危险的部
位应设置泄压设施。依据该标准,下列对泄压设施的要求中,错误的是( )。
A. 泄压设施宜采用轻质屋面板、轻质墙体和易于泄压的门窗等
B. 泄压设施应采用安全玻璃等在爆炸时不产生尖锐碎片的材料
C. 泄压设施应避开人员密集场所和主要交通道路,宜靠近有爆炸危险的部位
D. 厂房的泄压面积与其内爆炸性危险物质的使用量和存储量有关
18. 《民用爆炸物品工程设计安全标准XGB 50089)规定了危险品生产区内危险性建(构)
筑物的外部距离。主管部门在安全检査中,对某企业危险品生产区部分危险性建(构) 筑物的外部距离进行了测定。依据该标准,下列测定结果中,不符合规定的是( )。
A. 1. 4级建(构)筑物的外部距离为60 m
B. 储量为70 H?的硝酸铉■水溶液储罐的外部距离为70 m
C. 建在室外的90 π?硝酸铉水相储罐的外部距离为90 m
D. 硝酸铉仓库的外部距离为210 m
19. 《危险货物运输包装通用技术条件HGB 12463)规定了危险化学品包装的基本要求、
性能试验和检验方法,并将危险货物包装分为I、U、ΠI类。根据该标准,下列不同 危险性等级的货物中,使用DI类包装的是( )。
A.危险性较小的货物 B.危险性中等的货物
C.危险性较大的货物 D.危险性大的货物
20. 凡确认不能使用的爆炸性物品,必须予以销毁,在销毁前应报告当地公安部门,选择
适当的地点、时间及销毁方法。下列不属于爆炸性物品销毁方法的是( )。
A.固化法 B.烧毁法 C.爆炸法 D.溶解法
二、案例分析题(案例1为客观题,包括单选题和多选题,案例2〜4为主观题。单选题 每题的备选项中只有1个最符合题意;多选题每题的备选项中有2个或2个以上符合 题意)
F企业为一家机械加工企业,现有员工2800人,其中固定劳务用工340人,实行8h 工作制,每周工作5天。F企业建筑面积25万π√ ,其中生产区面积20万π?,设有机加 工车间、钢结构车间、总成车间、动力车间、生产经营部、计划财务部、安全环保部等。
F企业机加工车间主要生产工艺包括:开卷、预处理、冲压、铁边、校平、钻孔、切 割、压型、组焊、打磨和交检交验。主要设备有:预处理设备3台、剪板机6台、冲压机 8台、火焰切割机6台、激光切割机4台、叉车30辆、天车7台等。
F企业机加工车间在生产区域和主要设备上采用的安全技术措施有:剪板机联锁、急 停装置;冲压机光栅保护装置;起重设备超载、限位保护等安全装置;工业管道压力监测 与报警装置;消防报警灭火系统等。
F企业根据建设项目职业病防护设施“三同时”要求,委托具有资质的专业机构进行 了职业病危害控制效果评价,并对工作场所的职业病危害因素进行了检测。在机加工车间 检测发现,剪板机、冲压机作业场所的噪声超标,脉冲噪声声压级峰值达128 dB,每日脉 冲次数约1200次。
2022年7月15日,机加工车间安排设备维修工甲、有身孕的电工乙对预处理设备进 行维修保养。9时10分,乙关闭预处理设备电源后,甲开始检修,乙登上3m高的液压 升降平台协助甲作业。在相邻的剪板机工位上,操作工丙正在剪切板料,板料堆垛底宽 1. 5 m,垛高3 InO 9时40分,F企业安全管理人员丁到车间进行安全检查,发现预处理 设备电源开关处未挂“禁止合闸”警示牌、高处作业未办理许可证、板料堆垛不符合要求 等违章行为,丁及时进行了制止,并要求立即整改。
根据以上场景,回答下列问题(1〜2题为单选题,3~5题为多选题):
1. 根据《工作场所职业病危害作业分级 第4部分:噪声MGBZ/T 229.4),剪板机、冲
A.—般危害 B.轻度危害 C.中度危害 D.重度危害
E.极重危害
A. 1. 0 m B. 1. 5 m C. 2. 0 m D. 2. 5 m
E. 3. 0 m
A.遮挡式安全防护装置 B.光电式安全控制装置
C.过载式安全防护装置 D.双手操作式安全控制装置
E.脚踏式安全控制装置
A. 进行6 kg重电气配件的搬运
B. 在40 °C的室外进行电气检修
C. 在机加工车间电缆沟内进行电气检修
D. 对预处理设备配电柜进行线路改造
E. 在3 m高的液压升降平台进行电气检修
5. F企业机加工车间剪板机区域应设置的安全标志有( )。
ʌθ B ʌ C® D ⑪
E.触
H公司是位于Z市的一家纺织企业,有员工150人,下设综合部、生产部、保障部、 安全环保部等。H公司建有日处理能力1000 t的污水处理车间,采用“厌氧+好氧"污水 处理工艺。
2021年6月28 El , H公司安全环保部在检查中发现,污水处理车间调节池内提升泵 堵塞,需要进行清淤作业。6月29日8时,H公司保障部主管通过手机APP找到J公司, 电话委托其开展清淤作业。当日10时,J公司经理甲、其弟乙以及当天从劳务市场临时找 来的劳务人员丙、丁到达H公司污水处理车间,甲电话告知H公司保障部主管后,立即 布置现场清淤作业。10时10分,丙和丁佩戴防尘口罩、携带清淤工具,从爬梯进入调节 池开始清淤作业,丙在调节池底用工具把淤泥装入筐内,丁在爬梯上把筐内淤泥运至地 面,甲在池边协助,乙负责监护。
10时15分,丙突然晕倒在调节池内,甲和丁立即进入调节池进行救援,随后两人均 晕倒在池内,乙见状立即大声呼救,并电话报告H公司保障部主管。H公司电工戊正好 从污水处理车间经过,听到呼救后,急忙赶到调节池旁,进入池内救人,戊也栽倒在池. 内。H公司保障部主管接到报告后,立即带人赶到现场组织救援,并拨打“119”和 “120”。10时40分,120到达现场,甲、丙、丁、戊4人被紧急送医,经抢救无效死亡。
事故发生后,Z市成立事故调查组对H公司“6 • 29”事故进行调查,调查结果表明: 甲、丙、丁和戊4人死亡的直接原因是吸入过量有毒有害气体导致中毒死亡,H公司在安 全生产管理方面存在严重缺陷。
为汲取事故教训,避免类似事故发生,H公司开展了有限空间专项排查治理,完善了 有限空间和承包商安全管理制度,修订了有限空间应急处置方案并配备了应急物资,现场 增设了有限空间作业安全告知牌,进行了全员安全培训和应急演练。
根据以上场景,回答下列问题:
1.辨识H公司污水处理车间调节池内存在的主要有毒有害气体(四种以上)。
2.列出H公司污水处理车间调节池清淤作业应配备的应急物资。
3.分析H公司“6・29”事故的间接原因。
4-说明H公司污水处理车间调节池现场增设的有限空间作业安全告知牌的主要内容。
K公司为一家汽车配件生产企业,共有员工750人,设立了安全环保部,并配有专职 安全管理人员4人。K公司有盆弧焊加工车间、热处理车间、涂装车间、装配车间等生产 车间,及配电室、机修间、消防中控室等辅助设施。
K公司的氮弧焊加工车间、热处理车间、涂装车间、装配车间和配件仓库均位于联合 厂房内。氧弧焊加工车间有数控机床若干,氧气瓶若干;热处理车间有天然气加热炉3 台,在联合厂房外配套设置容积为50 H?的天然气储罐3个;涂装车间有调漆间、喷漆■室 (采用机械手喷漆)、烘干室,使用油漆、稀释剂、清洗剂等化学品;装配车间有装配生产 线3条、桥式起重机3台;配件仓库内有叉车若干。
2021年10月,K公司研发完成了 一款新型机械设备,计划在厂区内新建一条生产线。 该项目通过公开招投标,确定L公司负责土建工程,M公司负责设备安装工程,N公司 负责装饰工程,项目建设过程中存在交叉作业。
2022年2月,K公司安全环保部制定了年度安全工作计划,内容包括:组织修订完善 安全规章制度;组织修订生产安全事故应急救援预案;组织修订安全操作规程;组织开展 安全生产检查。
2022年6月,K公司开展了以"遵守安全生产法,当好第一责任人''为主题的安全生 产月活动,包括安全知识竞赛、安全大检查、安全大讲堂等。其间,安全环保部组织各车 间进行了安全专项检查,检查发现:氧弧焊加工车间氯气瓶无瓶帽、瓶体颜色不清,数控 机床门联锁装置失效;涂装车间调漆间和喷漆室的气体浓度报警器故障,临时用的电气设 备为非防爆型;装配车间的桥式起重机防脱钩装置脱落;热处理车间的加热炉操作部位无 监测报警装置;配件仓库内叉车限速装置失效;配电室配置的灭火器过期,绝缘工具无检 验标识;消防中控室人员脱岗,地面有烟头。针对以上隐患,K公司提出了整改方案并编 制了整改计划。
根据以上场景,回答下列问题:
1.简述K公司在新生产线建设过程中,对L、M、N公司安全管理的要求。
2.根据《中华人民共和国安全生产法》规定的安全生产管理机构职责,简述K公司安全 环保部除完成年度工作计划外,还应开展的工作。
3.简述涂装车间防爆专项检查应包括的主要内容。
4.根据《工贸行业重大生产安全事故隐患判定标准(2017版)》,辨识K公司存在重大隐患 的场所并说明原因。
A食品加工企业成立于1998年,主要生产速冻类包装食品,占地面积4万π√,有员 工340人。A企业主要有生产车间、冷藏库、冷冻库、氨制冷机房、配电室、办公楼、食 堂、液化气瓶间等。
2022年1月,因设备设施老化,A企业计划进行技术改造,改造内容为:拆除原有 18台压力容器(包括螺杆压缩机、液氨储罐等)和900 m压力管道的氨制冷系统,更换 为新型制冷系统;食堂用液化气改天然气;新建一单层IokV配电室及值班室。
2022年3月10日,A企业与R施工单位签订氨制冷系统拆除合同,与B建筑公司签 订配电室建设合同,与D燃气公司签订天然气管道施工合同。.
R施工单位对氨制冷系统的拆除工作进行了危险源辨识和风险评估,编制了氨制冷系 统拆除专项施工方案,明确了拆除步骤,包括:①拆除制冷系统电气线路和电气设备; ②拆除报警及传感系统;③拆除喷淋系统;④对制冷设备和管道内的氨介质进行抽空;⑤用 惰性气体对制冷设备和管道内介质进行置换;⑥拆除制冷设备和管道;⑦拆除管道保温层。
随后,A企业组织专家对R施工单位编制的氨制冷系统拆除专项施工方案进行了评 审,发现拆除步骤存在重大错误,需要调整。
2022年4月5日,R施工单位完成了对氨制冷系统拆除步骤的重新编制,并对相关作 业人员进行了安全培训,按照施工方案开始拆除工作。
4月25日,A企业10 kV配电室建设和天然气管道安装开始施工。
9月15 EJ , A企业所在地应急管理局,在A企业施工现场进行执法检查时发现如下 问题:新建IOkV配电室防雨雪及防蛇鼠等小动物进入的安全技术措施缺失;压缩空气储 气罐安全附件不全;穿越厂区主干道的临时电气线路敷设方式不符合要求;现场交叉作业 管理不规范;R施工单位的劳动防护用品数量配置不足;施工现场砂轮机防护罩破损。
针对以上问题,应急管理局下发责令整改通知单,要求A企业立即停止现场施工并对相 关问题进行整改。9月30日,A企业按照要求完成了整改,并通过了所在地应急管理局验收。
10月15日改造项目完工。
根据以上场景,回答下列问题:
1.对氨制冷系统拆除专项施工方案中的拆除步骤进行排序。
2.简述R施工单位在制冷设备设施拆除前,对作业人员安全培训的主要内容。
3.简述临时电气线路穿越厂区主干道时可釆用的敷设方式及相关安全要求。
4.简述A公司新建10 kV配电室应采取的防雨雪及防蛇鼠等小动物进入的安全技术措施。
5.根据《生产过程危险和有害因素分类MGB/T 13861),辨识拆除液氨制冷系统作业过程 中存在的物理性危险和有害因素。
一、单项选择题(每题的备选项中,只有1个最符合题意)
1. 听觉信号和视觉信号是信号警告的常用形式,视听信号的设计应遵循安全人机工程学
原则。下列听觉信号和视觉信号的设计要求,正确的是( )。
A. 听觉信号强度在接收区内的任何位置应超过有效掩■蔽阈值,且不应低于65 dB
B. 视觉信号不应与听觉信号同时使用,以免分散受众注意力
C. 警告和紧急视觉信号的亮度应至少是背景亮度的5倍
D. 紧急视觉信号应为黄色,警告视觉信号应为红色
2. 金属切削机床作业的主要风险是人员与可运动部件接触造成的机械伤害。当通过设计 不能避免机械伤害时,应采取必要的安全防护措施。下列预防机械伤害的措施,正确 的是( )o
A. 有惯性冲击的机动往复运动部件,应设置可靠的限位装置
B. 有行程距离要求的运动部件,应设置缓冲装置
C. 不允许同时运动的两个运动部件,其控制机构禁止联锁
D. 单向转动的运动部件,应在明显位置标出转动方向 ’
3. 根据《剪切机械安全规程MGB 6077),下列剪切设备的双手操作式安全控制装置设计,
错误的是( )。
A. 双手操作式安全控制装置配置一次行程一次停止的机构
B. 只有在双手同时操作两个控制按钮或两个操纵杆时,刀架才能动作
C. 在每一次行程中,只有操作者的双手都离开控制按钮或操纵杆,剪切设备才能再次 启动
D. 双手操作式安全控制装置的两个控制按钮,设置在开关箱(或按钮盒)内,其按钮 的顶端略高于该开关箱(或按钮盒)的表面
4. 锻造是金属压力加工的方法之一,属于机械制造的重要环节。某锻造工段主要设备有
锻锤、压力机、电加热炉、天车等。根据《企业职工伤害事故分类MGB 6441),该锻 造工段可能发生的伤害事故类别是( )。
A. 机械伤害、其他爆炸、起重伤害、触电、车辆伤害
B. 机械伤害、其他爆炸、起重伤害、灼烫、物体打击
C. 机械伤害、火灾、中毒窒息、灼烫、物体打击
D. 机械伤害、火灾、中毒窒息、触电、车辆伤害
5. 接地装置是接地体(极)和接地线的总称,是防止间接接触电击的安全技术措施。电
气设备的接地装置应当始终保持在良好状态。下列接地装置接地线连接方式的说法, 正确的是( )。
A. 交流电气设备不得采用自然导体作接地线
B. 管道保温层的金属外皮及电缆的金属保护层可用作接地线
C. 接地线与建筑物伸缩缝交叉时,应弯成弧状或另加补偿连接件
D. 接地装置地下部分的连接应采用螺纹连接
6-爆炸危险环境使用的电气线路,应避免产生火花、电弧或危险温度等火灾爆炸事故的 点火源。下列电气线路敷设方式,正确的是( )。
A. 在爆炸性气体环境中,钢管配线的电气线路应做好隔离密封
B. 爆炸危险环境敷设电气线路的导管,在穿过不同区域之间墙体时,可采用聚氨酯泡 沫材料严密封堵
C. 当爆炸危险环境中可燃气体比空气重时,电气线路宜在地面敷设
D. 爆炸危险环境中,钢管配线应采用有护套的绝缘单芯或多芯导线
7. 带电积云是构成雷电的基本条件,不同电荷的带电积云互相接近到一定程度,会产生
雷电。雷电种类及特征参数是设计防雷技术措施的依据。下列雷电种类及特征参数的 说法,正确的是( )。
A. 雷电流的最大值可达数万千安
B. 雷电流冲击波波头陡度可达IOO kA∕μs
C. 直击雷冲击的过电压可达数千千伏
D. 感应雷的过电压一般不超过50 kV
8. 2020年8月31日14时,某公司员工李某发现生产车间水泵故障,水泵电机停止转动。
李某在未断开电源徒手触摸电机外壳时发生了触电事故。事故调查专家现场检测发现: 事故水泵电机两相绕组之间的电阻值为零、绕组与电机外壳之间的电阻值为零。造成 该起事故的直接原因是( )。
A.电动机电源缺相 B.电动机轴承损坏
C.电动机绝缘击穿 D.电动机转子"扫膛"
9. 安全检测是保障安全生产的重要手段,常用的电气安全检测仪器包括绝缘电阻测量仪、
接地电阻测量仪、红外测温仪、可燃气体检测仪等。下列使用安全检测仪器进行测量 的说法,正确的是( )。
A. 使用红外测温仪测量时,测量区域应小于被测目标的范围
B. 使用兆欧表测量时,连接导线应采用双股绝缘导线
C. 使用接地电阻测量仪测量时,电极间的连接线应与邻近高压架空线路平行
D. 使用可燃气体检测仪测量时,报警浓度应设置为可燃气体爆炸下限的30% (V/V)
10. 按燃烧方式不同,锅炉可分为层燃炉、室燃炉、旋风炉和流化床燃烧锅炉。下列不同
类型锅炉燃烧方式的说法,正确的是( )。
A. 层燃炉采用火室燃烧,即燃料随同空气喷入炉膛中进行燃烧,适用于固体、液体和 气体燃料
B. 室燃炉采用火床燃烧,即燃料以一定厚度分布在炉排上进行燃烧,适用于固体燃料
C. 旋风炉采用旋风燃烧,即燃料在高温的旋风筒内高速旋转,部分燃料被甩向筒壁液
态渣膜上进行燃烧,适用于油品燃料
D.流化床燃烧锅炉采用流动燃烧,大粒燃煤在炉排上面翻腾燃烧,小粒燃煤随空气上 升并燃烧,适用于劣质煤燃料
11. 起重机脱绳事故是指重物从捆绑的吊装绳索中坠落溃散的事故。下列5种情形中,属
于起重机脱绳事故的是( )。
① 捆绑方法不当,造成重物坠落
② 超载起吊拉断钢丝绳,造成重物坠落
③ 吊装重心选择不当,偏载起吊,造成重物坠落
④ 斜吊斜拉切断钢丝绳,造成重物坠落
⑤ 吊装遭到碰撞摇摆,造成重物坠落
12. 压力容器充装介质时,充装速度不宜过快,尤其要防止压力快速升高,因为过快的充
A.耐腐蚀性 B.耐热性能 C.介电性能 D.断裂韧性
13. 气瓶在储存使用过程中要严格遵守相关规范和要求。下列储存使用气瓶的安全要求,
A. 储存瓶装气体实瓶的场所环境温度超过60 °C时,应采取喷淋等冷却措施
B. 使用天然气气瓶的机动车辆,禁止驶入建筑物内的停车场(库)等封闭空间
C. 气瓶存放时应当立放,不得横放,并且要妥善固定,防止气瓶倾倒
D. 盛装可燃介质的气瓶和盛装助燃介质的气瓶,不得在同一场所存放
14. 为了保证起重机械安全运行,使用单位应按要求对起重机械进行每日检查、每月检查
和年度检查。下表所列检查项目中,属于每月检查项目的是( )。
| 序号' | 检査项目 | 
| ① | 紧急报警装置检査 | 
| ② | 安全装置、制动器、离合器等可靠性和精度检査 | 
| ③ | 电气、液压系统的泄漏情况检査 | 
| ④ | 动力系统和控制器检査 | 
| ⑤ | 钢丝绳的安全状况检査 | 
| ⑥ | 遇4级以上地震后,起重机械使用前的检査 | 
A.①④⑥ B.②③④ C.②③⑤ D.①④⑤
15. 某建筑公司在施工现场使用流动式起重机(汽车吊)吊装一混凝土构件,根据构件材 质和尺寸,目测构件重量约1 h吊装人员在吊装前,选择吊具的最小起重量应取 ( )。
A. 1.0t B. 1. 2 t C. 1. 4 t D. 1. 6 t
16. 水作为最常用的灭火剂,可冷却燃烧物、使燃烧物与氧气隔绝、降低燃烧区域氧浓
度,从而破坏燃烧条件达到灭火目的。下列场所发生火灾时,可选用水作为灭火剂的 是( )。
A.存有碳化钙的仓库 B.生产浓硝酸的车间
C.酒精储罐区 D.乙块气瓶库
17. 发生爆炸或压力骤增的初始阶段,可釆用泄爆措施将高温、高压燃烧产物和未燃物料
向安全方向泄放,以减少对系统本身及周围环境的破坏。泄爆措施可通过设置安全 阀、爆破片、泄爆门窗或泄爆口实现。下列泄爆措施设计要求,错误的是( )。
A. 泄爆窗应设置在系统包围体顶部或上部,侧面泄压避免使用玻璃
B. 泄爆口应朝向安全区域,避免泄爆伤人或点燃其他可燃物
C. 泄爆口布局避免对称设置,以消除反冲力叠加
D. 泄爆门应设计和安装成自由转动,以不受障碍■物的影响为宜
18. 按整体结构及加载方式,安全阀可分为杠杆式、弹簧式和脉冲式等。下列弹簧式安全
阀结构特点及适用范围的说法,错误的是( )。
A. 通过调整螺母来控制弹簧压缩量,实现对开启压力的校正
B. 结构紧凑,灵敏度较高,应用广泛
C. 对振动敏感,不宜用于移动式压力容器
D. 长期高温会影响弹簧弹性,不适用于高温环境
19. 根据《烟花爆竹工程设计安全规范HGB 50161),烟花爆竹工厂危险品区域的平面布
局包括危险品生产区的平面布置、危险品仓库区的平面布置、危险品生产区和危险品 仓库区的围墙设置。下列烟花爆竹工厂危险品仓库区的平面布置,错误的是( )。
A. 应根据仓库的危险等级和计算药量,结合地形情况布置
B. 计算药量较大的危险品仓库,宜布置在库区出入口的附近
C. 危险品运输道路不应在其他防护屏障内穿行通过
D. 危险性大的仓库,宜布置在总仓库区的边缘
20. 根据《危险化学品安全管理条例》,下列危险化学品运输行为中,符合安全要求的是 ( )。
A. 某运输企业在运输过程中,将无水乙醇和瓦楞纸箱同车装运
B. 某运输企业通过内河封闭水域,运输少量环氧乙烷
C. 某运输企业获得所在地县人民政府安全生产监督管理部门许可后,开始经营硝酸铉 运输业务
D. 托运人向运输始发地县人民政府公安机关申请剧毒化学品道路运输通行证后,开始 运输液氯
二、案例分析题(案例1为客观题,包括单选题和多选题,案例2〜4为主观题。单选题 每题的备选项中只有1个最符合题意;多选题每题的备选项中有2个或2个以上符合 题意)
A企业为B集团公司下属的机械加工企业,有正式员工265人、劳务派遣人员48人, 设有经营部、生产部、技术部、安全部四个职能部门。安全部配备3名专职安全员,负责 企业安全生产管理工作。
A企业的主要设备设施包括:剪板机、平板机、车床、刨床、磨床、钻床、铳床共 30余台,激光切割机2台,砂轮机4台,叉车2台,额定起重量5 t天车4部,货运电梯 2部;另有电焊机15台,角磨机等手持电动工具20台;二氧化碳气瓶20支,氧气瓶、乙 焕气瓶各10支。
2021年3月25日,B集团公司组织专家对A企业进行"四不两直"安全检查,现场 检查发现:员工甲左手垫擦布手持工件,右手操作钻床进行打孔;员工乙双手操作剪板机 两个控制按钮,剪切100 mm宽的钢板;员工丙佩戴防护眼镜和防尘口罩站在砂轮机正面 磨削刀具,砂轮机卡盘与防护罩的安全间距10 mm;叉车司机丁佩戴着安全帽,驾驶2t 又车向车间配送氧气瓶,氧气瓶横卧在叉车料框内,到达车间后,指挥天车将氧气瓶吊运 至指定位置;电焊工戊从Iom远配电箱处接电焊机电源线,利用天车地面轨道作为电焊 机保护接地线,脚穿绝缘防护鞋,双手戴绝缘手套,佩戴电焊防护面罩进行焊接作业。
在检查过程中,专家组通过访谈发现:2020年9月14 EJ ,车间劳务派遣人员庚戴手 套安装完风钻较刀,进行较孔作业时,风钻反转,转动的较刀将手套缠住,附近作业人员 及时切断电源,庚未受伤。事后,A企业未对该起未遂事故进行原因分析,未采取预防 措施。
根据以上场景,回答下列问题(1〜2题为单选题.,3〜5题为多选题):
1. 根据《砂轮机安全防护技术条件MJB 8799),砂轮机卡盘与防护罩的安全间距最大值为 ( )。
A. 5 mm B. 10 mm C. 15 mm D. 20 mm
E. 25 mm
2. 司机丁驾驶叉车运送氧气瓶到达车间后,指挥天车进行气瓶吊运,正确的吊运方法是
( )o
A. 使用电磁起重机吊运
B. 使用金属链绳捆绑气瓶后吊运
C. 使用钢丝绳穿入气瓶帽后吊运
D. 使用集装格固定气瓶后吊运
E. 使用钢丝绳扣挂在料框吊耳后吊运
3. 电焊工戊进行电焊作业时,正确的做法包括( )。
A. 从Iom远配电箱处接电焊机电源线
B. 利用天车地面轨道作为电焊机保护接地线
C. 脚穿绝缘防护鞋
D. 双手戴绝缘手套
E. 佩戴电焊防护面罩
4. 专家组对A企业安全检查时发现的下列情形中,存在安全生产事故隐患的包括( )。
A. 员工甲左手垫擦布手持工件,右手操作钻床进行打孔的作业
B. 员工乙双手操作控制按钮,剪切100 mm宽钢板的作业
C. 员工丙站在砂轮机正面磨削刀具的作业
D. 叉车司机丁驾驶2 t又车向车间配送氧气瓶的作业
E. 2020年9月14日发生的未遂事故未进行原因分析且未采取预防措施
5.下列A企业的主要设备设施中,属于特种设备的包括( )。
A.激光切割机 B.额定起重量5 t天车
C.叉车 D.货运电梯
E.氧气瓶
C企业为一家大型饲料生产企业,产能为60万t∕a,有员工216人。设有生产部、销 售部、安全环保部、综合部、保障部等部门。
C企业主要生产设施包括前端设施、饲料生产设施及辅助设施。前端设施包括卸粮 坑、原料立筒仓等原粮接收装置;饲料生产设施包括待粉碎仓、配料仓、待制粒仓、粉料 成品仓、斗式提升机、脉冲式除尘器等;辅助设施包括单独设置的除尘器风机房、成品库 (包装)、中央控制室、机修间、消防泵房等。
由于对粉尘防爆标准理解有误,C企业将前端设施、饲料生产设施及辅助设施一律按 粉尘爆炸危险场所20区进行管控。
2020年9月,为了满足饲料生产和冬季供暖的需要,C企业新增1台6 t/h的天然气 蒸汽锅炉。在锅炉投入使用前,安全环保部对该锅炉的安全装置进行了全面检查,发现锅 炉燃烧器安全与控制装置部分部件缺失,只配置了自动控制器和火焰监测装置两个部件。 C企业保障部随后联系锅炉供货厂家进行了补充安装。
2021年6月,为了全面排查粉尘爆炸隐患∙,C企业聘请了有资质的D公司对饲料生 产全过程进行了防火防爆专项评估。D公司评估发现,C企业采取了下列防火防爆安全措 施:制定了防火防爆安全管理制度;在原料进入设备加工前安装去除金属杂质的磁选设 备;车间电气设备均选用防爆型;所有设备设施、金属管件等均设置静电保护接地;厂房 设施设置防雷接地装置;干燥设备采用隔热保温层;所有轴承采用防尘密封;生产系统设 置防火防爆相关安全标志标识。D公司在评估后指出:C企业针对人员作业时在防火防爆 方面的要求还有欠缺,针对设备设施方面的防火防爆措施还需完善,并提出了整改建议。
C企业按照D公司的建议整改后,由安全环保部组织对整改情况进行了现场检查。检 查发现,斗式提升机防打滑防跑偏的安全装置脱落失效,需要重新焊接。保障部随后按规 定办理了《动火作业许可证》和《临时用电许可证》后,开始进行电焊维修作业,并全程 安排专人监护。
根据以上场景,回答下列问题:
1.根据《粉尘防爆安全规程KGB 15577),指出C企业粉尘爆炸危险场所的分区错误并 纠正。
2.列出6 t/h天然气蒸汽锅炉供货厂家补充安装的燃烧器安全与控制装置部件。
3.完善C■企业针对人员作业时在防火防爆方面的要求。
4.简述C企业保障部进行斗式提升机焊接动火作业前应釆取的安全措施。
F集贸市场是建设在东西走向干涸河道空间上的二层建筑。该建筑地上一层有20个 餐饮和零售铺面,东西长100 m,南北宽2Om;负一层为河道空间,长约110 m,宽约 18 m,高约3 m,其南、北、西侧均被封堵,只能通过东侧一个2 mX2 m入口进出。
F集贸市场南側路面下有DNIOO mm、压力0. 5 MPa燃气管线。2010年该管线被第 三方施工单位挖断,导致燃气泄漏并引发火灾。事故发生后,燃气管线业主单位E燃气公 司改变了燃气管线敷设路径,从F集贸市场西侧负一层河道空间内由南向北穿越,穿越位 置距离东侧入口 95 mo
F集贸市场一层餐饮商户使用燃煤鼓风灶具,常年向负一层排放带火星的油烟气体; 部分生活污水直接排到负一层河道空间内,导致燃气管线穿越部分长期受污水腐蚀。
河道空间内刺激性气味刺鼻,E燃气公司未给检查人员配备相关安全防护装备,在进 行燃气管线安全巡检时,检查人员无法到达穿越管线位置。
2021年5月10日22时许,F集贸市场一层商户闻到疑似天然气泄漏的刺激性气味, 向E燃气公司报修。E燃气公司接报后,未及时派人前往现场处置。11 0 5时,疑似天然 气泄漏的刺激性气味更浓,商户再次向E燃气公司报修,并拨打“119"报警。5时15 分,燃气公司员工到达事发现场,在东侧入口处检测到天然气浓度超过8% (V/V),随即 前往天然气管线上游阀门井处关闭阀门。随后,消防、应急、市政等部门抢险人员陆续到 达现场。燃气公司员工对到达的抢险人员表示,泄漏燃气管线阀门已关闭,燃气泄漏事故 已得到控制。
5时30分,F集贸市场负一层河道空间内发生爆炸事故,事故造成15人死亡,31人 受伤,F集贸市场地上一层建筑损毁,周边相邻建筑不同程度受损。
经现场勘查,排除了人为纵火、电气火花点燃泄漏天然气发生爆炸的可能性。
根据以上场景,回答下列问题:
1.分析该起事故的直接原因。
2.指出E燃气公司员工进入F集贸市场负一层对燃气管线巡检时,应配备的安全与防护
装备。 '
3.简述燃气泄漏发生后应釆取的应急处置措施。
4.分析E燃气公司在安全管理中存在的问题。
G公司是位于H市的一家汽车零部件生产企业,共有员工600人,主要建筑设施包 括:一栋建筑面积15000 m2单层生产车间和库房、一栋建筑面积2000 m2三层办公楼、 配套的能源动力等生产辅助用房及公司食堂等。食堂东侧设独立液化气气瓶间。G公司主 要生产车间包括模塑车间、喷涂车间和成型车间。
G公司模塑车间和喷涂车间为全自动生产线,产品在模塑车间成型后,通过生产线传 送至全封闭喷涂车间,由机械手进行涂装,然后进入暂存区储存,最后转运到成型车间, 进行人工抛光打磨。喷涂车间有4个涂装间,车间门口设置“严禁烟火"和"必须穿防静 电服"安全标识。
液化气气瓶间为砖混结构建筑,耐火等级为二级,是G公司的重点防火区域。G公司 安全生产管理人员编制了安全检查表,并定期对气瓶间进行安全检查。
2019年3月,G公司计划在生产车间西侧新建一个能容纳30台叉车(铅酸电池)同 时充电的叉车充电间。经过招投标,I建筑公司承包了 G公司的叉车充电间施工项目。叉 车充电间属于易燃易爆场所,G公司按照'‘三同时"规定,要求承包单位在充电间内配置 相应的安全设施。
因工期紧张,I建筑公司在中标当天即安排6名建筑工人进入G公司施工。在施工第 三天,H市应急管理局到G公司进行专项安全检查,发现G公司无承包商安全管理制度, 未对承包商进行管理,I建筑公司员工对施工现场的危险因素不了解,且无证进行焊接作 业。H市应急管理局责令G公司和I建筑公司立即停止施工,并要求限期整改。G公司和 I建筑公司按照要求进行了整改。2019年8月,叉车充电间建成并投入使用。
为规范安全生产管理工作,G公司从2020年2月开始开展安全生产标准化二级达标 工作,并成立了以公司总经理为组长的安全生产标准化领导小组。G公司对照《机械制造 企业安全生产标准化评定标准》开展自评,发现存在下列安全问题:①未对新员工进行三 级安全教育培训;②未为2019年入职员工缴纳工伤保险;③喷涂车间安全标识不全; ④成型车间未制定相关设备安全操作规程;⑤食堂未进行危险有害因素辨识;⑥叉车充电 间未编制作业人员应急处置卡。
根据自查情况,G公司安全生产标准化领导小组作出安排,对检查出的现场安全问题 进行了整改。2020年12月,G公司顺利通过安全生产标准化二级评审。
根据以上场景,回答下列问题:
1.补充完善G公司喷涂车间应设置的安全标志标识。
2.分析G公司新建叉车充电间应配置的安全设施。
3.简述叉车充电间施工项目中,G公司对I建筑公司的安全管理责任。
4.根据《企业安全生产标准化基本规范XGB/T 33000),指出G公司自评中发现的问题 所对应的体系一级要素。
5.简述液化气气瓶间安全检査表的主要内容。
—、单项选择题(每题的备选项中,只有1个最符合题意)
1. 机床的本质安全包括“故障一安全”和“失误一安全”等方面。下列机床安全设计措
施中,属于“故障一安全”的是( )。
A. 齿轮、链条传动等设置封闭式防护罩
B. 将夹持装置的放松与机床运转的结束相联锁
C. 机床急停后必须按启动顺序重新启动方可恢复运转
D. 对有惯性冲击的机动往复运动部件设置缓冲装置
2. 在人机系统中,人始终处于核心并起主导作用,为避免事故发生,应研究人的生理和 心理特性,疲劳是人生理特性的一种表现形式。下列减轻人疲劳的措施中,错误的是 ( )。
A. 铸造车间安排白班夜班轮班作业
B. 肉鸡分割车间内播放音乐
C. 机加工车间保持合理的温湿度和照度
D. 服装加工车间搭配作业环境色彩
3. 员工甲擅自登上正在进行特高压试验的列车顶部,当走到受电弓处,弯腰穿越输电线
路时,线路放电导致其触电受伤。甲受到的触电方式是( )。
A. 单线电击
B. 两线电击
C. 电流灼伤
D. 电弧烧伤
4. 为预防机械伤害事故发生,应设置必要的安全防护措施。下列机械安全防护措施中,
正确的是( )。
A. 机床的操作平台离地面高度超过500 mm时,应安装防坠落护栏
B. 机床的操作平台周围应设置高度不低于900 mm的防护栏杆
C. 为避免头部受到挤压,冲压机开口最小间距为400 mm
D. 为防止伤害指尖,冲压设备防护装置方形开口的安全距离不大于10 mm
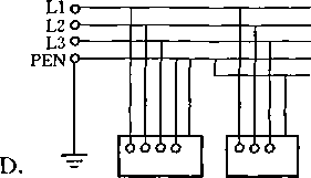
5. 保护接地和保护接零是防止间接接触电击的基本技术措施,其中保护接零系统称为TN
系统,包括TN-S、TN-C-S, TN-C三种方式。下列电气保护系统图中,属于TN-C系 统的是( )。
A.
 
L1L2L3NPE
 
 
 
6. 剩余电流动作保护是防止电气设备事故的常见安全技术措施。下列电气设备中,必须
安装剩余电流动作保护装置的是( )。
A. 消防设备的电源和具有非导电条件场所的电气设备
B. 消防设备的电源和临时用电的电气设备
C. 标有“回"形标志的移动式电气设备和临时用电的电气设备
D. 标有“回"形标志的移动式电气设备和具有非导电条件场所的电气设备
7. 根据《工贸行业重大生产安全事故隐患判定标准(2017版)》,下列铸造作业情景中,
属于重大事故隐患的是( )。
① 在熔炼炉附近设置员工更衣室。
② 砂处理地坑内存在潮湿和积水状况。
③ 吊运浇注包的龙门钩横梁、耳轴销未进行定期探伤检查。
④ 铸造熔炼炉冷却水系统未配置进出水流量检测报警装置。
A.①②③ B.①③④ C.②③④ D.①②④
8. 防爆电气设备有隔爆型和增安型等各种类型,釆取不同的形式和.标志来区分。某防爆
电气设备上有“Exd HBT3Gb”标志。关于该标志的说法,正确的是( )。
A. 该设备为隔爆型。用于IlB类T3组爆炸性气体环境,保护级别Gb
B. 该设备为隔爆型。用于IIB类T3组爆炸性粉尘环境,保护级别Gb
C. 该设备为增安型。用于Gb类T3组爆炸,性气体环境,保护级别IIB
D. 该设备为增安型。用于Gb类T3组爆炸性粉尘环境,保护级别IlB
9. 某车间安排电工甲敷设一路220 V的临时照明线路。下列电气安全事项中,不需要由
电工甲确认的是( )。
A. 车间是否办理了临时用电许可审批手续
B. 所选导线规格是否与负载匹配
C. 临时照明线路与其他设施的安全距离是否符合要求
D. 电压变化范围是否在+ 5%UN到一10%UN之间
10. 锅炉启动是设备从冷态到热态的过程,启动过程中锅炉烟风系统和水汽系统的安全尤
为重要。关于锅炉启动过程中安全要求的说法,错误的是( )。
A. 空锅筒上水时,水温与锅筒筒壁温差控制不应超过65 OC
B. 锅炉在点火前,对于设置有风机的锅炉,炉膛应强制通风5〜10 min
C. 锅炉升温过程中,水冷壁两侧膨胀指示器偏差较大时,应停止升温进行检查
D. 锅炉在点火升温期,省煤器再循环阀应处于开启状态
11. 某厂内厢式货车同时载物载人,行驶途中发生货物挤压伤人事故。该厂安全科接到事
故报告后,正确的做法是( )。
A. 立即进行上报f保护事故现场f抢救伤员物资f开展事故.调查
B. 联系受害家属f抢救伤员物资f保护事故现场*现场初步勘察
C. 抢救伤员物资-*保护事故现场f根据伤情逐级上报-*现场初步勘察
D. 保护事故现场f抢救伤员物资f开展事故调查f处理善后事宜
12. 不同介质的压力容器选用的安全阀类型不同,正确选用安全阀能有效预防压力容器爆 炸事故。压缩空气储气罐应选用的安全阀类型是( )o
A.静重式 B.杠杆式 C.弹簧式 D.先导式
13. 工艺过程中产生的静电可能引起火灾和爆炸,也可能造成电击,还会影响产品质量, 应采取静电防护措施。下列防静电措施中,错误的是()。
A.工艺控制 B.增湿 C.接地 D.屏蔽
14. 根据《起重机械安全规程 第1部分:总则XGB 6067. 1),电动葫芦应配备的安全防
护装置是( )。
A. 起重量限制器、起升高度限位器
B. 起重量限制器、运行行程限位器
C. 联锁保护安全装置、起升高度限位器
D. 联锁保护安全装置、运行行程限位器
15. 电动叉车的安全检查分为每日检查、每月检查和年度检查。下列电动叉车检查项目
中,属于每日检査的项目是( )。
A. 货叉、离合器、制动器
B. 制动器、紧急报警器、离合器
C. 货叉、制动器、紧急报警器
D. 货叉、操纵控制装置、离合器
16. 及时清理粉尘是预防粉尘爆炸的安全措施之一,采取此项安全措施的目的是( )。
A.降低粉尘可燃性 B.降低粉尘浓度
C.降低粉尘爆炸极限 D.降低环境氧浓度
17. 根据《固定式压力容器安全技术监察规程XTSG 21),使用单位应对在用压力容器安
全状况进行符合性验证。金属压力容器一般于投用后3年内进行首次定期检验,以后 的检验周期由检验机构根据压力容器的安全状况等级来确定。关于金属压力容器检验 与使用的说法,错误的是( )。
A. 安全状况等级为1、2级的,一般每6年检验一次
B. 安全状况等级为3级的,一般每3年至6年检验一次
C. 安全状况等级为4级的,可以监控使用,但累计监控使用时间不得超过3年
D.安全状况等级为5级的,应报废处理
18-天然气压缩机厂房内应釆取预防与控制爆炸的措施。下列安全措施中,不属于预防和 控制天然气爆炸事故措施的是()。
A.采用泄压式轻质屋顶 B.压缩机出口设置单向阀
C.厂房主结构涂覆防火涂料 D.厂房设置可燃气体採测装置
19.压力容器是否设置安全泄压装置与其盛装的介质密切相关。下列压力容器中,应设置 安全泄压装置的是( )。
A.液化石油气钢瓶 B.氯气钢瓶
C.溶解乙焕钢瓶 D.二氧化氮钢瓶
20-根据《电气装置安装工程 爆炸和火灾危险环境电气装置施工及验收规范XGB 50257), 关于火灾爆炸场所电气设备、电线电缆安装要求的说法,错误的是( )。
A. 单相设备的相线和中性线上应装熔断器和双极开关
B. 电线保护钢管之间应采用绝缘套管连接
C. 装置内弹性密封圈的一个孔,只能穿过1根电缆
D. 电机的进线口处应装设防爆挠性连接管
二、案例分析题(案例1为客观题,包括单选题和多选题,案例2〜4为主观题。单选题 每题的备选项中只有一个最符合题意;多选题每题的备选项中有2个或2个以上符合 题意)
K县H公司为金属易拉罐生产企业,共有员工350人。主要生产工艺包括:剪切、 缝焊、涂布、烘烤、翻边、卷封、测漏、检验、包装、入库等。
H公司生产厂房为三层建筑,门卫室旁建有五层员工宿舍,保安人员宿舍位于员工宿 舍地下一层。
2019年5月18日22时30分,H公司保安人员甲回宿舍打开照明灯开关时,突然发 生气体爆燃,造成甲重伤,同宿舍的保安乙、丙轻伤。H公司总经理丁接到事故报告后, 启动了应急救援预案,组织开展救援,并向K县进行了报告。
该起事故经济损失包括:建筑物修缮费用5万元,伤员医疗费用200万元,应急处置 费用10万元,歇工工资5万元,补充新保安人员培训费用0. 8万元等。
事故调查发现,H公司员工宿舍毗邻的社会道路路面下埋压的天然气中压管线泄漏, 泄漏的天然气通过土壤渗透,经污水管线侵入H公司员工宿舍地下一层,并在保安人员 宿舍内积聚,达到爆炸浓度,遇开关电火花引发爆燃。
2016年6月,该社会路面进行了雨洪工程施工,由K县L市政公司发包给J企业,J 企业在施工过程中,将一段角钢遗落在天然气管线上方土壤内,M监理公司未发现上述隐 患。工程完工后,该路段恢复通车,因过往货车较多,导致角钢长期挤压天然气管线,造 成管线破裂泄漏。
事发后,N燃气公司采取紧急停气措施,并对管线进行了抢修,经检测合格后恢复正 常运行。
| 根据以上场景,回答下列问题(1〜2题为单选题,3~5题为多选题): | |
| 1.根据《生产安全事故报告和调查处理条例》, 县应急管理部门报告的时限为( )。 | H公司负责人接到事故报告后,应当向K | 
| A-Ih 内 | B. 2 h 内 | 
| C. 4 h 内 E. 24 h 内 2.该起事故的主要责任单位为( )。 | D. 12 h 内 | 
| A. H公司和J企业 | B. J企业 | 
| C. J企业和L市政公司 E. J企业和N燃气公司 3.该起事故的直接原因为( )。 | D. J企业和M监理公司 | 
| A.角钢挤压天然气管线 | B.甲开灯引爆天然气 | 
| C. J企业未将角钢及时清除 E. N燃气公司未及时发现泄漏 | D.雨洪工程和天然气管线布局不合理 | 
| 4,预防此类事故应釆取的安全措施有( ) | O | 
| A.加强施工过程安全监管 | B.建立施工技术交底制度 | 
| C.禁止保安人员在地下室居住 E.增加相关视频监控. 5.该起事故的直接经济损失包括( )。 | D.增加天然气管线泄漏监测系统 | 
| A.建筑物修缮费用5万元 | B.伤员医疗费用200万元 | 
| C.应急处置费用10万元 E.补充新保安人员培训费用0. 8万元 | D.歇工工资5万元 | 
2019年7月14 EJ 14时,P开发区Q发电厂烟气脱硫脱硝工段液氨罐区的2号储罐发 生泄漏,造成厂内正在液氨罐区下风向100 m处煤场作业的4名作业人员中毒,以及下风 向150 m处Q发电厂外鱼塘边垂钓者多人感觉不适。
14时15分,Q发电厂总经理甲接到事故报告后,立即启动应急救援预案,成立了现 场应急指挥小组。随后,Q发电厂监控室拉响应急警报,启用应急广播,疏散厂区内人员 至安全地带,并拨打“119” “120"等报警求助;同时甲向P开发区管委会报告了事故情况。
P开发区管委会随即启动了区级应急救援预案,组织Q发电厂周边人员紧急疏散。14 时30分,P开发区消防救援大队2台消防车和抢险人员到达事故现场。抢险人员经过 30 min的处置,成功封堵液氨储罐泄漏点,并对泄漏现场进行了洗消。17时10分,技术 人员用气体检测仪对事故现场及周边区域进行检测,确认险情已被排除,在清点核实人数 后,事故现场应急救援工作结束。
Q发电厂液氨罐区有2个容积100 Ti?液氨储罐,最大充装系数0.8,设计压力 2. 5 MPa,最高工作压力L 2 MPa,安全阀开启压力1. 6 MPa,现存液氨80 t。
Q发电厂液氨罐区属于扩建项目,设计和施工由R公司承担。R公司具有相应的甲级 设计、施工资质。该项目未按规定履行安全设施“三同时”手续,液氨储罐未按规定在特 种设备安全监督管理部门办理使用登记。
根据以上场景,回答下列问题:
1- 判断Q发电厂液氨罐区是否构成重大危险源,简述液氨储罐泄漏应釆取的应急处置 措施。
2- 简述Q发电厂针对液氨储罐泄漏编制的专项应急预案的主要内容。
3. 列出液氨罐区扩建项目的主要安全设施。
4. 为防止类似事故发生,简述Q发电厂应采取的安全管理措施。
S公司为发动机研发企业,占地IOOOOo m2,有员工350人,其中专职安全管理人员2 人。2018年S公司新建发动机试验技术中心,该中心由主功能区和辅助区组成。主功能 区建筑面积20000 m2,建筑高度13.75 m;辅助区建筑,面积IoOOO m2,建筑高度5 m,均 为单层钢结构建筑,房顶采用彩钢板。
主功能区和辅助区均为独立的防火分区,配有相应的消防器材。发动机试验技术中心 四周铺设了环形水泥道路,建菟内设疏散通道、安全出口和火灾报警系统。
发动机试验技术中心主要进行发动机性能测试,所使用的化学品包括柴油、机油、氢 气、液氮、天然气、淸洗剂等。
主功能区包括拆卸区、柴油机性能试验区和发动机存放区。拆卸区配备了额定起重量 500 kg的悬臂吊、电瓶叉车、翻转台各1台,工作压力0. 7 MPa容积6π√的压缩空气罐2 个;柴油机性能试验区有8个试验间(重型发动机台架和轻型发动机台架各4个)、4个设 备间和1个控制间;发动机存放区分为重型发动机区和轻型发动机区。
辅助区包括配电间、工具间、液氮间、氢气瓶间、辅料间、清洗间、控制间、空调间 和循环水泵房。
发动机试验技术中心按照第二类防雷建筑物设计,采用在屋顶敷设接闪带的方式,预 防直击雷。主功能区和辅助区均设有独立的配电系统,建筑物采取了防触电及接地安全措 施,高、低压电气设备的金属外壳及其金属支架设置了保护接地线(PE线);低压系统 中,变压器中性点直接接地,接地电阻不大于1 Q,电缆的PE线在引入建筑物处按规范 进行了重复接地;建筑物内的导电体均进行了等电位联结。
根据以上场景,回答下列问题:
1.根据《企业职工伤亡事故分类MGB 6441),辨识拆卸区存在的危险有害因素。
2.简述发动机试验技术中心氢气瓶间的安全技术要求。
3.列出与建筑物接地线作等电位联结的导电体名称。
4.简述对压缩空气罐进行安全检査的要点。
T公司为一家大型饲料生产企业,占地面积80000 m2 ,共有员工110人,设有独立的 安全部。T公司有生产车间、包装车间、机修车间,以及高大立筒仓、包材库、锅炉房、 配电室等设施。
为满足内部维修需要,T公司的机修车间配有固定式砂轮机1台、电焊机2台、摇臂 钻床1台、机械式冲床1台、剪叉式液压高空作业升降平台1个。机修车间配有独立的配 电箱,用于设备、照明及临时用电。为规范动火作业管理,机修车间内划出了专门的动 火区。
2018年2月,为了进一步扩大产能,T公司在原有锅炉房旁新建燃气锅炉房并配置2 台20 t/h燃气锅炉,该建设项目由U公司承建,并于2019年2月完成新锅炉房建设。新 安装的燃气锅炉配置了安全阀、压力表、水位计等安全附件,在完成了特种设备注册登记 后,于2019年3月正式投入运行。
2019年4月15日,T公司维修车间操作工甲在操作机械式冲床时,发生伤害事故。 T公司随即开展了机械设备安全防护专项检查,安全部在检查中发现,机修车间的固定式 砂轮机、摇臂钻床、机械式冲床等设备的安全保护装置部分失效和缺失,需要修复和 增设。
2019年8月,为汲取同行业发生的电气火灾事故教训,T公司聘请专业机构对可能产 生危险温度的电气设备进行了专项隐患排查,发现电气设备存在以下火灾隐患:临时用电 的零线和火线错接到了一起;空调的插头未插接到位;直接从小额定功率配电箱接大功率 电器;电动机外壳被杂物覆盖;电动机外壳带电;电动机轴承缺油;配电房低压配电柜输 出电压不稳定;包材库照明用1000 W卤钙灯。
根据以上场景,回答下列问题:
I.简述T公司对U公司在锅炉房建设项目中进行安全管理的主要内容。
2.按功能类别,列出机修车间应修复和增设的机械设备安全保护装置。
3.简述固定式砂轮机作业中的安全操作要点。
4.补充新安装燃气锅炉除安全阀、压力表和水位计外的其他安全附件。
5.针对排查出的电气火灾隐患,指出其产生危险温度的原因。
一、单项选择题(每题的备选项中,只有1个最符合题意)
1. 机械设备安全应考虑机械产品安全和机械使用安全两个阶段,每个阶段都应采取安全
技术措施和安全管理措施消除或减小机械设备风险。下列机械设备安全措施中,不属 于安全技术措施的是(
A.机械零、构件连接紧固可靠 B.设计时避免出现锐边、尖角
C.机械产品材料具有抗腐蚀功能 D.制定机械设备安全操作规程
2. 实现本质安全,是预防机械伤害事故的治本之策。下列机械安全措施中,不属于机械
A.避免材料毒性 B.事故急停装置
C.采用安全电源 D.机器的稳定性
3. 室内作业WBGT指数(湿球黑球温度)中,自然湿球温度权重系数为0.7,黑球温度
A. 50% B. 55% C. 60% D. 65%
4. 在触电引发的伤亡事故中,85%以上的死亡事故是电击造成的,电击可分为单线电击、
两线电击和跨步电压电击。下列人员的行为中,可能发生跨步电压电击的是(
A. 甲站在泥地里,左手和右脚同时接触带电体
B. 乙左右手同时触及不同电位的两个导体
C. 丙在打雷下雨时跑向大树下面避雨
D. 丁站在水泥地面上,身体某一部位触及带电体
5. 危险温度、电火花和电弧是导致电气火灾爆炸的三大要因,电气设备或线路短路是形
成危险温度的主要原因之一。下列电气运行或作业情景中,不会造成短路的是( )。
A. 电气设备安装和检修中的接线错误
B. 运行中的电气设备或线路发生绝缘老化
C. 导电性粉尘进入电气设备内部
D. TT系统中,三相负载不平衡
6-保护接零系统能在一定程度上降低漏电设备对地电压,消除电击风险。下列电气保护 系统中,属于PE保护接零的是( )O
A. IT系统 B. TT系统 C. TN-C系统 D. TN-S系统
7.接地装置由接地体和接地线构成。关于接地装置的说法,错误的是( )。
A. 与大地有可靠连接的构筑物的金属结构可作为自然接地体
B. 自然接地体至少应有两根导体在不同地点与接地网相连
C. 在非爆炸性环境场合,自然接地体有足够截面时可不再另行敷设人工接地线
D. 可利用管道保护层的金属外皮或电缆的金属护层作接地线
8-爆炸性气体环境是指在一定条件下,可燃性气体或蒸气与空气形成的混合物被点燃并 发生爆炸的环境。不同类型防爆电气设备的使用应与爆炸性环境相对应。关于不同类 型防爆电气设备适用环境的说法,正确的是( )。
A. I类防爆电气设备用于煤矿瓦斯环境
B. II类防爆电气设备用于煤矿甲烷环境
C. II类防爆电气设备用于爆炸性气体环境.
D. DI类防爆电气设备用于煤矿瓦斯以外的爆炸性气体环境
9. 生产过程中产生的静电可能造成人员电击,甚至引起火灾或爆炸。静电的产生受多种
因素的影响。关于产生静电的说法,正确的是( )。
A. 接触面积越大,接触压力越小,产生的静电越多
B. 三角皮带比平皮带产生的静电更多
C. 空气湿度越大,越容易产生静电
D. 材料的电阻率越高,越容易产生静电
10. 锅炉在使用期间,必须对承压装置和安全附件进行周期性检验或检定。下列安全附件
中,必须由有资质的专业机构进行检定的是( )。
A.汽包压力表 B.锅炉熄火保护装置
C.防爆门 D. U型管液位计
11. 气瓶是用于储存和运输压缩气体的可重复充装的压力容器。关于气瓶安全附件的说
法,正确的是( )。
A. 氮气瓶瓶阀的手轮必须具有阻燃性能
B. 气瓶瓶帽必须用灰口铸铁制造
C. 防震圈的主要功能是防止气瓶受到直接冲撞
D. 气瓶安全泄压装置只能用安全泄压阀
12. 司索工是指在起重机械作业中从事地面工作的人员,负责吊具准备、捆绑、挂钩、摘
钩、卸载等,其工作关乎整个吊装作业安全。关于司索工安全操作要求的说法,错误 的是( )O
A. 捆绑吊物前必须清除吊物表面或空腔内的杂物
B. 可按照吊物质量的120%来准备吊具
C. 如果作业场地是斜面,必须站在斜面上方作业
D. 摘索时,应使用起重机抽索
13. 易燃易爆危险化学品主要火灾危险性参数包括沸点、闪点、燃点和自燃点等。为了预
防凝聚相危险化学品火灾,应将其温度控制在它的( )以下。
A.沸点 B.闪点 C.燃点 D.自燃点
14. 点火源是导致火灾爆炸的关键要素,常见的点火源包括明火、高温热表面、摩擦和撞
击火花、电气火花、静电和雷电等。关于点火源控制措施的说法,正确的是( )。
A. 多个明火设备应分布在装置区的边缘,并集中布置
B. 有飞溅火花的加热装置,应布置在其工艺设备的上风向
C. 加热易燃物料时,不可采用火炉、煤炉直接加热,可采用电炉直接加热
D. 存在可能泄漏易燃气体的工艺设备,明火加热设备布置在其下风向
15. 充氮保护是抑制爆炸的有效措施。下列利用氮气的措施中,不属于抑制爆炸措施的是
( )o
A.气液联动阀的氮气蓄能瓶 B.防爆电气采用充氮正压保护
C.易燃易爆系统检修前氮气吹扫 D. 丁烯储罐充氮
16. 某烟花爆竹生产企业开展安全生产现状评价,根据《烟花爆竹工程设计安全规范》
(GB 50161),关于总药量计算的说法,正确的是( )。
A.防护屏障中的危险品药量,可不计入总药量
' B.厂房生产线上的危险品药量,可不计入总药量
C. 滞留的危险品药量,可不计入总药量
D. 抗爆间室的危险品药量,可不计入总药量
17. 某液化石油气充装站,地面罐区有4个50 m3储罐,设有Im高的围堰、3个避雷塔、 储罐静电接地和10个可燃气体火灾探测器。根据《石油化工企业可燃气体和有毒气 体检测报警设计规范》(GB 50493),可燃气体火灾探测器的安装高度应距离地面 ( )。
A. 1. 5 m B. 1.0 m C. 0. 8 m D. 0. 5 m
18. 某公司从事危险化学品运输业务,在执行轻柴油运输前,驾驶员和押运员应对柴油罐
车进行安全检査、,确认有“危险品”标志且排气管已安装( )。
A.安全阀 B.泄压阀 C.阻火器 D.阻断器
19. 某公司的500 m3焦油贮槽的盘管加热器发生泄漏,操作工甲对焦油贮槽进行停车、
清空和蒸汽吹扫,检修工乙进入焦油贮槽检测并査找泄漏原因。乙进入贮槽时,应佩 戴( )。
A.半面罩式防毒面具 B.长管式空气呼吸器
C.全面罩式防毒面具 D.正压式空气呼吸器
二、案例分析题(案例1为客观题,包括单选题和多选题,案例2〜4为主观题。单选题 每题的备选项中只有1个最符合题意;多选题每题的备选项中有2个或2个以上符合 题意)
A厂为新建煤化工企业,B公司为A厂煤气化装置项目总承包商,C公司为B公司的 分包商,承担其中的防腐保温工程。
2019年3月5 EJ , C公司在对煤气化装置的飞灰过滤器进行内部除锈作业时发生事 故,导致4人死亡。
事发时,B公司尚未向A厂进行煤气化装置整体的中间交接,A厂员工在自行组织磨 煤机单体试车。3月4日10时,A厂进行煤粉循环试运行,使用0. 5~0. 6 MPa的氮气作 为惰性循环介质,17时,由于氮气供应不畅,停止试运行并停止供氮。
飞灰过滤器位于煤气化装置框架+ 38 m层面,直径1. 6 In,高度6 mo上部为圆筒 形,下部为锥形。过滤器上部的带孔隔板将其分隔成上下两部分,设备顶部和带孔隔板下 方(距锥底4 m处)分别设有人孔,设备外接3条电(气)控阀管线。
3月5日8时,C公司员工甲、乙、丙开始过滤器打磨除锈作业。甲从带孔隔板下方 人孔进入过滤器内搭设的跳板作业,乙负责监护。10时,丙替换甲继续作业。11时20 分,丙突然从作业跳板坠落至过滤器锥体底部。乙听到坠落声响后立即呼救,以为是过滤 器内搭设跳板脱落,向内探头观察,随即丧失意识被甲拉出。甲判断过滤器内手持照明灯 可能发生漏电,立即断开直接引自TN-S系统配电箱电源,并紧急呼救。
附近试车作业的A厂员工丁、戊、己3人听到呼救后,赶到现场,相继进入过滤器施 救,均晕倒在内。陆续赶到的救援人员将4人抬出送医,经抢救无效死亡。
事故调查发现:试车方案编制及实施均由A厂单独进行;丙为C公司临聘人员,3月 4日到达施工现场,尚未录入员工名册,罹难后才查明身份;外接的3条电(气)控阀管 线可远程开启,且与设备连接管道未按要求封堵盲板;飞灰过滤器管线与氮气管线串线, 氮气窜入飞灰过滤器;作业过程中未系安全绳;搭设的跳板未绑扎;该项作业无任何书证 记录。
根据以上场景,回答下列问题(1〜2题为单选题,3〜5题为多选题):
A. A厂 B. B公司
C. C公司 D. A厂和B公司
E. A厂和C公司
A. A厂、B公司 B. B公司、A Γ
C. C公司、B公司 D. C公司、A厂
E. B公司、B公司
A. 与设备连接管道未按要求封堵盲板
B. 以包代管,没有安全技术交底,安全教育培训不到位
C. 没有进行有效的风险辨识并编制相应应急预案
D. 施工和试车交叉作业时,管理职责不明确
E. 没有为除锈作业人员配置防毒面具
4. 可能导致员工丙死亡的直接原因包括( )。
A. 手持照明灯触电
B. 未系安全绳,跳板无绑扎,导致坠落
C. 氮气经过外接的电(气)控阀的管线进入过滤器
D. 过滤器上部物体掉落打击
E. 氮气系统渗漏富集
5.关于A、B、C三家单位同时在现场进行交叉作业时安全管理的说法,正确的包括 ( )。
A. 三家单位现场施工过程中的安全管理统一由A厂负责
B. 三家单位现场施工过程中的安全管理统一由B公司负责
C. A厂应与B公司签订安全管理协议,明确各自的安全生产管理职责
D. B公司应与C公司签订安全管理协议,明确各自的安全生产管理职责
E. B公司对进场人员进行危害告知和安全交底,安全教育培训
D企业是一家新建大型燃煤发电企业,有员工850人,设置有安全管理部、设备保障 部、生产运营部等部门。发电用燃煤以铁路运输为主,汽车运输为辅。燃煤堆放在煤场, 通过皮带运输机送至煤仓,经给煤机进入磨煤机,磨制的煤粉进锅炉燃烧,将热能转化为 高温高压蒸汽,进入汽轮发电机转化为电能,通过配电线路输送到电网。
D企业在生产区域和设备系统上设置的安全技术措施包括:压力、温度、液位监测与 报警装置;易燃易爆、有毒有害气体监测报警装置;传动机械安全防护装置;起重设备安 全装置;锅炉和压力容器的安全门、安全阀、防爆膜等;输煤皮带运输机的急停装置;全 厂消防灭火系统。
D企业采用氨气脱硝工艺。建有氨站1座,设有2个LOMPa、30 m3常温卧式液氨 储罐,配备了应急物资柜,现场设置了安全警示标志。
D企业成立了以总经理为主任的安全生产委员会,定期召开安委会会议,研究安全生 产工作。企业根据建设项目安全'‘三同时”要求,委托具有相应资质的安金评价机构进行 了安全验收评价,并于2018年3月正式投产运行。
2018年5月15日,燃煤输送皮带运输机电机发生故障,设备保障部安排电工甲、乙 前往维修。甲、乙在办理了作业许可后,进入皮带运输机的独立配电间,断开电机电源, 未挂牌上锁。随后二人登上2 m高的平台进行维修作业。维修过程中,恰逢交接班,生产 运营部员工丙发现皮带运输机停运,未经确认就重新开启了电机电源,导致电工甲触电后 从平台坠落,小腿严重变形。电工乙按照安全培训学到的知识和技能,采取了应急处置 措施。
2018年6月,D企业开展了 "生命至上,安全发展”为主题的安全月活动,针对∙5月 15日的事故,安全管理部组织生产运营部和设备保障部全体员工进行了电气安全培训, 对皮带运输机配电间进行了安全专项检查,并对发现的隐患提出了整改方案。
.根据以上场景,回答下列问题:
1-按照防止事故发生和减少事故损失两类进行分类,分别列出D企业采用的安全技术 措施。
2.列出氨站应急物资柜应配置的应急物资清单。
3.简述电工乙在甲触电坠落后应釆取的应急处置措施。
4.列出皮带运输机配电间安全检查的主要内容。
E企业为肉制品加工企业,占地面积12000 m2,有员工611人。
E企业的主要建(构)筑物有:综合办公楼、宿舍楼、生产车间、冷库、锅炉房、变 电站、制冷车间、污水处理站等。主要原料和辅料有:原料肉、辅料、水、内外包材、食 品添加剂等。主要生产工序为:原料采购运输、解冻挑拣、滚揉斩拌、灌装成型、熏蒸、 包装、冷藏、运输等。主要设备设施有:10辆冷藏车、4台叉车、4台氨压缩机、2个氨 储罐、1台4 t/h燃气锅炉、1台导热油锅炉、2台1800 kVA干式变压器、若干肉制品专 用设备,以及热力、制冷管网等。
2018年12月,为消除液氨隐患,该企业将制冷车间的制冷工艺由液氨制冷改为二氧 化碳制冷,并按照'变更管理的要求实施该项目。
E企业污水处理站的厌氧发酵池为半封闭结构,长X宽X深为5mX4mX4m,顶部 设有两个ImXIm的入口,设有围栏防护,未设置安全警示标志。现场配有3根安全带、 3条安全绳、2个救生圈、1套电动葫芦、1套维修工具。
2019年5月10日9时,厌氧发酵池内污泥泵故障。当班班长甲发现故障后,立即安 排当班工人乙、丙入池维修。恰逢企业安全部安全管理人员丁现场巡查,丁及时制止了入 池维修作业。当天下午,企业安全部对污水处理站全体员工进行了安全教育培训。
为全面提升企业安全生产管理水平,2019年6月,E企业根据生产经营活动的特点, 进行了全员安全培训、系统安全大检查,完善了安全生产规章制度、操作规程和应急预案。
根据以上场景,回答下列问题:
1.简述制冷车间制冷工艺变更管理的相关安全要求。
2.根据《工贸行业重大安全事故隐患判定标准(2017版)》,辨识以上场景中存在的重大 隐患并说明原因。
3.简述E企业污水处理站维修作业的安全管理要求。
4.简述E企业安全管理人员对污水处理站全体员工进行安全教育培训应包含的主要内容。
F工厂为水泥生产企业,占地300000 m2,有员工580名。
F工厂的主要设施包括:石灰石库、原材料堆场、熟料库、水泥成品筒型库、备件材 料存储仓库、水泥包装设施、水泥散装设施、维修车间、配电室等。主要设备包括:回转 窑1条、球磨机2台、磨煤机1台、选粉机4台、辂压机2台、高压离心风机9台、螺杆 式空压机8台、桥式刮板取料机1台、侧堆取料机4台、电收尘器2套、皮带机25条、 篦冷机1台、9 MW余热发电机组1套及配套锅炉2台、回转式包装机3台、叉车4辆、 起重设备3台、电气焊设备及气瓶若干。
2017年8月,F工厂启动了安全生产标准化二级企业达标创建工作,按照相关要求, F工厂总经理甲指定安环部成立应急救援预案编制小组,由安环部部长乙任组长,安环部 其他员工为组员,10月初完成了应急救援预案编制并由组长签发。2018年12月,该厂通 过了安全生产标准化二级企业验收。
2019年4月底,该厂在安全生产大检查中发现水泥成品筒型库内壁有附着物,存在脱 落风险,必须进行清理。5月8日,F工厂维修班当班班长丙在办理《高处作业安全许可 证》后,安排架子工搭设了 16 m高脚手架,维修班员工丁、戊登高对成品筒型库内壁进 行清理维修,于当天15时完成该项作业。
2019年6月10日,F工厂按照《企业安全生产标准化基本规范》关于设备设施检维 修要求,编制了检维修方案,对3号窑进行了检维修。当天4时03分,止火停窑;10时 3 7分,窑油煤混烧保温。窑内油煤混燃,产生大量的一氧化碳,窑内烟气经过预热器进 入增湿塔和生料粉磨系统后,再进入窑尾电收尘器。在检修过程中,进入窑尾电收尘器进 行了维修。
根据以上场景,回答下列问题:
1-指出F工厂应急预案编制过程中存在的问题,并简述应急预案的编制程序。
2.简述水泥成品筒型库内壁清理维修高处作业完工后的安全要求。
3.根据《企业安全生产标准化基本规范MGB/T 33000),简述F工厂3号窑检维修方案应 包括的主要内容。
4.根据《企业职工伤亡事故分类HGB 6441),辨识3号窑尾电收尘器维修过程中存在的 危险有害因素。
5.指出进入3号窑尾电收尘器进行维修作业时应佩戴的劳动防护用品,并说明其作用。
2019—2022 年
第二部分
全国中级注册安全工程师职业资格考试真题 参考答案与解析
其他安全
一、单项选择题
1. D【解析】A、C选项错误。黄色表示注意、警告的信息。黄色用于如警告标志、皮带轮及其防 护罩的内壁、砂轮机罩的内壁、防护栏杆、警告信息旗等。因此,临边洞口防护栏杆和施工现场警告标 志应该用黄色。
B选项错误。红色表示禁止、停止、危险或提示消防设备、设施的信息。红色用于各种禁止标志、 交通禁令标志、消防设备标志;机械的停止按钮、刹车及停车装置的操作手柄;机械设备的裸露部位 (飞轮、齿轮、皮带轮的轮辐、轮毂等);仪表刻盘上极限位置的刻度、危险信号旗等。因此,消防水泵 应该用红色。
2. D 【解析】A选项错误。大型和中型压力机,在离合器接合前,制动器必须脱开,否则将引起 摩擦元件严重发热和磨损,甚至不能工作。
B选项错误。一般压力机在不工作时,离合器总是处于脱开状态,而制动器总是处于制动状态。
C选项错误。离合器与制动器的联锁控制动作应灵活、可靠,不得相互干涉。一般釆用离合器一制 动器组合结构,以减少二者同时结合的可能性。
3. B 【解析】造型、制芯工段在集中采暖地区应布置在非釆暖季节最小频率风向的下风侧,在非 集中采暖地区应位于全年最小频率风向的下风侧。
4. A 【解析】A选项正确。人优于机器的功能如下:
(1) 在感知方面,人的某些感官的感受能力比起机器来要优越。
(2) 人能够运用多种通道接收信息。
(3) 人具有高度的灵活性和可塑性,能随机应变,釆取灵活的程序和策略处理问题。
(4) 人能长期大量储存信息并能综合利用记忆的信息进行分析和判断。
(5) 人具有总结和利用经验,除旧创新,改进工作的能力。
(6) 人能进行归纳、推理,在获得实际观察资料的基础上,归纳出一般结论,形成概念,并能创造、 发明。
(7) 人的最重要特点是有感情、意识和个性,具有能动性,能继承历史、文化和精神遗产。
B, C、D选项错误。机器优于人的功能如下:
(1) 机器能平稳而准确地输出巨大的动力,输出值域宽广。
(2) 机器的动作速度极快,信息传递、加工和反应的速度也极快。
(3) 机器运行的精度高,现代机器能做极高精度的精细工作,产生的误差随机器精度提高而减小。
(4) 机器的稳定性好,做重复性工作而不存在疲劳和单调等问题。
(5) 机器对特定信息的感受和反应能力一般比人高。
(6) 机器能同时完成多种操作,且可保持较高的效率和准确度。
(7) 机器能在恶劣的环境条件下工作。
5. C 【解析】阀型避雷器的接地电阻一般不应大于5 Q。
6. C【解析】A选项错误。容易得失电子,而且电阻率很高的材料才容易产生和积累静电。
B选项错误。接触面积越大,双电层正、负电荷越多,产生的静电越多。
D选项错误。接触压力越大或摩擦越强烈,会增加电荷分离强度,产生较多静电。
7. C【解析】A、B, D选项错误。C选项正确。常见低压电器的特点、性能和应用见下表。
| 类型 | 主要品种 | 特点和性能 | 应用 | 备注 | 
| 刀开关 (低压隔离开关) | 胶盖刀开关 | 手动操作,没有或只有简单 的灭弧机构;不能切断短路电 流和较大的负荷电流 | 主要用来隔离电压, 与熔断器串联使用 | |
| 石板刀开关 | ||||
| 铁壳开关 | 用来隔离电压和控制 小容量设备,与焰断器 串联使用 | 有快动作分、合 闸机构 | ||
| 转扳开关 | ||||
| 组合开关 | ||||
| 低压断路器 | 万能型 | 有强力的灭弧装置,能分断 短路电流,有多种保护功能 | 用作线路主开关 | 故障时自动分闸 | 
| 装置型 | ||||
| 接触器 | — | 有灭弧装置,能分、合负荷 电流,不能分断短路电流,能 频繁操作 | 用作线路主开关 | 本身有失压保护 功能 | 
| 控制器 | 凸轮控制器 | 触头多、挡位多 _ | 用于起重机等的控制 _ | 手动电器 | 
| 主令控制器 | 属于主令电器 | 
8. D 【解析】A选项错误。在有爆炸和火灾危险的环境中,除中性线外,应另设保护零线。
B选项错误。单相设备的相线和中性线上都应该装有焰断器,并装有双极开关。
C选项错误。移动式电气设备的保护线不应单独敷设,而应当与电源线有同样的防护措施,即釆用 带有保护芯线的橡皮套软线作为电源线。
9. C 【解析】气体、蒸气、薄雾爆炸性混合物按最大试验安全间隙分四级:I、HA、RB、ΠCβ
10. B【解析】A选项错误。当一相漏电,故障电流经RN和RE构成回路,流经人体电流较小。
Rr
B选项正确。漏电设备对地电压UPeB-U,如保护接地电阻与工作接地电阻相同,即RE = KE 十AN
Rn,则 U.
C选项错误。由于RE:和RN同在一个数量级,漏电设备对地电压一般不能降低到安全范围内。
D选项错误。因采用了保护接地,如出现一相漏电,故障电流经RE和RN构成回路,与没有接地相 比较,漏电设备上对地电压有所降低,但零线上却产生了对地电压。
H- B【解析】A选项错误。"叫水”的操作方法是:打开水位表的放水旋塞,冲洗汽连管及水连 管,关闭水位计的汽连接管旋塞,关闭放水旋塞。这是锅炉缺水的处理。
B选项正确。锅炉满水时,水位表内也往往看不到水位,但表内发暗,这是满水与缺水的重要区别。 一旦确认满水,应立即关闭给水阀停止向锅炉上水,启用省煤器再循环管路,减弱燃烧,开启排污阀及 过热器、蒸汽管道上的疏水阀。
C选项错误。降低燃烧强度,减少负荷,调小主汽阀,全开连续排污阀,并打开定期排污阀放水, 同时上水,这是汽水共腾的处理。
D选项错误。发生锅炉重大事故时,要切断锅炉同蒸汽总管的联系,打开锅筒上放空排放或安全阀 以及过热器出口集箱和疏水阀。
12. B [解析】盛装助燃和不可燃气体瓶阀的出气口螺纹为右旋,可燃气体瓶阀的出气口螺纹为 左旋。
13. A 【解析】塔式起重机起重特性曲线主要受下列因素控制:
(1) 起升机构的强度,如起升电机、制动器、卷筒、钢丝绳、吊钩等。
(2) 结构强度、刚度、稳定性。
(3) 整体抗倾覆稳定性。
(4) 最大安全工作载荷。
(5) 起重力矩限制器控制的设定值(实际曲线)。
14∙ D【解析】起升货叉架的链条主要有板式链和套筒滚子链两种,需进行极限拉伸载荷和检验载 荷实验。
15. B【解析】燃烧反应过程一般可以分为三个阶段:
(1) 扩散阶段。可燃气分子和氧气分子分别从释放源通过扩散达到相互接触,所需时间称为扩散时间。
(2) 感应阶段。可燃气分子和氧化分子接受点火源能量,离解成自由基或活性分子,所需时间称为 感应时间。
(3) 化学反应阶段。自由基与反应物分子相互作用,生成新的分子和新的自由基,完成燃烧反应, 所需时间称为化学反应时间。
16. C [解析】根据《火灾自动报警系统设计规范XGB 50116),对火灾初期有阴燃阶段,产生大 量的烟和少量的热,很少或没有火焰辐射的场所,应选择感烟探测器。需要进行火灾早期探测的重要场 所,宜选择吸气式感烟火灾探测器。
17- D【解味根据《建筑设计防火规范XGB 50016),厂房的泄压面积与厂房的容积和泄压比有 关,泄压比可按厂房内爆炸性危险物质的类别选取。
18. C 【解析】根据《民用爆炸物品工程设计安全标准HGB 50089),总储量大于80π√的硝酸铉水 溶液储罐(区)的外部距离不应小于100 m,建在室外的水相制备罐和水相储罐亦应按硝酸铉水溶液储 罐考虑外部距离。
19. A 【解析】《危险货物运输包装通用技术条件XGB 12463)把危险货物包装分成三类:
(1) I类包装:适用内装危险性较大的货物。
(2) II类包装:适用内装危险性中等的货物。
(3) ΠI类包装:适用内装危险性较小的货物。
20. A 【解析】爆炸性物品销毁一般可釆用以下四种方法:爆炸法、烧毁法、溶解法、化学分 解法。
二、案例分析题
案例 1
1. E【解析】根据《工作场所职业病危害作业分级 第4部分:噪声HGBZ/T 229.4),脉冲噪声 作业分级见下表。
| 分级 | 声压峰值∕dB | 危害程度 | ||
| n≤100 | 100<n≤1000 | 1000<n≤10000 | ||
| I | 140. O≤n<142. 5 | 130. 0≤n<132. 5 | 120. O≤n<122. 5 | 轻度危害 | 
| π | 142. 5≤n<145. 0 | 132. 5 WI35. 0 | 122. 5≤n<125. 0 | 中度危害 | 
| In | 145. 0≤n<147. 5 | 135. O≤n<137> 5 | 125. 0≤n<127. 5 | 重度危害 | 
| N | n≥147. 5 | n≥137. 5 | n≥127. 5 | 极重危害 | 
注:n为每日脉冲次数。
2. C 【解析】工件、物料摆放不得超高,在垛底与垛高之比为1 : 2的前提下,垛高不超出2 m。
3. ABD 【解析】C、E选项错误。过载式安全防护装置和脚踏式安全控制装置不是对手指(手部)
起保护作用的装置。 -
4. BCE 【解析】根据《女职工劳动保护特别规定》,女职工在孕期禁忌从事的劳动范围:
(1)作业场所空气中铅及其化合物、汞及其化合物、苯、镉、镀、碑、割化物、氮氧化物、一氧化 碳、二硫化碳、氯、己内酰胺、氯丁二烯、氯乙烯、环氧乙烷、苯胺、甲醛等有毒物质浓度超过国家职 业卫生标准的作业。
(2) 从事抗癌药物、己烯雌酚生产,接触麻醉剂气体等的作业。.
(3) 非密封源放射性物质的操作,核事故与放射事故的应急处置。
(4) 高处作业分级标准中规定的高处作业。
(5) 冷水作业分级标准中规定的冷水作业。
(6) 低温作业分级标准中规定的低温作业。
(7) 高温作业分级标准中规定的第三级、第四级的作业。
(8) 噪声作业分级标准中规定的第三级、第四级的作业。
(9) 体力劳动强度分级标准中规定的第三级、第四级体力劳动强度的作业。
(10) 在密闭空间、高压室作业或者潜水作业,伴有强烈振动的作业,或者需要频繁弯腰、攀高、下 蹲的作业。
5. BDE 【解析】A选项为禁止合闸;B选项为当心机械伤人;C选项为禁止戴手套;D选项为必
须戴护耳器;E选项为必须穿防护鞋。因此,F企业机加工车间剪板机区域应设置的安全标志有BDEo
案 例 2
1. 污水处理车间调节池内存在的主要有毒有害气体:硫化氢、氨气、二氧化碳、甲烷、氮氧化物。
2. 污水处理车间调节池清淤作业应配备的应急物资:通风设备、有毒有害气体检测仪、正压式空气 呼吸器、防毒面具、通信工具、救生绳、救生圈、五点式安全带。
3. “6・29”事故的间接原因:未进行机械通风;未对有限空间内的气体浓度进行检测;未佩戴合格 的防护用品;未签订安全协议;未办理有限空间作业许可证;未进行作业前培训和技术交底;未设立安 全警示标识;甲方现场监督缺失;盲目施救;安全检查不到位。
4. 有限空间作业安全告知牌的主要内容:“禁止入内”标识;有毒、易燃易爆危险性警告标识;佩戴 劳动防护用品要求;污水调节池内有毒有害气体及氧气浓度说明;安全操作注意事项;应急与报警电话。
案 例 3
1. 对L、M、N公司安全管理的要求:
(1) K公司应与L、M、N公司签订安全管理协议,明确各自的安全生产管理职责。
(2) 对其进场人员进行危害告知、安全教育培训、安全交底。
(3) 查验其特种设备、特种作业人员和安全管理人员。
(4) 危险性较大工程的施工方案和计划审查。
(5) 应对现场内L、M, N公司的安全生产工作统一协调、管理。
(6) 交叉作业前制定作业方案;交叉作业过程中,指定专职安全生产管理人员对现场交叉作业过程 进行检查。
2. K公司安全环保部除完成年度工作计划外,还应开展的工作:
(1) 制止和纠正违章指挥、强令冒险作业、违反操作规程的行为。
(2) 组织开展安全生产培训。
(3) 组织开展危险源辨识和评估。
(4) 督促落实本单位重大危险源的安全管理措施。
(5) 组织或者参与本单位应急救援演练。
(6) 提出改进安全生产管理的建议;
(7) 督促落实本单位安全生产整改措施。
3. 涂装车间防爆专项检查应包括的主要内容:
(1) 通风系统。
(2) 设备接地。
(3) 可燃气体浓度报警装置。
(4) 防静电工作服配备和使用。
(5) 电气设备及线路防爆。
(6) 现场危化品是否超量存放。
(7) 人体静电消除装置。
4. K公司存在重大隐患的场所及原因:
涂装车间调漆间和喷漆室,可燃气体报警器发生故障,使用非防爆型电气设备设施;热处理车间, 天然气加热炉未设置可燃气体泄漏报警装置。
注:《工贸企业重大事故隐患判定标准》(中华人民共和国应急管理部令第10号)自2023年5月15 日起施行,《工贸行业重大生产安全事故隐患判定标准(2017版)》(安监总管四〔2017〕129号)同时废止。
案 例 4
1. 氨制冷系统拆除专项施工方案中的拆除步骤排序:
(1) 对制冷设备和管道内的氨介质进行抽空。
(2) 用惰性气体对制冷设备和管道进行置换。
(3) 拆除制冷系统电气线路和电气设备。
(4) 拆除管道保温层。
(5) 拆除制冷设备和管道。
(6) 拆除报警及传感系统。
(7) 拆除喷淋系统。
2. R施工单位在制冷设备设施拆除前,对作业人员安全培训的主要内容:液氨的危险性;拆除作业 过程中的主要危险因素;个体防护用品佩戴要求和使用方法;作业流程和方法;安全使用工具;应急处 置方法;同类作业事故案例;A公司的安全管理要求。
3. 临时电气线路穿越厂区主干道时可釆用的敷设方式及相关安全要求:
(1) 架空敷设时,架空线应架设在专用电杆或支架上。
(2) 架空敷设,有限高标志,架空线最低点与厂区主干道地面距离不低于5 m。
(3) 穿越道路敷设,有防机械损伤的措施(防护套管等)。
(4) 埋地敷设,有防机械损伤的措施(防护套管等),深度不小于0.7 mo
(5) 穿越道路敷设、埋地敷设,应设走向标志和安全标志。
4. A公司新建IokV配电室应采取的防雨雪及防蛇鼠等小动物进入的安全技术措施:门加挡鼠板; 电缆沟加盖板;封堵电缆进出孔;窗户和门加遮雨棚;窗户设防护网;通风管道加防护网。
5. 拆除液氨制冷系统作业过程中存在的物理性危险和有害因素:设备、设施、工具、附件缺陷;防 护缺陷;电危害;低温物质;噪声;运动物伤害;明火。
一、单项选择题
1. A 1解析】B选项错误。视觉信号可以与听觉信号同时使用,其特点是光、声信号共同作用, 用以加强危险和紧急状态的警告功能。
C选项错误。警告视觉信号的亮度应至少是背景亮度的5倍,紧急视觉信号亮度应至少是背景亮度 的10倍。
D选项错误。紧急视觉信号应为红色,警告视觉信号应为黄色或橙黄色。
2. D [解析】A选项错误。对于有惯性冲击的机动往复运动部件,应设置缓冲装置。
B选项错误。运动部件在有限滑轨运行或有行程距离要求的,应设置可靠的限位装置。
C选项错误。运动部件不允许同时运动时,其控制机构应联锁,不能实现联锁的,应在控制机构附 近设置警告标志,并在说明书中加以说明。
3. D【解析】根据《剪切机械安全规程HGB 6077),双手操作式安全控制装置的两个控制按钮, 应装设在开关箱(或按钮盒)内,其按钮的顶端不得凸出该开关箱(或按钮盒)的表面。
4. B【解析】根据《企业职工伤害事故分类XGB 6441),在该锻造工段可能发生的伤害事故类别 是机械伤害、其他爆炸、起重伤害、灼烫、物体打击。
5. C [解析】A选项错误。交流电气设备应优先利用自然导体作接地线。
B选项错误。不得利用蛇皮管、管道保温层的金属外皮或金属网以及电缆的金属护层可作接地线。
D选项错误。接地装置地下部分的连接应采用焊接,并应釆用搭焊,不得有虚焊。
6. A 【解析】B选项错误。聚氨酯泡沫材料为可燃性材料,敷设电气线路的沟道、电缆桥架或导 管,所穿过的不同区域之间墙或楼板处的孔洞,应采用非燃性材料严密堵塞。
C选项错误。当爆炸危险环境中可燃气体比空气重时,电气线路宜在较高处敷设或直接埋地。
D选项错误。爆炸危险环境中,钢管配线可采用无护套的绝缘单芯或多芯导线。
7. C【解析】A选项错误。雷电流的最大值可达数十千安至数百千安。
B选项错误。雷电流冲击波波头陡度可达50 kA∕μs.
D选项错误。感应雷的过电压可达数百千伏•
8. C 【解析】A选项错误。电机在电源缺相状态下工作很容易烧毁,但不会使外壳带电造成人员 触电。
B选项错误。电动机轴承损坏会产生危险温度,但不会使外壳带电造成人员触电。
C选项正确。当施加于绝缘材料上的电场强度高于临界值时,绝缘材料发生破裂或分解,电流急剧 增加,完全失去绝缘性能,这种现象就是绝缘击穿。电机两相绕组之间的电阻值为零、绕组与电机外壳 之间的电阻值为零,说明发生了绝缘击穿,导致绝缘完全丧失,使电动机外壳带电造成人员触电。
D选项错误。转子“扫膛”就是转子转动时与定子接触摩擦,一旦扫膛就会产生热量很快烧坏电机, 但不会使外壳带电造成人员触电。
9. A【解析】B选项错误。使用兆欧表测量时,连接导线不得釆用双股绝缘线,而应采用绝缘良 好单股线分开连接,以免双股线绝缘不良带来测量误差。
C选项错误。使用接地电阻测量仪测量时,测量电极间的连接线应避免与邻近的高压架空线路平行, 以防止感应电压的危险。
D选项错误。使用可燃气体检测仪测量时,报警浓度应设置为可燃气体爆炸下限的20⅝ CV/VK
10- D【解析】A选项错误。层燃炉采用火床燃烧,主要用于工业锅炉,火床燃烧是固体燃料以一 定厚度分布在炉排上进行燃烧的方式。
B选项错误。室燃炉采用火室燃烧,电站锅炉和部分容量较大的工业锅炉采用室燃方式,燃料为油、 气和煤粉。火室燃烧(悬浮燃烧)是燃料以粉状、雾状或气态随同空气喷入炉膛中进行燃烧的方式。
C选项错误。旋风炉采用旋风燃烧,炉型有卧式和立式两种,燃用粗煤粉或煤屑。旋风燃烧是燃料 和空气在高温的旋风筒内高速旋转,部分燃料颗粒被甩向筒壁液态渣膜上进行燃烧的方式。
11- A【解析】脱绳事故是指重物从捆绑的吊装绳索中脱落溃散发生的伤亡毁坏事故,造成脱绳事 故的主要原因有:重物的捆绑方法与要领不当,造成重物滑脱;吊装重心选择不当,造成偏载起吊或吊 装中心不稳,使重物脱落;吊载遭到碰撞、冲击而摇摆不定,造成重物失落等。
12∙ D【解析】压力容器开始加载时,速度不宜过快,尤其要防止压力突然升高,过高的加载速度 会降低材料的断裂韧性,可能使存在微小缺陷的容器在压力的快速冲击下发生脆性断裂。
13. C【解析】根据《气瓶安全技术规程XTSG 23),运输瓶装气体时,气瓶应当整齐放置;横放 时,瓶端应当朝向一致;立放时,要妥善固定,防止气瓶倾倒。
14∙ B 1解析】起重机械的每月检查项目包括:安全装置、制动器、离合器等有无异常,可靠性和 精度;重要零部件(如吊具、钢丝绳滑轮组、制动器、吊索及辅具等)的状态,有无损伤,是否应报废 等;电气、液压系统及其部件的泄漏情况及工作性能;动力系统和控制器等。停用一个月以上的起重机 构,使用前也应做上述检查。
15. B【解析】司索工准备吊具时,对吊物的质量和重心估计要准确,如果是目测估算,应增大 20%来选择吊具。
16. D【解析】A选项错误。金属碳化物火灾不能用水扑救,碳化钙遇水分解并释放出大量的热, 易使燃烧扩大或发生爆炸,可用水泥、干燥的黄沙或干粉灭火器扑灭,不能用水成膜等含水灭火器或含 水物质来扑灭。
B选项错误。储存有大量硫酸、浓硝酸、盐酸等物品的场所发生火灾时,不能用水扑救,防止出现 放热引起更猛烈的燃烧。
C选项错误。轻于水且不溶于水的可燃液体火灾,如油脂、酒精,若用水扑,可燃液体会浮在水面 上,随水流散,促使火势蔓延。扑灭此类火灾,应釆用空气隔离法,用物体迅速将燃烧物体盖住,达到 隔离空气的效果来灭火。
17. C 【解析】泄爆口应尽可能大小均匀和对称分布,尽量消除反冲力。
18. C 【解析】弹簧式安全阀对振动的敏感性小,可用于移动式的压力容器。
19. B 【解析】比较危险或计算药量较大的危险品仓库,不宜布置在库区出入口的附近。
20. D 【解析】A选项错误。无水乙醇属于易燃的危险化学晶,瓦楞纸箱属于可燃性材料,二者同 车装运会产生火灾隐患。
B选项错误。环氧乙烷为有毒的危险化学品,《危险化学品安全管理条例》第五十四条规定了禁止通 过内河封闭水域运输剧毒化学品以及国家规定禁止通过内河运输的其他危险化学品。
C选项错误。《危险化学品安全管理条例》第四十三条规定了从事危险化学品道路运输、水路运输 的,应当分别依照有关道路运输、水路运输的法律、行政法规的规定,取得危险货物道路运输许可、危 险货物水路运输许可,并向工商行政管理部门办理登记手续。
D选项正确。液氯属于剧毒化学品,《危险化学品安全管理条例》第五十条规定了通过道路运输剧毒 化学品的,托运人应当向运输始发地或者目的地的县级人民政府公安机关申请剧毒化学品道路运输通行证。 二、案例分析题
案例 1
1. C 1解析】根据《砂轮机安全防护技术条件XJB 8799),砂轮卡盘外侧面与砂轮防护罩开口边 缘之间的间距一般应不大于15 mm。
2. D [解析】吊运气瓶应做到:①将散装瓶装入集装箱内,固定好气瓶,用机械起重设备吊运; ②不得使用电磁起重机吊运气瓶;③不得使用金属链绳捆绑后吊运气瓶;④不得吊气瓶瓶帽吊运气瓶; ⑤不得吊料框吊耳吊运气瓶。
3. CE 【解析】A选项错误。电焊机一次侧的电源线应绝缘良好,其长度不宜大于5 m。
B选项错误。不得采用金属构件或结构钢筋代替二次线的地线。
D选项错误。根据《个体防护装备选用规范XGB/T 11651),进行电焊作业时手部应穿戴焊接手套。 根据2022年1月1日最新实施的《个体防护装备配备规范 第1部分:总则XGB 39800. 1),进行电焊 作业时,手部应穿戴焊工防护手套。
4. ACDE 【解析】A选项,员工甲左手垫擦布手持工件,右手操作钻床进行打孔的作业,存在将 手卷入的事故隐患。
B选项,双手操纵装置是至少需要双手同时操作,以便在启动和维持机器某种运行的同时,针对存 在的危险,强制操作者在机器运转期间,双手没有机会进入机器的危险区,以此为操作者提供保护的一 种装置。
C选项,根据砂轮机的操作要求,无论是正常磨削作业、空转试验还是修整砂轮,操作者都应站在 砂轮的斜前方位置,不得站在砂轮正面。
D选项,根据气瓶的装卸运输要求,严禁用叉车、翻斗车或铲车搬运气瓶。
E选项,根据海因里希法则,无数次意外事件必然导致重大伤亡事故的发生。对发生的未遂事故未 进行原因分析且未采取预防措施,必然存在事故隐患。
由此可知,ACDE选项的做法存在事故隐患。
5. BCDE 【解析】特种设备是指对人身和财产安全有较大危险性的常炉、压力容器(含气瓶)、压 力管道、电梯、起重机械、客运索道、大型游乐设施、场(厂)内专用机动车辆。
A选项错误。激光切割机是工厂内的一般生产设备,不属于特种设备。
B选项正确。额定起重量5 t天车属于特种设备中的起重机械。
C选项正确。叉车属于特种设备中的场(厂)内专用机动车辆。
D选项正确。货运电梯属于特种设备中的电梯。
E选项正确。氧气瓶属于特种设备中的压力容器(含气瓶)。
案例 2
1. C企业粉尘爆炸危险场所的分区错误的有:风机房、成品库(包装)、中央控制室、机修间、消 防泵房,它们不属于20区。其中,风机房应为21区,成品库(包装)为22区;中央控制室、机修间、 消防泵房为非防爆区。
2. 6 t/h天然气蒸汽锅炉供货厂家应补充安装的燃烧器安全与控制装置部件有:安全切断阀、空气 压力监测装置、燃烧器阀门检漏装置、天然气压力监测装置。
3. C企业针对人员作业时在防火防爆方面的要求:
(1) 动火作业应实施作业许可管理。
(2) 进入车间应穿戴防静电工作服、防静电鞋。
(3) 生产区域严禁带入火种。
(4) 维修等作业时应使用铜制或铝制工具。
(5) 严禁用压缩空气进行清扫。
4. C企业保障部进行斗式提升机焊接动火作业前应采取的安全措施:
(1) 彻底停机且采取可靠的安全措施。
(2) 现场应配备足够的灭火器材。
(3) 地面用水淋湿,开启所有门窗。
(4) 动火点IOm半径范围内应清扫干净,所有的孔、口都应加盖,并用不燃材料进行覆盖。
(5) 电焊机漏电保护器控制,保护接地、电源线不能有接头。
案 例 3
1.该起事故的直接原因是管道腐蚀导致燃气泄漏,形成的爆炸性气体混合物遇餐饮商户常年通过油 烟管道向负一层排出的火星,发生爆炸。
2∙应配备的安全与防护装备有:防爆照明和通信工具、防静电服、空气呼吸器、甲烷检测仪、安全 帽、安全绳等。
3. 现场外拨打救援电话;关闭有关燃气阀门;立即启动应急预案;疏散现场及周边受影响人员;现 场进行警戒;禁止无关人员入内;监测风向及空气中燃气浓度;消除危险区域内火源;开窗通风;查找 泄漏点;对泄漏点进行处理;期间应急人员应佩戴好相应的安全防护装备。
4. E燃气公司在安全管理中存在的问题:
(1) 随意改变燃气管线敷设路径。
(2) 未给检查人员配备相关安全防护装备,未按规定对穿越燃气管线检查。
(3) 接报后,未及时派人去现场进行处置。
(4) 在东侧入口处检测到天然气浓度超过8%却未疏散人员。
(5) 草率宣布燃气泄漏事故已得到控制,误导救援工作。
案 例 4
1. 当心火灾;当心爆炸;必须消除人体静电;必须佩戴防毒面具;禁止入内。
2. 氢气检测报警器;静电消除装置;防爆电气线路及照明;防爆通风机;保护接地及漏电保护;消 防器材;护目镜;防酸手套;洗眼设施等。
3. 签订安全协议;审核有关资质及施工方案;入场前安全教育;安全技术交底;现场协调和监 督检査。
4. G公司自评中发现的问题所对应的体系一级要素:
(1) 教育培训。
(2) 目标职责。
(3) •现场管理。
(4) 制度化管理。
(5) 安全风险管控及隐患排查治理。
(6) 应急管理。
5. 液化气气瓶间安全检查表的主要内容:
(1) 警示标识张贴是否正确、齐全。
(2) 气瓶附件是否齐全并检验合格。
(3) 防倾倒装置是否完好。
(4) 空瓶和实瓶是否分开存放。
(5) 泄漏报警装置是否与风机联动」
(6) 电气防爆是否符合要求。
(7) 消防器材配置是否符合要求。
(8) 安全管理制度是否健全。
(9) 日常检查记录是否齐全。
(10) 是否存在地漏暗沟。
一、单项选择题
1. D【解析】本质安全是指通过设计等手段使生产设备或生产系统本身具有安全性,即使在误操 作或发生故障的情况下也不会造成事故。具体包括两方面的内容:
(1)失误一安全功能,指操作者即使操作失误,也不会发生事故或伤害,或者说设备设施和技术工 艺本身具有自动防止人的不安全行为的功能。
(2)故障一安全功能,指设备设施或生产工艺发生故障或损坏时,还能暂时维持正常工作或自动转 变为安全状态。
上述两种安全功能应该是设备设施和技术工艺本身固有的,即在其规划设计阶段就被纳入其中,而 不是事后补偿的。
由此可知A、B. C选项均属于失误一安全功能。D选项属于故障一安全功能。
2. A 【解析】消除疲劳的途径归纳起来有以下四个方面:
(1) 在进行显示器和控制器设计时应充分考虑人的生理、心理因素。
(2) 通过改变操作内容、播放音乐等手段克服单调乏味的作业。
(3) 改善工作环境,科学地安排环境色彩、环境装饰及作业场所布局,保证合理的温湿度、充足的 光照等。
(4) 避免超负荷的体力或脑力劳动,合理安排作息时间,注意劳逸结合等。
夜班作业者疲劳自觉症状多,人体的负担程度大,连续3~4天夜班作业,就可以发现有疲劳累积的 现象,甚至连上几周夜班也难以完全习惯。轮班作业易发生疲劳的另一原因,是夜班作业者在白天难以 得到充分休息,长此以往疲劳将会给作业者的身心健康带来显著的不利影响。
3. D 【解析】甲受到的触电伤害方式是电弧烧伤。电弧烧伤是由弧光放电造成的烧伤,是最危险 的电伤。电弧温度高达8000 °C,可造成大面积、大深度的烧伤,甚至烧焦、烧毁四肢及其他部位。发生 弧光放电时,熔化了的炽热金属飞溅出来还会造成烫伤。高压电弧和低压电弧都能造成严重烧伤。高压 电弧的烧伤更为严重一些。
4. A 1解析,A选项正确。当可能坠落的高度超过50Omm时,应安装防坠落护栏、安全护笼及 防护板等。
B选项错误。重型机床高于500 mm的操作平台周围应设高度不低于1050 mm的防护栏杆。B选项 错误。
C选项错误。根据《机械安全 避免人体各部位挤压的最小间距HGB 12265. 3)为避免头部受到挤 压,最小间距应该为300 mm。
D选项错误。根据《机械安全防止上下肢触及危险区的安全距离HGB 23821),防护装置方形开口的 安全距离不小于5 mmo
5. D 【解析】TN系统分为TN-S、TN-C-S, TN-C三种方式。TN-S系统是保护零线与中性线完 全分开的系统;TN-C-S系统是干线部分的前一段保护零线与中性线共用,后一段保护零线与中性线分开 的系统;TN-C系统是干线部分保护零线与中性线完全共用的系统。
A选项为TT系统,不属于TN系统。B选项为TN-S系统。C选项为TN-C-S系统。D选项为TN-C 系统。
6. B [解析】属于I类的移动式电气设备及手持式电动工具;生产用的电气设备;施工工地的电 气机械设备;安装在户外的电气装置;临时用电的电气设备;机关、学校、宾馆、饭店、企事业单位和 住宅等除壁挂式空调电源插座外的其他电源插座或插座回路;游泳池、喷水池、浴池的电气设备;安装 在水中的供电线路和设备;医院中可能直接接触人体的电气医用设备等均必须安装漏电保护装置。
对于公共场所的通道照明电源和应急照明电源、消防用电梯及确保公共场所安全的电气设备、用于 消防设备的电源(如火灾报警装置、消防水泵、消防通道照明等)、用于防盗报警的电源,以及其他不允 许突然停电的场所或电气装置的电源,漏电时立即切断电源将会造成其他事故或重大经济损失。在这些 情况下,应装设不切断电源的报警式漏电保护装置。
从防止触电的角度考虑,使用特低电压供电的电气设备、一般环境条件下使用的具有双重绝缘或加 强绝缘结构的电气设备、使用隔离变压器且二次侧为不接地系统供电的电气设备,以及其他没有漏电危 险和触电危险的电气设备可以不安装漏电保护装置。
具有双重绝缘的电气设备属于II类设备。∏类设备在其明显部位应有“回”形标志。
7. B【解析】根据《工贸行业重大生产安全事故隐患判定标准(2017版)》,机械行业属于重大事故隐 患的有:
(1) 会议室、活动室、休息室、更衣室等场所设置在熔炼炉、熔融金属吊运和浇注影响范围内。
(2) 吊运熔融金属的起重机不符合冶金铸造起重机技术条件,或驱动装置中未设置两套制动器。吊 运浇注包的龙门钩横梁、耳轴销和吊钩等零件,未进行定期探伤检查。
(3) 铸造熔炼炉炉底、炉坑及浇注坑等作业坑存在潮湿、积水状况,或存放易燃易爆物品。
(4) 铸造熔炼炉冷却水系统未配置温度、进出水流量检测报警装置,没有设置防止冷却水进入炉内 的安全设施。
(5) 天然气(煤气)加热炉燃烧器操作部位未设置可燃气体泄漏报警装置,或燃烧系统未设置防突 然熄火或点火失败的安全装置。
(6) 使用易燃易爆稀释剂(如天拿水)清洗设备设施,未釆取有效措施及时清除集聚在地沟、地坑 等有限空间内的可燃气体。
(7) 涂装调漆间和喷漆室未规范设置可燃气体报警装置和防爆电气设备设施。
注:《工贸企业重大事故隐患判定标准》(中华人民共和国应急管理部令第10号)自2023年5月15 日起施行,《工贸行业重大生产安全事故隐患判定标准(2017版)》(安监总管四C2017: 129号)同时废止。
8. A 【解析】防爆电气设备的标志应设置在设备外部主体部分的明显地方,且应设置在设备安装 之后能看到的位置。标志应包含:制造商的名称或注册商标、制造商规定的型号标识、产品编号或批号、 颁发防爆合格证的检验机构名称或代码、防爆合格证号、EX标志、防爆结构型式符号、类别符号、表示 温度组别的符号(对于II类电气设备)或最高表面温度及单位°C ,前面加符号T (对于皿类电气设备)、 设备的保护级别(EPL),防护等级(仅对于DI类,如IP54).
EPL用于表示设备的固有点燃风险,区别爆炸性气体环境、爆炸性粉尘环境和煤矿有甲烷的爆炸性 环境的差别。用于煤矿有甲烷的爆炸性环境中的I类设备的EPL分为Ma、Mb两级。用于爆炸性气体环 境的∏类设备的EPL分为Ga、Gb、GC三级。用于爆炸性粉尘环境的BI类设备的EPL分为Da、Db、DC三级。
,,Exd HBT3Gb”表示该设备为隔爆型“d”,保护级别(EPL)为Gb,用于IlB类T3组爆炸性气 体环境的防爆电气设备。
9. D 【解析】电力线路应有必要的资料和文件,如施工图、实验记录等。还应建立巡视、清扫、
维修等制度。
对临时线应建立相应的管理制度。例如,安装临时线应有申请、审批手续;临时线应有专人负责; 应有明确的使用地点和使用期限等。
10. A [解析】从防止产生过大热应力出发,上水温度最高不超过90莒,水温与筒壁温差不超过 50 ,C. A选项错误。
11. C【解析】事故单位的领导或主管部门接到事故报告后,应立即赶赴事故现场,组织人员抢救 伤员、物资,保护好事故现场,根据人员的伤势程度,按规定程序逐级上报。事故单位的安全管理部门, 可在不破坏事故现场的情况下,对现场初步进行勘察,尤其是在主要干路上易被破坏的痕迹,物品的勘 察应抓紧进行。
12. C【解析】弹簧式安全阀结构紧凑,灵敏度高,安装位置无严格限制,应用广泛,对振动的敏 感性小,可用于移动式的压力容器。
13. D [解析】静电防护措施包括:环境危险程度控制、工艺控制、接地、增湿、抗静电添加剂、 静电消除器。屏蔽不属于静电防护措施。
14. A【解析】根据《起重机械安全规程 第1部分:总则MGB 6067.1),电动葫芦应配备的安全 防护装置是起重量限制器、起升高度限位器。
15. C【解析】场(厂)内机动车辆检查方面,使用单位应进行场(厂)内机动车辆的自我检查、 每日检查、每月检查和年度检查。
(1) 年度检查。每年对所有在用的场(厂)内机动车辆至少进行1次全面检查。停用1年以上、发 生重大车辆事故等的场(厂)内机动车辆,使用前都应做全面检查。
(2) 每月检查。检查项目包括:安全装置、制动器、离合器等有无异常,可靠性和精度;重要零部 件(如吊具、货叉、制动器、铲、斗及辅具等)的状态,有无损伤,是否应报废等;电气、液压系统及 其部件的泄漏情况及工作性能;动力系统和控制器等。停用一个月以上的场(厂)内机动车辆,使用前 也应做上述检査。
(3) 每日检查。在每天作业前进行,应检查各类安全装置、制动器、操纵控制装置、紧急报警装置 的安全状况,检查发现有异常情况时,必须及时处理。严禁带病作业。
注意本题涉及的叉车为电动叉车。不是所有电动叉车都有离合器。
16. B【解析】清理粉尘不能改变其可燃性、爆炸极限,更无法降低环境氧浓度。只能降低粉尘 浓度。
17. D [解析】金属压力容器一般于投用后3年内进行首次定期检验。以后的检验周期由检验机构 根据压力容器的安全状况等级,按照以下要求确定:
(1) 安全状况等级为1、2级的,一般每6年检验一次。
(2) 安全状况等级为3级的,一般每3年至6年检验一次。
(3) 安全状况等级为4级的,监控使用,其检验周期由检验机构确定,累计监控使用时间不得超过 3年,在监控使用期间,使用单位应当釆取有效的监控措施。
(4) 安全状况等级为5级的,应当对缺陷进行处理,否则不得继续使用。
18. C I解析】预防和控制天然气爆炸事故措施可分为防止爆炸发生的安全技术措施、减少爆炸损 失的安全技术措施。采用泄压式轻质屋顶属于减少爆炸损失的措施。压缩机出口设置单向阀、厂房设置 可燃气体探测装置属于防止爆炸发生的措施。厂房主结构涂覆防火涂料无法防止爆炸的发生也无法减少 爆炸损失。
19. C【解析】安全泄压装置的设置原则:①车用气瓶或者其他可燃气体气瓶、呼吸器用气瓶、消 防灭火器用气瓶、溶解乙烷气瓶、盛装低温液化气体的焊接绝热气瓶、盛装液化气体的气瓶集束装置、 长管拖车及管束式集装箱用大容积气瓶,应当装设安全泄压装置;②盛装剧毒气体的气瓶,禁止装设安 全泄压装置;③液化石油气钢瓶,不宜装设安全泄压装置。
20. B 【解析】根据《电气装置安装工程 爆炸和火灾危险环境电气装置施工及验收规范MGB 50257), 爆炸危险环境内的钢管配线,钢管与钢管、钢管与电气设备、钢管与钢管附件之间应采用跨线连接,并 应保证良好的电气通路。
二、案例分析题
案 例 1
1. A 【解析】根据《生产安全事故报告和调查处理条例》第九条,事故发生后,事故现场有关人 员应当立即向本单位负责人报告;单位负责人接到报告后,应当于Ih内向事故发生地县级以上人民政 府安全生产监督管理部门和负有安全生产监督管理职责的有关部门报告。
2. D r解析】根据《建筑法》,建设单位应当向建筑施工企业提供与施工现场相关的地下管线资 料,建筑施工企业应当采取措施加以保护。
根据《建设工程安全生产管理条例》,工程监理单位和监理工程师应当按照法律、法规和工程建设强 制性标准实施监理,并对建设工程安全生产承担监理责任。
3. AB 1解析】人的不安全行为或物的不安全状态是造成事故的直接原因。本起事故中,角钢挤 压天然气管线,导致天然气泄漏,甲开灯引爆天然气是事故发生的直接原因。
4∙ ABD 1解析】加强施工过程安全监管、建立施工技术交底制度能够防止因施工问题造成的天然 气管道泄漏。增加天然气管道泄漏监测系统能够在天然气管道发生泄漏后及时发现问题,避免爆炸事故 的发生。
禁止保安人员在地下室居住、增加相关视频监控不能预防此类事故的发生。
5∙ ABCD 【解析】直接经济损失包括:
(1) 人身伤亡后所支出的费用,包括医疗费用(含护理费用)、丧葬及抚恤费用、补助及救济费用、 歇工工资。
(2) 善后处理费用,包括处理事故的事务性费用、现场抢救费用、清理现场费用、事故罚款和赔偿 费用。
(3) 财产损失价值,包括固定资产损失价值、流动资产损失价值。
间接经济损失包括:
(1) 停产、减产损失价值。
(2) 工作损失价值。
(3) 资源损失价值。
(4) 处理环境污染的费用。
(5) 补充新职工的培训费用。
(6) 其他损失费用。
案 例 2
1-液氨罐区构成重大危险源。应急处置措施:启动应急预案,拨打“119” “120”,并向地方政府报 告;控制现场火源、电源;通知现场和周边人员撤离;搜救伤员;监测风向、风速、空气中氨气浓度及 扩散范围、环境中氨含量;设置警戒线,周边交通管制;现场抢险处置;人员清点等。
2. 专项应急预案的主要内容:液氨泄漏风险分析;应急指挥机构及职责;.液氨泄漏处置程序;液氨 泄漏处置措施。
3. 液氨罐区扩建项目的主要安全设施:储罐围堰;储罐喷淋装置;氨气泄漏报警装置;洗消装置; 人体静电消除装置;事故应急池;风向标;应急物资柜。
4. Q发电厂应采取的安全管理措施:建立健全并落实危化品管理制度;严格执行项目安全设施“三 同时”制度;加强设备巡查;加强监控和预警措施;加强特种设备使用管理;加强应急教育培训和演练; 加强相关方管理。
案 例 3
1. 拆卸区存在的危险有害因素:车辆伤害;机械伤害;触电;火灾;物体打击;容器爆炸。
2. 发动机试验技术中心氢气瓶间的安全技术要求:可靠的通风换气装置;设泄漏报警器;防爆电 气;防静电装置;配备灭火器材;空瓶和实瓶应分区放置;有防倾倒措施;防震圈、瓶帽等安全附 件齐全。
3. 与建筑物接地线作等电位联结的导电体名称:PE线;PEN干线;电气装置接地极的接地干线; 建筑物金属构件。
4. 对压缩空气罐进行安全检查的要点:检查压力容器登记使用证;压力容器定期检验报告;安全 阀、压力表等安全附件检验合格证"作业人员持证上岗;排污阀定期排污;安全阀定期手动起跳试验; 压力容器;压力是否在正常运行范围内;安全操作规程、现场应急处置方案、运行记录。
案 例 4
1. T公司对U公司在锅炉房建设项目中进行安全管理的主要内容:
(1)与U公司签订安全管理协议,明确各自的安全生产管理职责。
(2) 对U公司的特种设备、特种作业人员和安全管理人员资质/资格查验。
(3) 对U公司的进场人员进行危害告知和安全交底,安全教育培训。
(4) 审查U公司的危险性较大工程的施工方案和计划。
(5) 进行现场检査。
2. 机修车间应修复和增设的机械设备安全保护装置:联锁装置;能动装置;保持一运行控制装置; 双手操纵装置;敏感保护装置;有源光电保护装置;机械抑制装置;限制装置;限位装置。
3. 固定式砂轮机作业中的安全操作要点:
(1) 砂轮机空转正常后使用。
(2) 砂轮磨损严重的应及时更换。
(3) 禁止两人同时使用。
(4) 禁止戴手套打磨工件和用布包着工件作业。
(5) 禁止用工件撞击砂轮。
(6) 禁止用砂轮的侧面磨削。
(7) 禁止站在砂轮机正面作业。
(8) 禁止磨削细小工件。
(9) 必须戴防护眼镜和防尘口罩。
4. 其他安全附件:温度测量装置;超温报警和联锁保护装置;超压报警装置;高低水位报警和低水 位联锁保护装置;锅炉熄火保护装置;排污阀或放水装置;防爆门;锅炉自动控制装置。
5. 产生危险温度的原因:过载;短路;接触不良;散热不良;漏电;电压过高或过低;机械故障; 电热器具和照明灯具。
一、单项选择题
1. D 【解析】机械零、构件连接紧固可靠属于釆用本质安全技术中限制机械应力以保证足够的抗 破坏能力。设计时避免出现锐边、尖角属于采用本质安全技术中的合理的结构型式。机械产品材料具有 抗腐蚀功能属于采用本质安全技术中的材料和物质的安全性。制定机械设备安全操作规程不属于安全技 术措施。
2. B r解析】避免材料毒性属于采用本质安全技术中的材料和物质的安全性。采用安全电源属于 采用本质安全技术中的使用本质安全的工艺过程和动力源。机器的稳定性属于采用本质安全技术中的合 理的结构型式。事故急停装置属于安全防护措施中的补充保护措施。
3. A 【解析】室内作业:WBGT=O. 7inw + 0. 3igo其中Tg为自然湿球温度;七为黑球温度。由 此可计算甲车间内 WBGT=O. 7X28 + 0. 3×33 = 19. 6 + 9. 9 = 29. 5 QC≈¾30 °C。
根据《工作场所有害因素职业接触限值 第2部分:物理因素HGBZ 2.2),甲车间应将员工接触时 间率调整为50%。
4. C 【解析】跨步电压电击是人体进入地面带电的区域时,两脚之间承受的跨步电压造成的电击。 故障接地点附近(特别是高压故障接地点附近),有大电流流过的接地装置附近,防雷接地装置附近以及 可能落雷的高大树木或高大设施所在的地面均有可能发生跨步电压电击。
5. D [解析】TT系统中,三相负载不平衡会导致零点漂移,并不会造成短路。
6. D I解析】IT系统与TT系统均属于接地保护。TN-C系统与TN-S系统属于接零保护系统。其 中,TN-S系统是保护零线与中性线完全分开的系统,TN-C系统是干线部分保护零线与中性线完全共用 的系统。
7∙ D【解析】不得利用蛇皮管、管道保护层的金属外皮或金属网以及电缆的金属护层作接地线。
8∙ A【解析】根据《爆炸性环境 第1部分:设备 通用要求MGB 3836. 1) I类电气设备用于煤 矿瓦斯气体环境。II类电气设备用于除煤矿甲烷气体之外的其他爆炸性气体环境。皿类电气设备用于除 煤矿以外的爆炸性粉尘环境。
9∙ D【解析】A选项错误。接触面积越大,双电层正、负电荷越多,产生的静电越多。接触压力 越大或摩擦越强烈,会增加电荷分离强度,产生较多静电。
B选项错误。平皮带与皮带轮之间的滑动位移比三角皮带大,产生的静电也比较强烈。
C选项错误。空气湿度降低,很多绝缘体表面电阻率升高,泄漏变慢,从而容易积累危险静电。
1°∙ A【解析】压力表装置齐全(压力表、存水弯管、三通旋塞)。应每半年对其校验一次,并铅 封完好。
11- C【解析】盛装易燃气体的气瓶瓶阀的手轮,选用阻材料制造。瓶帽应当有良好的抗撞击性, 不得用灰口铸铁制造。目前气瓶安全泄压装置有4种,即易熔塞合金装置、爆破片装置、安全阀和爆破 片一易熔塞复合装置。
12- D【解析】摘钩时应等所有吊索完全松弛再进行,确认所有绳索从钩上卸下再起钩,不允许抖 绳摘索,更不许利用起重机抽索。
13. C【解析】燃点(着火点)对可燃固体和闪电较高的液体具有重要意义,在控制燃烧时,需将 可燃物的温度降至其燃点(着火点)以下。
14. A 【解析】对于有飞溅火花的加热装置,应布置在其工艺设备的侧风向。加热易燃物料时,不 得采用电炉、火炉、煤炉等直接加热。明火加热设备的布置,应远离可能泄漏易燃气体或蒸气的工艺设 备和储罐区,并应布置在其上风向或侧风向。
15. A 【解析】根据惰性气体保护的概念:由于爆炸的形成需要有可燃物质、氧气以及一定的点火 能量,用惰性气体取代空气,避免空气中的氧气进入系统,就消除了引发爆炸的一大因素,从而使爆炸过 程不能形成。
16. D 【解析】根据《烟花爆竹工程设计安全规范XGB 50161),烟花爆竹工厂建筑物的计算药量 是该建筑物内(含生产设备、运输设备和器具里)所存放的黑火药、烟火药、在制品、半成品、成品等 能形成同时爆炸或燃烧的危险品最大药量。
防护屏障内的危险品药量,应计入该屏障内的危险性建筑物的计算药量。
抗爆间室的危险品药量可不计入危险性建筑物的计算药量。
17. D 【解析】检测密度大于空气的可燃气体(如石油液化气、汽油、丙烷、丁烷等)时,探测器 应安装在泄漏可燃气体处的下部,距地面不应超过0.5 mo
18. C【解析】运输易燃易爆危险货物车辆的排气管,应安装隔热和熄灭火星装置,并配装导静电 橡胶拖地带装置。
19. D 【解析】缺氧或有毒的受限空间经清洗或置换仍达不到安全要求的,应佩戴隔绝式呼吸器, 必要时应拴带救生绳。
二、案例分析题
案 例 1
1. B 【解析】根据《建设工程安全生产管理条例》,建设工程实行施工总承包的,由总承包单位对 施工现场的安全生产负总责。
2. E 【解析】根据《建设工程安全生产管理条例》,建设工程实行施工总承包的,由总承包单位对 施工现场的安全生产负总责。
实行施工总承包的建设工程,由总承包单位负责上报事故。
3. ABCD【解析】E选项错误。为除锈作业人员配置防毒面具并不能防止氮气窒息引起的事故。
4. ABC【解析】D、E选项错误。丙突然从作业跳板坠落至过滤器锥体底部,并未受到上部物体 掉落打击」该事故不存在氮气系统渗漏富集。
5. BCDE 【解析】根据《建设工程安全生产管理条例》,建设工程实行施工总承包的,由总承包单 位对施工现场的安全生产负总责。总承包单位应当自行完成建设工程主体结构的施工。总承包单位依法 将建设工程分包给其他单位的,分包合同中应当明确各自的安全生产方面的权利、义务。总承包单位和 分包单位对分包工程的安全生产承担连带责任。分包单位应当服从总承包单位的安全生产管理,分包单 位不服从管理导致生产安全事故的,由分包单位承担主要责任。
案 例 2
1. 按照防止事故发生和减少事故损失两类进行分类,D企业采用的安全技术措施有以下内容:
(1) 防止事故发生措施:①压力、温度、液位监测与报警装置;②易燃易爆、有毒有害气体监测报 警装置;③传动机械安全防护装置;④起重设备安全装置;⑤输煤皮带运输机的急停装置。
(2) 减少事故损失措施:①锅炉和压力容器的安全门,安全阀、防爆膜等;②全厂消防灭火系统。
2. 氨站应急物资柜应配置的应急物资清单:
(1) 正压式呼吸器。
(2) 防爆应急灯。
(3) 安全带。
(4) 防毒面具。
(5) 安全警示带(警戒线)。
(6) 防静电工作服。
(7) 检测报警装置。
(8) 对讲机。
(9) 急救包或急救箱。
(10) 手电筒。
(11) 灭火器。
(12) 消防带、消防斧。
(13) 洗消设施。
3. 电工乙在甲触电坠落后应采取的应急处置措施:
(1) 立即向企业主要负责人上报事故。
(2) 当发现有人触电后,应立即向周围大声呼救。
(3) 迅速断开电机电源,解救触电者,并进行初步救护。
(4) 设立危险警戒区域,严禁无关人员进入。
(5) 伤势较重及时联系当地“120"急救中心或医疗部门救治,告知所处的详细位置,并派人到路口 等候,接应急救车,赶赴现场急救。
4. 皮带运输机配电间安全检查的主要内容:
(1) 室内外环境整洁,物品摆放整齐有序,无杂物及无关物品存放。
(2) 是否有用电安全管理制度,是否有专职电工,电工是否持有效证件上岗。
(3) 检查作业规程、安全措施、责任制度、操作规程等是否齐全,是否有效。
(4) 有无定期检查、维护记录。
(5) 有无配电室管理标识牌。
(6) 绝缘工具是否齐全、有效。
(7) 接线、装量是否完好,电线有无私拉乱接,绝缘破损现象。
(8) 开关柜(箱)内电气是否整洁、完好、路线规整,箱内外要有明显的接地线;箱门状态良好。
(9) 严查值班室、主控制室、配电室食品和杂物,保证有良好的清洁环境。
案例 3
1. 制冷车间制冷工艺变更管理的相关安全要求:
(1) 企业应制定变更管理制度。
(2) 变更前应对变更过程及变更后可能产生的安全风险进行分析。
(3) 制定控制措施。
(4) 履行审批及验收程序。
(5) 告知和培训相关从业人员。
2. 根据《工贸行业重大安全事故隐患判定标准(2017版)》,以上场景中存在的重大隐患及原因:
(1) 重大隐患:①未对有限空间作业场所进行辨识,并设置明显安全警示标志;②未落实作业审批 制度,擅自进入有限空间作业。
(2) 尾因:①未设置安全警示标志;②当班班长甲发现故障后,立即安排当班工人乙、丙入池维修。
注:《工贸企业重大事故隐患判定标准》(中华人民共和国应急管理部令第10号)自2023年5月15 日起施行,《工贸行业重大生产安全事故隐患判定标准(2017版)》(安监总管四〔2017) 129号)同时废止。
3. E企业污水处理站维修作业的安全管理要求:
(1) 实行作业审批制度,严禁擅自进入有限空间作业。
(2) 实施作业前,制定有限空间作业方案,并对作业人员进行培训,合格后方可作业。
(3) 作业应当严格遵守“先通风、再检测、后作业”的原则,严禁通风、检测不合格作业。
(4) 设置明显的安全警示标志和警示说明,作业前后清点作业人员和工器具。
(5) 作业现场应设置监护人员,同时监护人员不得离开岗位,并与作业人员保持联系。
(6) 必须配备个人防中毒窒息等劳动防护用品或设备,设置安全警示标识。
(7) 存在交叉作业时,采取避免互相伤害的措施。
(8) 对作业场所中的危险有害因素进行定时检测或者连续监测。
(9) 必须制定应急措施,现场配备应急装备,严禁盲目施救。
4. 安全教育培训应包含的主要内容:
(1) 岗位安全操作规程。
(2) 作业现场危险有害因素。
(3) 具体安全防护措施。
(4) 具体的互保监护措施。
(5) 实施作业的具体步骤。
(6) 实施作业的注意事项。
(7) 突发意外时的应急措施。
(8) 典型事故和案例分析。
案 例 4
1. F工厂应急预案编制过程中存在的问题与应急预案的编制程序如下:
(1) 存在的问题:①安环部部长任组长;②应急预案编制并由组长签发。
(2) 应急预案编制程序:①应急预案编制工作组;②资料收集;③风险评估;④应急能力评估; ⑤编制应急预案;⑥应急预案评审。
2. 水泥成品筒型库内壁清理维修高处作业完工后的安全要求:
(1)作业现场清扫干净,作业用的工具、拆卸下的物件及余料和废料应清理运走。
(2) 脚手架拆除时,应设警戒区,并派专人监护。拆除脚手架、防护棚时不得上下同时施工。
(3) 临时用电的线路应由持证电工拆除。
(4) 作业人员要安全撤离现场,验收人在“作业证”上签字。
(5) 拆除脚手架时需指定专项施工方案。
3. 根据《企业安全生产标准化基本规范XGB/T 33000), F工厂3号窑检维修方案应包括的主要内 容:检维修方案应包含作业安全风险分析、控制措施、应急处置措施及安全验收标准。
4. 根据《企业职工伤亡事故分类XGB 6441), 3号窑尾电收尘器维修过程中存在的危险有害因素:
(1) 中毒与窒息。
(2) 其他爆炸。
(3) 火灾。
(4) 触电。
(5) 物体打击。、
(6) 高处坠落。
(7) 机械伤害。
(8) 其他伤害。
5. 进入3号窑尾电收尘器进行维修作业时应佩戴的劳动防护用品及其作用:
(1) 安全帽:防止砸伤。
(2) 防尘口罩:防止粉尘。
(3) 安全带:预防高处坠落。
(4) 空气呼吸器:应急救护。
(5) 防静电工作服:防止静电。
(6) 防静电鞋:防止静电。
(7) 防静电手套:防止静电。
• 20 •
真题参考答案与解析