全国中级注册安全工程师职业资格考试配套辅导用书
全国中级注册安全工程师职业资格考试配套辅导用书编写组编
应急管理出版社
•北 京•
图书在版编目(CIP)数据
安全生产专业实务习题集.其他安全:2022版/全国 中级注册安全工程师职业资格考试配套辅导用书编写组编. --北京:应急管理出版社,2022
全国中级注册安全工程师职业资格考试配套辅导用书
ISBN 978-7-5020-9339-6
I .①安… H .①全… 皿.①安全生产一资格考试一 习题集IV.①X931-44
中国版本图书馆CIP数据核字(2022)第073490号
安全生产专业实务习题集(其他安全)2022版
(全国中级注册安全工程师职业资格考试配套辅导用书)
编 者全国中级注册安全工程师职业资格考试配套辅导用书编写组
责任编辑 尹忠昌 唐小磊
编 辑李雨恬
责任校对孔青青
封面设计卓义云天
行话址刷销本 发
版
出电网印经开
应急管理出版社(北京市朝阳区芍药居35号IOoO29) 010-84657898 (总编室)OlO-84657880 (读者服务部) WWW. cciph. com. Cn
北京现实印刷有限公司
全国新华书店
787mm×1092mm'∕,6 印张 16'∕2 字数 392 千字
版 次2022年6月第1版2022年6月第1次印刷
社内编号20220703 定价46. OO元
版权所有违者必究
本书如有缺页、倒页、脱页等质量问题,本社负责调换,电话:010-84657880
1. 鉴于2022版全国中级注册安全工程师职业资格考试辅导教材(简称 2022版教材)修订幅度较大,涉及相关技术、法规、标准等内容,为让广大 考生全面系统地掌握2022版教材内容、熟悉考试题型、'巩固学习成果,我们 组织行业专家和专业的教师队伍,对“全国中级注册安全工程师职业资格考试 配套辅导用书”进行了修订。
2. 新修订的“全国中级注册安全工程师职业资格考试配套辅导用书”(简 称2022版配套辅导用书)依旧采用习题集、真题详解与考前模拟、考点速记 3个系列类别,满足考生差别化需求的同时互为补充。
3. 习题集按章节编写习题,根据修订内容和题目设置合理化目标,增加 并改编了大量题目,同时将2019—2021年3年的真题分散编入各章(节),各 章(节)真题比例一目了然;真题详解与考前模拟包括2019—2021年3年的 真题试卷以及多套精心编写的模拟试卷,非常适合在冲刺复习阶段进行模拟自 测、查缺补漏;考点速记针对知识点进行了补充和完善,内容更加全面,适合 随身携带、随时学习。
4. 习题集、真题详解与考前模拟中的习题与解析均参考了最新的法规、 标准及2022版教材内容。考虑到真题题目的时效性,历年真题仍按考试当年 适用的法规、标准以及当年的教材进行解析。请考生在做历年真题时注意知识 的更新。
5. 2022版配套辅导用书内容更新较多、题目解析详细,适合考生在考试 复习各阶段学习使用。但由于时间仓促,书中仍可能有疏漏之处,恳请读者批 评指正!
偏者
2022年6月
第三章企业安全管理.......................................................................... ••••••
第九章特种设备....................................................:
参考答案与解析...................................................•••
单项选择题(每题的备选项中,只有]个最符合题意)
1. 《中共中央国务院关于推进安全生产领域改革发展的意见》确定了安全生产领域改革
发展的基本原则和相关内容。其中,属于基本原则内容的是( )。
A. 坚持依法监管
B. 坚持创新发展
C. 坚持源头治理
D. 坚持系统防范
2. 根据《注册安全工程师职业资格制度规定》(应急〔2019〕8号),作为企业的注册安 全工程师,从事的安全生产工作不包括(、)。
A. 参与本企业组织的事故调查
B. 参与本企业内部隐患排查治理.
C. 进行本企业员工职业病鉴定
D. 为本企业选用劳动防护用品
3. 铁矿直竖井在切割与焊接作业时,切割下来的高温金属残块及焊渣掉落在井槽充填护 壁的荆笆上,造成荆笆着火,引燃井筒木质护架可燃物,引发火灾。根据《火灾分类》 (GB/T4968),此次火灾类别属于( )o
A. A类火灾
B. B类火灾 '
C. C类火灾
D. D类火灾
4. 根据《职业病防治法》的规定,新建厂房投入使用后,需要实行特殊管理的作业是 ()o
A. 烘干作业
B. 起重作业
C. X射线探伤作业
D. 大件组装作业
5. 根据《建设工程安全生产管理条例》的规定,下列监理公司应履行的监理职责,说法
正确的是( )。
A. 要求施工单位缩短合同约定的工期
B. 对施工单位施工组织设计中的专项施工方案进行审查
C. 要求设计单位在建设工程中采用新结构、新工艺
D.施工后要求施工单位完善补充安全技术方案记录
6. 依据相关安全生产法律、法规和标准,某金属结构加工企业下列做法正确的是( )o
A. 员工宿舍与办公室、库房设在辅跨内
B. 气瓶库与漆料库同设在辅跨一层
C. 配备]名专职安全员
D. 焊接作业与涂装作业同在主跨内
7. 唐某是一家危险化学品生产企业的主要负责人,企业发生了危险化学品爆炸事故,造
成10人死亡,唐某最后被判处有期徒刑。关于唐某刑满释放后就业的限制,卞列说法 中错误的是( )o
A. 五年后可以从事化工企业安全生产管理工作
B. 五年后可以担任化工企业的主要负责人
C. 五年内不得担任任何生产经营单位的主要负责人
D. 终身不得担任化工企业的主要负责人
8. 根据《工业企业设计卫生标准》(GBZl),下列关于生产经营单位除尘净化系统设计和 安装要求的说法中,错误的是( )o
A. 输送含尘气体的管道必须水平设置
B. 输送含尘气体的管道应与地面成适度夹角
C. 在有爆炸性粉尘及有毒有害气体的除尘净化系统中,应设置检测装置
D. 为便于测试,设计中应在除尘净化系统的适当位置设测试孔
9. 根据《工业企业设计卫生标准》(GBZl),涂装车间属于微小气候,有关微小气候,下
列说法中正确的有( )。
A. 涂装车间封闭式车间人均新风量宜设计为20 m3∕h
B. 涂装车间生产过程应对产尘设备采取循环措施
C. 涂装车间洁净室人均风量大于40 m3∕h
D. 涂装车间设计的夏季温度应为22~30Y
10. 根据《工贸企业有限空间作业安全管理与监督暂行规定》规定,进入炼油厂污水井内
B.
C.
D.
11-某化工厂新建一套80×104 t/a乙烯装置。根据《安全生产法》的规定,应由(
组织制定与该项目适应的企业安全生产规章制度和操作规程。
A.
B.
D. 工艺和设备技术人员
12.按照安全系统工程和人机工程原理建立的安全生产规章制度体系,一般将规章制度分
为综合管理、人员管理、设备设施管理、环境管理4类,隐患排查和治理制度属于安 全生产规章制度的( )类。
A. 综合管理
B. 人员管理
C. 设备设施管理
D. 环境管理
13. 有关涂装流水线,下列说法错误的是( )。
A. 涂装流水线在投入前,应做好项目验收工作
B. 涂装流水线存在火灾爆炸、职业中毒等风险
C. 对进入涂装流水线的人员不必收缴火柴、打火机
D. 涂装流水线应该满足防火防爆要求,电气设施应具有相应的防爆等级
14. 在新建厂房辅跨内不应设置的设施有( )o
A. 会议室
B. 员工宿舍
C. 更衣室
D. 应急救助间
15. 建设项目安全设施设计完成后,生产经营单位向安全生产监督管理部门提交的文件资
料不包括( )o
A. 建设项目审批、核准或者备案的文件
B. 设计单位的设计资质证明文件
C. 建设项目安全预算
D. 建设项目初步设计报告及安全专篇
16. 某建筑安装公司履行新建厂房总承包合同时,不属于总承包单位应承担的安全管理责 任是()O
A. 现场消防安全管理
B. 保障施工人员人身安全
C. 脚手架等设施的检查验收
D. 根据安全生产需要修改新建厂房安全设施设计
17. 甲是建设单位,乙是施工单位,丙是监理单位。乙在施工某个分项工程时存在严重质
量缺陷,施工完成后找丙进行质量验收,丙在未到现场验收的情况下签署了质量“合 格”的意见,事后甲发现工程质量存在缺陷。下列关于丙应承担责任的说法中,正确 的是( )。
A. 丙应承担工程质量责任
B. 丙应承担监理责任
C. 丙应承担工程质量责任和监理责任
D. 返工费用由丙承担
18. 在涂装车间或其入口处的显著位置应设置的安全标志不包括( )□
A.当心中毒标志
B. 当心弧光标志
C. 禁止吸烟标志
D. 禁止明火标志
19. 根据《安全生产法》关于安全生产管理机构设置及安全管理人员配备的规定,民营焦 化厂()o
A. 可以只配备兼职安全生产管理人员
B. 可以委托具有安全评价资质的评价机构代管企业安全生产
C. 应当设置安全生产管理机构或配备专职安全生产管理人员
D. 可以委托具有注册安全工程师职业资格的个人代管企业安全生产
20. 根据《安全生产法》,关于钢铁厂安全生产管理人员的配备,下列说法正确的 是()。
A. 配备不少于]名兼职安全生产管理人员
B. 配备不少于1名兼职注册安全工程师
C. 配备不少于]名专职安全生产管理人员
D. 可不配备安全生产管理人员,委托注册安全工程师事务所代为管理
21. 根据《危险化学品生产企业安全生产许可证实施办法》,下列关于供气公司安全生产
管理机构设置和安全生产管理人员配置的说法中,正确的是( )。
A. 供气公司从业人员不足300人,可不设置安全生产管理机构
B. 供气公司从业人员不足300人,可不配备专职安全生产管理人员
C. 供气公司应设置安全生产管理机构并配备专职安全生产管理人员
D. 供气公司应设置安全生产管理机构或配备专职安全生产管理人员
22. 【2021年真题】根据《危险化学品安全管理条例》,下列危险化学品运输行为中,符
合安全要求的是( )。
A. 某运输企业在运输过程中,将无水乙醇和瓦楞纸箱同车装运
B. 某运输企业通过内河封闭水域,运输少量环氧乙烷
C. 某运输企业获得所在地县人民政府安全生产监督管理部门许可后,开始经营硝酸 铉运输业务
D. 托运人向运输始发地县人民政府公安机关申请剧毒化学品道路运输通行证后,开 始运输液氯
单项选择题(每题的备选项中,只有1个最符合题意)
1. 根据《生产过程危险和有害因素分类与代码》(GB/T 13861),下列不属于自动化涂装
生产工艺过程中主要危险和有害因素的是( )。
A. 高温物质
B. 噪声
C. 易燃液体
D. 低温物质
2. 某电子生产企业使用少量浓硫酸、氢氧化钠等危险化学品。工人在作业过程中均佩戴 相应的劳动防护用品。为提高工人安全意识,企业根据《生产过程危险和有害因素分 类与代码》(GB/T 13861)进行危险有害因素辨识。关于危险有害因素分类的说法,正 确的说法是( )o
A. 脱岗行为属于管理因素
B. 使用危险化学品的厂房墙面窗户缺陷属于环境因素
C. 危险化学品使用现场标志选用不当属于人的因素
D. 作业场地光照不足属于物的因素
3. 《生产过程危险和有害因素分类与代码》(GB/T 13861)将生产过程中人、物、环境、
管理的各种主要危险和有害因素进行了分类。根据该标准,下列危险和有害因素中, 属于物的因素的是( )。
A. 防护装置、设施缺陷
B. 门和围栏缺陷
C. 脚手架、活动梯架缺陷
D. 作业场地湿滑
4. 根据《企业职工伤亡事故分类》(GB 6441),如果冷冻库内液氨泄漏导致人员伤亡,则
该事故类别为( )。
A. 中毒和窒息
B. 物体打击
C. 冲击
D. 机械伤害
5. 企业生产过程中产生的木粉尘属于( )。
A, 无机性粉尘
B. 有机性粉尘
C. 混合性粉尘
D. 二次扬尘
6. 根据《职业病分类和目录》(国卫疾控发〔2013〕48号),煤焦化企业工作场所存在诸
多职业性有害因素。下列不属于煤焦化企业存在的职业性有害因素的是(
A.
B.
D.
7. 根据《职业病分类和目录》(国卫疾控发〔2013〕48号),金属熔炼炉操作工不可能罹
A. 尘肺
B. 职业性放射性疾病
C. 职业中毒
D. 物理因素所致职业病
8. 根据《职业病分类和目录》(国卫疾控发〔2013〕48号),汽车制造厂冲压车间从业人
员易罹患的职业病为( )。
A. 石棉肺
B. 噪声性耳聋
C. 电焊工尘肺
D. 中暑
9. 从业人员长期接触木材加工车间的粉尘可能引发的职业病是( )。
A. 尘肺
B. 苯中毒
C. 炭疽
D. 甲醛中毒
10. 涂装流水线工艺单元中存在的化学性职业病危害因素有( )。
A. 辐射
B. 真菌
C. 抛丸烟尘
D. 苯系物
11- 企业采用液氨制冷,液氨车间制冷压缩机为螺杆式压缩机,液氨储量15 t。根据《职
业病分类和目录》(国卫疾控发〔2013〕48号),车间内作业员工可能罹患的职业病 是( )O
A. 放射性皮肤疾病
B. 外照射急性放射病
C. 尘肺病
D. 噪声聋
12- 某厂危险化学品罐区位于人口相对稀少的空旷地带,罐区影响范围内有一村庄,现常
住人口 67人。该罐区有450 t甲苯、65 t纯苯、600 t甲醇。危险化学品名称及其临界 量见下表。据此,该罐区危险化学品重大危险源的级别是( )。
| 序号 | 类别 | 危险化学品名称 | 临界量/t | 
| 1 | 易燃液体 | 甲苯 | 500 | 
| 2 | 易燃液体 | 纯苯 | 50 | 
| 3 | 易燃液体 | 甲醇 | 500 | 
| 说明 | 易燃液体的校正系数β为、易燃气体为1.5 | ||
| 库房外暴露人员50-99人的校正系数α为L 5; 100人以上α为2.0 | |||
A. 一级 B.二级
C.三级 D.四级
13. 属地人民政府安全生产监督管理部门检查组在企业进行安全生产检查时,针对发现的 隐患和问题,不属于安全生产监督管理部门采取的措施是( )o
A. 当场纠正违章违法行为
B. 责令排除事故隐患
C. 责令打磨车间全体人员撤出
D. 控制企业主要负责人
14. 下列选项中,不属于“四不两直”中“四不”的内容包括( )。
A. 不发通知
B. 不穿制服
C. 不听汇报
D. 不用陪同和接待
15. 某机械制造企业为了提升安全生产管理水平,将建立双重预防机制纳入年度工作规
划,制定了安全风险分级管控与隐患排查治理工作方案,组织全体员工对本单位安全 风险进行全面系统的辨识,形成风险分级管控清单,根据风险清单制定隐患排查要 求,开展隐患排査治理工作。关于企业风险管控和隐患排查治理的做法,正确的是 ( )o
A. 企业安全风险辨识覆盖所有活动及区域,无须考虑异常紧急状态
B. 企业建立从生产负责人到每位基层操作岗位人员的隐患排查治理和防控责任制,实 行闭环管理
C. 企业要求隐患排查的范围包含所有与生产经营相关的场所、人员、设备设施和活 动,但不包括承包商、供应商等相关方
D. 企业将安全风险评估结果及所采取的控制措施告知相关从业人员,要求掌握工作岗 位和作业环境中存在的安全风险,落实应采取的控制措施
16. 某矿山企业根据市场需要进行扩建,依据《建设项目安全设施“三同时”监督管理办 法》,以该矿山企业的可行性研究报告为基础,对该扩建项目进行的安全评价 是()。
A. 安全预评价
B, 专项安全评价
C. 安全现状评价
D, 安全验收评价. •
17. 某烟花爆竹生产企业根据节庆到来前市场需求旺盛进行产能扩建,依据《建设项目安
全设施“三同时”监督管理办法》,在该企业建设项目试运行完成后,对该扩建项目 进行的安全评价是( )。
A. 安全预评价
B. 专项安全评价
C. 安全现状评价
D. 安全验收评价
18. 某石化企业组织有关安全技术人员对运行中的催化裂化装置存在的火灾、爆炸等事故 隐患进行安全评价。按照安全评价的实施的阶段分类,本次安全评价属于( )o
A. 消防现状评价
B. 安全现状评价
C. 安全验收评价
D. 安全预评价
19. 木材厂加工车间内粉尘浓度常年超标,下列措施中,不属于解决该问题的措施 是()。
A. 密闭除尘设备措施
B. 粉尘惰化措施
C. 除尘净化措施
D. 通风净化措施
20. 下列粉尘,不具备爆炸危险性的是( )。
A. PVC聚氯乙烯粉尘
B. 石英砂粉尘
C. 丙烯酸树脂粉尘
D. 苯乙烯粉尘
21. 在防止人员触电的技术措施中,不属于预防人员间接触电的技术措施是( )。
A. 安装漏电保护装置
B. 采用Tr系统
C. 安装机械联锁
D. 釆用保护接零系统
22. 下列安全防护措施中,不属于在配电室内采取的是( )。
A. 高压区与低压区分设
B. 保持检查通道有足够的宽度和高度
C. 辐射防护
D, 设置应急照明
23. 针对粉尘爆炸危险性,下列说法错误的有( )。
A. 粉尘的分散度越高,越容易发生爆炸
B. 粉尘浓度越高,爆炸危险性越大
C. 含氧量越高,爆炸强度越大
D. 环境温度越高,爆炸危险性越大
24. 炼油厂油罐区的2号汽油罐输油,汽油从罐顶输油时进油管内流速为2∙3~2.5m∕s,
导致汽油在罐内发生了剧烈喷溅,随即着火爆炸。爆炸把整个罐顶抛离油罐。该起火 灾爆炸事故的点火源是( )。
A. 明火
B. 静电放电
C. 高温烘烤
D. 油品含有的杂质
单项选择题(每题的备选项中,只有1个最符合题意)
1. 为了加强安全生产工作,我国对若干具有较高安全生产风险的企业实行了安全许可制
度。下列企业中,实行安全许可制度的是( )。
A. 道路运输企业、危险化学品生产企业、民用爆破器材生产企业
B. 烟花爆竹生产企业、民用爆破器材生产企业、冶金企业
C. 危险化学品生产企业、矿山企业、机械制造企业
D. 石油天然气开采企业、建筑施工企业、危险化学品生产企业
2. 根据《建设项目安全设施“三同时”监督管理办法》的规定,焦炉煤气工程竣工后,
在正式投产或使用前,供气公司依法必须开展的工作是( )。
A. 气柜安全现状评价
B. 焦炉煤气工程试运行
C. 到安全生产监督管理部门进行验收情况备案
D. 组织焦炉煤气工程安全设施竣工验收
3. 特钢厂建设项目安全设施竣工或者试运行完成后,依法必须履行的程序是( )o
A. 属地人民政府安全生产监督管理部门委托具有相应资质的安全评价机构对安全设施 进行验收评价
B. 委托具有相应资质的安全评价机构对安全设施进行验收评价
C. 邀请相关专家对安全设施进行竣工验收并形成书面报告
D. 由特钢厂安全生产管理部门对安全设施进行竣工验收
4. 民营焦化厂招收新从业人员,新上岗的从业人员安全培训时间不得少于( )学时。
5. 危险物品的生产、经营、储存单位以及矿山、金属冶炼单位主要负责人安全资格初次
培训时间不得少于(
A. 煤气燃烧爆炸特性
B. 电气柜操作应注意的安全事项
C. 气体检测报警器的标定方法
D. 个人防护用品的使用和维护
7. 根据《生产经营单位安全培训规定》,企业对新入职员工的安全培训内容不包 括()o
A. 岗位安全操作流程
B. 铝粉尘燃烧爆炸危险性
C. 工伤事故申报、索赔程序
D. 安全设备设施的使用和维护方法
8. 某机械制造企业为了进一步夯实安全基础,提升企业的安全管理水平,把创建安全生
产标准化作为推动安全生产工作的抓手,并紧密结合企业实际情况,狠抓安全培训教 育,组织制定安全培训教育制度及培训大纲。明确了培训的内容、时间和培训的主管 部门,并按照培训计划开展培训,对培训效果进行评估。关于企业安全培训管理的说 法,正确的是( )。
A. 企业特种作业人员的教育培训主管部门不定期识别安全培训需求
B. 企业组织培训,使企业主要负责人、专职安全员具备相应的安全管理知识和管理 能力
C. 企业培训主管部门制订实施安全教育培训计划,必要的培训资源由属地主管部门 提供
D. 企业培训主管部门对相关方人员的安全教育培训情况可不记录
9. 进入炼油厂污水井内清污作业需办理( )。
A. 动火作业许可证
B. 受限空间作业许可证
C. 管道作业许可证
D. 危险化学品作业许可证
A.有限空间作业许可 B.带电作业许可
C.动火作业许可 D.高温作业许可
11. 某食品工厂前处理车间的纯蒸汽制备装置由蒸汽包、蒸汽管道、纯水泵、配电柜等组
成,在安全生产标准化评审时,配送员现场审查发现,纯蒸汽制备装置现场设置了下 列警示标志。根据该场所的风险评估结果,这些警示标志中,设置错误的是()o ʌ A
当心烫伤
当心机械伤人 当心触电
12.作业条件危险性评价法是通过对作业时事故发生的可能性(L)、暴露于危险环境的频 率(E)及危险严重程度(C)三个要素计算得岀评定结果,用评定结果评估作业风 险大小的一种评价方法,某矿山作业条件危险性要素相关参数见下表。
作业条件危险性评价
| L | E | C | |
| 水泵房 | 6 | 6 | 6 | 
| 炸药库 | 3 | 5 | 40 | 
下列说法正确的是( )。
A. 水泵房危险性值为6
B. 水泵房危险性值为18
C. 炸药库危险性值为48
D. 炸药库危险性值为600
13. 某企业按照国家、省、市、区安委办印发的文件要求,积极开展企业双重预防机制建
设工作,根据企业的实际决定选用风险矩阵法,作为其中一种风险评估方法,开展安 全风险等级评估工作。在运用风险矩阵法进行风险等级评估过程中,事故发生的可能 性为6,事故后果严重程度为1,风险值是( )O
A. 7 B. 5 C. 6 D. 0. 17
14. 某化工企业在全面进行安全风险辨识评估和风险分级后,建立了风险清单。绘制了安 全风险四色图,明确了部门、岗位安全风险及防控措施、应急处置方法。根据风险管 控的要求,企业在醒目位置和重点区域设置重大风险公告栏。公告栏应包括的内容是 ()。
A. 分级管控原则、责任主体、领导层风险职责、报告方式
B. 安全风险、事故类别、事故后果、管控措施、应急措施及报告方式
C. 控制生产经营、安全风险的措施、厂区平面图
D. 生产经营风险、领导层风险、风险等级、管控措施、管控责任主体
15. 某市安全监管部门为提升安全生产整体预控能力,遏制重特大事故的发生,在构建 “企业安全双重预防机制”过程中,建立了安全风险评估和事故隐患排查标准体系。 体系中关于安全风险评估和隐患排查相关内容的说法,正确的是( )o
A. 重大危险源应认定为重大隐患
B. 重大风险均应认定为重大隐患
C. 企业应实施风险辨识闭环管理
D. 企业应实施隐患治理闭环管理
16. 小张参加了区安全监管局组织的“企业安全双重预防机制”构建公益培训。通过培 训,小张对这项工作的开展顺序有了清晰的认识。根据《国务院安委会办公室关于印 发标本兼治遏制重特大事故工作指南的通知》(安委办〔2016〕3号),这项工作开展
的顺序,正确的是( )。
A. 全面开展安全风险辨识T科学评定安全风险等级-有效管控安全风险T实施安全风 险公告警示T建立完善隐患排查治理体系
B. 建立完善隐患排査治理体系—全面开展安全风险辨识T有效管控安全风险T科学评 定安全风险等级T实施安全风险公告警示
C. 全面开展安全风险辨识T建立完善隐患排查治理体系T科学评定安全风险等级i有 效管控安全风险-÷实施安全风险公告警示
D. 建立完善隐患排查治理体系-有效管控安全风险T全面开展安全风险辨识T科学评 定安全风险等级T实施安全风险公告警示
17. [2020年真题】机床的本质安全包括“故障一安全”和“失误一安全”等方面。下 列机床安全设计措施中,属于“故障一安全”的是( )。
A. 齿轮、链条传动等设置封闭式防护罩
B. 将夹持装置的放松与机床运转的结束相联锁
C. 机床急停后必须按启动顺序重新启动方可恢复运转
D. 对有惯性冲击的机动往复运动部件设置缓冲装置
单项选择题(每题的备选项中,只有1个最符合题意)
1. 从事焊接作业的电焊工应配备的个体防护装备包括( )o
A. 便携式可燃气体报警器
B. 防静电服
C. 眼面防护具
D. 线手套
2. 进入炼油厂污水井(深2.2 m)内清污作业时,应佩戴的个体防护装备不包括( )。
A. 安全帽
B. 空气呼吸器
C. 导电鞋
D. 耳塞
3. 下列个体防护装备中,应为特钢厂电炉班员工配备的是( )。
A. 防静电鞋
B. 阻燃工作服
C. 防切割手套
D. 安全带
4. 特种作业是指在劳动过程中容易发生伤亡事故,对操作者本人,尤其对他人和周围设
施的安全有重大危害的作业。从事特种作业的人员称为特种作业人员,下列人员中, 不属于特种作业人员的是( )。
A. 煤矿瓦斯检査员
B. 叉车司机
C. 煤气气柜操作员
D. 合成氨工艺作业员
5. 特钢厂电炉车间在用天车进行加料作业时,需要取得特种设备作业人员证或特种作业
操作证的人员包括( )。
A. 班长
B. 修包员
C. 天车司机
D. 装料辅助工
6. 为了保障因工作遭受事故伤害或者患职业病的职工获得医疗救治和经济补偿,分散用 人单位的工伤风险,国家制定的《工伤保险条例》,明确了工伤保险基金,工伤认定,
劳动能力鉴定,工伤保险待遇,监督管理等工作要求和相关方的法律责任。根据这个 条例,关于工伤保险基金管理的说法正确的是( )。,
A. 工伤保险费根据以收定支、收支平衡的原则,确定费率
B. 用人单位和职工应当按时缴纳工伤保险费
C. 工伤保险基金逐步实行省级统筹
D. 工伤保险基金应当留有一定比例的储备金,用于投资运营
7. 甲市王某经人介绍前往某建筑公司工作,上班后第二天早上,王某提前到达工地现场, '在准备绑扎钢筋时,被正在实施维修作业的塔吊上掉落的扳手砸伤,致使右臂骨折。
在处理该事故工伤认定过程中,下列做法正确的是( )o
A. 该建筑公司以没有签订劳动合同和没有到上班工作时间为由,不认定为工伤
B. 该建筑公司工会在事故发生1年后发现,公司并未按规定为王某提出工伤认定申请, 随后立即向甲市社会保险行政部门提出工伤认定申请
C. 甲市社会保险行政部门受理王某工伤认定申请,根据该市司法机关和有关行政主管 部门出具的结论,最终作出工伤认定决定,并书面通知王某和该建筑公司
D. 在工伤认定审核过程中,王某妻子坚持认为此事故情形完全符合工伤认定,但该建 筑公司不认为是工伤,并要求王某妻子承担举证责任
8. 57岁的王某在甲市某机械制造企业工作30年,半年前王某在加工零件时发生事故,经
市社会保险行政部门认定为工伤,后经市劳动能力鉴定委员会鉴定为生活部分不能自 理、伤残三级。关于王某因工致残可享受待遇的说法,正确的是( )。
A. 王某可按照甲市前3年年度职工月平均工资的50%按月从工伤保险基金领取生活护 理费
B. 企业要求王某解除劳动关系,退出工作岗位,但王某可从工伤保险基金一次性领取 23个月的本人工资作为伤残补助金
C. 王某可从工伤保险基金按月领取本人工资的80%作为伤残津贴,如领取津贴低于当 地最低工资标准的,由用人单位补足差额
D. 王某达到退休年龄并办理退休手续后,应停发伤残津贴,享受当地基本养老保险待 遇。如基本养老保险待遇低于伤残津贴的,由工伤保险基金补足差额
9. 甲公司工人乙某骑共享单车下班途中,因车座不舒服停在路边弯腰调整车座,正在倒 车的小卡车将乙某碰倒碾压,造成其脾脏破裂。丙交警队认定在这起交通事故中乙某 不承担主要责任。乙某从丁医院伤好出院后,提出工伤认定,甲公司不认为是工伤。 根据《工伤保险条例》,在工伤认定中承担举证责任的是( )o
A.丙交警队. B. 丁医院
C.乙某 D.甲公司
10. 2012年4月甲企业工人赵某借调到乙单位,借调期间骑车上班途中被丙公司的卡车撞
伤,经工伤鉴定为二级伤残。2017年6月丁集团收购了甲企业。应当承担赵某2018 年工伤保险责任的单位是( )o
A. 甲企业
B. 丁集团
C. 乙单位
D. 丙公司
11. 保证安全生产投入是实现安全生产的重要基础。安全生产投入资金由谁保证应根据企
业性质而定,国有企业的安全生产投入资金由( )予以保证。
A. 董事长
B. 总经理
C. 投资人
D. 法人
12. 在新厂房建设项目中,属于安全生产费用使用范畴的是( )o
A. 烟感喷淋消防系统费用
B. 安全验收评价费用
C. 施工设备折旧和维修费
D. 安全教育培训及宣传费用
13. 企业发生事故后,支出的下列费用中不属于安全投入的包括( )。
A. 事故善后处理费用
B. 安全技术培训费用
C. 自动监控系统建设费用
D. 完善现场设备、设施的标志和标识费用
14. [2019年真题】室内作业WBGT指数(湿球黑球温度)中,自然湿球温度权重系数为
0.7,黑球温度权重系数为0.3。甲车间体力劳动强度为II级、接触时间率为75%, WBGT指数限值为29无。某日,甲车间内的自然湿球温度为28Y,黑球温度为 33 cC,在维持劳动强度不变的情况下,甲车间应将员工接触时间率调整为( )o
A. 50% B. 55% .
C. 60% D. 65%
15- [2019年真题】某公司的500 n?焦油贮槽的盘管加热器发生泄漏,操作工甲对焦油贮 槽进行停车、清空和蒸汽吹扫,检修工乙进入焦油贮槽检测并查找泄漏原因。乙进入 贮槽时,应佩戴(.)。
A. 半面罩式防毒面具
B. 长管式空气呼吸器
C. 全面罩式防毒面具
D. 正压式空气呼吸器
单项选择题(每题的备选项中,只有1个最符合题意)
1. 事故应急管理不能局限于事故发生后的应急救援行动,而应做到“预防为主,常备不
懈”,完整的应急管理包括( )阶段。
A. 预防、准备、响应和恢复
B. 策划、准备、响应和评审
C. 策划、响应、恢复和预案管理
D. 预防、响应、恢复和评审
2. 事故应急救援的总目标是通过应急救援行动,尽可能地降低事故的危害,包括人员伤 亡、财产损失和环境破坏等。应急救援工作的首要任务是( )o
A.控制危险源 B.营救受害人员
C.消除危害后果 D.查清事故原因
3. 生产经营单位发生液氨泄漏致人中毒事故后,应急救援的首要任务是抢救中毒人员和
人员疏散,另外一项重要任务是( )。
A. 堵塞液氨泄漏点
B. 冲洗液氨泄漏点
C. 调査液氨泄漏事故原因
D. 检测周围空气中氨的浓度
4. 某新建加油站按照有关规定建立该加油站的生产安全事故应急预案体系,为保证编制
工作顺利进行,成立了以站长为组长的应急预案编制组,按照应急预案编制程序要求, 编制组在应急预案编制工作前应完成的工作是( )。
A. 成立应急预案编制工作组、应急资源调查、应急能力评估、应急演练评估
B, 成立应急预案编制工作组、资料收集、风险评估、应急资源调查
C. 成立应急预案编制工作组、风险评估、应急演练评估、预案格式审查
D, 成立应急预案编制工作组、编制要求培训、资料收集、应急演练评估
5. 某加油站为进一步做好加油站油品泄漏导致人员中毒、窒息等事故的防范,在事故真
正发生时能够有条不紊地开展应急救援工作,最大限度地减少事故对周围环境及人身 造成的损失,提高员工应对风险和防范事故的能力,保证及时有效的实施应急救援, 按照本单位《中毒窒息事故专项应急预案》进行实战演练。下列对于实战演练安排及 实施过程,做法正确的是( )。
A. 演练开始前排放汽油,提高模拟事故真实度
B. 出现真实中毒事件,参演人员要终止演练,参与应急处置
C. 调用所有应急救援人员、车辆、物资参与实战演练
D. 在加油站演练时应采取更加严格的防范措施
6. 在火灾发生初期,作为企业负责人的厂长应优先( )O
A. 保护工厂财物
B. 组织员工疏散
C. 保护员工财物
D. 查找起火原因
7. 厂房一层火灾失控时,对正在五层工作的员工来说,下列做法中,错误的是( )o
A. 在本层负责人的组织下灭火
B. 察看火情,设法逃生
C. 无法立即逃生时,用湿毛巾捂住口鼻,等待救援
D. 逃生时尽量不要直立行走
8. 某焦化企业发生煤尘爆炸事故后要恢复生产,下列事件,不属于企业恢复工作的是
( )o免费资料 老姚注安其他Q群:628721411
A. 进行一次全面的安全生产检査
B. 完善安全生产制度和操作规程
C. 将事故责任人移送司法机关
D. 全面落实事故调查报告中的整改要求
9. 煤矿井下采掘工作面发生机械漏油着火事故,应该釆取的应急措施包括( )。
A. 设法使巷道风流反向
B. 设法加大巷道风速
C. 迅速撤离
D. 向调度室报告火情
10. 油罐内发生火灾时,不能选用的灭火剂是()o
A.直流水 B,泡沫
C.二氧化碳 D.干粉
Il-某公司货轮在港口维修期间发生二氧化碳泄漏事故,导致多人窒息死亡,事后该公司 在应急管理工作应改进的方面包括( )o
A. 加强承包商管理方面
B. 火灾、中毒窒息等事故的应急预案方面
C. 用文件的形式授权集团某副总全权处理矿井火灾事故方面
D. 安全生产责任保险方面
12.当液氨车间发生液氨泄漏事故时,下列拟釆取的应急措施当中错误的是( )o
A. 影响区域内所有人员向安全区域转移
B. 紧急放空液氨储罐
C. 关闭所有液氨管道阀门
D. 喷水稀释泄漏的液氨
单项选择题(每题的备选项中,只有1个最符合题意)
1. 木材厂加工车间内粉尘浓度常年超标。2017年5月21日15时20分,带电电缆接触控
制箱外壳,导致1名员工触电,现场员工情急之下未切断电源就拉扯三芯电缆线,引发 电缆短路打火,发生粉尘爆炸事故。事故造成2人当场死亡、1人重伤。重伤者经8天 抢救无效死亡。事故造成木材加工车间厂房部分坍塌,全厂停产,直接经济损失800余 万元。根据《生产安全事故报告和调查处理条例》,该起事故属于( )。
A. 一般事故
B. 较大事故
C. 重大事故
D. 特别重大事故
2. 由于未能及时控制火势,造成着火铲装车下风侧巷道和工作面的作业人员17人死亡、2
人重伤,直接经济损失9421万元。根据《生产安全事故报告和调查处理条例》,该起 事故等级为( )。
A. 轻微事故 '
B. 一般事故
C. 较大事故
D. 重大事故
3. 根据《生产安全事故报告和调査处理条例》,炼油厂主要负责人在接到此次事故报告
后,应在( )内,将事故信息上报其所在地县级人民政府安全生产监管部门。
A. 1 h B. 2h
C. 24 h D. 7 天
4. 2017年5月,某煤焦化民营企业发生苯蒸气爆炸事故,备煤工崔某一人在事故中遇难。 根据《生产安全事故报告和调查处理条例》,关于该起事故的调查,下列说法中正确的 是()。
A. 由企业所在地县级人民政府国资委组织调查
B. 由企业所在地县级人民政府安全生产监督管理部门组织调査
C. 由企业所在地县级环境部门组织调查
D. 企业工会参与事故调查
5. 供气公司位于N省B市C县工业园区内,发生爆炸事故,共造成3人死亡、4人重伤、 29人轻伤。事故损失包括:受伤人员的医疗费用450万元,受伤人员的歇工工资260 万元,设备设施等固定资产损失3800万元,清理现场的费用120万元,损坏建筑物的 维修费用322万元,粗苯泄漏环境污染的处置费用65万元,补充新职工的培训费用3 万元,善后及丧葬抚恤金1150万元,事故罚款200万元等。根据《生产安全事故报告 和调查处理条例》,负责该起事故调查的应为( )o
A. N省安全生产委员会
B. N省人民政府
C. B市应急管理局
D. B市安全生产委员会
6. 事故调查组的组成人员,不包括( )的人员。
A. 安全生产监督管理部门
B. 监察机关
C. 劳动保障部门
D. 公安机关
7. 在事故调査处理工作中应坚持的原则是( )。
A. 优先保护农民工权益的原则
B. “四不放过”的原则
C. 公正、公开的原则
D. 企业利益至上的原则
8. 某铁矿平巷直竖井动火作业不慎发生火灾,事故造成70人遇难,遇难人员中包括周边
的4座铁矿61名井下作业人员。根据《生产安全事故报告和调查处理条例》,针对该 起事故的调查处理,下列说法中正确的有( )。
A. 可由国务院授权国务院安全生产监督管理部门组织事故调査组进行调查
B. 可由A铁矿所在地省级人民政府授权其所属安全生产监督管理部门组织事故调查组 进行调査
C. 由全国总工会组织调查
D. 事故调查应有铁矿员工代表或铁矿工会参加
9. 下列属于事故间接原因的是( )。
A. 作业人员安全教育不够
B. 事故报告与救援不及时
C. 未按规定参加工伤保险
D. 未按规定办理安全生产行政许可
10. 铜业公司新建釆用艾萨熔炼技术生产铜及硫酸的项目,项目主要工艺设备有艾萨熔炼 炉、电炉、余热锅炉等,余热锅炉设计额定蒸汽压力2.5 MPa、额定蒸发量35 t/h、 额定蒸汽温度350 CCO事故发生时,当班调度甲听到一声巨响,随即在监控系统屏幕 上看到余热锅炉有大量蒸汽喷出。经査,余热锅炉的运行压力2.3 MPa、蒸汽温度 310 Cr)从熔炼炉到余热锅炉的冷却屏波纹金属软管爆裂,大量高温饱和蒸汽喷出, 导致现场人员伤亡。该起事故的直接原因可能是( )o
A. 熔炼炉烟气温度过高
B. 焰炼炉高温烟气压力过高
C. 波纹金属软管质量不合格
D. 现场职工未佩戴劳动防护用品 ’
Il-甲乙二人是某煤矿铲车司机,在井下工作面进行铲装作业,甲的铲车出现故障不能作 业,随机等待乙司机完成作业后驾驶其铲车进行作业。其间发现铲车机油温度过高, 甲将乙的铲车开到斜坡道岔口处熄火降温,随后再次发动铲车时引发大火。导致该起 事故发生的直接原因是( )。
A. 甲的铲车出现故障
B. 甲使用乙的铲车
C. 甲将乙的铲车开到斜坡道岔口处熄火降温
D. 乙的铲车油管漏油,甲再次启动时引燃发动机周围的可燃气体
12. 某钢厂转炉车间设备值班室夜班期间发生煤气泄漏事故,由于报警器没电未能发出警
报,致使值班室两人煤气中毒死亡。该起事故的性质应认定为( )。
A. 责任事故
B. 意外事故
C. 中毒窒息事故
D. 突发事件
13. 某炼铁厂在停产期间进行大修作业,安全科长甲审批动火证后,车间主任乙第二天持 动火证安排操作工丙进行焊接作业,丙按作业任务要求在地坑附近作业,发生爆燃事 故。该起事故认定为责任事故,追究事故相关人员责任。下列责任认定中,错误的是 ()o
A. 丙为直接责任者
B. 丙为主要责任者
C. 甲为领导责任者
D. 乙为间接责任者
14. 某县天然气供气站发生着火爆燃事故,造成1名操作工烧伤、站内储罐供气设施烧毁, 该县政府立即成立事故调查组进行事故调查分析。关于该事故处理的说法,正确的是 ()o
A. 如认定为自然事故,可不追究操作工事故责任,但要对供气站进行行政处罚
B. 如认定为自然事故,应按照爆燃对周围环境影响的后果不同分别给予管理者行政 处分
C. 如认定为责任事故,事故调查组可给予事故责任者纪律处分
D. 如认定为责任事故,应按照责任大小和承担责任的不同追究责任者纪律处分
15. 焦化厂为民营企业,从业人员IoOo人,2009年发生生产安全事故2起、造成2人轻 伤。2009年度百万工时伤害率为( )o
A. 1 B. 2
C. 3 D. 4
16. 公司有员工780人,其中含安全管理人员3人和L劳务公司劳务派遣人员150人。 2017年度,共发生生产安全事故2起,造成1人重伤、2人轻伤,其中,一起事故由
L劳务公司的劳务派遣人员违章造成,导致1名劳务派遣人员轻伤。公司2017年度千 人重伤率为(
A. 1.59 B. 1.28
A. 医疗费用
B. 企业停产损失费用
C. 事故罚款
D. 清理现场费用
18. 根据相关法律、法规,下列应计入事故间接经济损失的是( )。
A. 火灾爆炸中毁损的财产
B. 消防抢险费用
C. 伤员救治费用
D. 周边河流因事故污染治理费用
19. 某铁矿平巷直竖井动火作业不慎发生火灾,事故造成的经济损失有:人员伤亡后所支
出的费用9523万元,善后处理费用3052万元,财产损失1850万元,停产损失580万 元,处理环境污染费用5万元。该起事故的直接经济损失为( )。
A, 8523 万元 B. 12575 万元
C. 14425 万元 D, 15005 万元
20. 下列事故损失中,应列为事故间接经济损失的有( )o
A. 受伤人员的歇工工资260万元
B. 清理现场的费用120万元
C. 粗苯环境污染的处置费用65万元
D. 事故罚款200万元
单项选择题(每题的备选项中,只有1个最符合题意)
1. 某企业对厂内一桥式起重机进行大修。大修结束试运行过程中,一把扳手从桥式起重 机桥架的工艺孔中掉落,正好砸中起重机下方行走的一名员工的头部,致其头部受伤。 根据《企业职工伤亡事故分类》(GB 6441),该起事故的事故类型属于( )o
A. 物体打击
B. 高处坠落
C. 起重伤害
D. 其他伤害
2. 实现机械本质安全有多种方法。例如:①冲压车间使用复合模、多工位连续模进行生
产;②机械设计中齿轮、皮带轮、联轴器均使用防护罩进行防护;③原材料使用无毒 物料代替有毒物料;④面粉厂为工人提供防尘面罩。按照机械本质安全的原则,上面 四种方法优先顺序是( )o
A. ①~~>■②~~>③~~>④
B. ③»■①一>■②一>■④
C. (3)—>φ―>(4)~~>②
D. (4)>(3)~>(2)~~>①
3. 下列措施中,属于实现机械本质安全的是( )0
A. 通过培训,提高人们辨别危险的能力
B. 通过培训,提高避免伤害的能力
C. 减少接触机器危险部件的次数
D. 通过对机器的重新设计,使危险部位更加醒目
4. 安全装置通过自身的结构功能限制或防止机器的某种危险。设置安全装置时不需要考
虑的因素包括( )0
A. 对机器可靠性的影响
B. 强度、刚度、稳定性和耐久性
C. 作业的可视性
D. 消除产生危险的原因
5. 设计安全防护罩必须全面考虑各项技术要求。下列技术要求中,错误的是( )o
A. 只有防护罩闭合后,传动部件才会运转
B. 对于固定安装的防护罩,操作人员身体的任何部位不能触及运动部件
C. 防护罩与运动部件之间有足够的间隙
D.为了便于调整,应安装开启防护罩的按键式机构
6. 某车间机械设备安全防护网采用槽形孔,槽形孔长轴尺寸为30 mm,短轴尺寸为
23 mm,与机械传动装置的安全距离为Iomm。该防护网能够有效防护人体的部位是 ()。
A.手指尖 B.手指
C.手掌 D.上肢
7. 某车间机械设备安全防护网采用圆形孔,圆孔直径为20 mm。该防护网能有效防护人体
各个部位时,其与机械传动装置的安全距离最少应为( )□
A. 20 mm B. 80 mm
C. 120 mm D. 200 mm
8. 机械设计本质安全是在设计阶段采取措施来消除隐患的设计方法。下列关于机械安全
设计的方法中,不属于机械本质安全设计范畴的是( )。
A. 设计安全的控制系统
B. 设计合理的人行通道
C. 设计符合人机工程学的原则
D. 设计安全的传动系统
9. 机械失效安全和定位安全都属于机械本质安全设计的范畴。下列做法中,不属于机械
失效安全设计的是( )o
A. 设计操作限制开关
B. 将机械的危险部位安置到不可触及的地点
C. 预设限制不应该发生的冲击及运动的制动装置
D. 预置预防下落的装置
10. 机器安全防护装置主要用于保护人员免受机械性危险伤害。下列关于机器安全防护装
置的说法中,正确的是( )。
A. 隔离安全装置可以阻止身体任何部位靠近危险区域
B. 自动安全装置仅限在高速运动的机器上使用
C. 跳闸安全装置依赖于敏感的跳闸机构和机器能快速启动
D. 双手控制安全装置可以对操作者和协作人员提供防护
11. 下列关于冷加工车间内通道宽度设置的说法,符合要求的是( )o
A. 人工运输通道宽度为0.7~0.8 m
B. 电瓶车单向行驶通道宽度为1. 5 m
C. 电瓶车对开的通道宽度为3 m
D. 叉车或汽车行驶的通道宽度为2.5 In
12. 下列关于物资堆放的说法中,错误的是( )o
A. 物资的堆放应遵循“重不压轻,大不压小”的原则
B. 物料直接存放在地面上时,堆垛高度不应超过1.4m
C. 当堆垛高度为1.2 m时,底边长应为0.3 m
D. 垛的基础要牢固,不得产生下沉
13. 车间新置一台特大型机床,准备布置于生产车间内,车间内已有一台中型机床,布置
时两台机床间距的最小安全距离是( )。
A. 1.0 m B. 1. 3 m
C. 1.8 m D. 2. 0 m
14. 链轮、齿轮、皮带、连轴结、涡轮、蜗杆等都是常用的机械传动机构。各种机械传动
机构的特点不同。其中,皮带传动的特点是( )。
A. 过载保护能力强
B. 传动精度高
C. 维护不方便
D. 静电危险小
15. 联轴器上裸露的突出部分有可能钩住工人衣服等,对工人造成伤害,因此对于联轴器
的防护措施正确的是( )。
A. 螺钉一般采用盘头螺钉,减少衣物被钩住的可能
B. 根本办法是安装隔离栏栅,防止人员进入危险区域
C. 安装光电感应装置,一旦发现人体进入危险区域则报警并停机
D. 使用Q形防护罩
16. 下列关于防止金属切削机床常见事故的做法中,错误的是( )。
A. 加工细长件时尾部安装托架
B. 将被加工件装卡牢固
C. 应用电压24 V的床头照明灯
D. 戴线手套操作车床
17. 机床运转过程中岀现异常声音,特别是撞击声的出现往往表明机床已经处于比较严重
的不安全状态。下列情况中,能发出撞击声的是( )。
A. 零部件松动脱落
B. 润滑油变质
C. 零部件磨损
D. 负载太大
18. 用砂轮机进行手工磨削工件时,下列各项行为中,操作正确的是( )o
A. 用砂轮的圆周面磨削
B. 用砂轮的侧面磨削
C. 两人两侧同时磨削
D. 操作者站在砂轮的正面
19. 冲压(剪)事故可能发生在机械的各个部位。不属于冲压(剪)作业的主要危险因素 的是()。
A. 操作者使用弹性夹钳送进工件
B. 关键零件磨损、变形导致机器动作失控
C. 控制开关失灵导致机器错误动作
D. 模具缺陷导致意外状态
20. 木工机械刀轴转速高、噪声大,容易发生事故,下列危险、有害因素中,属于木工机
械加工过程危险、有害因素的是( )。
A. 高处坠落
B. 热辐射
C. 粉尘
D. 电离辐射
21. 机械伤害是木工机械作业的常见事故。下列关于造成机械伤害的说法中,错误的是
( )o
A. 手推送料,遇到结疤、弯曲,使手与刀刃接触,刀刃割伤手指
B. 切割完的木料向重心稳定侧运动,导致物料砸伤
C. 木料含水量低、质地均匀,易导致夹锯,出现弹料
D. 经加压处理变直的弯木料在加工过程中发生弹性复原,而导致夹锯,出现弹料
22. 木工平刨刀具主轴转速高,手工送料,工件置不均匀等因素可构成安全隐患。下列关
于木工平刨的设计和操作的说法中,错误的是( )。
A. 应有紧急停机装置 .-
B. 刨削时压力片与刀具刨削点应在同一垂直线上
C. 刨床不带电金属部位应连接保护线
D. 刨削深度不得超过刨床产品规定的数值
23. 下列关于木材加工过程中的安全技术措施的说法中,错误的是( )o
A. 木工机械的刀轴与电器应有安全联控装置
B. 圆锯机上应安设分离刀和活动防护罩
C. 刨床釆用开有小孔的定位垫片降低噪声*
D. 手压平刨刀轴必须使用方刀轴
24. 下列危险有害因素,全部存在于铸造作业中的是( )o !
A. 火灾爆炸、灼烫、机械伤害、尘毒危害、噪声振动、高温和热辐射
B. 火灾爆炸、灼烫、机械伤害、尘毒危害、噪声振动、电离辐射
C-火灾爆炸、灼烫、机械伤害、苯中毒、噪声振动、高温和热辐射
D.粉尘爆炸、灼烫、机械伤害、尘毒危害、噪声振动、电离辐射
25. 铸造作业不同工序中存在诸多不安全因素,下列工序中有爆炸危险的是( )o
A. 浇注
B. 震动落砂
C. 磨砂处理
D. 热处理
26. 下列铸造作业事故的直接原因中,不属于引起尘毒的原因的是( )。
A. 熔化设备的工作
B. 炉料准备作业
C. 配砂作业
D. 落砂清理作业
27. 下列关于铸造作业中的浇注作业的安全措施中,错误的是( )。
A. 浇注前检査浇包、升降机构、自锁机构、抬架是否完好
B. 浇包盛铁水不得超过容积的90%
C. 操作工穿戴好防护用品
D. 现场有人统一指挥
28. 下列有关铸造车间建筑要求的说法中,错误的是•( )。
A. 熔化、浇铸区不得设置任何天窗
B. 铸造车间应建在厂区中不释放有害物质的生产建筑物的下风侧
C. 厂房平面布置在满足产量和工艺流程的前提下应综合考虑建筑结构和防尘等要求
D. 铸造车间除设计有局部通风装置外,还应利用天窗排风或设置屋顶通风器
29. 下列关于锻造生产危险有害因素的说法中,错误的是( )。
A. 噪声、振动、热辐射带来职业危害,但无中毒危险
B. 红热的锻件遇可燃物可能引燃成灾
C. 红热的锻件及飞溅的氧化皮可造成人员烫伤
D. 锻锤撞击、锻件或工具被打飞、模具或冲头打崩可导致人员受伤
30. 下列关于锻造设备安全技术措施的说法中,错误的是( )o
A. 锻压机械的机架和突出部位不得有棱角
B. 蓄力器应有安全阀,安全阀的重锤应位于明处
C. 启动装置的结构和安装应能防止锻造设备意外开启或自动开启
D. 外露的齿轮、摩擦、曲柄、皮带等传动机构有防护罩
3L下列关于锻造机安全要求的说法中,错误的是( )o
A. 安全阀的重锤必须封在带锁的锤盒内
B. 锻压机的机架和突出部分不得有棱角和毛刺
C. 启动装置的结构应能防止锻压机械意外地开动或自动开动
D. 较大型的空气锤或蒸汽-空气自由锤一般是自动操控的
32. 因视觉环境的特点,使作业人员的瞳孔短时间缩小,从而降低视网膜上的照度,导致
视觉模糊,视物不清楚。这种现象称为( )o .
A. 视错觉
B. 眩光效应
C. 明适应
D. 暗适应
33. 紫外线对人的皮肤、眼睛等都会造成伤害。300 mm以下的短波紫外线可引起紫外线眼 炎。导致眼睛剧痛而不能睁眼的最小照射时间范围为( )o
D. 10~12 h
34. 能力标志着人的认识活动在反映外界事物时所达到的水平。下列不属于影响能力的因
素是()。
A. 观察力
B. 注意力
C. 克制力
D. 思维想象力
35. 人的气质特征表现为灵活机智、活泼好动、性格开朗,其行为特征更加倾向 于()。
A. 精力旺盛
B. 轻举妄动
C. 容易相处
D. 难以沟通
36. 我国国家标准综合考虑到作业时间和单项动作能量消耗,应用体力劳动强度指数将体
力劳动强度分为I、U、m, JV四级。体力劳动强度指数为15~20的级别为 (
A, 劳动者连续作业时间过长
B. 劳动者的心理压力过大
C. 作业环境噪声过大
D, 显示器不便观察
38. 造成劳动者疲劳的原因主要来自工作条件和作业者本身两方面的因素。下列情况中,
属于作业者本身因素的是( )。
A. 生产组织不合理
B. 技术熟练程度
C. 机器设备条件差
D. 工作环境照明欠佳
39. 通过对机械设备的危害因素进行全面分析,采用智能设计手段,使机器在整个寿命周
期内发挥预定功能,保证误操作时机器和人身均安全。上述概念较完整地反应了现代 机械安全原理关于机械安全特性中的( )。
A. 系统性
B. 防护性
C. 友善性
D. 整体性
40. 某市市政自来水管网某段流量异常,疑似泄漏,施工人员决定使用故障检测技术探明
管道缺陷位置后再做处理。针对该起事故,应使用( )。
A. 光谱油液分析
B. 红外线监测
C. 超声探伤技术
D.渗透探伤技术
41. 空气相对湿度对人体的热平衡和湿热感有重大作用。一般情况下,人们适宜的相对湿
度范围是( )。
A. 25% -50%
B. 30% -70%
C. 35%-75% '
D. 40%-80%
42. 高温作业对劳动者职业健康产生许多不利影响,应加强预防措施。判断作业场所是否
属于高温作业的主要指标是( )。
A. 温度
B. 相对湿度
C. 绝对湿度
D. WBGT指数
43. 机械化、半机械化和全自动化控制的人机系统的安全性取决于各自系统的特性,其中
对两类系统安全性均有影响的因素是( )o
A. 人机功能分配的合理性
B. 机器的本质安全
C. 人为失误状况
D. 机器闭环系统控制
44. 人机系统的任何活动实质上是信息及能量的传递和交换,人机之间在进行信息及能量 传递和交换中,人在人机系统中的主要功能是( )o
A. 传感功能、记忆功能、操纵功能
B. 传感功能、记忆功能、检测功能
C. 传感功能、信息处理功能、检测功能
D. 传感功能、信息处理功能、操纵功能
45. 下列工作中,不适合机器完成的有(’)。
A. 快速、高可靠性、高精度的工作
B. 单调、操作复杂、简单决策的工作 `
C. 持久、笨重的工作
D. 环境条件差、规律性、输出功率大的工作
46. 一辆具有自动报警装置的小汽车,开始时汽车内仪表板上显示各系统安全正常。运行
一段时间后,汽车内仪表板上发动机机油指示灯发出报警声音,但汽车还能继续行 驶。根据人机系统可靠性设计的基本原则,此项功能设计属于( )原则。
A, 系统的整体可靠性
B. 高可靠性
C. 具有安全系数的设计
D, 人机工程学
47. 人机系统组成串联系统,若人的操作可靠度为0.80,机器设备可靠度为0.90,人机系
统可靠度为( )。
A. 0. 72 B. 0. 80
C. 0.90 D. 0.98
48. 通用机械指广泛用于工农业生产各部门、科研单位、国防建设和生活设施中的机械。
下列属于通用机械的是( )。
A.蒸汽机 B.压实机
C.阀门 D.拖拉机
49. 安全生产月期间,某特大型机械加工厂组织本企业安全管理人员对本企业进行危险源
辨识并编制评估报告。评估报告中关于安全隐患的内容如下:①砂轮机卡盘安装存在 问题,砂轮有飞出伤人的危险;②压力机使用的制动器为带式制动器,可能造成制动 失灵,产生挤压危险;③圆锯机无防护罩,使用过程有割伤的危险;④剪板机车间供 电电缆接头处外皮出现破损,可能导致人员触电。根据评估报告,上述危险有害因素 属于非机械危险的是( )o
A.① B.③•
C.④ D.②
50. 生产操作中,机械设备的运动部分是最危险的部位,尤其是那些操作人员易接触到的 运动的零部件。下列关于机械危险部位及其安全防护措施的说法中,正确的 是()。
A. 对于无凸起部分的光滑转动轴,一般是通过在光轴的暴露部分安装一个松散的、与 轴具有20 mm净距的护套来对其进行防护
B. 当操作人员向牵引辗送入材料时,人们需要靠近这些转辐,其风险较大,一般采用 钳型防护罩进行防护
C. 暴露的齿轮应使用固定式防护罩进行全面的保护,且防护罩内壁应该涂成红色以便 引起人们注意
D. 辐轴交替驱动的辗式输送机应该在驱动轴的上游安装防护罩
51. 皮带传动装置是比较常见的一种传动装置,不管使用何种类型的皮带,皮带传动的危
险出现在皮带接头及皮带进入到皮带轮的部位。下列关于皮带传动装置防护罩的说法 中错误的是( )。
A. 皮带传动装置的防护罩可采用金属骨架的防护网,与皮带的距离不应小于50 mm, 且不应影响机器的运行
B. 皮带传动机构离地面2 m以上,皮带轮中心距之间的距离为2m,应设防护罩
C. 皮带传动机构离地面2 m以下,皮带宽度在15 cm以上,应设防护罩
D. 皮带传动机构离地面2 m以上,皮带回转的速度在9π√min以上,应设防护罩
52. 某企业在年度安全生产总结会上,各车间安全管理人员对2020年本企业发生的事故进 行了讨论,并得出了以下整改方案:张某针对本年度冲压机锤头打崩伤人事故,提出 来年应釆用机械强度更好的锤头,使其满足强度、刚度、抗疲劳性和构件稳定性要求; 王某针对剪板机伤人事故,提出应该增加光电保护装置;董某针对锅炉超压爆炸事故, 提出应在设计阶段在烟道和炉膛处增设防爆门;靳某针对某些触电事故,提出应当在
保证工作的前提下使用安全电源。上述四人的观点不属于本质安全设计措施的 是( )。
A.张某 B.王某 C.董某 D.靳某
53. 安全防护措施是指从人的安全需要出发,采用特定技术手段,防止仅通过本质安全设
计措施不足以减小或充分限制各种危险的安全措施,包括防护装置、保护装置及其他 补充保护措施。下列关于安全防护装置的说法正确的是( )。
A. 防护装置应采用焊接或螺栓固定的方式固定,不使用专用工具将无法打开
B. 在要求通过防护装置观察机器运行的场合,应当提供大小合适开口的观察孔或观 察窗
C. 防护装置应设置在进入危险区唯一的通道上,并满足安全距离的要求
D. 防护装置不会产生任何附加危险
54. 某企业采购一台新的风机用于生产,为保证使用中的安全,同时采购了槽形、方形、 圆形三种开口的防护罩。下列关于防护罩开口与安全距离的说法中,正确的 是()。
A. 开口最宽边长为IOmm的槽形防护罩,为保护手指至指关节部位,安全距离不得 小于80 mm
B. 开口最窄边长为Iomm的槽形防护罩,为保护手指至指关节部位,安全距离不得 小于100 mm
C. 开口边长为IOmm的方形防护罩,为保护手指至指关节部位,安全距离不得小于 25 mm
D. 开口半径为5 mm的圆形防护罩,为保护手指至指关节部位,安全距离不得小于 10 mm
55. 安全信息由文本、文字、标记、信号、符号或图表等组成,以单独或联合使用的形式 向使用者传递信息,用以指导使用者安全、合理、正确地使用机器,警示剩余风险和 可能需要应对的机械危险事件。下列关于安全标志设置的说法中,正确的是( )o
A. 安全标志牌应设置在车间大门等显著位置
B. 多个安全标志在一起设置时,应按警告、禁止、指令、提示类型,先左后右、先上 后下排列
C. 机械设备易发生危险的相应部位,宜设有安全标志
D. 安全标志至少每年检查一次,发现变形、破损、褪色不符合要求时,应及时修整或 更换
56. 厂区主干道是指汽车通行的道路,是保证厂内车辆行驶、人员流动以及消防灭火、救 灾的主要通道;车间安全通道是指为了保证职工通行和安全运送材料、工件而设置的 通道。下列关于厂区通道安全技术要求的说法中,正确的是( )o
A. 道路上部管架和栈桥等,在干道上的净高不得小于4.5m
B. 车间横向主要通道的宽度不应小于1000 mm
C. 厂房大门净宽度应比最大运输件宽度大60Omm,比净高度大30Omm
D. 冷加工车间人工运输通道最窄为0.5 m
57. 某大型跨省集团下设甲、乙、丙、丁四个分公司,为扩大生产,四家企业同时购进不
同类型的机床。现已知甲公司购置的全部是最大外形尺寸为5m的机床;丙公司购买 的全部是最大外形尺寸为H m的机床;丁公司购买的全部是质量为20 t的机床;乙公 司购买的全部是质量为50 t的机床。下列关于四个公司机床布置的说法符合相关安全 技术要求的是( )。
A. 甲公司机床操作面间距为LOm
B. 乙公司机床操作面离墙柱间距2. 0 m
C. 丙公司机床后面、侧面离墙柱间距为0. 8 m
D. 丁公司机床操作面离墙柱间距为L5m
58. 作业现场生产设备应布局合理,各种安全防护装置及设施齐全,符合有关设备的安全
卫生规程要求。下列关于作业现场安全防护技术措施的说法中,正确的是( )。
A. 重型机床高于500 mm的操作平台周围应设高度不低于1200 mm防护栏杆
B. 需登高检査和维修的设备处宜设钢梯;当釆用钢直梯时,钢直梯3m以上部分应设 安全护笼
C. 成垛堆放生产物料应堆垛稳固,堆垛高度不应超过2m,且高与底边长之比不应大 于3
D. 原材料白班存放量应为每班加工量的2. 5倍,夜班存放量应为加工量的L 5倍
59. 砂轮机虽然结构简单,但使用概率高,一旦发生事故,后果严重,砂轮机属于危险性
较大的生产设备。其安全防护的重点是砂轮,砂轮的安全与砂轮装置各组成部分的安 全技术措施直接相关。下列砂轮机各组成部分满足安全技术要求的是( )。
A. 一般用途的砂轮卡盘直径不得小于砂轮直径的1/4
B. 卡盘与砂轮侧面的非接触部分应有不小于2 mm的足够间隙
C. 如果使用砂轮安装轴水平面以下砂轮部分加工时,防护罩开口角度可以增大到125。
D. 当砂轮磨损时,砂轮的圆周表面与防护罩可调护板之间的距离应不大于2 mm
60. 砂轮机是借助砂轮的切削作用,除去工件表面的多余层,使工件结构尺寸和表面质量 达到预定要求的机械设备。下列关于砂轮机使用安全技术要求的说法中,正确的是 ( )0
A. 对于没有标记,无法确认砂轮特性的砂轮,需经过技术人员检验无缺陷后,方可 使用
B. 新砂轮、经第一次修整的砂轮以及发现运转不平衡的砂轮都应做平衡试验 '
C. 应使用砂轮侧面进行磨削作业,不宜使用圆周表面进行磨削
D. 多人共用一台砂轮机同时操作时,应保证每位操作者均站在砂轮的斜前方位置
61. 木工平刨床常见伤害是刨刀切割手事故,防止切割的关键是工作台加工区和刨刀轴的
安全。下列关于木工平刨床刨刀轴安全技术要求的说法中,错误的是( )。
A. 刀轴必须是装配式圆柱形结构,严禁使用方形刀轴
B. 刀轴的驱动装置所有外露旋转件都必须有牢固可靠的防护罩,并在罩上标出单向转 动的明显标志.
C-组装后的刀轴须经强度试验和离心试验,试验后的刀片不得有卷刃、崩刃或显著磨
钝现象
D.组装后的刨刀片径向伸出量不得大于2. 1 mm ■
62. 铸造作为一种金属热加工工艺,将熔融金属浇注、压射或吸入铸型型腔中,待其凝固
后而得到一定形状和性能铸件的方法。下列关于铸造工艺的危险有害因素和安全技术 措施的说法中,正确的是( )。
A. 利用焦炭熔化金属,以及铸型、浇包、砂芯干燥和浇铸过程中都会产生大量一氧化 碳气体
B. 浇包盛铁水不得太满,不得超过容积的75%,以免洒出伤人
C. 造型、落砂、清砂、打磨、切割、焊补等工序宜固定作业工位或场地,以方便釆取
防尘措施 ■
D. 數式破碎机上部直接给料,落差小于2 m时,可只做密闭罩而不排风
63. 张某、王某、董某、靳某为某工厂的四名员工,已知该工厂正常工作时间为8h,张某
每日工作中需要用2 h操作仪器并打字记录;王某每日工作中需要用4 h操作风动工 具;董某每日工作中需要用8 h锤锻工件;靳某每日工作中需要用6 h进行大强度挖掘 工作。根据工作场所不同体力劳动强度WBGT限值,下列说法中正确的是,( )。
A. 张某的体力劳动强度限值为33 tC
B. 王某的体力劳动强度限值为29 Y
C. 董某的体力劳动强度限值为28 Y
D. 靳某的体力劳动强度限值为25 tC
64. 吴某为某肉禽加工企业员工,因感觉自己从事的肉鸡分离工作较为无聊,经常出错。 为使其克服心理疲劳,该工厂推行了一系列措施。下列措施中不能消除疲劳的 是()。
A. 在车间播放音乐克服单调乏味的作业
B. 避免超负荷的体力劳动,合理安排作息时间
C. 改善工作环境,科学地安排环境色彩、环境装饰及作业场所布局
D. 张贴警示标志及罚款措施
65. 铸造作为一种金属热加工工艺,其中涉及的设备包括砂处理设备、造型机、造芯机、
金属冶炼设备等。部分设备在运行过程中会产生的大量的粉尘,若不加以处理易造成 尘肺等职业病。下列关于除尘、通风措施的应用错误的是( )。
A. 炼钢电弧炉的烟气净化设备宜采用干式高效除尘器
B. 当冲天炉粉尘的排放浓度在400~ 600 mg∕m3时,最好利用自然通风和喷淋装置进 行排烟净化
C. 铸造车间除设计有局部通风装置外,还应利用天窗排风或设置屋顶通风器
D. 數式破碎机上部直接给料落差小于Im时,可只做排风而不用密闭罩
66. 人与机械设备在不同的工作上能够发挥各自不同的优势,因此,根据人的特性和机器
的特性安排不同的工作,有助于整体工作效率的提高C)下列关于人机设备优势的对比 中,说法错误的是( )。
A.机器对处理液体、气体和粉状体等比人优越,但处理柔软物体不如人
B. 人不能长期大量储存信息
C. 机器运行的精度高,现代机器能做极高精度的精细工作.
D. 机器在作精细的调整方面,多数情况下不如人手,难作精细的调整
67. 【2021年真题】听觉信号和视觉信号是信号警告的常用形式,视听信号的设计应遵循 安全人机工程学原则。下列听觉信号和视觉信号的设计要求,正确的是( )o
A. 听觉信号强度在接收区内的任何位置应超过有效掩蔽阈值,且不应低于65 dB(A)
B. 视觉信号不应与听觉信号同时使用,以免分散受众注意力
C. 警告和紧急视觉信号的亮度应至少是背景亮度的5倍
D. 紧急视觉信号应为黄色,警告视觉信号应为红色
68. 【2021年真题】金属切削机床作业的主要风险是人员与可运动部件接触造成的机械伤 害。当通过设计不能避免机械伤害时,应采取必要的安全防护措施。下列预防机械伤 害的措施,正确的是( )o
A. 有惯性冲击的机动往复运动部件,应设置可靠的限位装置
B. 有行程距离要求的运动部件,应设置缓冲装置
C. 不允许同时运动的两个运动部件,其控制机构禁止联锁
D. 单向转动的运动部件,应在明显位置标出转动方向
69. 【2021年真题]根据《剪切机械安全规程》(GB 6077),下列剪切设备的双手操作式
安全控制装置设计,错误的是( )。
A. 双手操作式安全控制装置配置一次行程一次停止的机构
B. 只有在双手同时操作两个控制按钮或两个操纵杆时,刀架才能动作
C. 在每一次行程中,只有操作者的双手都离开控制按钮或操纵杆,剪切设备才能再 次启动
D. 双手操作式安全控制装置的两个控制按钮,设置在开关箱(或按钮盒)内,其按 钮的顶端略高于该开关箱(或按钮盒)的表面
70. [2021年真题】锻造是金属压力加工的方法之一,属于机械制造的重要环节。某锻造 工段主要设备有锻锤、压力机、电加热炉、天车等。根据《企业职工伤害事故分类》 (GB 6441),该锻造工段可能发生的伤害事故类别是( )o
A. 机械伤害、其他爆炸、起重伤害、触电、车辆伤害
B. 机械伤害、其他爆炸、起重伤害、灼烫、物体打击
C. 机械伤害、火灾、中毒窒息、灼烫、物体打击
D. 机械伤害、火灾、中毒窒息、触电、车辆伤害
71. 【2020年真题】在人机系统中,人始终处于核心并起主导作用。为避免事故发生,应 研究人的生理和心理特性,疲劳是人生理特性的一种表现形式。下列减轻人疲劳的措 施中,错误的是()。
A. 铸造车间安排白班夜班轮班作业
B. 肉鸡分割车间内播放音乐
C. 机加车间保持合理的温湿度和照度
D. 服装加工车间搭配作业环境色彩
72. 【2020年真题】为预防机械伤害事故发生,应设置必要的安全防护措施。下列机械安
全防护措施中,正确的是( )。
A. 机床的操作平台离地面高度超过50Omm时,应安装防坠落护栏
B. 机床的操作平台周围应设置高度不低于900 mm的防护栏杆
C. 为避免头部受到挤压,冲压机开口最小间距为40Omm
D. 为防止伤害指尖,冲切设备防护装置方形开口的安全距离不大于Iomm
73. 【2020年真题】根据《工贸行业重大生产安全事故隐患判定标准(2017版)》,下列
铸造作业情景中,属于重大事故隐患的是( )。
① 在熔炼炉附近设置员工更衣室
② 砂处理地坑内存在潮湿和积水状况
③ 吊运浇注包的龙门钩横梁、耳轴销未进行定期探伤检査
④ 铸造熔炼炉冷却水系统未配置进出水流量检测报警装置
74. [2019年真题】机械设备安全应考虑机械产品安全和机械使用安全两个阶段,每个阶
段都应采取安全技术措施和安全管理措施消除或减小机械设备风险。下列机械设备安 全措施中,不属于安全技术措施的是(
B. 设计时避免出现锐边、尖角
C. 机械产品材料具有抗腐蚀功能
D. 制定机械设备安全操作规程
75. [2019年真题】实现本质安全,是预防机械伤害事故的治本之策。下列机械安全措施
中,不属于机械本质安全措施的是( )O
A.避免材料毒性 B.事故急停装置
C.采用安全电源 D.机器的稳定性
单项选择题(每题的备选项中,只有]个最符合题意)
1. 人触电时,可能同时遭到电击和电伤。电伤的主要表现为( )o
A. 致命电流小
B. 主要伤害人的皮肤和肌肉
C. 受伤害的严重程度与电流的种类有关
D. 受伤害程度与电流的大小有关
2. 属于直接接触电击的是( )。
A. 电风扇漏电,有人碰到电风扇金属罩而遭到电击
B. 有人把照明灯电线挂在金属护栏上,电线绝缘层磨破,碰到护栏而遭到电击
C. 一名男子沿高压线路铁塔向上攀爬,过分接近高压线导致放电电击
D. 起重机漏电,挂钩工人遭到电击
3. 大风刮断IOkV架空线。村民急忙向麦秸垛跑去,两人跑到断落导线附近时双双倒地。
下列关于该事故原因的说法中,正确的是( )。
A. 10 kV高压线断线落地造成,属于高压电击造成触电
B. 两名村民直接跑过去造成,属于直接接触电击造成的触电
C. 两名村民跑过去形成了跨步电压,属于跨步电压电击造成的触电
D. 两名村民跑过去没有触碰到IokV断线摔倒,属于间接接触电击造成的触电
4. 下列关于电流伤害的说法中,错误的有( )。
A. 不到10 A的电流也可能造成灼伤
B. 电弧烧伤也可能发生在低压系统
C. 短路时开启式焰断器熔断,炽热的金属微粒飞溅出来不至于造成灼伤
D. 电光性眼炎表现为角膜炎、结膜炎
5. 下列关于电击和电伤的描述错误的是( )
A. 无论大小电流均可造成电击或电伤
B. 无论高压、低压配电系统均可造成电击或电伤
C. 无论电击或电伤严重时均可危及生命
D. 电伤是电流通过人体,刺激人体组织,严重时对心、肺、神经系统等所造成的伤害
6. 所有电气装置都必须具备防止电气伤害的直接接触防护和间接接触防护。下列防护措
施中,属于防止直接接触电击的防护措施是( )O
A. 利用避雷器防止雷电伤害
B. 利用绝缘体对带电体进行封闭和隔离
C. TT系统
D. TN系统
7. 下列几种仪表中,可用于测量绝缘电阻的仪表是( )。
A. 兆欧表
B. 数字式万用表
C. 模拟式万用表
D. 接地电阻测量仪
8. 某工厂从外部电网将电源接入现场动力柜,电网未接地,现场电气设备外壳通过低电
阻接地。上述系统属于( )。
A. IT系统 B. IN系统
C. Tr系统 D. TN系统
9. 厂内低压配电的场所及民用楼房应使用( )。
A. IT系统
B. TT系统
C. TN-C系统
D. TN-C-S 系统
10. 下列关于IT、TT、TN三种系统的说法中,正确的是( )。
A. Tr系统能够将故障电压限制在安全范围内,但漏电状态并未消失
B. TT系统必须装设剩余电流的动作保护装置或过电流保护装置
C. IT系统能够将故障设备的电源断开,消除触电危险
D. TN系统能够将漏电设备上的故障电压降低到安全范围内
11. 保护接零的安全原理是当电气设备漏电时形成单相短路,促使线路上的短路保护元件
迅速动作,切断漏电设备的电源。因此,保护零线必须有足够的截面。当相线截面为 IOmrn2时,保护零线的截面不应小于( )。
A. 2. 5 mm2 B. 4 mm2
C. 6 mm2 D. 10 mm2
12. 电气设备的防触电保护对附加安全措施的装接要求不同。设备外壳上没有接地端子, 自设备内部有接地端子引出的专用的保护芯线的带有保护插头的电源线,该设备属于 ( )。
A. 0类设备
B. [类设备
C. II类设备
D. HI类设备
13. 双重绝缘和加强绝缘典型结构有:工作绝缘、保护绝缘、双重绝缘和加强绝缘。其中
位于带电体与不可触及金属件之间,用以保证电气设备正常工作和防止触电的基本绝 缘是( )。
A. 工作绝缘
B. 保护绝缘
C. 双重绝缘
D. 加强绝缘
14. 安全电压确定值的选用要根据使用环境和使用方式等因素确定。对于金属容器内、特
别潮湿处等特别危险环境中使用的手持照明灯采用的安全电压是( )o
A. 12 V B. 24 V
C. 36 V D. 42 V
15. 下列关于剩余电流动作保护装置功能的说法中,错误的是( )。
A. 剩余电流动作保护装置的主要功能是预防间接接触电击保护,也可作为直接接触电 击的补充保护
B. 剩余电流动作保护装置的保护功能包括对相与相、相与N线局部形成的直接接触电 击事故,的防护
C. 间接接触电击事故防护时需要依赖剩余电流动作保护装置的动作来切断电源,实现 保护
D. 剩余电流动作保护装置用于间接接触电击事故防护时,应与电网的系统接地形式相 配合
16. 正常运行与操作时,不会在空气中产生电火花的有( )。
A. 节能灯
B. 控制按钮
C. 插座
D. 接触器
17. 电缆火灾的常见起因不包含( )。
A. 电缆接头的中间接头因压接不紧、焊接不良和接头材料选择不当,导致运行中发热
B. 电缆绝缘损坏导致绝缘击穿发生电弧
C. 电缆头故障使绝缘物自燃
D. 局部放电引起的电缆过热
18. 爆炸危险物质分成三类。下列物质中,不属于ΠI类爆炸危险物质的有( )。
A. 爆炸性粉尘
B. 矿井甲烷(CH4)
C. 爆炸性纤维
D. 爆炸性飞絮
19. 不同爆炸危险环境应选用相应等级的防爆设备,不属于爆炸危险场所分级主要依据的 是()。
A. 爆炸危险物出现的频繁程度
B. 爆炸危险物出现的持续时间
C. 爆炸危险物释放源的等级
D. 电气设备的防爆等级
20. 下列关于雷电的破坏性说法中,错误的是( )。
A.直击雷具有机械效应、热效应
B. 闪电雷应不会在金属管道上产生雷电波
C. 雷电劈裂树木系雷电流使树木中的气体急剧膨胀或水汽化所导致
D. 雷击时电视和通信受到干扰,源于雷击产生的静电场突变和电磁辐射
21. 雷电具有雷电流幅值大、雷电流陡度大、冲击性强、冲击过电压高等特点。下列关于
雷电破坏作用的说法中,正确的是( )O
A. 破坏电力设备的绝缘
B. 引起电气设备过负荷
C. 造成电力系统过负荷
D. 引起电动机转速异常
22. 下列雷电造成的破坏现象中,属于热性质破坏作业的是( )o
A. 破坏高压输电系统,毁坏发电机、变压器、断路器等电气设备的绝缘
B. 二次放电的火花引起火灾或爆炸
C. 巨大的雷电流通过被击物时,在被击物缝隙中的气体剧烈膨胀,缝隙中的水分也急 剧蒸发气化,致使被击物破坏或爆炸
D. 巨大的雷电流通过导体烧毁导体,使金属熔化、飞溅,引起火灾或爆炸
23. 下列建筑物中,属于第二类防雷建筑物的是( )o
A.汽油提炼车间
B-国家特级和甲级大型体育馆
C. 省级重点文物保护的建筑物
D. 火药制造车间
24. 有一种防雷装置,当雷电冲击波到来时,该装置被击穿,将雷电流引入大地,而在雷
电冲击过去后,该装置自动恢复绝缘状态,这种装置是( )o •
A. 接闪器
B. 接地装置
C. 避雷针 '
D. 避雷器
25. 下列关于安装防雷装置的说法中,错误的是( )o
A. 阀型避雷器上端接驳在架空线路上,下端接地
B. 第一类防雷建筑的防护直击雷的接闪杆可设置在建筑物上
C. 第一类防雷建筑应釆取防闪电感应的防护措施
D. 第一类、第二类、第三类防雷建筑物均应采取闪电电流侵入的防护措施
26. 下列关于静电危害的说法中,正确的是( )。
A. 静电能量极大,可能会直接导致人死亡
B. 在某些生产过程中,静电的物理现象会妨碍生产,导致产品质量不良
C. 静电刺激会使人产生恐惧心理,但不会影响工作效率
D. 静电会产生过量的辐射,可引起中枢神经系统的机能障碍
27. 下列关于静电防护措施的说法中,正确的是( )。
A.减少氧化剂含量,混合气体中含氧量不超过10%时即不会引起燃烧
B. 油罐装油时,对于电导率低于50 pS∕m的液体石油产品,最大速度不应大于10 m/s
C. 车间的氧气等管道必须连成一个整体,应予以接地
D. 在静电危险场所,穿脱衣物时应主要防止静电危害,并避免剧烈的身体运动
28. 下列关于由电气装置故障造成危害的说法中,正确的是( )。
A. 电气装置故障导致异常接地,使电位升高
B. 电气装置故障产生的危险温度、电火花、电弧等可能引起火灾和爆炸
C. 电气设备受电磁干扰影响通信质量
D. 控制系统硬件或软件的偶然失效造成大面积停电
29. 按照发生电击时电气设备的状态,电击分为直接接触电击和间接接触电击。下列情景
中,关于直接接触电击和间接接触电击的说法中,正确的是( )。
A. 张某在断电时修理配电柜,后因意外合闸送电,张某误触配电柜外壳导致的电击属 于间接接触电击
B. 王某在电焊车间检修时被绊倒,摔至裸导线上发生的电击属于间接接触电击
C. 董某在带电抢修时,因绝缘服划破发生的电击属于间接接触电击
D. 吴某洗手后未擦干,手持电吹风插头绝缘部分插插座时,发生的电击属于直接接触 电击
30. 2019年10月,某地一高压输电线路塔因雷击导致两根相线脱落,张某和李某下班回
家的途中经过此地发生了触电事故。按照人体触及带电体的方式和电流流过人体的途 径,二人最有可能发生的电击是( )。
A. 单线电击
B, 两线电击
C. 高压电击
D, 跨步电压电击
31. 按照电流转换成作用于人体的能量的不同形式,电伤分为电弧烧伤、电流灼伤、皮肤
金属化、电烙印、电气机械性伤害、电光眼等类别。下列关于电伤情景及电伤类别的 说法,正确的有( )。
A. 吴某在维修时发生手部触电,因强烈反应导致手臂碰触机床发生手臂断裂,属于电 气机械性伤害
B. 李某在维修时发生相间短路,产生的弧光造成金属熔化、飞溅到皮肤上造成皮肤伤 害属于皮肤金属化
C. 刘某在维修时发生手部触电,手接触的部位留下的永久性瘢痕,属于电流灼伤
D. 赵某在维修时发生弧光放电时,造成手臂大面积、大深度的烧伤属电弧烧伤
32. 电流对人体的作用事先没有任何预兆,伤害往往发生在瞬息之间,而且,人体一旦遭 到电击后,防卫能力迅速降低。下列关于电流对人体作用的说法中,正确的 是()。
A. 小电流对人体的作用主要表现为生物学效应,给人以不同程度的刺激,一般不会使 人体组织发生变异
B. 数十至数百毫安的小电流通过人体短时间使人致命的最危险的原因是引起心室纤维
性颤动
C. 发生心室纤维性颤动时,心脏每分钟颤动IOO次以上,但幅值很小,而且没有规则
D. 电流的瞬时作用引起的心室纤维性颤动,使人体呼吸立即停止
33. 绝缘材料有电性能、热性能、力学性能、化学性能、吸潮性能、抗生物性能等多项性
能指标。下列关于绝缘材料电性能说法中,正确的是( )。
A. 绝缘材料电性能包括绝缘电阻、耐压强度、泄漏电流和电阻率
B. 介电常数越大,极化过程越快
C. 绝缘电阻为交流电阻,是判断绝缘质量最基本、最简易的指标
D. 介电常数是表明绝缘极化特征的性能参数
34. 当施加于绝缘材料上的电场强度高于临界值时,绝缘材料发生破裂或分解,电流急剧
增加,完全失去绝缘性能,这种现象就是绝缘击穿。下列关于不同介质的击穿特性说 法正确的是( )。
A. 气体击穿后绝缘性能会很快恢复
B. 液体绝缘击穿后,将失去其原有性能
C. 热击穿电压作用时间较短,而击穿电压较高
D. 电击穿的作用时间短、击穿电压低
35. 接地保护和接零保护都是防止间接接触电击的基本技术措施,则关于下图中所表示的
系统的说法,正确的是( )。
 
A. 该系统一般情况下,可以将漏电设备对地电压限制在某一安全范围
B. 在该系统中,对于配电线路或仅供给固定式电气设备的线路,故障持续时间不宜超 过 0.2 s
C. 该系统主要适用于无爆炸危险、火灾危险性不大、用电设备较少、用电线路简单且 安全条件较好的场所
D. 该系统原理为设备外壳带电时,短路电流促使线路上的短路保护迅速动作,从而将 故障部分断开电源,消除电击危险
36.手持电动工具包括手电钻、手砂轮、冲击电钻、电锤、手电锯等工具。移动式设备包 括蛙夯、振捣器、水磨石磨平机等电气设备。按照触电防护方式,下列关于电气设备 的分类及特性的说法,正确的是( )o
A. 仅仅依靠基本绝缘来防止触电的设备属于0类设备,外壳应由绝缘材料制成,外壳 与其内部带电部件之间由基本绝缘隔开
B. I类设备是依靠基本绝缘来防止触电的,也可以有II类结构或HI类结构的部件
C. II类设备除依靠基本绝缘外,还有一个附加的安全措施,可以有I类结构或DI类结
构的部件
D. II类设备具有双重绝缘和加强绝缘的结构,II类设备不得有DI类结构的部件
37.某生产经营单位为实现“生产安全两手抓”的战略方针,聘请有资质的安全评价机 构,对本单位储存汽油的固定式储罐进行安全评价,以便划分危险区域,并釆取对应 的安全技术措施。根据《爆炸危险环境电力装置设计规范》,如图所示,箭头处为 ( )□
 
C. 2 区 D. 21 区^
38. 高压开关作为变、配电站的主要电气设备,在接通断开电源方面有重要作用,高压开
关根据性能不同划分为断路器、负荷开关、隔离开关等。下列关于高压开关的性能应 用和安全要点的要求,说法正确的是( )。
A. 高压断路器无灭弧装置,不能在正常情况下接通和分断负荷电流
B. 隔离开关可对负荷电流直接进行操作,切断电路时必须先拉开隔离开关,后拉开断 路器
C. 高压断路器必须与高压隔离开关或隔离插头串联使用,由断路器接通和分断电流, 由隔离开关或隔离插头隔断电源
D. 高压负荷开关必须串联有高压断路器,由断路器切断短路电流
39. 屏护是采用护罩、护盖、栅栏、箱体、遮栏等将带电体同外界隔绝开来,既能防止无 意识,也能防止有意识触及或过分接近带电体。下列有关屏护装置的说法中,错误的 是()。
A. 栅栏高度不应小于1. 7 m,下部边缘离地面高度不应大于0. 1 m
B. 户内遮栏高度不应小于1. 2 m,户外遮栏不应小于L 5 m
C. 对于低压设备,遮栏与裸导体的距离不应小于0.5 m
D. 对于低压设备,遮栏栏条间距不应小于0.2 m
40. -TN系统分为TN-S、TN-C-Sa TN-C Ξ种方式。下列最适宜用于厂内设有总变电站,
厂内低压配电的场所及非生产性楼房的是( )o
 
 
 
 
41. 接地保护和接零保护都是防止间接接触电击的基本技术措施,这两种技术措施还与低
压系统的防火性能有关。下列有关防触电保护系统的说法正确的是( )。
A. IT系统在380 V不接地低压配电网中,一般要求保护接地电阻ΛE⅛4∩
B. Tr系统中,设备外壳采取了接地措施
C. 在TN系统中,当设备某相带电体碰连设备外壳时,断路保护迅速动作,从而将故 障部分断开电源,消除电击危险
D. 在TN系统中,一般情况下是比较容易将漏电设备对地电压限制在某一安全范围的
42. 某施工现场为保证施工用电安全,配电防护系统采用TN系统。在TN系统中,对于不 同线路的故障持续时间的要求各不相同。下列对线路故障持续时间的要求中,错误的 有()。
A. 配电线路故障持续时间不宜超过5 s
B. 仅给固定式电气设备的线路故障持续时间不宜超过5 s
C. 对于供给手持式电动工具的线路,电压380 V者故障持续时间不宜超过0.1 s
D. 对于供给移动式电气设备的线路,电压220 V者故障持续时间不宜超过0.4 s
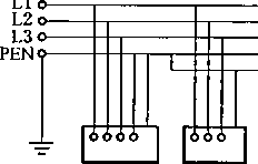
43. 为满足导电能力、热稳定性、力学稳定性、耐化学腐蚀的要求,保护导体必须有足够 的截面积,下列有关保护零线及PEN线截面积的说法正确的是( )o
A. 采用单芯绝缘导线作保护零线时,没有机械防护的截面积不得小于6mm2
B. 釆用单芯绝缘导线作保护零线时,有机械防护的截面积不得小于3 mm2
C. 铜制PEN线截面积不得小于4 mm2
D. 铝制PEN线截面积不得小于16 mm2
44. 某地一企业因保护零线缺失,生产过程中存在较大安全生产隐患,后经有关部门检査
发现后责令增设相线材料一样的保护零线。经过测量得知相线截面积为16 mm?,下列 符合该企业保护零线最小截面积安全要求的是( )o
A. 36 mm2 B. 18 mm2
C. 16 mm2 D. 12 mm2
45. 接地体分为自然接地体和人工接地体。下列有关接地体安全技术要求的说法中,正确
的是( )。 ..
A. 当变电所的自然接地体符合要求时,可不敷设人工接地体
B. 线路杆塔至少应有两根导体在不同地点与接地网相连
C. 在利用自然接地体的情况下,应考虑到自然接地体拆装或检修时,接地体被断开, 断口处出现的电位差及接地电阻发生变化的可能性
D. 埋设在地下的天然气管道或与大地有可靠连接的建筑物的金属结构等自然导体均可
用作自然接地体
46. 为了保证电气设备的安全,运行中电气设备的接地装置应当始终保持在良好状态,接
地装置是接地体和接地线的总称。下列有关接地线和接地装置安装的说法中,正确的 是( )。
A. 为减少自然因素影响,在农田地带接地体上端离地面深度不应小于0.6 m
B. 接地体应当避开人行道和建筑物出入口附近
C. 接地体的引出导体应引出地面0.3 m以上
D. 接地体离独立避雷针接地体的地下水平距离不得小于1 m
47. 为保证接地装置安全可靠,接地装置应尽量避免敷设在腐蚀性较强的地带。下列有关
接地装置连接安全技术要求的说法中,错误的是( )。
A. 接地装置地下部分的连接应采用焊接,并应采用搭焊,不得有虚焊
B. 接地线与管道的连接可采用螺纹连接或抱箍螺纹连接,但必须釆用镀锌件,以防止 锈蚀
C. 在有振动的地方,应釆取防松措施
D. 不得利用建筑物的钢结构、起重机轨道等作接地线
48. 良好的绝缘对于保证电气设备与线路的安全运行,防止人身触电事故的发生是最基本 的和最可靠的手段,双重绝缘是强化的绝缘结构。下列关于双重绝缘的说法正确的是 ()o
A, 双重绝缘属于防止直接接触电击的安全技术措施
B, 具有双重绝缘的是皿类设备
C. 凡属双重绝缘的设备,不得再行接地或接零
D. 加强绝缘的绝缘电阻不得低于10 M∩
49. 根据欧姆定律,把加在人身上的电压限制在某一范围内,使得在这种电压下,通过人
体的电流不超过特定的允许范围,这一电压就叫作安全电压。下列关于安全电压应用 的说法中,正确的是( )。
A. 特别危险的环境使用手持电动工具应采用36 V安全电压的∏I类工具
B. 凡有电击危险环境使用的手持照明灯和局部照明灯应采用36 V安全电压
C. 金属容器内以及周围有大面积接地导体等工作地点狭窄、行动不便的环境应采用 12 V安全电压
D. 当电气设备采用24 V以上安全电压时,可不釆取直接接触电击的防护措施
50. 漏电保护装置主要用于防止间接接触电击和直接接触电击,也可用于防止漏电火灾,
以及用于监测一相接地故障。下列关于漏电保护装置的说法错误的是( )。
A.属于II类的移动式电气设备及手持式电动工具必须安装漏电保护装置
B-安装在水中的供电线路和设备必须安装漏电保护装置
C. 使用特低电压供电的电气设备可不漏电保护装置
D. 一般环境条件下使用的具有双重绝缘的电气设备可不安装漏电保护装置
51-电气设备稳定运行时,其最高温度和最高温升都不会超过允许范围,一旦出现故障, 电气设备的发热量增加,温度增高会产生危险温度。下列关于电气装置故障产生危险
温度的说法中,正确的是( )。
A. 对于恒定功率负载的电气设备,当电压过低时电磁铁吸合不牢,会造成设备无法启 动,不会产生危险温度
B. 漏电电流沿线路均匀分布时,可能引起全线发热,产生危险温度,甚至产生火灾 事故
C. 电动机被卡死或轴承损坏、缺油,造成堵转或负载转矩过大,都将产生危险温度
D. 由于涡流损耗和磁滞损耗减少将造成铁芯过热并产生危险温度
52. 作为火灾和爆炸的电气引燃源,电气设备及装置在运行中产生的危险温度、电火花和 电弧是电气爆炸的原因。下列情形中,一般不会产生危险温度的是( )o
A. 电源线路短路
B. 电气接头接触不良
C. 漏电电流沿线路均匀分布
D. 电动机电压过低
53. 爆炸性混合物就是一经点燃,燃烧能在整个范围内传播的混合物。能与空气形成爆炸
性混合物的爆炸危险物质分为三类。下列关于危险物质分类的说法中,正确的 是( )。
A. 矿井甲烷属于HI类爆炸危险物质
B. 爆炸性蒸气属于II类爆炸危险物质
C. 爆炸性气体属于I类爆炸危险物质
D. 爆炸性粉尘属于II类爆炸危险物质
54. 某纺织企业在安全生产月期间对本企业的除尘车间进行检查,及时发现了部分安全隐
患并立即采取相应整改措施。本次整改结束后,安全管理人员张某提出,应根据爆炸 性粉尘特性,确定爆炸性粉尘环境范围,以便管理。根据相应划分标准,旋风除尘器 内部的区域应划为( )。
A. 0区 B. 1区
C. 20 区■ D. 22 区
55. 释放源是划分爆炸危险区域的基础,通风情况是划分爆炸危险区域的重要因素,因
此,划分爆炸危险区域时应综合考虑释放源和通风条件。关于爆炸危险区域划分原则 的说法,正确的是( )。
A. 良好的通风标志是混合物中危险物质的浓度被稀释到爆炸下限的1/5以下
B. 存在连续释放源的区域可划分为2区
C. 在障碍物、凹坑和死角处,应全面提高爆炸危险区域等级
D. 利用堤或墙等障碍物,限制比空气重的爆炸性气体混合物的扩散,可缩小爆炸危险 区域的范围
56. 防爆电气设备的参数包含型式、等级、类别和组别,其应设置在设备外部主体部分的 明显地方,且应在设备安装后能清楚看到。标志“Exp me T120r Db IP65"的正确 含义是( )o
A.正压型“p",保护级别为Db,用于IlIC类导电性粉尘的爆炸性气体环境的防爆电气
设备,其最高表面温度低于120 tC ,外壳防护等级为IP65
B. 增安型“p”,保护级别为ΠIC,用于Db类导电性粉尘的爆炸性气体环境的防爆电气 设备,其最高表面温度低于120 OC ,外壳防护等级为IP65
C. 正压型“p”,保护级别为Db,用于Iile类导电性粉尘的爆炸性粉尘环境的防爆电气 设备,其最高表面温度低于120 Y ,外壳防护等级为IP65
D. 正压型“P”,保护级别为me,用于Db类导电性粉尘的爆炸性粉尘环境的防爆电气 设备,其最高表面温度低于120 OC ,外壳防护等级为IP65
57. 防爆电气设备有隔爆型、油浸型和本质安全型等各种类型,采取不同的形式和标志来
区分。某防爆电气设备上有“Ex d ∏B T3 Gb”标志。关于该标志的说法正确的是 ( )o
A. 该设备为隔爆型,用于IIB类T3组爆炸性气体环境,保护级别Gb
B. 该设备为本质安全型,用于IIB类T3组爆炸性粉尘环境,保护级别Gb
C. 该设备为油浸型,用于Gb类T3组爆炸性气体环境,保护级别IIB -
D. 该设备为本质安全型,用于Gb类T3组爆炸性粉尘环境,保护级别∏ B
58. 为保护使用者与设备的安全,电气线路宜在爆炸危险性较小的环境或远离释放源的地 方敷设,下列关于电气线路敷设安全要求的说法中,错误的是( )o
A. 当可燃物质比空气轻时,电气线路宜在较高处敷设或直接埋地
B. 电气线路宜在有爆炸危险的建、构筑物的墙外敷设
C. 架空电力线路严禁跨越爆炸性气体环境,架空线路与爆炸性气体环境的水平距离, 不应小于杆塔高度的1. 5倍
D. 在1区内电缆线路严禁有中间接头
59. 为防止爆炸事故的发生,在爆炸危险场所广泛采取防爆电气设备,下列关于电气防火
防爆技术措施说法正确的是( )。
A. 在危险空间充填纯净空气,防止形成爆炸混合物
B. 室内电压IOkV以上、总油量60 kg以下的充油设备应安装在单独的防爆间隔内
C. 毗连变、配电室的门、窗应向外开,通向无爆炸或火灾危险的环境
D. 为避免大面积触电,在有爆炸危险环境中的设备的金属部分、金属管道以及建筑物 的金属结构必须分开接地
60. 建筑物按其火灾和爆炸的危险性、人身伤亡的危险性、政治经济价值分为三类。下列
关于三类防雷建筑物分类的说法中,正确的是( )。
A. 储存火药且爆炸会产生巨大破坏的库房属于第一类防雷建筑物
B. 国家级计算机中心属于第一类防雷建筑物
C. 有爆炸危险的露天汽油储罐属于第一类防雷建筑物
D. 省级档案馆属于第二类防雷建筑物
61. 防雷装置包括外部防雷装置和内部防雷装置,外部防雷装置由接闪器、引下线和接地
装置组成。下列关于防雷装置的说法中,正确的是( )。
A. 建筑物的金属屋面可作为第一类工业建筑物的接闪器
B. 避雷器应装在被保护设施的引出端
C. 除独立避雷针外,在接地电阻满足要求的前提下,防雷接地装置可以和其他接地装 置共用
D, 不太重要的第三类建筑物冲击接地电阻可放宽至50 Q
62. 静电最为严重的伤害是引起爆炸和火灾,因此,静电安全防护主要是对爆炸和火灾的
防护,这对防止静电电击和防止静电影响生产也是有效的。下列有关静电防护的说法 中,错误的是( )。
A. 可通过控制炷类燃油流速的措施,限制和避免静电的产生
B. 接地的主要作用就是消除导体上的静电
C. 静电消除器主要用来消除导体上的静电
D. 增湿消除静电的方法不宜用于消除高温绝缘体上的静电
63. 工艺过程中产生的静电可能引起爆炸和火灾,也可能给人以电击。其中,爆炸或火灾
是最大的危害和危险。下列关于静电危害的说法中,正确的是( )。
A. 静电电压虽然很低,但因其能量很大而容易发生放电
B. 带静电的人体接近接地导体或其他导体时,可能发生火花放电,导致爆炸或火灾
C. 当生产工艺过程中积累的静电足够多时,静电电击会使人致命
D. 生产过程中产生的静电,一般不会妨碍生产但可能降低产品质量
64. 电机和低压电器的外壳防护包括两种防护,防护等级用“IP+数字+数字”表示。下列
对电气设备防护等级的描述中错误的是( )。
A. “IP43”表示“防止直径大于Imm固体异物进入壳内,防淋水”
B. “IP34”表示“防止直径大于2.5 mm固体异物进入壳内,防溅水”
C. “IP25”表示“防止直径大于12. 5 mm的固体异物进入壳内,防喷水”
D. “IP66”表示“防止灰尘进入达到影响产品正常运行的程度,浸入规定压力的水中 经规定时间后外壳进水量不致达有害程度”
65. 绝缘电阻是电气设备最基本的性能指标。绝缘电阻是兆欧级的电阻,要求在较高的电
压下进行测量,现场应用兆欧表测量绝缘电阻。下列关于兆欧表使用注意事项的说法 中,正确的是( )。
A. 测量连接导线不得采用单股绝缘线
B. 对于有较大电容的设备,停电后还必须充分放电
C. 使用指针式兆欧表摇把的转速应由快至慢,直至转速稳定
D. 测量应尽可能在设备刚开始运转时进行
66. 【2021年真题】接地装置是接地体(极)和接地线的总称,是防止间接接触电击的安
全技术措施。电气设备的接地装置应当始终保持在良好状态。下列接地装置接地线连 接方式的说法,正确的是( )。
A. 交流电气设备不得采用自然导体作接地线
B. 管道保温层的金属外皮及电缆的金属保护层可用作接地线
C. 接地线与建筑物伸缩缝交叉时,应弯成弧状或另加补偿连接件
D. 接地装置地下部分的连接应釆用螺纹连接
67. [2021年真题】爆炸危险环境使用的电气线路,应避免产生火花、电弧或危险温度等
火灾爆炸事故的点火源。下列电气线路敷设方式,正确的是( )o
A. 在爆炸性气体环境中,钢管配线的电气线路应做好隔离密封
B. 爆炸危险环境敷设电气线路的导管,在穿过不同区域之间墙体时,可采用聚氨酯 ■泡沫材料严密封堵
C. 当爆炸危险环境中可燃气体比空气重时,电气线路宜在地面敷设
D. 爆炸危险环境中,钢管配线应采用有护套的绝缘单芯或多芯导线
68. 【2021年真题】带电积云是构成雷电的基本条件,不同电荷的带电积云互相接近到一
定程度,会产生雷电。雷电种类及特征参数是设计防雷技术措施的依据。下列雷电种 类及特征参数的说法,正确的是( )。
A. 雷电流的最大值可达数万千安
B. 雷电流冲击波波头陡度可达100 kA∕μs
C. 直击雷冲击的过电压可达数千千伏
D. 感应雷的过电压一般不超过50 kV
69. 【2021年真题】2020年8月31日14时,某公司员工李某发现生产车间水泵故障,水
泵电机停止转动。李某在未断开电源徒手触摸电机外壳时发生了触电事故。事故调查 专家现场检测发现:事故水泵电机两相绕组之间的电阻值为零、绕组与电机外壳之间 的电阻值为零。造成该起事故的直接原因是( )。
A,电动机电源缺相 B.电动机轴承损坏
C.电动机绝缘击穿 D.电动机转子“扫膛”
70. [2021年真题】安全检测是保障安全生产的重要手段,常用的电气安全检测仪器包括 绝缘电阻测量仪、接地电阻测量仪、红外测温仪、可燃气体检测仪等。下列使用安全 检测仪器进行测量的说法,正确的是( )o
A. 使用红外测温仪测量时,测量区域应小于被测目标的范围
B. 使用兆欧表测量时,连接导线应采用双股绝缘导线
C. 使用接地电阻测量仪测量时,电极间的连接线应与邻近高压架空线路平行
D. 使用可燃气体检测仪测量时,报警浓度应设置为可燃气体爆炸下限的30% (V/V)
71. 【2020年真题】员工甲擅自登上正在进行特高压试验的列车顶部,当走到受电弓处,
弯腰穿越输电线路时,线路放电导致其触电受伤。甲受到的触电伤害方式是( )。
A.单线电击 B.两线电击
C.电流灼伤 D.电弧烧伤
72. 【2020年真题】保护接地和保护接零是防止间接接触电击的基本技术措施,其中保护
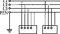
接零系统称为TN系统,包括TN-S、TN-C-S, TN-C三种方式。下列电气保护系统 图中,属于TN-C系统的是( )。
 
C.
LlO
L2o
L3σ
PEN?
 
N PE
 
73. [2020年真题】剩余电流动作保护是防止电气设备事故的常见安全技术措施。下列电
气设备中,必须安装剩余电流动作保护装置的是( )0
A. 消防设备的电源和具有非导电条件场所的电气设备
B. 消防设备的电源和临时用电的电气设备
C. 标有“回”形标志的移动式电气设备和临时用电的电气设备
D. 标有“回”形标志的移动式电气设备和具有非导电条件场所的电气设备
74. 【2020年真题】防爆电气设备有隔爆型和增安型等多种类型,釆用不同的标志予以区 分。某防爆电气设备上有"ExdUBT3 Gb”标志,关于该标志的说法,正确的 是()。
A, 该设备为隔爆型,用于IIB类T3组爆炸性气体环境,保护级别Gb
B. 该设备为隔爆型,用于IIB类T3组爆炸性粉尘环境,保护级别Gb
C, 该设备为增安型,用于Gb类T3组爆炸性气体环境,保护级别∏ B
D. 该设备为增安型,用于Gb类T3组爆炸性粉尘环境,保护级别IlB
75. 【2020年真题】某车间安排电工甲敷设一路220 V的临时照明线路。下列电气安全事
项中,不需要由电工甲确认的是( )。
A. 车间是否办理了临时用电许可审批手续
B. 所选导线规格是否与负载匹配
C. 临时照明线路与其他设施的安全距离是否符合要求
D. 电压变化范围是否在+5%C7N到-10%殊之间
76. 【2020年真题】工艺过程中产生的静电可能引起火灾和爆炸,也可能造成电击,还会 影响产品质量,应采取静电防护措施。下列防静电措施中,错误的是( )o
A.工艺控制 B.增湿
C.接地 D.屏蔽
77. 【2020年真题】根据《电气装置安装工程爆炸和火灾危险环境电气装置施工及验收
规范》(GB 50257),关于火灾爆炸场所电气设备、电线电缆安装要求的说法,错误 的是( )。
A. 单相设备的相线和中性线上应装熔断器和双极开关
B. 电线保护钢管之间应釆用绝缘套管连接
C. 装置内弹性密封圈的一个孔,只能穿过1根电缆
D. 电机的进线口处应装设防爆挠性连接管
78. [2019年真题】在触电引发的伤亡事故中,85%以上的死亡事故是电击造成的,电击 可分为单线电击、两线电击和跨步电压电击。下列人员的行为中,可能发生跨步电压
电击的是( )o
A. 甲站在泥地里,左手和右脚同时接触带电体
B. 乙左右手同时触及不同电位的两个导体
C. 丙在打雷下雨时跑向大树下面避雨
D. 丁站在水泥地面上,身体某一部位触及带电体
79. [2019年真题】危险温度、电火花和电弧是导致电气火灾爆炸的三大要因,电气设备
或线路短路是形成危险温度的主要原因之一。下列电气运行或作业情景中,不会造成 短路的是( )。
A. 电气设备安装和检修中的接线错误
B. 运行中的电气设备或线路发生绝缘老化
C. 导电性粉尘进入电气设备内部
D. TT系统中,三相负载不平衡
80. [2019年真题】保护接零系统能在一定程度上降低漏电设备对地电压,消除电击风 险。下列电气保护系统中,属于PE保护接零的是( )o
A. IT系统 B. Tr系统
C. TN-C系统 D. TN-S系统
81. [2019年真题】接地装置由接地体和接地线构成。关于接地装置的说法,错误的 是()。
A. 与大地有可靠连接的构筑物的金属结构可作为自然接地体
B. 自然接地体至少应有两根导体在不同地点与接地网相连
C. 在非爆炸性环境场合,自然接地体有足够截面时可不再另行敷设人工接地线
D. 可利用管道保护层的金属外皮或电缆的金属护层作接地线
82. [2019年真题】爆炸性气体环境是指在一定条件下,可燃性气体或蒸气与空气形成的 混合物被点燃并发生爆炸的环境。不同类型防爆电气设备的使用应与爆炸性环境相对 应。关于不同类型防爆电气设备适用环境的说法,正确的是( )o
A. I类防爆电气设备用于煤矿瓦斯环境
B. II类防爆电气设备用于煤矿甲烷环境
C. II类防爆电气设备用于爆炸性气体环境
D. ΠI类防爆电气设备用于煤矿瓦斯以外的爆炸性气体环境
83. [2019年真题】生产过程中产生的静电可能造成人员电击,甚至引起火灾或爆炸。静 电的产生受多种因素的影响。关于产生静电的说法,正确的是( )o
A. 接触面积越大,接触压力越小,产生的静电越多
B. 三角皮带比平皮带产生的静电更多
C. 空气湿度越大,越容易产生静电
D. 材料的电阻率越高,越容易产生静电
单项选择题(每题的备选项中,只有1个最符合题意)
1. 下列设备中,不属于特种设备的是( )o
A. 旅游景区观光车辆
B. 建筑工地升降机
C. 场(厂)内专用机动车辆
D. 浮顶式原油储罐
2. 锅炉压力容器在正式使用前,必须登记、建档、取得使用证。负责登记及审查批准的
当地政府部门是( )。
A. 工商行政管理部门
B. 国家税务部门
C. 安全生产监察机构
D. 特种设备安全监察机构
3. 锅炉在高温高压下工作,可能引发锅炉爆炸的原因包括水循环遭破坏、水质不良、长
时间低水位运行、超温运行和( )。
A. 随时运行
B. 减压运行
C. 超压运行
D. 排气管自动排放
4. 某公司运行1台相对容水量较大的小型锅炉,锅炉水位表内看不到水位,表内发白发
亮。针对该故障应釆取的措施是( )。
A. 立即向锅炉上水,恢复正常水位
B. 立即停炉检查,查明缺水原因
C. 判断缺水程度,酌情进行处置
D. 关闭水位表的放水旋塞,进行“叫水”操作
5. 水击现象常发生在给水管道、省煤器、过热器、锅筒部位,造成管道、法兰、阀门等
的损坏。下列预防水击事故的措施中,正确的是( )o
A. 快速开闭阀门
B. 使可分式省煤器的出口水温高于同压力下饱和温度40 CC
C. 暖管前彻底疏水
D. 上锅筒快速进水,下锅筒慢速进汽
6. 锅炉安全附件中的压力表主要用于准确地测量锅炉上所需测量部位压力的大小。下列
关于压力表的安装与使用的说法,错误的是( )o
A. 压力表必须与锅壳蒸汽空间直接连接
B. 压力表的量程范围一般应为工作压力的2倍
C. 压力表的刻盘上应有最高工作压力红线标志
D. 压力表装置齐全,每年对其校验一次,并铅封完好
7. 蒸汽锅炉满水或缺水都可能造成锅炉爆炸。水位计是用于显示锅炉内水位的安全装置。
下列关于水位计的说法中,错误的是( )。
A. 水位计的安装应便于检修
B. 锅炉额定蒸发量为5 t/h的可以装1只水位计
C. 玻璃管式水位计应有防护装置
D. 水位计内设置放水管并接至安全地点
8. 为防止锅炉炉膛爆炸,对燃油、燃气和煤粉锅炉,正确的点火顺序是( )。
A. 点火送风T送入燃料
B. 点火T送入燃料一>送风
C. 送风T送入燃料-点火
D. 送风T点火T送入燃料
9. 下列关于锅炉停炉操作的选项中,错误的有( )。
A. 先减少引风,停止燃料供应,随之停止送风
B. 逐渐降低锅炉负荷,相应地减少锅炉上水
C. 打开省煤器旁通烟道,关闭省煤器烟道挡板
D. 为保护过热器,可打开过热器出口集箱疏水阀适当放气
10. 严重缺水的紧急停炉处置,正确的是( )。
A. 立即停止燃料和送风,减弱引风,灭火后即把炉门、灰门及烟道挡板打开,启动备 用泵给锅炉上水
B. 立即停止燃料和送风,减弱引风,灭火后即把炉门、灰门及烟道挡板打开,开启空 气阀及安全阀快速降压
C. 立即停止燃料和送风,加大引风,灭火后即把炉门、灰门及烟道挡板打开,启动备 用泵给锅炉上水,并开启空气阀及安全阀快速降压
D. 立即停止燃料和送风,减弱引风,灭火后即把炉门、灰门及烟道挡板打开
11. 下列关于锅炉水压试验程序的说法中,正确的是( )。
A. 缓慢升压至试验压力,至少保持20 min,检査是否有泄漏和异常现象
B. 缓慢升压至试验压力,至少保持20 min,再缓慢降压至工作压力进行检查
C. 缓慢升压至工作压力,检查是否有泄漏和异常现象,缓慢升压至试验压力,至少保 持20 min,再缓慢降压至工作压力进行检查
D. 缓慢升压至工作压力,检查是否有泄漏和异常现象,继续升压至试验压力进行检 查,至少保持20 mɪn
12. 下列关于压力容器压力设计的说法中,正确的是( )o
A.设计操作压力应高于设计压力
B. 设计压力应高于最高工作压力
C. 设计操作压力应高于最高工作压力
D. 安全阀起跳压力应高于设计压力
13. 压力容器的元件开裂、穿孔、密封失效等会造成容器内的介质泄漏。当易燃气体压力 容器发生泄漏时,下列处理方法中,错误的是( )o
A. 切断泄漏处相关联的阀门
B. 堵漏
C. 打开放空管排气
D. 控制周围明火
14. 某餐馆厨房使用瓶装液化石油气,由于管理不善,厨房电器着火,引燃周围可燃物,
进而引起气瓶爆炸。根据对爆炸原因的分析,此次爆炸事故属于压力容器的( )0
A. 物理爆炸
B. 化学爆炸
C. 先化学后物理爆炸
D. 先物理后化学爆炸
15. 压力容器在运行中,应当紧急停止运行的情况是( )o
A. 压力容器超压,釆取措施后明显好转
B. 安全阀起跳
C. 高压容器的信号孔泄漏
D. 容器接管法兰有渗漏
16. 安全阀和爆破片组合,正确的是( )。
A. 并联组合,安全阀的开启压力应略高于爆破片的标定爆破压力
B. 串联组合,爆破片破裂后的泄放面积应不小于安全阀进口面积
C. 安全阀出口串联安装爆破片装置时,安全阀与爆破片之间不得存在背压
D. 容器内的介质可能腐蚀阀瓣时,应优先使用安全阀出口侧串联安装爆破片装置
17. 压力容器检查项目中,属于运行期间检查的是( )o
A. 容器及其连接管道的振动情况
B. 容器材质劣化现象
C. 容器耐压试验
D. 容器受压元件缺陷扩展情况
18. 下列关于压力容器维护保养做法的说法中,正确的是( )o
A. 如只是局部防腐层损坏,可以继续使用压力容器
B. 防止氧气罐腐蚀,最好使氧气经过干燥,或在使用中经常排放容器中的积水
C. 对于临时停用的压力容器,可不清除内部的存储介质
D. 压力容器上的安全装置和计量仪表,定期进行维护,根据需要进行校正
19. 下列关于无损检测方法特点的说法中,正确的是( )。
A. 射线检测对面积性缺陷检出率高
B. 射线检测适合检验对接焊缝、角焊缝
C. 超声波检测易受材质、颗粒度影响
D, 超声波检测宜检验厚度较薄的工件,成本低、速度快
20. 在下列情形中,不能起吊的是( )o
A. 起重机装有音响清晰的喇叭、电铃信号装置,在起重臂、吊钩、平衡重等转动体上 标有鲜明的色彩标志
B. 起吊载荷达到起重机额定载荷的90%时,应先将重物吊离地面200~300 mm后,检 查起重机的安全性、吊索的可靠性、重物的平稳性、绑扎的牢固性,确认后起吊
C. 对关键、重要的货物,为防止吊装绳脱钩,应派人系好安全带、抓牢吊钩随重物一 道安全吊至工位
D. 吊运小口径钢管,按标记绑扎位置起吊,吊索与钢管的夹角为50。
21. 某电力工程公司实施农村电网改造工程,需要拔出废旧电线杆重新利用。在施工过程
中,施工人员为提高工作效率,使用小型汽车起重机吊拔废旧电线杆。吊装作业中最 可能发生的起重机械事故是( )。
A,坠落事故 B.倾翻事故
C.挤伤事故 D,断臂事故
22. 防坠安全器是防止吊笼坠落的机械式安全保护装置。用于施工升降机,其作用 是()。
A. 限制吊笼的行程,防止吊笼坠落
B. 限制吊笼的运行速度,防止吊笼坠落
C. 限制吊笼的运行高度,防止吊笼坠落
D. 限制吊笼的运行速度和高度,防止吊笼坠落
23. 起重机械安全装置,错误的是( )。
A. 位置限制与调整装置属于起重机械安全装置
B. 设备正常工作时,防坠安全器不应动作
C. 露天工作于轨道上运行的起重机,均应装设防风防爬装置
D. 回转锁定器常见形式有机械锁定器和气压锁定器两种
24. 下列关于用两台或多台起重机吊运同一重物的说法中,正确的是( )o
A. 吊运过程中保持两台或多台起重机运行同步
B. 若单台超载5%以内,两台或多台起重机的额定起重载荷需超过起重量的10%以上
C. 吊运中应当保持钢丝绳倾斜,减少钢丝绳受力
D. 吊运时,除起重机司机和司索工外,其他人员不得在场
25. 下列关于起重作业安全要求的说法中,正确的是( )o
A. 严格按指挥信号操作,对紧急停止信号,无论何人发岀,都必须立即执行
B. 司索工主要从事地面工作,如准备吊具、捆绑、挂钩、掉钩等,不得担任指挥任务
C. 作业场地为斜面时,地面人员应站在斜面的下方
D-有主、副两套起升机构的,在釆取相应保证措施的情况下,可以同时利用主、副钩 工作
26. 起重机械的首次检验是指起重机械在投入使用前进行的检验。在首次检验中,不需要
进行的性能试验是( )。
A. 静载荷试验
B. 动载荷试验
C. 疲劳试验
D. 额定载荷试验
27. 场(厂)内专用机动车辆的液压系统中,由于超载或者油缸到达终点油路仍未切断, 以及油路堵塞引起压力突然升高,造成液压系统损坏。为控制场(厂)内专用机动车 辆液压系统的最高压力,系统中必须设置( )o
A. 安全阀
B. 切断阀
C. 止回阀
D. 调节阀
28. 有关专用机动车辆工作装置检验的内容中描述错误的是( )o
A. 货叉架下降速度不得超速。货叉自然下滑量不大于IOOmm
B. 门架(或货叉)彳顷角的自然变化量不大于2。
C. 货叉两叉尖应该等高,两叉尖高度差不得超过水平段长度的3%
D. 货叉水平段和垂直的厚度不得小于原值的80%及以下
29. 按压力容器在生产中的作用划分可分为反应压力容器、换热压力容器、分离压力容器
和储存压力容器四种。根据该分类方法,消毒锅属于( )。
A. 反应压力容器
B. 换热压力容器
C. 分离压力容器
D. 储存压力容器
30. 锅炉缺水是锅炉事故中最多最普遍、是危险性比较大的事故之一。下列关于锅炉缺水
事故的处理中,错误的是( )。
A. 应首先判断是轻微缺水还是严重缺水,然后酌情予以不同的处理
B. 轻微缺水时,可以立即向锅炉上水,使水位恢复正常
C. 在未判定缺水程度情况下,酌情上水检验锅炉缺水状态
D. 在未判定缺水程度或者已判定属于严重缺水的情况下,严禁给锅炉上水,以免造成 锅炉爆炸事故
31. 锅炉满水时,水位表内也往往看不到水位,表内发暗。同时,满水会降低蒸汽品质, 损害以致破坏过热器。下列关于锅炉满水事故的处理措施错误的是( )o
A. 启用省煤器再循环管路,增加燃烧力度,开启排污阀及过热器、蒸汽管道上的疏 水阀
B. 待水位恢复正常后,关闭排污阀及各疏水阀
C. 查清事故原因并予以消除,恢复正常运行
D. 发现锅炉满水后,应冲洗水位表,检查水位表有无故障
32. 带压堵漏技术可以在保持生产连续运行的情况下,将泄漏部位密封止漏,具有操作简 便、安全迅速、经济效益高等特点。下列情形中可以采取该项技术对管道进行处理的 是()。
A. 毒性极大的介质管道
B. 管道受压元件因裂纹而产生泄漏
C. 管道腐蚀、冲刷壁厚状况不清
D. 泄漏当量直径为8 mm的氮气管道
33. 锅炉为实现运行中的安全,必须装设安全附件。锅炉的安全附件包括安全阀、压力
表、水位计等。下列关于锅炉安全附件安全要求的说法中,正确的是( )0
A. 安全阀每两年至少校验一次,检验的项目为整定压力和密封性能,有条件时可以校 验回座压力
B. 应根据工作压力选用压力表的量程范围,一般应在工作压力的1.5~3倍
C. 压力表表盘直径不应小于IOO mm,表的刻盘上应划有最高工作压力黄线标志
D. 每台锅炉至少应装两只独立的水位计
34. 锅炉是一种能量转换设备,向锅炉输入的能量有燃料中的化学能、电能,锅炉输出具
有一定热能的蒸汽、高温水或有机热载体。下列关于锅炉启动及点火升压安全技术要 求的说法中,错误的是( )。
A. 对水管锅炉,全部上水时间在夏季不小于0.5 h,在冬季不小于Ih
B. 从防止产生过大热应力出发,上水温度最高不超过90 0C,水温与筒壁温差不超过 50 tC
C. 点火前,开动引风机给锅炉通风5 ~10min,没有风机的可自然通风5 ~ 10 min,以 清除炉膛及烟道中的可燃物质
D. 一次点火未成功时需重新点燃火炬,一定要在点火前给炉膛烟道重新通风,待充分 清除可燃物之后再进行点火操作
35. 气瓶瓶阀是用于控制气体进入或排出气瓶的组合装置,是气瓶的主要附件。下列关于
气瓶瓶阀安全技术要求的说法中,正确的是( )。
A. 与乙族接触的瓶阀材料,应选用含铜量小于80%的铜合金
B. 盛装助燃和不可燃气体瓶阀的出气口螺纹为右旋,可燃气体瓶阀的出气口螺纹为 左旋
C-工业用非重复充装焊接气瓶瓶阀应设计成不可重复充装的结构,瓶阀与瓶体的连接 采用螺栓连接方式
D.在规定的操作条件下,任何与气体接触的金属或者非金属瓶阀材料与气瓶内所充装 的气体不得具有相容性,以免发生腐蚀反应
36. 气瓶常用的安全泄压装置有4种类型,分别为易熔塞合金装置、爆破片装置、安全阀 和爆破片-易熔塞复合装置。下列关于安全泄压装置应用的说法中,正确的 是()。
A. 用于溶解乙焕的易熔塞合金装置的公称动作温度应为Ilo(C ,用于车用压缩天然气 气瓶的易熔塞合金装置的动作温度应为100 OC
B. 安全阀结构简单且泄压能力强,一般气瓶上都安装有安全阀
C. 用于永久气体气瓶的爆破片一般装配在气瓶阀门上
D. 爆破片-易熔塞复合装置一般用于对密封性能要求相对较低的气瓶,如车用天然气 钢瓶等
37. 气瓶安全泄压装置的主要作用甚至是唯一作用是保护气瓶在遇到周围发生火灾时,不
会因气瓶受热、瓶内温度升高过快而造成气瓶爆炸。下列关于安全泄压装置的选用原 则的说法中,正确的是( )。
A. 盛装剧毒气体的气瓶,不宜装设安全泄压装置
B. 爆破片装置的公称爆破压力为气瓶的水压试验压力的75%
C. 焊接气瓶的安全泄压装置应当装设在瓶阀上
D. 爆破片-易熔合金塞复合装置的爆破片应当置于与瓶内介质接触的一侧
38. 气瓶在运输或搬运过程中发生事故是常见的。因气瓶容易受到震动和冲击,可能造成 瓶阀撞坏或碰断,致使气瓶喷气伤人或喷出的可燃气体着火,甚至导致气瓶发生粉碎 性爆炸。下列关于气瓶的装卸运输安全技术要求的说法中,错误的是( )o
A. 不得使用电磁起重机吊运气瓶
B. 应当采取合格的捆绑方式后,方可使用金属链绳捆绑后吊运气瓶
C. 运输车辆应具有固定气瓶的相应装置,散装直立气瓶高出栏板部分不应大于气瓶高 度的1/4
D. 氧化或强氧化气体气瓶不准和易燃品、油脂及沾有油脂的物品同车运输
39. 压力容器安全附件包括安全阀、爆破片、爆破帽、紧急切断阀等,所有的安全附件都
应有质量说明书,且安装需要专业人士进行。下列关于安全附件安全技术要求的说法 中,正确的是( )。
A. 安全阀的整定压力一般不大于该压力容器的设计压力
B. 压力容器上爆破片的设计爆破压力一般不小于该容器的设计压力
C. 安全泄放装置与压力容器之间不得装设截止阀门
D. 对于中度危害介质的压力容器,应保证在安全阀或者爆破片动作后,排放介质能迅 速排入大气
40. 爆破片与安全阀都是压力容器的重要超压保护装置,但使用时两者均具有一定局限
性,特定条件下需要综合它们各自的优点,将爆破片与安全阀组合使用。下列关于二 者组合使用安全技术要求的说法中,正确的是( )。
A. 安全阀与爆破片装置并联组合时,爆破片的标定爆破压力应略低于安全阀的开启 压力
B. 安全阀与爆破片装置并联组合时,爆破片的标定爆破压力不得低于容器的设计压力
C. 当安全阀出口侧串联安装爆破片装置时,容器内的介质应是洁净的,不含有胶着物 质或阻塞物质
D. 当安全阀进口和容器之间串联安装爆破片装置时,爆破片破裂后的泄放面积应不大 于安全阀进口面积
41. 做好起重机的安全检查,并依据检查的实际情况,及时进行维护、保养,对延长设备 的使用寿命,提高设备完好率与利用率,消除事故隐患,保证安全生产,具有重要意
义。下列检查项目中,不属于起重机械每日检査的内容的是( )。
A. 电气、液压系统及其部件的泄漏情况及工作性能
B. 制动器、操纵控制装置、紧急报警装置的安全状况
C. 钢丝绳的安全状况
D. 轨道的安全状况
42. 塔吊对房屋建设、桥梁建设,特别是高层房屋建设来说是必不可少的一种起重机械,
也是现代建筑界的宠儿。为保证安全,起重机械司机必须持证才能上岗。下列关于起重 机司机安全操作技术的说法中,正确的是( )。
A. 有主、副两套起升机构的,不允许同时利用主、副钩工作
B. 用两台或多台起重机吊运同一重物时,每台起重机都不得超载
C. 吊载超过额定值时,吊运前应认真检查制动器,并用小高度、短行程试吊,确认没 有问题后再吊运
D. 司机在正常操作过程中,不得利用极限位置限制器停车,应当利用打反车进行制动
43. 司索工主要从事地面工作,如准备吊具、捆绑挂钩、摘钩卸载等,多数情况还担任指
' 挥任务。下列关于司索工安全操作技术的说法中,正确的是( )。
A. 司索工对吊物的质量和重心估计要准确,如果是目测估算,应增大10%来选择吊具
B. 司索工捆绑吊物时,应保证形状或尺寸不同的物品不得混吊,防止坠落伤人
C. 摘钩时应等所有吊索完全松弛再进行,确认所有绳索从钩上卸下再起钩,不允许抖 绳摘索,应当利用起重机抽索
D. 当多人吊挂同一吊物时,应由一专人负责指挥
44. 叉车广泛应用于港口、车站、机场等,是托盘运输、集装箱运输必不可少的设备。叉
车的主要部件包括:高压胶管、货叉、轮胎和护顶架等,下列关于叉车主要部件的说 法中,正确的是( )。
A. 高压胶管必须符合相关标准,并通过耐压试验、长度变化试验、爆破试验、脉冲试 验、极限拉伸试验等试验检测
B. 对于叉车等起升高度超过1. 5 m的工业车辆,必须设置护顶架
C. 叉车系统中必须设置安全阀,用于控制系统最高压力,最常用的是溢流安全阀
D. 叉车货叉需要进行极限拉伸载荷和检验载荷试验
45. 叉车在企业的物流系统中扮演着非常重要的角色,是物料搬运设备中的主力军。广泛 应用于车站、港口、机场、工厂、仓库等国民经济中的各个部门。下列关于叉车使用 的说法中,正确的是( )o
A. 以内燃机为动力的叉车,进入易燃、易爆的仓库内作业时,应有良好的通风设施
B. 当重物质量不明时,应将该物件叉起离地IOonnn后检查机械的稳定性,确认无超 载现象后,方可运送
C. 物件提升离地后,起落架应当保持水平,方可行驶
D. 除特殊情况外,不得单叉作业和使用货叉顶货或拉货
46. 泰山客运索道包括泰山中天门索道、后石坞索道、桃花源索道。三条索道以岱顶为中 心,构成了连接中天门景区、后石坞景区和桃花峪景区的泰山空中交通网。下列关于
客运索道日常检査的说法中,错误的是( )。
A. 客运索道在运送乘客之前应进行两次试车,确认安全无误且必须经值班站长签字后 方可运送乘客
B. 司机除按运转维护规程操作外,对驱动机、操作台每班至少检查一次
C. 值班电工、钳工对负责设备每班至少检查一次,线路润滑巡视工每班至少全线巡视 _周
D. 若设备停运期间遇到恶劣天气,应对线路进行彻底的检查,证明一切正常后方可运 送乘客
47. [2021年真题】按燃烧方式不同,锅炉可分为层燃炉、室燃炉、旋风炉和流化床燃烧
锅炉。下列不同类型锅炉燃烧方式的说法,正确的是( )。
A. 层燃炉采用火室燃烧,即燃料随同空气喷入炉膛中进行燃烧,适用于固体、液体 和气体燃料
B. 室燃炉采用火床燃烧,即燃料以一定厚度分布在炉排上进行燃烧,适用于固体 燃料
C. 旋风炉釆用旋风燃烧,即燃料在高温的旋风筒内高速旋转,部分燃料被甩向筒壁 液态渣膜上进行燃烧,适用于油品燃料
D. 流化床燃烧锅炉采用流动燃烧,大粒燃煤在炉排上面翻腾燃烧,小粒燃煤随空气 上升并燃烧,适用于劣质煤燃料
48. [2021年真题】起重机脱绳事故是指重物从捆绑的吊装绳索中坠落溃散的事故。下列
5种情形中,属于起重机脱绳事故的是( )。
① 捆绑方法不当,造成重物坠落
② 超载起吊拉断钢丝绳,造成重物坠落
③ 吊装重心选择不当,偏载起吊,造成重物坠落
④ 斜吊斜拉切断钢丝绳,造成重物坠落
⑤ 吊装遭到碰撞摇摆,造成重物坠落
49. 【2021年真题】压力容器充装介质时,充装速度不宜过快,尤其要防止压力快速升
A.耐腐蚀性 B.耐热性能
C.介电性能 D.断裂韧性
50. 【2021年真题】气瓶在储存使用过程中要严格遵守相关规范和要求。下列储存使用气
A. 储存瓶装气体实瓶的场所环境温度超过60 Y时,应釆取喷淋等冷却措施
B. 使用天然气气瓶的机动车辆,禁止驶入建筑物内的停车场(库)等封闭空间
C. 气瓶存放时应当立放,不得横放,并且要妥善固定,防止气瓶倾倒
D. 盛装可燃介质的气瓶和盛装助燃介质的气瓶,不得在同一场所存放
51. 【2021年真题】为了保证起重机械安全运行,使用单位应按要求对起重机械进行每日
检查、每月检查和年度检查。下表所列检査项目中,属于每月检查项目的是( )o
| Si | ' 检査项目 | 
| φ | 紧急报警装置检査 — — | 
| 安全憂置、制动器、离合器等可靠性和精度检查 | |
| 电气、液压系统的泄漏情况检查 | |
| 动力系统和控制器检查 | |
| 钢丝绳的安全状况检查 | |
| ⑥ 一 | 遇4级以上地震后,起重机械使用前的检査 | 
52. [2021年真题】某建筑公司在施工现场使用流动式起重机(汽车吊)吊装一混凝土构
件,根据构件材质和尺寸,目测构件重量约It。吊装人员在吊装前,选择吊具的最 小起重量应取(
A. 1.0 t B. 1.2 t C. 1.4 t D. 1.6t
53. 【2020年真题】锅炉启动是设备从冷态到热态的过程,启动过程中锅炉烟风系统和水
汽系统的安全尤为重要。关于锅炉启动过程中安全要求的说法,错误的是(
A. 空锅筒上水时,水温与锅筒筒壁温差控制不应超过65 Y
B. 锅炉在点火前,对于设置有风机的锅炉,炉膛应强制通风5-IOmin
C. 锅炉升温过程中,水冷壁两侧膨胀指示器偏差较大时,应停止升温进行检查
D. 锅炉在点火升温期,省煤器再循环阀门应处于开启状态
54. 【2020年真题】某厂内厢式货车同时载物载人,行驶途中发生货物挤压伤人事故。该
厂安全科接到事故报告后,正确的做法是( )6
A. 立即进行上报T保护事故现场->抢救伤员物资->开展事故调查
B. 联系受害家属T抢救伤员物资T保护事故现场一>现场初步勘察
C. 抢救伤员物资T保护事故现场->根据伤情逐级上报T现场初步勘察
D. 保护事故现场T抢救伤员物资一>开展事故调查一>处理善后事宜
55. 【2020年真题】不同介质的压力容器选用的安全阀类型不同,正确选用安全阀能有效 预防压力容器爆炸事故。压缩空气储气罐应选用的安全阀类型是( )o
A.静重式 B.杠杆式
C.弹簧式 D.先导式
56. 【2020年真题】根据《起重机械安全规程 第1部分:总则》(GB 6067.1),电动葫芦
应配备的安全防护装置是( )。
A. 起重量限制器、起升高度限位器
B. 起重量限制器、运行行程限位器
C. 联锁保护安全装置、起升高度限位器
D. 联锁保护安全装置、运行行程限位器
57. 【2020年真题】电动叉车的安全检查分为每日检査、每月检查和年度检查。下列电动
叉车检查项目中,属于每日检查的项目是( )。
A. 货叉、离合器、制动器
B. 制动器、紧急报警装置、离合器
C. 货叉、制动器、紧急报警装置
D. 货叉、操控控制装置、离合器
58. 【2020年真题】压力容器是否设置安全泄压装置与其盛装的介质密切相关。下列压力
容器中,应设置安全泄压装置的是( )o
A.液化石油气钢瓶 B.氯气钢瓶
C.溶解乙焕钢瓶 D.二氧化氮钢瓶
59. [2020年真题】根据《固定式压力容器安全技术监察规程》(TSG 21),使用单位应对
在用压力容器安全状况进行符合性验证。金属压力容器一般于投用后3年内进行首次 定期检验,以后的检验周期由检验机构根据压力容器的安全状况等级来确定。关于金 属压力容器检验与使用的说法,错误的是( )。
A. 安全状况等级为1、2级的,一般每6年检验一次
B. 安全状况等级为3级的,一般每3年至6年检验一次
C. 安全状况等级为4级的,可以监控使用,但累计监控使用时间不得超过3年
D. 安全状况等级为5级的,应报废处理
60. [2019年真题】锅炉在使用期间,必须对承压装置和安全附件进行周期性检验或检
定。下列安全附件中,必须由有资质的专业机构进行检定的是( )0
A.汽包压力表 B.锅炉熄火保护装置
C.防爆门 D. U型管液位计
61. [2019年真题】气瓶是用于储存和运输压缩气体的可重复充装的压力容器。关于气瓶 安全附件的说法,正确的是( )o
A. 氮气瓶瓶阀的手轮必须具有阻燃性能
B. 气瓶瓶帽必须用灰口铸铁制造
C. 防震圈的主要功能是防止气瓶受到直接冲撞
D. 气瓶安全泄压装置只能用安全泄压阀
62. [2019年真题】司索工是指在起重机械作业中从事地面工作的人员,负责吊具准备、
捆绑、挂钩、摘钩、卸载等,其工作关乎整个吊装作业安全。关于司索工安全操作要 求的说法,错误的是( )。
A. 捆绑吊物前必须清除吊物表面或空腔内的杂物
B. 可按照吊物质量的120%来准备吊具
C. 如果作业场地是斜面,必须站在斜面上方作业
D. 摘索时,应使用起重机抽索
单项选择题(每题的备选项中,只有]个最符合题意)
1. 复杂固体物质其本身不能燃烧。复杂的固体物质在燃烧时的顺序是( )o
A. 分解为气体-÷燃烧->氧化分解
B. 氧化分解->分解为气体一>燃烧
C. 气化->氧化分解->分解为液体T燃烧
D. 分解为液体—气化-+氧化分解一>燃烧
2. 石蜡的燃烧属于( )o
A. 扩散燃烧
B. 混合燃烧
C. 蒸发燃烧
D. 分解燃烧
3. 下列关于火灾分类的说法中,正确的是( )。
A. B类火灾是指固体物质火灾和可熔化的固体物质火灾
B. C类火灾是指气体火灾
C. E类火灾是指烹饪器具内烹饪物火灾
D. F类火灾是指带电火灾,是物体带电燃烧火灾
4. 食用植物油仓库起火。该起火灾为( )。
A. B类火灾 B. C类火灾
C. D类火灾 D. F类火灾
5. 对于柴油、煤油、汽油、蜡油来说,其自燃点由高到低的排序是( )o
A. 汽油一煤油一蜡油一柴油
B. 汽油一煤油一柴油一蜡油
C. 煤油一汽油一柴油一蜡油
D. 煤油一柴油一汽油一蜡油
6. 下列关于物质火灾危险性参数的说法中,正确的是( )。
A. 一般情况下闪点越低,火灾危险性越小
B. 一般情况下燃点越高,火灾危险性越大
C. 一般情况下固体可燃物粉碎的越细,其自燃点越低
D. 一般情况下物质最小点火能越高,火灾危险性越大
7. 爆炸现象最主要的特征是( )。
A.周围介质发生持续振动或邻近物质遭到破坏
B. 爆炸瞬间爆炸点及其周围压力急剧升高
C. 爆炸点附近产生浓烟
D. 爆炸瞬间附近温度急剧升高
8. 下列属于液相爆炸的是( )。
A. 液氧和煤粉等混合引起的爆炸
B. 氢气和空气混合气的爆炸
C. 空气中飞散的铝粉引起的爆炸
D. 油压机喷出的油雾液滴引起的爆炸
9. 下列不属于气相爆炸的是( )。
A. 高镒酸钾和浓酸混合时引起的爆炸
B. 氢气和空气混合气的爆炸
C. 空气中飞散的铝粉引起的爆炸
D. 乙焕在分解时引起的爆炸
10. 下列关于爆炸破坏作用的说法中,正确的是( )。
A. 爆炸形成的高温、高压、低能量密度的气体产物,以极高的速度向周围膨胀,强烈 压缩周围的静止空气,使其压力、密度和温度突跃升高
B. 爆炸的机械破坏效应会使容器、设备、装置以及建筑材料等的碎片,在相当大的范 围内飞散而造成伤害
C. 爆炸发生时,特别是较猛烈的爆炸往往会引起反复较长时间的地震波
D. 粉尘作业场所轻微的爆炸冲击波导致地面上的粉尘扬起,引起火灾
11. 下列关于分解爆炸所需能量与压力关系的说法中,正确的是( )。
A. 随压力的升高而升高
B. 随压力的降低而降低
C. 随压力的升高而降低
D. 与压力的变化无关
12. 下列关于燃烧反应过程的说法中,正确的是( )。
A. 燃烧反应过程的扩散阶段是指可燃气分子和氧气分子分别从释放源通过扩散达到相 互接触
B. 燃烧反应过程中的扩散阶段是指可燃气分子和氧气分子接收点火源能量,离解成自 由基或活性粒子
C. 燃烧反应过程的化学反应阶段是指自由基与反应物分子相互作用,生成惰性分子和 稳定自由基,完成燃烧反应
D. 决定可燃气体燃烧或爆炸的主要条件是反应过程中是否产生巨大的能量
13. 天然气的组分有甲烷、乙烷、丙烷和丁烷等。与纯甲烷气体比较,天然气的爆炸可能 性()。
A. 低于甲烷
B. 高于甲烷
C. 与甲烷一样
D.随甲烷比例减小而降低
14. 下列关于粉尘爆炸说法中,正确的是( )。
A. 粉尘爆炸速度比气体小,燃烧时间长,破坏程度大
B. 粉尘爆炸速度比气体大,燃烧时间长,破坏程度大
C. 粉尘爆炸速度比气体小,燃烧时间短,破坏程度大
D. 粉尘爆炸速度比气体大,燃烧时间短,破坏程度大
15. 下列性质中,属于气体灭火剂特性的是( )。
A. 污染性
B. 导电性
C. 蒸发后不留痕迹
D. 腐蚀性
16. 下列关于二氧化碳灭火器说法中,正确的是( )。
A. 1 kg二氧化碳液体可在常温常压下生成IOooL左右的气体,足以使1 m3空间范围 内的火焰熄灭
B. 使用二氧化碳灭火器灭火,氧气含量低于15%时燃烧终止
C. 二氧化碳灭火器适于扑救600 V以下的带电电器火灾
D. 二氧化碳灭火器对硝酸盐等氧化剂火灾扑灭效果好
17. 液化石油气瓶罐装站安装可燃气体探测器时,其安装位置应选择在( )。
A. 罐装站围墙高处
B. 可能泄漏点的上方
C. 可能泄漏点的下方
D. 可能泄漏点的上风向
18. 下列措施中,属于防止爆炸发生的是( )o
A. 严格控制火源,防止爆炸性混合物的形成,检测报警
B, 及时泄出燃爆开始时的压力
C. 切断爆炸传播途径
D, 减弱爆炸压力和冲击波对人员、设备和建筑物的破坏
19. 火灾爆炸的预防包括防火和防爆两方面。下列措施中,不符合防爆基本原则的 是()。
A. 防止爆炸性混合物的形成
B. 负压操作
C. 严格控制火源
D. 检测报警
20. 下列不属于防爆泄压装置主要是( )o
A. 单向阀
B. 安全阀
C. 防爆门
D. 爆破片
21. 防爆泄压装置说法中,正确的是( )o
A. 安全阀按其结构和作用原理可分为杠杆式、弹簧式和敞开式
B. 当安全阀的入口处装有隔断阀时,隔断阀必须保持常闭状态并加铅封
C. 爆破片的防爆效率取决于它的宽度、长度、泄压方向和膜片材料的选择
D. 防爆门(窗)设置时,泄压面积与厂房体积的比值宜采用O. 05~0.22m2∕m3
22. 从使用工具方面分析,最有可能引起淀粉爆炸的原因是使用了( )c
A. 铁质工具
B. 铜制工具
C. 木质工具
D. 铝质工具
23. 某化工企业为了生产需要,储备了汽油、硝化甘油、乙醍、乙焕、磷化钙、二氧化 硫、氤化钠、氧化钾等生产原料。下列关于化学物品存储方式的说法中,正确的是 ( )o
A. 仓库A存放氤化钠、二氧化硫
B. 仓库B存放硝化甘油、乙焕
C. 仓库C存放乙醍、磷化钙
D. 仓库D存放汽油、氤化钾
24. 烟火药组分除了氧化剂和可燃剂之外,还有( )o
A. 还原剂和黏结剂
B. 黏结剂和阻化剂
C. 安定剂和还原剂
D. 黏结剂和安定剂
25. 烟花爆竹燃烧特性标志着火药能量释放的能力,主要取决于火药的( )。
A. 燃烧速率和燃烧类型
B. 燃烧速率和燃烧表面积
C. 燃烧类型和燃烧表面积
D. 燃烧体积和燃烧类型
26. 下列材质的工具中,在烟花爆竹生产中不能使用的有( )工具。
A.铝质 B.塑料
C.木质 -D,铜质
27. 烟花爆竹火灾爆炸的安全措施中,不属于烟花爆竹生产过程措施的有( )。
A. 领药时,要少量、多次、勤运走
B. 工作台等受冲击的部位设接地导电橡胶板
C. 黑火药粉碎,应将硫黄和木炭两种原料分开粉碎
D. 干燥烟花爆竹时,应釆用日光、热风散热器、蒸汽干燥,可用红外线烘烤
28. 确定计算药量,正确的是( )o
A. 停滞药量是暂时搁置时,允许存放的最小药量
B. 抗爆间室的危险品药量应计入危险性建筑物的计算药量
C. 防护屏障内的危险品药量不计入该屏障内的危险性建筑物的计算药量
D. 厂房内采取了分隔防护措施,相互间不会引起同时爆炸或燃烧的药量可分别计算, 取其最大值
29. 下列属于专用民爆器材的是( )。
A. 电雷管
B. 火雷管
C. 导火索
D. 特种爆破用中继起爆器
30. 粉状乳化炸药生产过程中的火灾爆炸危险因素主要来自( )。
A. 物质的危险性
B. 生产设备的高速运转
C. 环境条件
D. 水相材料和油相材料间的强剪切力
31. 下列关于粉状乳化炸药生产、存储和运输过程危险因素的说法中,正确的是( )o
A. 粉状乳化炸药具有较高的爆轰特性,制造过程中,不会形成爆炸性粉尘
B. 制造粉状乳化炸药用的硝酸铉存储过程不会发生自然分解
C. 油相材料储存时,遇到高温、还原剂等,易发生爆炸
D. 包装后的乳化炸药仍具有较高的温度,其中的氧化剂和可燃剂会缓慢反应
32. 粉尘爆炸是一个瞬间的连锁反应,属于不稳定的气固二相流反应。下列关于粉尘爆炸
特点的说法中,正确的是( )。
A. 粉尘悬浮在空气中并达到一定浓度时,有足以引起粉尘爆炸的起始能量就会引起粉 尘爆炸
B. 粉尘爆炸速度或爆炸压力上升速度比爆炸气体大,且燃烧时间长,破坏程度大
C. 粉尘的爆炸过程比气体的爆炸过程复杂
D. 一般来说粉尘分散度越高,湿度越高粉尘爆炸危险性也就越大
33. 衡量物质火灾危险性的参数有引燃能、着火延滞期、闪点、着火点、自燃点等。下列
关于火灾危险性的说法中,错误的是( )。
A. 一般情况下,闪点越低,火灾危险性越大
B. 一般情况下,燃点(着火点)越低,火灾危险性越大
C. 液体和固体可燃物受热分解并析出来的可燃气体挥发物越多,其自燃点越低
D. 固体可燃物粉碎得越细,其自燃点越高
34. 爆炸是物质系统的一种极为迅速的物理或化学能量释放或转化的过程,是系统蕴藏的
或瞬间形成的大量能量在有限的体积和极短的时间内,骤然释放或转化的现象。爆炸 现象的最主要特征是( )o
A. 爆炸过程持续进行
B. 爆炸点附近压力急剧升高
C. 周围介质发生震动
D. 温度显著升高
35. 按照爆炸的能量来源,爆炸分为物理爆炸、化学爆炸和核爆炸;按照爆炸反应相的不
同,爆炸分为气相爆炸、液相爆炸和固相爆炸。下列关于物质爆炸分类的说法中,正 确的是( )O
A. 壻融的矿渣与水接触或钢水包与水接触时,水大量气化发生的爆炸既属于物理爆 炸,也属于气相爆炸
B. 空气中飞散的铝粉、镁粉等引起的爆炸既属于物理爆炸,也属于气相爆炸
C. 导线因电流过载,由于过热,金属迅速气化而引起的爆炸既属于物理爆炸,也属于 气相爆炸
D. 空气和氢气、丙烷、乙醒等混合气体的爆炸既属于化学爆炸也属于气相爆炸
36. 爆炸极限值不是一个物理常数,它随条件的变化而变化,并且受一些因素的影响。下
列关于爆炸极限影响因素的说法中,错误的是( )。
A. 混合爆炸气体的初始温度越高,爆炸危险性越大
B. 一般而言,初始压力增大,爆炸危险性增大
C. 点火源的活化能量越大,加热面积越大,作用时间越长,爆炸极限范围也越大
D. 在混合气体中加入惰性气体,随着惰性气体含量的增加,爆炸极限范围增大
37. 可燃易爆气体的危险度H与气体的爆炸上限、下限密切相关。如果氢气在空气中的 爆炸下限为4. 00%,爆炸上限为75.00%,则其危险度H为( )o
D. 17. 75
38. 工业生产过程中,存在多种引起火灾和爆炸的点火源,消除点火源是防火和防爆的最 基本措施,控制点火源对防止火灾和爆炸事故的发生具有极其重要的意义。下列关于 点火源及其控制的说法中,正确的是( )o
A. 明火加热设备的布置,应远离可能泄漏易燃气体或蒸气的工艺设备和储罐区,并应 布置在其下风向或侧风向
B. 汽车、拖拉机严禁进入存在火灾和爆炸危险的场所
C. 动火现场应配备必要的消防器材,并将可燃物品清理干净,使用过后的灭火器应放 回原处,禁止肆意挪用
D. 在有爆炸危险的生产中,敲打工具应用锻铜合金或包铜的钢制作
39. 某工厂决定用惰性气体吹扫设备系统内的可燃物质,为保证使用安全,现对即将使用 的氮气瓶进行气体分析。下列氮气瓶中符合要求的是( )o
A. 含氧量小于3. 5%的气瓶
B. 含氧量小于2.0%的气瓶
C. 含氧量小于3.0%的气瓶
D. 含氧量小于2. 5%的气瓶
40. 为保证生产安全,在生产中可采取设备密闭、厂房通风、惰性介质保护、以不燃溶剂 代替可燃溶剂等措施进行爆炸控制。下列关于爆炸控制安全技术措施的说法中,错误
的是()。
A. 在有爆炸性危险的生产场所,对有可能引起火灾危险的电器、仪表等采用充氮正压 保护
B. 用通风的方法使可燃气体、蒸气或粉尘的浓度不致达到危险的程度,一般应控制在 爆炸下限1/4以下
C. 当设备内部充满易爆物质时,要采用正压操作,以防外部空气渗入设备内
D. 使用汽油、丙酮、乙醇等易燃溶剂的生产,可以用四氯化碳等不燃溶剂或危险性较 低的溶剂
41. 阻火器是用来阻止易燃气体和易燃液体的火焰蔓延的安全装置,由阻火芯、阻火器外 壳及附件构成。阻火器按功能可分为爆燃型和轰爆型。下列关于阻火器安全技术要求 的说法中,正确的是( )o免费资料老姚注安其他Q群:628721411
A. 爆燃型阻火器是用于阻止火焰以音速或超音速通过的阻火器
B. 选用的阻火器的安全阻火速度应大于安装位置可能达到的火焰传播速度
C. 阻火器严禁靠近炉子和加热设备,避免影响阻火性能
D. 单向阻火器安装时,应当将阻火侧背向潜在点火源
42. 为防止火灾爆炸的发生,阻止其扩展和减少破坏,已研制岀许多防火防爆和防止火 焰、爆炸扩展的安全装置,并在实际生产中广泛使用,取得了良好的安全效果。下列 关于防火防爆安全装置及技术的说法中,正确的是( )o
A. 工业阻火器是靠本装置的某一元件的动作来阻隔火焰,对于纯气体才是有效的
B. 主动式隔爆装置和被动式隔爆装置在工业生产过程中时刻都在起作用
C. 火星熄灭器熄火的基本方法之一是在火星熄灭器中设置网格等障碍物,将较大、较 重的火星挡住
D. 化学抑爆可用于装有气相氧化剂中可能发生爆燃的气体、油雾或粉尘的任何密闭设 备但不适用于泄爆易产生二次爆炸设备
43. 生产系统内一旦发生爆炸或压力骤增时,可通过安全阀、爆破片、泄爆设施等将超高 压力释放出去,以减少巨大压力对设备、系统的破坏或者减少事故损失。下列关于上 述防爆泄压装置安全技术要求的说法中,错误的是( )o
A. 当安全阀的入口处装有隔断阀时,隔断阀必须保持常开状态并加铅封
B. 如安全阀用于排泄可燃气体时,严禁直接排入大气
C. 若压力容器的介质易于结晶或聚合,在此情况下就只得用爆破片作为泄压装置
D. 作为泄压设施的轻质屋面板和墙体的质量不宜大于60 kg∕m2
44. 安全阀的作用是为了防止设备和容器内压力过高而爆炸,包括防止物理性爆炸和化学 性爆炸。下列关于不同种类安全阀适用范围的说法中,正确的是( )o
A. 弹簧式安全阀结构简单但笨重,适于温度较髙的系统,不适于持续运行的系统
B. 杠杆式安全阀对振动的敏感性小,可用于移动式的压力容器,不适用于高温系统
C. 脉冲式安全阀结构复杂,通常只适用于安全泄放量很大的系统或者用于高压系统
D. 全封闭式安全阀排岀的气体全部通过排放管排放,介质不外泄,主要用于存有压缩 空气、水蒸气的系统
45. 烟花爆竹的特性包括:能量特征、燃烧特性、力学特性、安全性等。其中,燃烧特性
标志火药能量释放的能力。烟花爆竹的燃烧特性主要取决于火药的( )。
A. 组成和物理结构
B. 初始温度和工作压力
C. 燃烧速率和燃烧表面积
D. 几何形状和对表面积的处理情况
46. 烟花爆竹是指以烟火药为主要原料制成,引燃后通过燃烧或爆炸,产生光、声、色、
形、烟雾等效果,用于观赏,具有易燃易爆危险的物品。为保证使用安全,必须对烟 花爆竹进行安全性能检测。下列不属于烟花爆竹主要安全性能检测项目的是( )0
A. 撞击感度
B. 燃烧特性
C. 摩擦感度 '
D. 静电感度
47. 烟花爆竹在生产过程中,一旦使用工具不符合规定,可能导致爆炸事故。在手工直接 接触烟火药的工序中,下列工具中可使用的是( )o
A. 竹质工具
B. 铁质工具
C. 塑料质工具
D. 化纤材料工具
48. 为了达到好的表演效果,焰火和礼花弹中填充了大量用于发射以及爆炸的火药。因生
产过程使用的危险品数量较多,危险品生产区和危险品总仓库区应符合相应的安全规 定。下列关于二者安全技术要求的说法中,错误的是( )。
A. 围墙与危险性建筑物、构筑物之间的距离宜设为12 m,且不应小于5 m
B. 围墙应为密砌墙,特殊地形设置密砌围墙有困难时,局部地段可设置刺丝围墙
C. 危险品生产区和危险品总仓库区的绿化,宜种植阔叶树
D. 危险品生产区和危险品总仓库区应设置高度不低于1. 8 m的围墙
49. 安全距离作用是指保证一旦某座危险性建筑物内的爆炸品爆炸时,不至于使邻近的其
他建(构)筑物造成严重破坏和造成人员伤亡。危险性建筑物的计算药量是确定安全 距离的重要参数。下列关于计算药量的说法中,正确的是( )。
A. 防护屏障内的危险品药量,不应计入该屏障内的危险性建筑物的计算药量
B. 抗爆间室的危险品药量应当计入危险性建筑物的计算药量
C. 厂房内采取了分隔防护措施,相互间不会引起同时爆炸或燃烧的药量可分别计算, 取其最大值
D. 厂房计算药量和停滞药量规定,实际上都是烟花爆竹生产建筑物中暂时搁置时允许 存放的最小药量
50. 民用爆炸物品是广泛用于矿山、开山辟路、水利工程、地质探矿和爆炸加工等许多工 业领域的重要消耗材料。下列民用爆破物品中,属于专用民爆物品的是( )o
A.铉油炸药
B. 导爆管雷管
C. 点火药盒
D. 膨化炸药
51. 火灾自动报警系统是由触发装置、火灾报警装置、火灾警报装置和电源等部分组成的
通报火灾发生的全套设备,复杂系统还包括消防控制设备。下列关于火灾自动报警系 统的分类及应用的说法中,错误的是( )。
A. 火灾自动报警系统不适用于生产和贮存火药、炸药、弹药、火工品等场所
B. 区域报警系统比较复杂,但使用很广泛,如行政事业单位,工矿企业的要害部门和 娱乐场所均可使用
C. 高层宾馆、饭店、大型建筑群一般使用的都是集中报警系统
D. 控制中心报警系统用于大型宾馆、饭店、商场、办公室、大型建筑群和大型综合楼 工程等
52. 水是最常用的灭火剂,它既可以单独用来灭火,也可以在其中添加化学物质配制成混 合液使用,从而提高灭火效率,减少用水量。下列火灾中可直接使用水灭火的 是()。
A. 仓库存放的电缆着火
B. 实验室内硫酸引发的火灾
C. 高温状态下反应釜的火灾
D. 加油站汽油自燃引起的火灾
53. 灭火器由于结构简单,操作方便,轻便灵活,是扑救初起火灾的重要消防器材,其按
充装的灭火剂则可分为清水、泡沫、酸碱、二氧化碳、卤代炷、干粉等。下列有关干 粉灭火器的说法,正确的是( )。
A. 干粉灭火器以二氧化氮为动力
B. 干粉灭火器主要用于扑灭轻金属火灾
C. 干粉灭火器按适用范围分为普通干粉和多用干粉两类
D. 干粉灭火器不能用于扑灭带电设备火灾
54. 火灾探测器的基本功能就是对表征烟雾、温度、火焰(光)的参量做出有效反应,通
过敏感元件,将表征火灾参量的物理量转化为电信号,送到火灾报警控制器。关于火 灾探测器适用场合的说法,错误的是( )。
A.感光式探测器特别适用于没有阴燃阶段的燃料火灾的早期检测报警
B-感烟式火灾探测器是一种感知燃烧和热解产生的固体或液体微粒的火灾探测器
C. 紫外火焰探测器适用无机化合物燃烧的场合
D. 红外火焰火灾探测器适用有大量烟雾存在的火场
55. 灭火器由筒体、器头、喷嘴等部件组成,借助驱动压力可将所充装的灭火剂喷出。灭
火器结构简单,操作方便,轻便灵活,使用面广,是扑救初起火灾的重要消防器材。 下列灭火器中,适用于扑救档案室初起火灾的是( )。
A, 二氧化碳灭火器
B. 清水灭火器
C. 干粉灭火器
D. 泡沫灭火器
56. 一般来讲,在安全技术措施中,改善劳动条件,排除危害因素是根本性的措施,但在
一定条件下,如事故救援和抢修过程中,个人劳动防护用品就成为人身安全的主要手 段。下列关于呼吸道防毒面具选用原则的说法中,正确的是( )。
A. 双罐式防毒口罩适用于毒性气体的体积浓度低,一般不高于2%的场所
B. 氧气呼吸器适用于毒性气体浓度高,毒性不明或缺氧的可移动性作业的场所
C. 送风长管式呼吸器适用于毒性气体浓度低,缺氧的固定作业的场所
D. 自吸长管式呼吸器适用于毒性气体浓度高,缺氧的固定作业的场所,且导管长度不
得超过10 m,管内径不得超过18 mm -
57. 某矿山企业地下矿井采用爆破法进行巷道掘进,因现场负责人急于施工,强令两名工
人在烟气未散且未佩戴防护用品的情况下进入作业,导致两名工人中毒。因巷道较 长,抢救时间也较长,为保证抢救行动安全,进入该场所应佩戴的呼吸道防毒面具为 ()o '
A. 导管式呼吸器
B. 送风长管式呼吸器
C. 生氧式自救器
D. 氧气呼吸器
58. 【2021年真题】水作为最常用的灭火剂,可冷却燃烧物、使燃烧物与氧气隔绝、降低
燃烧区域氧浓度,从而破坏燃烧条件达到灭火目的。下列场所发生火灾时,可选用水 作为灭火剂的是( )。
A.存有碳化钙的仓库 B.生产浓硝酸的车间
C.備精储罐区 D.乙焼气瓶库
59. [2021年真题】发生爆炸或压力骤增的初始阶段,可采用泄爆措施将高温、高压燃烧 产物和未燃物料向安全方向泄放,以减少对系统本身及周围环境的破坏。泄爆措施可 通过设置安全阀、爆破片、泄爆门窗或泄爆口实现。下列泄爆措施设计要求,错误的 是()。
A. 泄爆窗应设置在系统包围体顶部或上部,侧面泄压避免使用玻璃
B. 泄爆口应朝向安全区域,避免泄爆伤人或点燃其他可燃物
C. 泄爆口布局避免对称设置,以消除反冲力叠加
D. 泄爆门应设计和安装成自由转动,以不受障碍物的影响为宜
60. 【2021年真题】按整体结构及加载方式,安全阀可分为杠杆式、弹簧式和脉冲式等。
下列弹簧式安全阀结构特点及适用范围的说法,错误的是( )。
A. 通过调整螺母来控制弹簧压缩量,实现对开启压力的校正
B. 结构紧凑,灵敏度较高,应用广泛
C. 对振动敏感,不宜用于移动式压力容器
D. 长期高温会影响弹簧弹性,不适用于高温环境
61. 【2021年真题】根据《烟花爆竹工程设计安全规范》(GB 50161),烟花爆竹工厂危 险品区域的平面布局包括危险品生产区的平面布置、危险品仓库区的平面布置、危险 品生产区和危险品仓库区的围墙设置。下列烟花爆竹工厂危险品仓库区的平面布置, 错误的是()o
A. 应根据仓库的危险等级和计算药量,结合地形情况布置
B. 计算药量较大的危险品仓库,宜布置在库区出入口的附近
C. 危险品运输道路不应在其他防护屏障内穿行通过
D. 危险性大的仓库,宜布置在总仓库区的边缘
62. 【2020年真题】及时清理粉尘是预防粉尘爆炸的安全措施之一,采取此项安全措施的
目的是( )。
A. 降低粉尘可燃性
B. 降低粉尘浓度
C. 降低粉尘爆炸极限
D. 降低环境氧浓度
63. 【2020年真题】天然气压缩机厂房内应采取预防与控制爆炸的措施。下列安全措施 中,不属于预防和控制天然气爆炸事故措施的是( )o
A. 采用泄压式轻质屋顶
B. 压缩机出口设置单向阀
C. 厂房主结构涂覆防火涂料
D. 厂房设置可燃气体探测装置
64. 【2019年真题】易燃易爆危险化学品主要火灾危险性参数包括沸点、闪点、燃点和自燃点
等。为了预防凝聚相危险化学品火灾,应将其温度控制在它的( )以下。^
A.沸点 B.闪点 C.燃点 D.自燃点
65. [2019年真题】点火源是导致火灾爆炸的关键要素,常见的点火源包括明火、高温热
表面、摩擦和撞击火花、电气火花、静电和雷电等。关于点火源控制措施的说法,正 确的是( )。 ^ '
A. 多个明火设备应分布在装置区的边缘,并集中布置
B. 有飞溅火花的加热装置,应布置在其工艺设备的上风向
C. 加热易燃物料时,不可采用火炉、煤炉直接加热,可釆用电炉直接加热
D. 存在可能泄漏易燃气体的工艺设备,明火加热设备布置在其下风向
66. [2019年真题】充氮保护是抑制爆炸的有效措施。下列利用氮气的措施中,不属于抑 制爆炸措施的是( )o
A. 气液联动阀的氮气蓄能瓶
B. 防爆电气釆用充氮正压保护
C. 易燃易爆系统检修前氮气吹扫
D. 丁烯储罐充氮
67. [2019年真题】某烟花爆竹生产企业开展安全生产现状评价,根据《烟花爆竹工程设
计安全规范》(GB 50161),关于总药量计算的说法,正确的是( )。
A.防护屏障中的危险品药量,可不计入总药量
B. 厂房生产线上的危险品药量,可不计入总药量
C. 滞留的危险品药量,可不计入总药量
D. 抗爆间室的危险品药量,可不计入总药量
68. [2019年真题】某液化石油气充装站,地面罐区有4个50 n?储罐,设有Im高的围
堰、3个避雷塔、储罐静电接地和10个可燃气体火灾探测器。根据《石油化工企业 可燃气体和有毒气体检测报警设计规范》(GB 50493),可燃气体火灾探测器的安装 高度应距离地面( )。
A. 1.5 m B. 1.0 m
C. 0. 8 m D. 0. 5 m
69. [2019年真题】某公司从事危险化学品运输业务,在执行轻柴油运输前,驾驶员和押
运员应对柴油罐车进行安全检查,确认有“危险品”标志且排气管已安装( )o A.安全阀 B.泄压阀
C.阻火器 D.阻断器
A企业为禽类加工企业,有员工415人,厂房占地15000 m2,包括一车间、二车间、 冷冻库、冷藏库、液氨车间、配电室等生产单元和办公区。液氨车间为独立厂房,其余生 产单元位于一个连体厂房内。连体厂房房顶距地面12 m,釆用彩钢板内喷聚氨酯泡沫材 料;吊顶距房顶2.7 m,釆用聚苯乙烯材料;吊顶内的同一桥架上平行架设液氨管道和电 线;厂房墙体为砖混结构,厂房内车间之间、车间与办公区之间用聚苯乙烯板隔断;厂房 内的电气设备均为非防爆电气设备。
一车间为屠宰和粗加工车房,主要工艺有宰杀禽类、低温褪毛、去内脏、水冲洗。半 成品送二车间。
二车间为精加工车间,主要工艺有用刀分割禽类、真空包装。成品送冷冻库或冷藏 库。A企业釆用液氨制冷,液氨车间制冷压缩机为螺杆式压缩机,液氨储量150 t。A企业 建有1000 m3消防水池,在厂区设置消防栓22个,但从未按规定检测。A企业自2002 年投产以来,企业负责人重生产、轻安全,从未组织过员工安全培训和应急演练,没有 制定应急救援预案。连体厂房有10个出入口,其中7个常年封闭、2个为货物进出通 道、1个为员工出入通道。
根据以上场景,回答下列问题(1~3题为单选题,4~5题为多选题):
1. 根据《火灾分类》(GB/T 4968),如果A企业配电室内的配电柜发生火灾,该火
灾的类别为( )。
A. A类火灾
B. B类火灾
C. C类火灾
D. D类火灾
E. E类火灾
2. 根据《建筑设计防火规范》(GB 50016), A企业液氨车间的生产火灾危险性类别 应为( )o
A.甲级 B.乙级
C.丙级 D. 丁级
E.戊级
3. 根据《企业职工伤亡事故分类》(GB 6441),如果冷冻库内液氨泄漏导致人员伤
亡,则该类事故类别为( )。
A.中毒和窒息
B. 物体打击
C. 冲击
D. 机械伤害
E. 淹溺
4. A企业在安全管理方面存在的违规行为有( )o
A. 未对员工进行相应的安全培训
B. 连体厂房内的电气设备均为非防爆电气设备
C. 厂区内设置的消防栓未按规定检测
D. 连体厂房的7个出入口常年封闭
E. 吊顶内的同一桥架上平行架设液氨管道和电线
5. 在配电室内应采取的安全防护措施包括( )o
A. 高压区与低压区分设
B. 保持检查通道有足够的宽度和高度
C. 辐射防护
D. 设置应急照明
E. 设置消防栓
B汽车制造厂对载货汽车生产线进行技术改造,改造内容为:冲压车间新增冲压设备 5台(套),焊装车间新增车身焊接生产线1条、车架焊接生产线1条,涂装车间改造车 身涂装生产线、车架涂装生产线,新建污水处理站1座,新增总装配线1条。
技术改造过程中使用的原辅材料主要包括:钢材、煤炭、油料、碳酸钠脱脂剂、磷化 剂、钛盐钝化剂、PVC聚氯乙烯底漆胶、丙烯酸树脂汽车漆、电泳漆(溶剂主要为丁醇、 丁醍等,用于底漆)、苯乙烯腻子等。
车身焊接包括自动化焊接和手工电弧焊。手工电弧焊采用碱性焊条,焊条中含镒、 碳、铭等成分。
车身涂装生产包括车身涂装、底漆、面漆等工艺。车身涂装工艺采用三涂层三烘干涂 装工艺,底漆采用高泳透力、高耐蚀阴极电泳工艺,面涂采用湿碰湿两遍涂装工艺。涂装 传输过程全部实现自动化,漆前表面处理、电泳采用悬挂运输方式,中间涂层和面漆涂装 线釆用地面传输方式。前处理设备采用密封型结构以防止灰尘侵入。烘干室釆用热风循环 对流烘干方式。生产线设中央控制室监控设备运行状况。
车身涂装工艺生产过程包括:漆前处理(脱脂、磷化、钝化、去离子水洗、除锈)、 阴极电泳涂底漆、电泳底漆烘干、打磨、PVC底涂、PVC烘干、喷中涂漆、中涂烘干、 喷涂面漆、面漆烘干、检查、修饰等。
前处理所用的原料为:含有表面活性剂碳酸钠的脱脂剂,含有磷酸、磷酸二氧锌、磷 酸二氧镣的磷化剂,含有钛盐的钝化剂,含有丁醇、丁醍的电泳漆溶剂,PVC聚氯乙烯底 漆胶,丙烯酸树脂、氨基树脂、二甲苯、丁醇的车身漆,苯乙烯的打磨腻子等。
根据以上场景,回答下列问题(1~3题为单选题,4~5题为多选题):
1. 根据《职业病分类和目录》(国卫疾控发〔2013〕148号),喷车制造厂冲压车间
从业人员易罹患的职业病为( )。
A. 石棉肺
B. 噪声性耳聋
C. 电焊工尘肺
D. 中暑
E. 电光性眼炎
2. 根据《职业病防治法》,对载货汽车生产线技术改造工程的检查验收,B汽车制造
厂应向安全生产监督管理部门提交( )。 '
A. 职业病危害预评价报告
B. 职业病防护预评价报告
C. 职业病防护效果评价报告
D. 职业病危害控制效果评价报告
E. 职业病防护建设施工申请
3. 根据《工业企业设计卫生标准》(GBZl),涂装车间具有其特定的微小气候,针对 微小气候,下列说法正确的有( )o
A. 涂装车间应保持稳定的温度,确保风速的内部需求
B. 涂装车间的风来自机械通风
C. 涂装车间应保障人均通风量大于4 m3∕h
D. 涂装车间设计的夏季温度应为22~30cC
E. 涂装工艺应全部实现自动化
4. 在涂装车间或其入口的显著位置应设置的安全标志包括( )o
A. 当心中毒标志
B. 当心弧光标志
C. 禁止吸烟标志
D. 禁止靠近标志
E. 禁止烟火标志
5. 涂装车间应釆用的职业卫生防治措施包括( )。
A. 定期对生产环境进行检测
B. 定期对防尘防毒设备检测
C. 正确使用和佩戴劳动防护用品
D. 采用防爆电器
E. 定期组织消防演练
C公司为金属地下矿山开采企业,年开采矿石30×104t,服务年限50年。C公司2016 年8月1日变更企业法定代表人为矿长甲。经批准,C公司对十六中段以下矿山组织实施 改扩建工程,2016年9月15日与B矿建工程公司签订了《矿山工程施工合同》,约定了 改扩建施工作业内容。改扩建期间十六中段以上正常生产。
2016年C公司投入的与安全生产有关的费用包括:主通风轴流风机维修支出4. 7万 元,劳动防护用品配备支出78.9万元,安全生产标准化评审支出11. 5万元,人员定位系 统完善支出23.6万元,改扩建工程安全评价支出13. 3万元,安全教育培训支出14万元。
2017年1月14日8时,B公司电焊班班长安排电焊工乙和另外2名工人,携带2台 电焊机,对改扩建回风巷钢支护进行焊接作业,乙发现电焊机未接通电源,将电焊机电源 线接到回风巷局部通风机备用配电箱上,开始焊接作业。11时20分,C公司安全员丙与 B公司安全员丁到焊接作业现场检查,丙告诉丁闻到了烧焦橡胶味,丁和乙都说应该是电 焊焊接产生的,属于正常情况,丙在现场没有发现异常,就与丁一起离开了。•随后,乙与 其他焊接工作人员也都离开作业现场升井吃午饭。
12时40分,C公司排水工发现改扩建回风巷充满浓烟,向调度室电话报告后撤离。 在调度室带班的分管安全副厂长戊立即向矿长甲报告。甲要求戊通知其他副矿长、安全科 长和B公司项目经理立即到井口集合,同时通知井下作业人员紧急升井。13时5分,甲 等陆续赶到井口,在没有配备必要的救援装备的情况下,先后组织50多人下井灭火施救。 14时,甲感到事态严重,打电话向当地政府监管部门报告。
事故当日19人死亡,3人失踪,101人重伤(其中64人急性中毒)。2017年1月19 日,2名重伤人员医治无效死亡;2017年1月21日,1名失踪人员遗体被发现;2017年2 月18日,又有2名重伤人员医治无效死亡。事故造成直接经济损失9700万元。
事故调查发现:为局部通风机备用配电箱供电的电缆质量不合格,使用中发热导致电 缆绝缘破损,在距离配电箱15m处发生短路,产生电弧,引燃电缆绝缘层及相邻衬木;火 灾发生后,通风系统停电,燃烧产生的有毒有害气体进入采矿作业层,造成部分井下作业 人员及救护人员中毒和窒息;C、B公司未严格执行国家有关规定,安全预防控制体系不 健全;C、B公司安全教育培训不到位,员工安全意识差。
根据以上场景,回答下列问题(1~3题为单选题,4~5题为多选题):
1. 根据《非煤矿矿山企业安全生产许可证实施办法》,C公司变更法人代表后,应及 时申请变更安全生产许可证。办理变更手续时,不需要提交的申报材料 为()。
A. 公司营业执照
B. 安全生产许可证正本
C. 安全生产许可证副本
D. 近三年安全检查记录
E. 甲的安全资格证书复印件
2. 根据《企业安全生产费用提取和使用管理办法》(财企〔2012〕16号),C公
司2016年属于使用安全生产费用的支出为( )。
A. 122. 4 万元
B. 132. 7 万元
C. 134.5 万元
D. 141.3 万元
E. 146万元
3. 根据《火灾分类》(GB/T 4968),该起火灾属于( )。
A. A类火灾
B. B类火灾
C. C类火灾
D. D类火灾
E. E类火灾
4. 甲接到井下发生火灾的事故报告后应立即采取的措施包括( )。
A. 启动应急救援预案
B. 向当地政府监管部门报告
C. 通知井下作业人员紧急升井
D. 组织救援受伤人员
E. 组织人员维修风道巷道
5. 根据《生产安全事故报告和调查处理条例》,该起事故调查报告的主要内容应包括 ()□
A. 事故发生经过和事故救援情况
B. 事故发生的原因和事故性质
C. 事故责任单位年度安全生产费用使用情况
D. 事故责任的认定以及对事故责任者的处理建议
E. 事故发生的技术和管理问题专篇
D企业是汽车密封条生产企业,主要原料为橡胶。为扩大生产,在Q市某工业区租赁 三层办公楼1栋、厂房2栋,2015年10月投产。
1号厂房为单层新型钢结构厂房,位于三层办公楼东侧,建筑面积500Om2。厂房内 有5条胶料挤出生产线,主要工艺为:胶料挤出一微波硫化加热一喷涂一植绒(釆用聚酯 绒毛)一打磨一喷码一粗切割。主要设备有:挤出机、微波硫化箱、喷涂机械手、植绒 机、打磨机、牵引机、喷码机、切割机、空压机等。厂房西北角设有空压机房。
2号厂房夜视单层新型钢结构厂房,位于1号厂房的北侧,建筑面积80∞m2o厂房内分 为3个作业区,其中:I区为人工油漆喷涂区,安装有通风系统,并釆用活性炭对气体净 化;II区为注塑成型区,安装有25台高温对撞压机;HI区为冲切区,安装有40台气动冲 切机。
2号厂房北侧设有危险化学品库和2个气瓶库,危险化学品库内有油漆、胶、醋酸乙 酯、二甲苯、酒精、正庚烷等,2个气瓶库分别存放氧气、気气、乙焕等气瓶。
2017年1月10日,D企业发生苯中毒事故,导致1人受伤。
2017年3月16日,Q市安全生产和职业卫生监督管理部门联合对D企业进行安全 生产和职业卫生检査时,发现D企业未进行职业病危害评价,职业病危害因素检测记录 不全,植绒室内未使用防爆电器等问题。针对以上问题,Q市安全生产监督管理部门对
D企业下发整改通知书,要求企业限期整改。
根据以上场景,回答下列问题(1~3题为单选题,4~5题为多选题):
1. 按照Q市安全生产监督管理部门的整改要求,D企业应开展的职业病危害评价为 ( )。
A. 日常性职业病危害因素检测评价
B. 职业病危害预评价
C. 职业病危害控制效果评价
D. 职业病危害现状评价
E. 职业健康检查评价
A.
B. 自然沉降除尘
C.
E.
A. 1个季度
E. 3年
4. D企业与员工签订劳动合同时,应在合同中写明的职业卫生内容包括(.)。
A. 职业病危害及后果
B. 职业病防护措施
C. 职业病危害事故应急预案
D. 职业病防治资金投入
E. 职业病待遇
5. D企业应采取的职业卫生防治措施包括( )。
A. 1号和2号厂房内点火源控制
B. 打磨机上方安装除尘装置
C. 植绒室安装防爆灯具
D. 为冲切作业人员配备耳塞
E. 空压机房安装隔声板
2018年5月12日,甲污水处理有限公司4号泵站维修过程中,发生一起中毒事故, 造成4人死亡。 _
据统计,事故共造成的经济损失:丧葬及抚恤费用为300万元,医疗费用10万元, 补助及救济费用50万元,停产损失5万元,补充新职工的培训费用3万元,事故罚款52 万元。
由于甲公司的4号泵站的液位传感器和信号传输系统发生故障,甲公司厂长梁某两次 电话联系乙公司派人维修,乙公司负责承包甲公司的维修业务。
'乙公司员工魏某、黄某未经过培训便于5月12日到达4号泵站,甲公司厂长梁某派 机修组吴某和办公室人员宋某赶到维修现场配合。13时54分左右,魏某、黄某开始维修, 二人在未采取任何安全防护措施的情况下,进入筒体内进行维修作业,并先后晕倒,由于 中间检修平台(格栅)有缺陷,魏某掉入水中,黄某趴在中间检修平台(格栅)±o 15 时5分左右,吴某、宋某发现异常后,吴某拨通了梁某手机交给宋某后下入筒体内施救, 宋某向梁某汇报后也下入筒体内施救。梁某接现场报告后,随即电话告知公司总经理助理 与运行工赶到现场,到达后,未在4号泵站周边发现人员活动,只看到泵筒体盖开着,发 现有2人在筒体内中间检修平台趴着且喊话不回应,立即拨打“ 119” “120”电话求救。 4人经抢救无效后死亡。
根据以上场景,回答下列问题(1~2题为单选题,3~5题为多选题):
1. 为防止事故的发生,甲污水处理公司决定对全厂开展安全评价,则其应开展的安
全评价的类型为( )。
A. 安全预评价
B. 安全验收评价
C. 安全控制效果评价
D. 安全现状评价
E. 职业病危害现场评价 '
2. 该起事故的直接经济损失为( )。
A. 310万元
B. 362万元
C. 412万元
D. 417万元
E. 420万元
3. 根据《生产过程危险和有害因素分类与代码》(GB/T 13861),甲公司的4号泵站
存在的危险和有害因素包括( )o
A. 作业场地空气不良
B. 有毒气体
C. 咼温
D. 低温
E. 中间检修平台缺陷
4. 进行有限空间作业时,应釆取的防范措施包括( )。
A. 对现场作业人员进行专项安全培训
B. 釆用纯氧进行通风换气
C. 检测时间不得早于作业开始前10 min
D. 作业严格遵守“先通风、再检测、后作业”的原则
E. 设置监护人员,并与作业人员保持联系
5.有限空间作业中发生事故后,相关人员正确的应急处置是( )o
A. 现场人员应立即报警
B. 立即进入进行救援
C. 救治受伤人员
D. 立即报告给单位主要负责人
E. 应急救援人员救援时应做好自身防护
某家具生产企业有木加工车间、油漆喷涂车间等,相关建设的车间于2014年完成验 收,并按计划正式投产。木加工车间内有油漆木制件的砂、抛、磨加工等工序及部分金属 切割工作,主要设备有跑车带锯机、轻型带锯机、平刨机、压刨机、木磨床等。油漆喷涂 车间主要是根据市场需求选择不同颜色类型的油漆进行喷涂作业,日常工作中该车间内有 机溶剂和废弃的油漆桶等。
木加工车间内由于作业量大,地面及相关设备上积聚了一定厚度的木粉尘。企业为保 障作业人员的健康,为员工配备了口罩等劳动防护用品。某日当地安全生产监督管理部门 对该企业进行了检查,就该单位职业病危害严重的情况,重点提出了以下问题及建议:针 对木粉尘浓度较大,应采取工程控制措施;油漆喷涂车间要防止人员中毒;要按照相关要 求进行职业病危害因素检测、评价。为落实整改措施,该企业为木加工车间安装了除尘净 化系统,系统采用反吹布袋除尘器。喷涂车间安装通风设备,加强车间的通风。
由于该企业扩大了生产规模,又新增相关设备,致使木加工车间内粉尘浓度超标。为 了治理车间内粉尘污染,企业将布袋除尘器由原有的3套增加到6套,车间内木粉尘浓度 经处理有所降低,但新增的3套除尘器未釆取有效接地措施。
2017年7月5日11时20分,除尘净化系统2号除尘器内发生燃爆着火,并瞬间引起 3号除尘器内燃爆着火,并导致车间的部分木材着火。同时造成燃爆点周边20 m范围内部 分厂房和设施损坏。车间内作业人员受到爆炸冲击,造成了一定的人员伤亡。
根据以上场景,回答下列问题(1~2题为单选题,3~5题为多选题):
1. 依据《职业病防治法》的规定,该企业车间建设项目在竣工验收前应进行的职业
病危害评价类型是( )。
A. 职业病危害预评价
B. 职业病危害控制效果评价
C. 职业病危害现状评价
D. 职业病危害因素日常监测评价
E. 职业病健康风险评估
2. 依据《火灾分类》(GB/T 4968),按物质的燃烧特性,该车间木材着火的火灾类型 为()。
A. A类火灾 B. B类火灾
C. C类火灾 D. D类火灾
E. F类火灾
3. 依据《职业病危害因素分类目录》(国卫疾控发〔2015〕92号),该企业存在的职
业病危害因素包括( )o
A. 噪声
B. 机械伤害
C. 木粉尘
D. 高温
E. 苯
4. 为减少职业危害,企业应采取的工程控制技术措施有( )。
A. 采用湿法除尘工艺
B. 合理安排作业时间,减少粉尘产生量
C. 增加除尘器布袋清灰频次
D. 釆用隔离降噪、吸声等技术措施
E. 机械自动化抛光技术
5. 根据题目信息,导致此次事故的原因可能包括( )0
A. 除尘器管道内含尘气体流速过大
B. 木加工车间内气温太高
C. 除尘器内气体湿度大
D. 除尘器内木粉尘浓度达到爆炸极限
E. 除尘器吸进大量空气
甲公司成立于1995年,公司现有正式员工1800人,劳务派遣工400人,注册资金 9415万元,主要产品为冰箱压缩机,年产量约860万台,年营业额约人民币20亿元。
甲公司的动力车间的气浮罐采用物理沉淀的方式处理污水,故在气浮罐底部、环形管 道及出水管道中易沉积大量淤泥导致管道堵塞。因此每年甲公司会对气浮罐清理一次,作 业人员首先将底部沉淀的污泥排出,再使用高压水枪对管内壁和环形管道冲刷处理,整个 过程并未制定相应清理操作规程。因气浮罐属于有限空间,故甲公司规定,进入气浮罐清 理作业必须按照有限空间作业要求,提前报公司审批。
2月5日9时50分左右,动力车间机修班班长刘某带领劳务派遣员工贾某、康某、赵 某,实施气浮罐清理作业。贾某进入气浮罐内,卸下环形管道可拆除部分后,发现管道堵 塞,且结构复杂、难以清理。4人商议后决定使用车间存放的浓度为50%的硫酸清除管道 内淤泥。随后,赵某从气浮罐旁的硫酸储存罐中取了 IOL硫酸,由康某从气浮罐外侧的 出水口处将硫酸倒入,约IOmin后,发现气浮罐内环形管道并未完全疏通,并伴有大量 刺鼻气体产生。刘某安排贾某再次进入气浮罐内,将之前拆卸的环形管道回装,以继续使 用硫酸整体疏通环形管道。10时20分左右,贾某进入气浮罐,在安装环形管道时晕倒在 罐中。康某、刘某发现贾某晕倒后立即进入罐内施救,在施救过程中也先后晕倒。赵某见 状,立即向车间领导报告,并在现场等待救援。
车间领导接到事故报告后立即向企业相关负责人报告,并立即赶往现场,组织相关部 门组织事故救援。12时10分,被困在罐内的贾某、康某、刘某被救出,被紧急送往市医 院进行抢救,3人中贾某因被困时间最长吸入过量有毒气体抢救无效死亡。
甲公司为预防此类事故再次发生,编制了专门的气浮罐清理操作规程并严格落实;并 加强对有限空间作业人员的专项安全教育培训,使其深入了解有限空间作业危险有害因素 和应急救援措施;组织专门的有限空间应急救援事故演练,杜绝出现盲目施救造成事故后 果扩大。
根据以上场景,回答下列问题(1~2题为单选题,3~5题为多选题):
1. 根据《工贸企业有限空间作业安全管理与监督暂行规定》,该公司开展的有限空间
专项培训内容不包括( )。
A. 有限空间作业的危险有害因素
B. 有限空间作业的安全操作规程
C. 检测仪器的正确使用
D. 紧急情况下的应急措施
E. 员工的权利义务
2. 依据《安全生产法》,关于甲公司安全生产管理机构的设置和安全生产管理人员配 备说法正确的是( )o
A. 设置安全管理机构或配备20名兼职安全生产管理人员
B. 设置专职安全管理人员或者50名兼职安全生产管理人员
C. 设置安全管理机构和10名兼职安全生产管理人员
D. 配备15名注册安全工程师或50名兼职安全生产管理人员
E. 配备10名注册安全工程师和10名兼职安全生产管理人员
3. 甲公司编制专门的气浮罐清理操作规程时,所依据内容包括( )。
A. 现行国家、行业安全技术标准和规范、安全规程等
B. 设备的使用说明书,工作原理,以及设计、制造资料
C. 同行业其他单位的安全操作规程
D. 作业环境条件、工作制度、安全生产责任制
E. 曾经出现过的危险、事故案例及与本项操作有关的其他不安全因素
4. 依据《生产经营单位安全培训规定》,下列关于劳务派遣的劳动者的说法中,正确
的是( )。
A. 甲公司应当对被派遣劳动者进行岗位安全操作规程和安全操作技能的教育和 培训
B. 甲公司应当对被派遣劳动者培训国内外先进的安全管理经验
C. 甲公司对被派遣劳动者的培训不得少于12学时
D. 甲公司应当将被派遣劳动者纳入本单位从业人员统一管理
E. 劳动派遣单位应当对被派遣劳动者进行必要的安全生产教育和培训
5. 刘某等人进入浮罐前,应佩戴的安全防护用品包括( )□
A. 空气呼吸器
B. 防放射护目镜
C. 防化学品手套
D. 耳塞
E. 防砸鞋
甲烟花厂成立于1999年3月5日,为个人投资企业,刘某为法人代表并全面负责烟 花厂的所有事务。该厂许可生产范围为组合烟花类(C)级,喷花类(B、C、D)级,升 空类(C)级,有效期自2014年12月16日至2017年12月15日。目前厂内厂房共有136 栋,员工48人。
该厂成立了专门的安全生产管理机构,并配备了2名专职安全生产管理人员(张某、 王某)和2名兼职安全生产管理人员(李某、董某)。张某和李某持有安全生产管理人员 资格证,并均在有效期,但其他人均未取得安全生产管理人员资格证(4人均在2016年3 月进入该厂工作)。该厂持有特种作业资格证的人员14人(其中李某特种作业资格证因有 效期满未进行复审失效)O
该厂正在研制的“鸟巢”产品为一种异形组合类烟花,此样品燃放时有一定的危险 性,必须由专业燃放人员在特定的室外空旷地点燃放。2016年5月17日15时30分,李 某在装药工房将组合烟花样品(“鸟巢”样品)搬上了厂内运输药物的微型运输车,准备 晚上进行试放,17时左右,装药车间主任要求李某送一批军工硝,李某在军工硝装车后 发现司机郑某已下班,于是决定次日配送,19时20分左右,李某吃完饭返厂(喝了 3~4 两白酒),准备去试放烟花但码放的军工硝遮挡住烟花,李某便将军工硝搬到生活楼的通 道内。李某搬完军工硝后感到劳累,便决定在生活楼外空地上试放烟花。19时32分左右, 在李某试放样品近10分钟后,试放中的“鸟巢”样品烟花效果件在上升过程中遇到屋檐 和墙体等障碍而改变运行轨迹,折射到军工硝箱体上,效果件开爆,引爆军工硝发生剧烈 爆炸事故。事故导致生活楼中的陈某、郑某当场死亡,李某重伤,10天后因抢救无效死 亡,直接经济损失1200万元。
事故发生后,当地政府成立了事故调查组,对事故进行调查,发现实际伤亡人数存在 错误,本次事故实际死亡人数为6人,甲公司存在漏报瞒报情况。
根据以上场景,回答下列问题(1~2题为单选题,3~5题为多选题):
1. 根据《生产安全事故报告和调査处理条例》,本次事故的事故等级为( )。
A. 一般事故
B. 较大事故
C. 重大事故
D. 特别重大事故
E. 较大涉险事故
2. 根据《特种作业人员安全技术培训考核管理规定》,李某特种作业资格证有效期满
需要进行复审,则李某应当在期满前( )提出。
A. 15 日
B. 30 日
3. 依据《生产安全事故报告和调査处理条例》,下列关于本次事故上报的说法中,正
A. 该起事故应当上报至省、自治区、直辖市人民政府安全生产监督管理部门和负 有安全生产监督管理职责的有关部门
B. 必要时,安全生产监督管理部门和负有安全生产监督管理职责的有关部门可以 越级上报事故情况
C. 安全生产监督管理部门和负有安全生产监督管理职责的有关部门逐级上报事故 情况,每级上报的时间不得超过Ih
D. 刘某接到事故报告后,应当立即向发生地县级以上人民政府安全生产监督管理 部门和负有安全生产监督管理职责的有关部门报告
E. 本次事故可以由设区的市级人民政府直接组织事故调查组进行调査
4. 根据事故背景,导致本次事故发生的间接原因有( )o
A. 企业药物保管配送存在严重管理漏洞
B. 人员安全意识淡薄
C. 酒后在生活办公区试放烟花
D. 安全管理制度不落实
E. 将军工硝临时存放在生活楼通道
5. 依据《生产安全事故报告和调查处理条例》,指出本次事故调查的组成应当包括 ( )o
A. 有关人民政府
B. 公安机关
C. 有关专家
D. 环保部门
E. 监察机关
2019年5月5日,C套空分装置随气化厂年度停车,设备检修人员对压缩机冷却器、 空冷塔、水冷塔填料进行清洗,对液氮泵进行检修,检修后于2019年5月17日开工,运 行工况正常。
2019年6月26日,空分岗位技术员在对C套空分装置冷箱(属于压力容器)进行定 期分析过程中,检测到内部氧含量异常上升,立即向副厂长袁某进行汇报,需要停车 检修。
2019年7月7日,该套空分装置冷箱密封气压力上升至800~900 Pa(正常值为400-500 Pa),氧含量达到58% (正常值氧含量应小于5%),且冷箱顶部西侧、北侧出现外部结 霜情况。
2019年7月12日,冷箱四层北侧出现长250 mm的裂纹,并有冷气冒出。
2019年7月19日,冷箱内泄漏液体体积迅速膨胀导致冷箱超压变形开裂,17时43 分发生珠光砂外喷。冷箱构架发生低温脆断,在自重作用下失稳坍塌,拉动塔器倾斜,冷 箱及铝质设备倒向东偏北方向,砸裂东侧8.5 m处500 m2液氧贮槽,大量液氧迅速外泄 到周边区域,在冲击能的作用下,液氧与周围可燃物粉尘接触发生爆炸。
爆炸发生后,该厂值班负责人立即采取相应措施,开展自救互救,并向上级部门报 告。相关部门接警后,立即前往事故现场并展开救援。
事故调查组在调查过程中发现:6月26日,空分岗位技术员在发现冷箱密封气含氧量 异常后,立即向副厂长袁某进行汇报。6月27日袁某在例会通报此情况,技术部部长将C 套空分漏点情况作为隐患下达了安全检查书,要求分析原因,制定隐患治理方案。7月12 0,该厂紧急制定检修方案,但未确定C套空分具体停车时间。在此过程中气化厂未对C 套空分装置釆取任何措施。
事后经统计,本次事故导致2人死亡、27 A®伤、直接经济损失870万元。
根据以上场景,回答下列问题(1~2题为单选题,3~5题为多选题):
1. 下列关于本次事故的说法中,正确的是( )o
A. 液氧与可燃物粉尘接触爆炸属于气相爆炸
B. 该起爆炸属于物理爆炸
'C.本次事故属于重大事故
D. 本次事故属于较大事故
E. 按照爆炸速度划分本次事故属于爆轰
2. 依据《生产事故报告和调查处理条件》,本次事故上报到设区的市级人民政府安全
生产监督管理部门和负有安全生产监督管理职责的有关部门最多需要(
A. 1 h B. 2 h
C. 3 h D. 4 h
3. 依据《生产安全事故信息报告和处置办法》,值班负责人向上级部门报告事故信息
A. 已经采取的措施
B. 事故的简要经过
C. 事故发生的时间、地点以及事故现场情况
D. 事故发生单位的名称、地址、性质、产能等基本情况
E. 污染物处理、生产秩序恢复情况、医疗救治、人员安置等
4. 依据《安全生产事故隐患排査治理暂行规定》,该厂制定的隐患治理方案的内容应 包括()。
A. 治理的目标和任务
B. 采取的方法和措施
C. 经费和物资的落实
D. 治理的时限和要求
E.治理时的难度分析
5.下列附件中属于压力容器安全附件的是( )。
A. 安全阀
B. 爆破片
C. 爆破帽
D. 液位计
E. 紧急切断阀
A公司是一家烟花爆竹制造公司。该公司成立于2010年,主要负责人为裴某,主要 业务为生产、销售烟花爆竹。主要产品品种包括:高空烟花和礼花弹类、中空烟花和小型 组合类、低空烟花和36响等。该公司厂区分为南、北两个区域,南厂区为生活区和办公 区,北厂区为生产区(企业共建有3条生产线)。总占地面积60亩,总投资950万元,按 照相关法律法规申请了生产许可证、安全生产许可证等资质证件。
该公司于2011年4月完成试运行后,委托甲安全评价有限公司进行了安全验收评价。 并于10月22日开始生产。截至目前该公司共有职工21人,其中一线生产人员9名(7人 有特种作业操作证),管理及后勤人员12名,企业已为所有职工缴纳了工伤保险。
2015年12月31日,该公司对第3条生产线相关设备进行调试,生产线上共有10名 职工在工作,分别是:球磨工贾某,装垛工徐某和刘某,凉片工张某,热压工赵某,破粒 工房某和杨某,抛光工赵某,分粒工桂某,送药工郑某。为赶进度,徐某、郑某、刘某3 人午饭后便先进入车间工作。12时30分左右,14号装垛工房突然发生爆炸,事故造成该 工房大部分被摧毁,徐某、郑某、刘某当场死亡,西侧紧邻的厂区院墙约有十余米被摧 倒,工房的避雷针被炸断。
事故发生后,该公司通知死者家属,就赔偿金额进行协商,并分别签订了3份赔偿协 议。裴某在向有关部门报告事故情况时,串联本企业相关人员隐瞒本次事故人员死亡的真 实情况。直至2016年2月16日,在安监、公安、检察、纪检等部门联合调查的攻势下, 裴某迫于压力才最终承认了事故造成3人死亡的事实。
根据以上场景,回答下列问题(1~2题为单选题,3~5题为多选题):
1. 依据《生产安全事故报告和调查处理条例》,本次事故的等级是( )o
A. 轻微事故
B. —般事故
C. 较大事故
D. 重大事故
E. 特别重大事故
2, 依据《刑法》及其相关的司法解释,该公司主要负责人裴某对生产安全事故真实 人员伤亡情况隐瞒不报,应当对其处( )o
A. 三年以下有期徒刑或者拘役
B. 五年以下有期徒刑或者拘役
C. 三年以上七年以上有期徒刑
D. 五年以上十年以下有期徒刑
E. 五年以上有期徒刑
3. 依据《安全生产法》,裴某对本单位安全生产工作负有的职责包括( )o
A. 组织制定并实施本单位安全生产规章制度和操作规程
B. 督促落实本单位重大危险源的安全管理措施
C. 组织建立并落实安全风险分级管控和隐患排查治理双重预防工作机制,督促、 检査本单位的安全生产工作,及时消除生产安全事故隐患
D. 督促落实本单位安全生产整改措施
E. 及时、如实报告生产安全事故
4. 烟花爆竹是以烟火药为主要原材料,通过添加不同组分制作而成,产生光、声、
色、形、烟雾等效果。烟花爆竹组成包括( )。
A.氧化剂 B.还原剂
C.黏合剂 D.减速剂
E.惰性添加剂
5. 烟花爆竹的组成决定了它具有燃烧和爆炸的特性。下列关于烟花爆竹特性的说法
中,正确的是( )。
A. 燃烧特性标志火药能量释放的能力,主要取决于火药的燃烧速率和燃烧表面积
B. 力学特性是指火药要具有相应的强度,保证稳定燃烧
C. 能量特征标志火药做功能力的参量,一般是指1 kg火药燃烧时气体产物所做 的功
D. 燃烧速率与火药的组成和物理结构有关,还随初始温度和工作压力的升高而 降低
E. 燃烧表面积主要取决于火药的几何形状、尺寸和对表面积的处理情况
甲厂是一家专门为汽车生产零部件的加工企业,于2010年投资新建一厂区,已知该 新建厂区主要供电进线柜分为I段进线供电柜和母联柜,II段进线柜和厂区柴油发电机备 用电源进线柜。
2011年6月25 0,全厂400 V低压配电系统带电,供电可靠,具备启动试运行条件, 6月26日,该厂拟组织电气人员全面清扫厂房高低压盘柜、机旁盘柜等相关电气设备内的 灰尘污垢等工作。
在6月28日晚,设备部门组织电气技术员、专职安全管理人员及其他相关人员开了 专项会议,会议上明确由设备科负责组织人员清扫供电进线柜,在清扫前由专职安全员对 安全防护措施落实情况进行检查确认,电气技术员对所有参加清扫人员进行交底,并监督 其作业。
6月29日早上9时,电气技术员林某等对清供电进线柜工作人员胡某、顾某、郑某进 行班安全技术交底,指定胡某作为监护人员对作业过程进行监护。
9时10分左右,顾某、郑某开始清理盘柜外面灰尘和污垢,9时15分左右,郑某对 供电进线柜中的6号柜(母联柜)进行清扫,由于操作不当,在清扫过程中造成盘柜主母 线发生2相短路,但此时6号柜断路器未自动跳开,I段进线柜断路器也未自动跳开,短 路电流产生高温引燃线路起火。林某发现火情后立即手动将I段进线柜断路器断开,同时 立即组织人员利用现场灭火器进行灭火。事后统计,本次事故造成损失有:郑某右手手臂 因短路弧光放电严重烧伤,配电柜内部分设备受到不同程度的损坏,直接经济损失12 万元。
事故发生后,该厂为了防止此类事故的再次发生,结合本次事故的经验教训专门制定 了配电柜检维修过程中的安全技术措施,重新编制相关的操作规程,落实责任制,并对所 有的从业人员加强安全教育培训。
根据以上场景,回答下列问题(1~2题为单选题,3~5题为多选题):
1. 依据《火灾分类》(GB/T4968),本次火灾属于( )。
A. A类火灾 B. B类火灾
C. C类火灾 D. D类火灾
E. E类火灾
2. 下列灭火器适用于本次事故的是( )。
A. 泡沫灭火器
B. 清水灭火器
C. 干粉灭火器
D. 酸碱灭火器
E. 空气泡沫灭火器
3. 在清扫前,电气技术人员林某对作业人员进行交底,则林某进行交底的主要内容 包括()。
A. 作业内容
B. 安全注意事项
C. 应急逃生路线
D. 救护方法
E. 安全管理人员信息
4. 该公司制定的安全技术措施计划的内容包括( )o
A. 措施名称
B. 经费预算及来源
C. 开工日期和竣工日期
D. 安全评价报告
E. 措施目的和内容
5. 电弧烧伤属于电伤,下列关于电伤类型描述正确的是(、)。
A. 电弧烧伤是最危险的电伤
B. 通电时间越短,电流灼伤越严重
C. 电烙印会在人体和带电体接触的部位留下永久性瘢痕
D. 电气机械伤害可能造成机体组织断裂
E. 高压电弧和低压电弧都能造成严重烧伤
A企业为B集团公司下属的机械加工企业,有正式员工265人、劳务派遣人员48人, 设有经营部、生产部、技术部、安全部四个职能部门。安全部配备3名专职安全员,负责 企业安全生产管理工作。
A企业的主要设备设施包括:剪板机、平板机、车床、刨床、磨床、钻床、铢床共30 余台,激光切割机2台,砂轮机4台,叉车2台,额定起重量5t天车4部,货运电梯2 部;另有电焊机15台,角磨机等手持电动工具20台;二氧化碳气瓶20支,氧气瓶、乙 族气瓶各10支。
2021年3月25日,B集团公司组织专家对A企业进行“四不两直”安全检查,现场 检査发现:员工甲左手垫擦布手持工件,右手操作钻床进行打孔;员工乙双手操作剪板机 两个控制按钮,剪切IOOmm宽的钢板;员工丙佩戴防护眼镜和防尘口罩站在砂轮机正面 磨削刀具,砂轮机卡盘与防护罩的安全间距10 mm;叉车司机丁佩戴着安全帽,驾驶2t叉 车向车间配送氧气瓶,氧气瓶横卧在叉车料框内,到达车间后,指挥天车将氧气瓶吊运至 指定位置;电焊工戊从IOm远配电箱处接电焊机电源线,利用天车地面轨道作为电焊机 保护接地线,脚穿绝缘防护鞋,双手戴绝缘手套,佩戴电焊防护面罩进行焊接作业。
在检查过程中,专家组通过访谈发现:2020年9月14日,车间劳务派遣人员庚戴手 套安装完风钻饺刀,进行皎孔作业时,风钻反转,转动的饺刀将手套缠住,附近作业人员 及时切断电源,庚未受伤。事后,A企业未对该起未遂事故进行原因分析,未釆取预防 措施。
根据以上场景,回答下列问题(1~2题为单选题,3~5题为多选题):
1. 根据《砂轮机安全防护技术条件》(JB 8799),砂轮机卡盘与防护罩的安全间距最
大值为( )O
A. 5 mm B. 10 mm
C. 15 mm D. 20 mm
E. 25 mm
2. 司机丁驾驶叉车运送氧气瓶到达车间后,指挥天车进行气瓶吊运,正确的吊运方 法是()O
A.使用电磁起重机吊运 B.使用金属链绳捆绑气瓶后吊运
C.使用钢丝绳穿入气瓶帽后吊运 D.使用集装格固定气瓶后吊运
E.使用钢丝绳扣挂在料框吊耳后吊运
3. 电焊工戊进行电焊作业时,正确的做法包括( )。
A. 从IOm远配电箱处接电焊机电源线
B. 利用天车地面轨道作为电焊机保护接地线
C. 脚穿绝缘防护鞋
D. 双手戴绝缘手套
E. 佩戴电焊防护面罩
4. 专家组对A企业安全检查时发现的下列情形中,存在安全生产事故隐患的包括
( )o
A. 员工甲左手垫擦布手持工件,右手操作钻床进行打孔的作业
B. 员工乙双手操作控制按钮,剪切IOOmm宽钢板的作业
C. 员工丙站在砂轮机正面磨削刀具的作业
D. 叉车司机丁驾驶2 t叉车向车间配送氧气瓶的作业
E. 2020年9月14日发生的未遂事故未进行原因分析且未釆取预防措施
5. 下列A企业的主要设备设施中,属于特种设备的包括( )o
-A.激光切割机 B.额定起重量5 t天车
C.叉车 D.货运电梯
E.氧气瓶
K县H公司为金属易拉罐生产企业,共有员工350 Ao主要生产工艺包括:剪切、缝 焊、涂布、烘烤、翻边、卷封、测漏、检验、包装、入库等。
H公司生产厂房为三层建筑,门卫室旁建有五层员工宿舍,保安人员宿舍位于员工宿 舍地下一层。
2019年5月18日22时30分,H公司保安人员甲回宿舍打开照明灯开关时,突然发 生气体爆燃,造成甲重伤,同宿舍的保安乙、丙轻伤。H公司总经理丁接到事故报告后, 启动了应急救援预案,组织开展救援,并向K县应急管理部门进行了报告。
该起事故经济损失包括:建筑物修缮费用5万元、伤员医疗费用200万元、应急处置 费用10万元、歇工工资5万元、补充新保安人员培训费用0. 8万元等。
事故调查发现,H公司员工宿舍毗邻的社会道路路面下埋压的天然气中压管线泄漏, 泄漏的天然气通过土壤渗透,经污水管线侵入H公司员工宿舍地下一层,并在保安人员宿 舍内积聚,达到爆炸浓度,遇开关电火花引发爆燃。
2016年6月,该社会路面进行了雨洪工程施工,由K县L市政公司发包给J企业,J 企业在施工过程中,将一段角钢遗落在天然气管线上方土壤内,M监理公司未发现上述隐 患。工程完工后,该路段恢复通车,因过往货车较多,导致角钢长期挤压天然气管线,造 成管线破裂泄漏。
事发后,N燃气公司采取紧急停气措施,并对管线进行了抢修,经检测合格后恢复正 常运行。
根据以上场景,回答下列问题(1~2题为单选题,3~5题为多选题):
1.根据《生产安全事故报告和调查处理条例》,H公司负责人接到事故报告后,应当 向K县应急管理部门报告的时限为( )。
A. 1 h B. 2 h
C. 4 h
D. 12 h
E. 24 h
2. 该起事故的主要责任单位为(
A. H公司和J企业
B. J企业
D. J企业和M监理公司
C. J企业和L市政公司
E. J企业和N燃气公司
3. 该起事故的直接原因为( )。
A. 角钢挤压天然气管线,导致天然气泄漏
B. 甲开灯引爆天然气
C. J企业未将角钢及时清除
D. 雨洪工程和天然气管线布局不合理
E. N燃气公司未及时发现泄漏
4. 预防此类事故应采取的安全措施有( )0
A. 加强施工过程安全监管
B. 建立施工技术交底制度
C. 禁止保安人员在地下室居住
D. 增加天然气管道泄漏监测系统
E. 增加相关视频监控
5. 该起事故的直接经济损失包括( )。
A. 建筑物修缮费用5万元
B. 伤员医疗费用200万元
C. 应急处置费用10万元
D. 歇工工资5万元
E. 补充新保安人员培训费用0. 8万元
A厂为新建煤化工企业,B公司为A厂煤气化装置项目总承包商,C公司为B公司的 分包商,承担其中的防腐保温工程。
2019年3月5日,C公司在对煤气化装置的飞灰过滤器进行内部除锈作业时发生事 故,导致4人死亡。
事发时,B公司尚未向A厂进行煤气化装置整体的中间交接,A厂员工在自行组织磨 煤机单体试车。3月4日10时,A厂进行煤粉循环试运行,使用0.5~0. 6 MPa的氮气作 为惰性循环介质,17时,由于氮气供应不畅,停止试运行并停止供氮。
飞灰过滤器位于煤气化装置框架+38 m层面,直径1. 6m,高度6 m。上部为圆筒形, 下部为锥形。过滤器上部的带孔隔板将其分隔成上下两部分,设备顶部和带孔隔板下方 (距锥底4 m处)分别设有人孔,设备外接3条电(气)控阀管线。
3月5日8时,C公司员工甲、乙、丙开始过滤器打磨除锈作业。甲从带孔隔板下方
人孔进入过滤器内搭设的跳板作业,乙负责监护。10时,丙替换甲继续作业。11时20 分,丙突然从作业跳板坠落至过滤器锥体底部。乙听到坠落声响后立即呼救,以为是过滤 器内搭设跳板脱落,向内探头观察,随即丧失意识被甲拉出。甲判断过滤器内手持照明灯 可能发生漏电,立即断开直接引自TN-S系统配电箱电源,并紧急呼救。
附近试车作业的A厂员工丁、戊、己3人听到呼救后,赶到现场,相继进入过滤器施救, 均晕倒在内。陆续赶到的救援人员将4人抬出送医,经抢救无效死亡。
事故调查发现:试车方案编制及实施均由A厂单独进行;丙为C公司临聘人员,3月 4日到达施工现场,尚未录入员工名册,罹难后才査明身份;外接的3条电(气)控阀管 线可远程开启,且与设备连接管道未按要求封堵盲板;飞灰过滤器管线与氮气管线串线, 氮气窜入飞灰过滤器;作业过程中未系安全绳;搭设的跳板未绑扎;该项作业无任何书证 记录。
根据以上场景,回答下列问题(1~2题为单选题,3~5题为多选题):
A. A厂 B. B公司
C. C公司 D. A厂和B公司
E. A厂和C公司
A. A厂、B公司 B. B公司、A ∏
C. C公司、B公司 D. C公司、A厂
E. B公司、B公司
A. 与设备连接管道未按要求封堵盲板
B. 以包代管,没有安全技术交底,安全教育培训不到位
C. 没有进行有效的风险辨识并编制相应应急预案
D. 施工和试车交叉作业时,管理职责不明确
E. 没有为除锈作业人员配置防毒面具
4. 可能导致员工丙死亡的直接原因包括( )o
A. 手持照明灯触电
B. 未系安全绳,跳板无绑扎,导致坠落
C. 氮气经过外接的电(气)控阀的管线进入过滤器
D. 过滤器上部物体掉落打击
E. 氮气系统渗漏富集
5. 关于A、B、C三家单位同时在现场进行交叉作业时安全管理的说法,正确的包 括()。
A. 三家单位现场施工过程中的安全管理统一由A厂负责
B. 三家单位现场施工过程中的安全管理统一由B公司负责
C. A厂应与B公司签订安全管理协议,明确各自的安全生产管理职责
D. B公司应与C公司签订安全管理协议,明确各自的安全生产管理职责
E. B公司对进场人员进行危害告知和安全交底,安全教育培训
E建筑工程公司原有从业人员650人,为减员增效,2009年3月将从业人员裁减到 350人,质量部、安全部合并为质安部,原安全部的8名专职安全管理人员转入下属二级 单位,原安全部的职责转入质安部,具体工作由2人承担。
2010年5月,E公司获得某住宅楼工程的承建合同,中标后转包给长期挂靠的包工头 甲,从中收取管理费。2010年11月5日,甲找E公司负责人借用吊车吊运一台800 kN∙m 的塔式起重机组件,并借用了有“A”类汽车驾驶执照的员工乙和丙。2010年11月6日 中午,乙把额定起重量8 t的汽车式起重机开到工地,丙用汽车将塔式起重机塔身组件运 至工地,乙驾驶汽车式起重机开始作业,C公司机电队和运输队7名员工开始组装塔 身。当日18时,因吊车油料用完且夭黑无照明,丙要求下班,甲不同意。甲找来汽油 后,继续组装。
20时,发现塔吊的塔身首尾倒置,无法与塔基对接。随后,甲找来3名临时工,用钢 绳绑定、人拉钢绳的方法扭转塔身,转动中塔身倾斜倒向地面,作业人员躲避不及,造成 3人死亡、4人重伤。
根•据以上场景,回答下列问题:
1.确定此次事故类别并说明理由。
2.指出E公司安全生产管理人员应履行的安全生产职责。
3.分析本次事故暴露出的现场安全管理问题。
4.提出为防止此类事故发生应釆取的安全措施。
F热电厂2x300 MW扩建工程的燃煤输送系统包括:煤仓,运煤系统,破碎系统和给煤系 统。煤仓内堆煤最大高度为14 m°燃煤由汽车运入电厂,采用带式输送机将煤送到磨煤机中磨
• 94 •
成煤粉,煤粉送至锅炉喷燃器,由喷燃器喷到炉膛内燃烧。扩建工程使用该厂原有的2个容积 500 m3柴油储罐储存点火锅炉用燃油。
给水系统的功能是将水送入省煤器。进入省煤器的水经水冷壁和过热器等受热面,变 成过热蒸汽后送入汽轮机带动发电机发电。
F厂调节水系统有1个储存为12 t的液氨储罐。
发电机的冷却方式为“水一氢一氨”方式,氨气由直径IOOmm的管道引入发电机设 备中。制氢系统有9个表压3. 2 MPa、容积IOm‘的氢罐,锅炉机组最大连续蒸发量为 1025 t∕h,过热蒸汽出口压力为17. 75 MPaO
F厂远离城区,为方便员工生活,F厂在厂区内设立了1座加油站,加油站有2个容 积150 m3的汽油储罐,汽油的密度为730 kg∕m3°
受F厂委托的安全评价机构E对该厂扩建工程进行了安全评价,出具了安全评价报 告,并提出了安全生产标准化建设方案。
根据以上场景,回答下列问题:
1.为预防燃煤输送系统事故,应釆取哪些安全技术措施?
2. F厂委托给E机构的安全评价属于哪种类型?简述该类安全评价包括的主要内容。
3.根据《企业安全生产标准化基本规范》(GB/T 33000),结合以上场景,说明安全 生产标准化建设中生产现场管理和生产过程控制的要求。
G发电厂有2×1000 MW机组,厂房占地面积为100×300 m2,燃煤由码头卸下后,经 皮带引桥由带式输送机输送到储煤场,再经带式输送机送到磨粉机磨成煤粉,煤粉送至锅 炉喷燃器,由喷燃器喷到炉膛内,煤粉燃烧后的烟气经除尘系统进入脱硫脱硝系统,脱硫 脱硝工艺需用液氨、盐酸和氢氧化钠等。
G发电厂有容积为IOOO m3的助燃柴油储罐2个,储存的柴油密度为820 kg∕m3,闪 点为60龙,发电机的冷却方式为水一氢一氢。氢气以2. O MPa压力、经直径IOO mm管道 输送到发电机,锅炉最大连续蒸发量为1025 t∕h,过热蒸汽出口压力为17.75 MPa。
G发电厂现存原材料有:燃煤30×104t,柴油1200 t,浓度大于99%的液氨16 t,盐酸 42 t,氢氧化钠41 t,压力为15 MPa的氮气20×40 L,压力为3. 2 MPa的氢气7×10 m3O
为确保安全生产,G发电厂于2012年7月16日至20日进行了全厂安全生产大检查, 检查发现:在储煤场堆的铲车司机无证上岗,作业人员未戴安全帽,皮带引桥内的电缆有 破损,皮带引桥地面有大量煤尘。针对检查发现的问题,G发电厂厂长责成安全生产职能 部门制订整改计划,落实整改措施。
根据以上场景,回答下列问题:
1.针对安全生产大检查发现的问题,提出整改措施。
2.指出进入磨煤机检修应配备的防护设备及用品,并说明其作用。
3.根据《化学品分类和危险性公示通则》(GB 13690) ,指出G发电厂现存材料中的 化学品及其类别。
4.说明G发电厂脱硫脱硝系统液氨泄漏时应采取的应急处置措施。
2011年8月5日,H炼油企业污水车间要将污水提升泵房隔油池中的污水抽到集水池中。 污水车间主任甲在安排抽水作业时,因抽水用潜水泵要临时用电,于是联系电工班派电工到污 水提升泵房拉临时电缆,并按要求申办了临时用电许可。
5日15时,电工班安排2名电工到污水提升泵房为潜水泵接电,污水车间在未对作业 进行风险辨识,未制定具体作业方案的情况下,安排乙、丙、丁、戊将2台潜水泵下到隔 油池内,并启动潜水泵开始抽水。
6日9时,乙、丙、丁、戊继续进行抽水作业,1。时污水车间主任甲到作业现场检 査,发现使用刀闸式开关和明接线,但未向乙、丙、丁、戊指出现场用电存在的安全隐 患,只要求大家注意安全后就离开了现场。11时20分,乙等发现2台潜水泵出水管不出 水,遂拉下了刀闸式开关去吃午饭。
6日13时,当地气温达到35 Y ,乙等吃完饭后,到抽水作业现场准备继续抽水作业, 乙合上潜水泵的刀闸式开关后,发现潜水泵还是不工作,于是提拉电缆,将潜水泵从隔油 池中往上提,由于电缆受力,且未拉下刀闸式开关,导致电缆与潜水泵连接线松动脱落, 形成电火花,引爆隔油池中的混合气体。爆炸引起大火,消防队接警赶到后将大火扑灭。
该起事故,造成现场作业的乙、丙、丁、戊当场死亡,污水提升泵房严重损毁。
根据以上场景,回答下列问题:
1.根据《企业职工伤亡事故分类》(GB 6441),辨识抽水作业现场存在的危险因素。
2.指出该起事故中作业现场存在的违章行为。
3.分析该起事故的成因并提出预防措施。
4.简述以上场景中抽水作业安全培训的内容。
J公司是一家建于20世纪50年代的老企业,该企业的涂装车间为独立设置的联合厂 房,由5个主跨和1个辅跨组成。主跨内主要进行除锈、打磨、上漆、干燥。辅跨内设有 相互独立的办公室、休息室、更衣室和变配电室。
涂装车间有员工125人,其中80人为来自D公司的劳务人员,配备1名专职安全管 理人员。车间制定了针对安全生产责任、工艺安全管理、教育培训、防火防爆、劳保用 品、隐患排查、应急管理等方面的规章制度和安全操作规程。安全管理人员定期进行安全 检查,定期进行尘毒点监测。
涂装作业以人工作业为主,主要包括:采用超声波除油垢、釆用火焰去除旧漆、采用 石英砂干喷除锈、釆用红丹防锈作底漆、釆用聚氨酯漆作面漆。
涂装车间厂房耐火等级为二级,并采取了防爆设计,有通风除尘设施和完善的避雷系 统,设置了相应的安全标志。
喷涂底漆和面漆的作业场所为封闭空间,设置了可燃气体报警器和自动灭火装置,安 全管理人员负责定期检测。
根据以上场景,回答下列问题:
1.辨识涂装车间可能存在的职业病危害因素。
2.指出涂装车间存在的国家禁止的作业。
3.简述J公司对D公司的80名劳务派遣人员安全管理的内容。
4.指出涂装车间厂房入口处应设置的安全标志并说明其提示的内容。
K企业为汽油、柴油、煤油生产经营企业。2012年实际用工2000人,其中有120人 为劳务派遣人员,实行8小时工作制,对外经营的油库为独立设置的库区,设有防火墙。 库区出入口和墙外设置了相应的安全标志。
K企业2012年度发生事故1起,死亡1人、重伤2人。该起事故情况如下:2012年 11月25日8时10分,K企业司机甲驾驶一辆重型油罐车到油库加装汽油,油库消防员乙 检查了车载灭火器、防火帽等主要安全设施的有效性后,在运货单上签字放行。8时25 分,甲驾驶油罐车进入库区,用自带的铁丝将油罐车接地端子与自动车载系统的接地端子 连接起来,随后打开油罐车人孔盖,放下加油鹤管。自动加载系统操作员丙开始给油罐车 加油。为使油鹤管保持在工作位置,甲将人孔盖关小。
9时15分,甲办完相关手续后返回,在观察油罐车液位时将手放在正在加油的鹤管外 壁上,由于甲穿着化纤服和橡胶鞋,手接触到鹤管外壁时产生静电火花,引燃了人孔盖口 挥发的汽油,进而引燃了人孔盖周围油污,甲手部烧伤。听到异常声响,丙立即切断油料 输送管道的阀门;乙将加油鹤管从油罐车取下,用干粉灭火器将加油鹤管上的火扑灭。
甲欲关闭油罐车人孔盖时,火焰已延烧到人孔盖附近。乙和丙设法灭火,但火势较 大,无法扑灭。甲急忙进入驾驶室将油罐车驶出库区,开出25 m左右,油罐车发生爆炸, 事故造成甲死亡、乙和丙重伤。
根据以上场景,回答下列问题:
1.计算K企业2012年度的千人重伤率和百万工时死亡率。
2.分析该起事故的间接原因。
3.根据《企业职工伤亡事故分类》(GB 6441),辨识加油作业现场存在的主要危险有 害因素。
4.提出K企业为防止此类事故再次发生应采取的安全技术措施。
L印刷企业是重点防火单位,工程占地面积23000 m2,员工1200人,设有安全生产 管理科并配备了 2名专职安全生产管理人员,各车间有兼职安全生产管理人员。
L印刷企业厂区主要设施和设备有:胶版印刷、凹版印刷、凸版印刷、彩印、油墨调 配、维修等车间;原料库、油墨库、化工库、废料库;变配电站、柴油发电机房、空压机 房、燃气锅炉房、消防监控室;5 t桥式起重机8台、叉车15辆、电瓶车20辆及电瓶车充 电室。企业内IOkV变配电站配置2台变压器;柴油发电机房有柴油发电机1台;在厂区 西南角有柴油罐区1个,罐区内有供发电机使用的IOt柴油储罐1座;空压机房有供气量 为20 m3∕min的空气压缩机3台;锅炉房有蒸发量20 t/h的燃气锅炉1台。
油墨调配车间用水性油墨、乙酸乙酯、丙酮、酒精等原料,为其他车间调配、提供不 同的油墨。
维修车间有车床3台、钻床8台、铳床3台、电焊机6台、砂轮机3台及氧气瓶、乙 焕气瓶等。
原料库储存纸500 t,油墨库储存各类油墨30 t,化工库储存稀料20 t、丙酮5 t、乙酸 乙酯10 t、酒精8 t,废料库存放压坨打包后的废纸25 to _
2013年7月的隐患排查治理活动中,发现废料库房存在坍塌危险。为确保安全,釆取 了设置警示标志、加强监测检查、控制人员进入等临时性措施,并制定了拆除重建方案, 计划在年底前完成整改。
根据以上场景,回答下列问题:
1.指出L印刷企业的特种设备和特种作业。
2,根据相关法律法规,指出L印刷企业应取得的安全检测报告的类别。
3.指出L印刷企业内必须使用防爆电器的场所。
4.根据《安全生产事故隐患排査治理暂行规定》(国家安全监管总局令第16号),编 制L印刷企业废料库房坍塌隐患治理的简要方案。
M集团公司拥有长距离轻质原油输运管道(简称H号管道),公司下属的H分公司负 责∏号管道日常巡检维护,公司下属的T分公司负责∏号管道现场抢险堵漏及其他应急 处置。
∏号管道路由G市的海港居民生活区(简称海港区)O 2013年12月2日19时,II号 管道在海港区的港大十字路口附近发生原油泄漏。原油泄漏到港大路路面,再从港大路的 污水井流入港海下水道。
港海下水道是G市生活污水排水系统的一部分,负责将生活污水输运至G市的二污 水处理厂。
当日21时许,H分公司向G市海港区安全生产监督管理部门、M集团公司安全生产 管理部门报告了U号管道在海港区的原油泄漏情况。同时,H分公司开展泄漏点分析、泄 漏量估算和泄漏原油流淌范围的勘察。初步确认,泄漏点在港海下水道与II号管道交叉点 的上方,泄漏原油已沿港大路流淌约70 m,并有大量原油流入港海下水道。
为控制原油泄漏,H分公司通知T分公司进行现场抢险堵漏。T分公司抢险人员和装 备于3 ≡ 5时到达泄漏现场,并组成现场抢修组,由甲任组长。甲带领技术人员乙、丙进 行了现场勘查,发现II号管道泄漏部位上方有0.4 m厚的水泥盖板,必须用工程机械先将 水泥盖板凿碎、拖离,才能确认泄漏点,并进行后续抢修堵漏。甲调来液压破碎锤,准备 进场施工。
海港区的部分晨练居民闻到油气味,不知发生了什么事情,部分人员到抢修地点围 观。一些通过港大十字路口的行人,发现抢修现场交通受阻,也挤到现场观望。
3日7时30分,甲下令工程破碎机械进入抢修点作业,液压破碎锤开始敲砸水泥盖 板,施工5 min后突然发生爆炸,随后施工点周围港海下水道内多处发生爆炸。事故造成 重大人员伤亡和极其恶劣的社会影响。经事故调查组确认,此次爆炸事故第一起爆点在液 压破碎锤周边0. 5 m范围内。
根据以上场景,回答下列问题:
1.分析第一起爆点的可能点火源和港海下水道内参与爆炸的物质。
2.指出此次事故在应急响应和应急处置方面存在的问题。
3.指出此次事故事后处置应开展的工作。
4.简要说明M集团公司为确保II号管道运行应釆取的安全措施。
N氧化铝厂采用拜耳法生产氧化铝,生产工艺为:原料储运,石灰消化,原矿浆制 备,高压溶出,赤泥沉降洗涤,分解与种子过滤,蒸发及排盐,氢氧化铝焙烧与包装等。 原料、中间产品、产品主要有:铝土矿,石灰,液碱,燃煤,硫酸,柴油,硫酸铉,赤 泥,氧化铝,灰渣,煤气,过热蒸汽,液氨,水等。该厂生产的主要工作由本厂负责,辅 助性工作承包给G企业。N厂主办公楼有:2部电梯,1套消防系统,26个灭火器。
N厂自备煤气站和热电站。煤气站生产氢氧化铝焙烧用煤气,煤气生产能力为6500 ι∏3∕h° 热电站有:3台130 t/h燃煤锅炉,1套12 MW汽轮发电机组,1套25 MW汽轮发电机组。 热电站生产270 OC的蒸汽,生产能力为220 t/h,蒸汽在管道中的压力为3. 7 MPa。
N厂热力工程系统有:主厂房、堆煤场、燃煤破碎筛分输送系统、油泵房、除盐水 站、点火泵房、灰渣库、熔盐加热站、除灰系统、热力管网、氨法脱硫系统等单元。工艺 间物料釆用管道或机动车辆输送。
2010年3月,N厂组织了安全检査,对发现的事故隐患分析表明,现场作业人员有意 识到的事故隐患占31%,査出的两个重大事故隐患I、H在2010年1月检查时已经发现。 重大事故隐患I未整改的原因是N厂的甲车间认为是乙车间负责整改,乙车间认为应由甲 车间负责整改;重大事故隐患H未整改的原因是N厂认为应由G企业出整改资金,G企业 认为应由N厂出整改资金。
根据以上场景,回答下列问题:
1.指出N厂原料、中间产品、产品中的火灾爆炸物质并说明理由。
2.指出上述场景中的特种设备。
3.指出N厂热力工程系统中危险因素及其存在的单元。
4.确定重大事故隐患I、II的整改责任单位并说明理由。
5.针对安全检查发现的问题,提出整改措施。
P公司是一家农产品加工、仓储、物流、销售企业。
2011年,P公司有员工780人,其中含安全管理人员3人和L劳务公司劳务派遣人员 150人,2011年度,共发生生产安全事故2起,造成1人重伤、2人轻伤。其中:一起事 故由L劳务公司的劳务派遣人员违章造成,导致1名劳务派遣人员轻伤。
P公司的主要生产工序为:原料釆购运输、分拣清洗、浸泡灭醇、冷却器、布料、蒸 制、速冻、包装和冷藏等。主要原料及辅料有:蔬菜瓜果等农产品、水、天然气、液氨、 柴油、食品添加剂等。
P公司主要建(构)筑物有:综合办公楼、农副产品加工厂房、冷库、配送库、车 库、锅炉房、变电所等。主要设备设施有:冷藏冷冻车20台、货车50台、叉车20台、 冷库设施(制冷剂为液氨)1套、10 t/h燃气(天然气)蒸汽锅炉2台、电梯2部、2000 kVA的干式变压器2台、分拣设备1套、加工设备1套,以及包装物生产设备及热力、制 冷管网等。
P公司根据生产经营活动实际情况和特点,建立了安全生产规章制度和操作规程,编 制了应急救援预案,层层签订了安全生产责任书,并以书面形式对员工的权利和义务进行 了告知。
根据以上场景,回答下列问题:
1.计算P公司2011年度千人重伤率和百万工时伤害率(精确到小数点后两位)。
2.列出P公司主要设备中的特种设备。
3.辨识P公司生产工艺中的职业病危害因素。
4.指出L劳务公司派遣人员违章事故的事故责任主体并说明理由。
5.列出P公司安全生产规章制度中属于综合安全管理的规章制度。
Q公司为从事粮油转运、储存、贸易的工贸企业,拥有专用的粮油码头,现有从业人 员980人,其中有来自G公司的劳务派遣人员230人。Q公司有专职安全生产管理人员 8人。
Q公司现有:60×104 t立筒仓1组,IOxlO4 t平房仓1组,IOxlO4 t食用植物油罐1 组,5×104 t泊位2个,铁路专用线2条,500 t/h吸粮机2台,IootZh出仓散粮输送线2 条,IOotZh进出油输送管道2条,码头起重机(额定起重5 t或5 t以上)3台,电梯5 部,叉车20辆,IoOOkVA变压器3台,10 t/h燃气锅炉2台,储存磷化铝等储粮化学药 剂的药品库1座,二氧化碳钢瓶和磷化氢钢瓶各50个,氮气钢瓶45个。
Q公司粮油进出流程为:接卸船舶、火车、汽车上粮油,通过粮食输送系统进入立筒 仓或平房仓,通过油料输送系统进入植物油罐;储存一段时间后,再通过相应系统装船 舶、火车、汽车。为防止储存的粮食生虫,釆用固定环流熏蒸系统,使用瓶装二氧化碳气 体和瓶装磷化氢气体,对立筒仓进行熏蒸;采用人工投放磷化铝药片,对平房仓进行常规 熏蒸。充入纯度为98%的氮气,对植物油罐进行气调储藏。2013年5月18 0, Q公司发 生1起未遂事故。该起事故过程为:8时作业人员在平房仓储区域向集装箱装散粮时,有 2名劳务派遣人员违章乘坐粮食输送带上平房仓,9时40分1人从离地8m的输送带滑落, 掉落在散粮堆上,未造成伤害。
Q公司的安全生产管理制度健全,设有专门安全生产管理部门。在2013年5月组织 的安全生产检查中发现立筒进出仓系统的电气设备老化,存在粉尘爆炸隐患。检查还发现 了立筒仓区域其他3处一般安全生产事故隐患。
根据以上场景,回答下列问题:
1.简述此次未遂事故报告的内容。
2.列出Q公司主要特种设备。
3.简述Q公司立筒仓粮食装卸作业的职业危害控制措施。
4.根据《安全生产事故隐患排查治理暂行规定》(国家安全监管总局令第16号),提 出粉尘爆炸隐患治理方案。
5.简述Q公司主要负责人的安全生产职责。
R市地铁1号线由该市轨道交通公司负责投资建设及运营。该市K建筑公司作为总承 包单位承揽了第3标段的施工任务。该标段包括:采用明挖法施工的304地铁车站1座,
. 104 •
采用盾构法施工的长4.5 km的401隧道1条。
R市位于暖温带,夏季潮湿多雨,极端最高温度42 工程地质勘查结果显示,第3 标段的地质条件和水文地质条件复杂,401隧道工程需穿越耕土层、砂质黏性土层、含水 的砂砾岩层,并穿越1条宽50 m的季节性河流;304地铁车站开挖工程周边为居民区,人 口密集,明挖法施工需特别注意边坡稳定、噪声和粉尘飞扬,并监控周边建筑物的位移和 沉降。为了确保工程施工安全,K建筑公司对第3标段施工开展了安全评价。
R市轨道交通公司与K建筑公司于2014年5月1日签订了施工总承包合同,合同工 期2年,K建筑公司将第3标段进行了分包,其中304地铁车站由I公司中标。I公司组建 了由甲担任项目经理的项目部,项目部管理人员共25人,于6月2日进行了现场开工 仪式。 '
304地铁车站基坑深度35 m,开挖至坑底设计标高后,进行车站底板垫层、防水层的 施工。车站主体结构施工期间,模板支架最大高度为7 m。施工现场设置了 2个钢筋加工 区和1个木材加工区。在基坑土方开挖、支护及车站主体结构施工阶段,施工现场使用的 大型机械设备包括:门式起重机1台、混凝土泵2台、塔式起重机2台、履带式挖掘机2 台、排土运输车辆6辆。施工用混凝土由R市M商品混凝土搅拌站供应。
根据以上场景,回答下列问题:
1.根据《企业职工伤亡事故分类》(GB 6441),辨识304地铁车站土方开挖及基础施 工阶段的主要危险有害因素。
2.简述K建筑公司对I公司进行安全生产管理的主要内容。
3.简述第3标段的安全评价报告中应提出的安全对策措施。
4.简述304地铁车站施工期间I公司项目经理甲应履行的安全生产责任。
5.根据《危险性较大的分部分项工程安全管理规定》,指出304地铁车站工程中需要 编制安全专项施工方案的分项工程。
2016年8月2日上午,E公司喷漆车间的自动喷漆线废气处理系统发生一起爆燃事 故,造成自动喷漆线间火灾和1人烧伤,喷漆车间的自动喷漆生产线报废。
该公司的废气处理系统,是由吸风罩、吸风管、输入端风机、送风管、废气处理集装 箱、输风管、等离子废气净化器、输出端风机、排风管等组成的。该废气处理系统的工 艺,是喷涂生产线的废气通过两组风机吸、送,经二级处理的工艺过程。其工艺流程大体 如下:
 
废气处理集装箱主要是颗粒物、粉尘的沉降收集装置,等离子废气净化器主要降解、 吸附油烟颗粒。
使用的喷涂物料有油漆和溶剂,其主要含有二甲苯、乙酸乙酯、乙酸丁酯等危险化学 品。其中:二甲苯(爆炸极限1. 0%~7.0%)、乙酸乙酯(爆炸极限2.0%~11.5%)、乙 酸丁酯(爆炸极限1. 2%~7.5%)°
事故发生之前,E公司所在地安全生产监督管理部门在进行安全检查时,发现吸风管 道存在泄漏现象,废气处理集装箱内粉尘堆积量超标且未安装防静电接地装置,安全阀、 爆破片等安全附件未正常投用,属于重大事故隐患,责令其停产整顿,并下达了整改指令 书。E公司负责人廖某擅自下令开工继续作业,并在吸风管道处覆盖铁皮进行封堵,作业 过程中,因铁皮与管道反复碰撞产生电火花,导致爆炸的发生。
事后,E公司深刻吸取事故教训,开展了全厂性的针对性安全培训,增大了安全生产 投入费用,加强安全检査力度,以防再次发生此类生产安全事故。
根据以上场景,回答下列问题:
1.指出重大事故隐患治理方案的内容。
2.根据《生产过程危险和有害因素分类与代码》(GB 13861),指出该废气处理系统 存在的物理性危险和有害因素。
3.指出废气处理集装箱粉尘发生爆炸的条件及特点。
4.指出该企业安全生产投入费用包含的方面。
5.喷漆作业属于甲类生产,火灾危险性较大,指出喷漆作业的安全要求。
甲厂是一家酿酒企业,注册类型为个人独资,法人代表杨某,经营范围:黄酒、米 酒、配制酒生产、销售。企业的生产工艺为浸米、蒸饭、发酵、二次发酵、榨酒、过滤、 兑制、杀菌、灌装、成品(黄酒),共有员工47名,从2012年9月开始一直从事黄酒和 露酒生产。
该企业的储酒池位于简易综合生产厂房内中部的东北侧,共有4个,东、西各2个。 储酒池位于室内地坪以下,长为3 m、宽为2.4 m、深为1.5 m,采用钢筋混凝土结构,内 表面涂覆玻璃钢防渗,顶部中央有0. 8 m×0. 8 m的方形孔,有高出地面250 mm的边沿, 平时釆用不锈钢盖板盖住。储酒池口也未设置强制通风风机,地面靠墙放置1个1.6 m高 的铝合金人字梯,用于清理人员临时上下。其中2号储酒池存在渗漏,故一直未使用,池 内有较高浓度的二氧化碳。
10月15日上午7时,质检科长毛某组织员工张某、范某共同清理2号储酒池,8时 左右,员工于某发现毛某等3人躺在东南角储酒池内一动不动,意识到出事就赶紧跑到外 面喊人。杨某得知出事后立即赶到现场,同时立即拨打“110”和“120”报警求助。随 后员工王某下到储酒池,在众人帮助下,把3名遇险人员救上来,分别对他们釆取人工呼 吸等急救措施。“120”救护车随后将3名遇险人员送至市人民医院,3人经抢救无效 死亡。
根据以上场景,回答下列问题:
1.依据《企业职工伤亡事故分类》(GB 6441),简述该酒厂储酒池可能存在的危险有 害因素。
2.简述该次事故原因。
3.简述有限空间作业前该厂对参加作业人员专项培训内容。
4.依据《工贸企业有限空间作业安全管理与监督暂行规定》,简述有限空间作业过程 检测与通风的要求。
C公司成立于2017年9月29日,主要从事食用菌的生产。公司下设安全环保部门及 保卫、公司办公室、行政人力资源部、财务部、生产部、计划供应部、技术部、工程部、 购销部、运维部等。C公司的安全管理制度于2018年6月6日下发,但安全管理制度不健 全,特别是特种设备安全管理制度和特种设备操作规程存在漏项,且现有的相关制度和规 范未得到有效执行。事故发生当班锅炉操作人员丁某于2018年6月1日被招入公司,未 提供司炉操作证就被录用上岗,且C公司未对丁某进行岗前安全教育和培训。
2018年6月7日13时左右,C公司开始锅炉试生产,本次试生产只用了一台灭菌柜 (生产车间现有8台灭菌柜,距离锅炉房约20m)o在16时24分左右,车间相关人员观察 到车间分汽缸压力表显示超压时,压力值已经超过了锅炉额定压力1.25 MPa,仪表显示 1.5MPa(需要蒸气的设备为灭菌柜,所需的正常值为0.4~0.8 MPa之间)。此时,车间人 员反映没有听到锅炉房安全阀的排汽声和锅炉控制柜的警铃声,相关人员立即向锅炉房赶 去,在赶往途中见司炉工李某此刻正从车间门外向锅炉房方向跑去,当司炉工李某跑近锅 炉房时,锅炉房已喷出大量的灰尘并瞬间锅炉发生爆炸。本次事故导致李某当场死亡,3 人受伤。
事故调査发现,因之前进行锅炉内部检修时,试生产锅炉安全阀阀座与锅筒法兰蒸汽 通道被盲板隔断,且锅炉压力连锁保护装置未调试合格,导致锅炉在超压时未起到泄压及 停止运行锅炉燃烧机和报警等安全保护作用。且该锅炉在进行试生产之前未进行锅炉安装 验收、水压试验、燃烧机调试、锅炉试运行等情况,未进行开工条件联合检查,未建立相 应的特种设备安全技术档案,安全附件及压力连锁保护装置未经调试合格即开始生产,导 致锅炉超压运行,受压部件开裂,发生爆炸。
根据以上场景,回答下列问题:
1.简述锅炉的紧急停炉操作次序及注意事项。
2.简述事故调查组的职责。
3.简述新装、移装、大修锅炉的启动步骤。
4.指出进入锅炉内部检维修作业应采取的安全措施。
A公司成立于2019年4月28 0,经营范围包括:农业文化产品技术开发,咨询、服 务、转让;组织艺术文化交流,承办展览,展示活动;园林绿化;广告设计、制作、发 布。刘某负责公司的全面工作。
2019年9月8日,刘某联系B安装公司为A公司制作牌匾并进行安装。B公司安排电 焊工付某、王某、赵某、齐某等人去制作并安装。赵某制作了 1个14 m×7 m的牌匾,牌 匾的背架用了 36根4 m×8 m和4 mx6 m的镀锌方钢,内设发光点的公司标志灯箱。2019 年9月21日,刘某雇了 1台汽车吊,并组织齐某、付某、王某、赵某等人进行牌匾和美 工铁字的吊运安装作业,齐某进行高处安装作业时,使用的是其自带的座板式单人吊具。 他将楼顶女儿墙内侧的消防管道作为挂点装置的固定栓固点,通过手控下降器沿工作绳将 座板下移或固定在任意高度进行作业,作业时未使用柔性导轨、安全带、安全绳等防坠落 保护系统。
9月21日13时,午饭后刘某组织齐某、王某、赵某进行广告灯箱最后吊运安装。付 某、王某、李某将标志灯箱在楼下广场空地捆绑好,齐某使用座板式单人吊具在五楼外墙 壁上安装完穿墙螺丝后,他们4人合力将灯箱由地面拉至预定安装位置,刘某到对面二楼 看安装效果,赵某在安装现场看护过往行人。齐某准备再次到5层楼外安装广告灯箱,他 使用座板式单人吊具由楼顶慢慢下降,当下降至6层时工作绳断裂,齐某下降速度瞬间加 快,身体发生倾斜旋转后急速坠落到地面当场死亡。
事后经事故调查组调査,导致本次事故发生的间接原因有:B公司并未依法为齐某等 人缴纳工伤保险费,齐某等人上岗前也未进行安全培训。在进行吊装作业前未制定方案, 未落实安全措施;对齐某未使用柔性导轨、安全带、安全绳等防坠落保护措施进行高处安 装作业未进行制止;且在吊装作业过程中未遵守“五不挂”“十不吊”原则。
根据以上场景,回答下列问题:
1.根据《特种作业人员安全技术培训考核管理规定》,指出事故背景中涉及的特种作 业,并简述从事特种作业人员应当具备的条件。
2,依据《生产经营单位安全培训规定》,简述从业人员车间级岗前安全教育培训 内容。
3.指出该公司未为从业人员缴纳工伤保险费属于哪项主体责任未落实。简述生产经 营单位的安全生产主体责任的主要内容。
4.简述起重作业中“十不吊”的内容。
位于B省的甲火力发电有限公司成立于2000年11月30日,注册资本为800万元, 主要经营余热发电,机电设备安装与维修,购销水泥、建筑材料、灰窑、熟料渣、煤粉, 公共卫生保洁服务,园林绿化服务与维护,技术开发、咨询服务,目前职工人数有 229 人。
该火力发电厂以煤为燃料,通过锅炉将化学能转换为热能,产生高温高压的蒸汽,蒸 汽在汽轮机中膨胀做功,使热能产生机械能,驱动汽轮机转动,从而带动发电机,再将机 械能转变为电能。其原料为煤、水、石灰石等,产品为电和蒸汽。锅炉燃烧产生的烟气经 过除尘、脱硫、脱硝后从烟囱排出,除尘器下的灰和锅炉排出的渣可供综合利用或送灰渣 场贮存。
火力发电厂生产系统包括:贮煤场、输煤系统,主厂房(汽机房、锅炉房、除氧煤仓 间),主变压器、室外配电装置、干灰库、油库、贮氢站、脱硫系统、脱硝系统等。该厂 的特点是大型设备多、运转设备多、带电设备多,并要使用一定量的油、氢、酸、碱、 氨等。
2019年10月24日,该厂主要负责人张某为保证本厂的安全生产,决定成立安全专项 检査技术小组,对本厂进行安全大检查,检查发现本厂安全操作规程缺失。经过检查,在 安全主管王某的建议下,张某决定聘请B安全评价单位对本单位进行安全评价。
根据以上场景,回答下列问题:
1.根据《企业职工伤亡事故分类》(GB 6441),简述该火力发电厂存在的危险有害 因素。
2.简述安全检查的准备工作。
3.简述安全评价的程序。
4.简述安全操作规程的内容。
甲公司是一个粮食购销企业,成立于2014年5月,注册资金500万元,占地面积16x IO4 m2,主要经营粮食收购、粮食仓储、销售等项目。现有平房仓14幢,千吨囤26座, 仓储能力24×1041,固定资产0.9亿元,在职员工44人,配备了 1名注册安全工程师作为 专职安全管理人员。
2019年2月,员工反应4号平房仓顶出现裂缝,存在漏雨的隐患,公司决定对所有的 平房仓、千吨囤进行整修,并安排后勤科科长王某负责此事。
王某为方便施工将建设库房时使用的物料提升机来输送物料,该物料提升机长时间未 使用,且缺少必要的维修保养。
2019年5月9日13时左右,王某组织6名工人到达工地开始干活,并安排赵某、闫 某2人先行乘坐吊篮上库顶清理杂物。10时45分左右,苏某操作物料提升机,李某、赵 某、郑某3人带了一斗车砌筑砂浆和一板车多孔砖(约IOO块)乘坐物料提升机吊篮往仓 库顶运料,当吊篮上升到一定高度时,吊篮突然下坠直至地面,其中李某和郑某2人当场 死亡,赵某被送往医院进行救治,于5月10日O时16分经救治无效死亡。
事故发生后,当地人民政府迅速启动应急处置机制,相关领导第一时间赶赴事故现 场,协调指挥事故应急处置工作,妥善处理死者善后事宜,全力救治伤者。当地政府组织 相关部门成立事故调査组,对事故原因、伤亡情况、经济损失进行了调查。
才艮据以上场景,回答下列问题:
1.依据《企业职工伤亡事故分类》(GB 6441),简述该次作业过程中涉及的危险有害 因素。
2.简述物料提升机的操作要求。
3.简述注册安全工程师在工作中应履行的义务。
4,根据《生产安全事故报告和调查处理条例》,简述事故调查组提交的事故调査报告 的主要内容。
2019年4月2日,甲公司设备部门在例行检查过程中发现1号发酵窑池有两台冷媒槽 运行过程中存在渗漏问题,2019年4月5日,甲公司委托设备厂家乙公司对1号发酵窑池 渗漏的冷媒管道系统进行改造。
4月6日8时30分,乙公司工程师钱某带领施工人员到达1号发酵窑池(属于受限空 间)准备进行改造。8时50分左右,甲公司技术、设备部门与钱某就冷媒管道改造工作 进行最终确认:首先采用气割将相关泄漏管道部位切割下来,再将新管道焊接完成。9 时,李某填写二级动火许可申请,并由1号发酵池所在车间主任王某签署批准。李某又找 设备部门办理临时用电许可证,设备部门电工田某于9时10分左右完成现场条件确认后, 设备部门签署同意;李某将签署完的二级动火作业证和临时用电许可证的现场作业链交给 乙公司的工程师钱某。9时30分左右,电工田某为施工队办理临时用电接线取电,乙公司 施工人员开始进行拆卸法兰、切割管道等作业。15时左右,李某和钱某来到1号发酵窑池 了解改造施工情况,在进入发酵窑池前听见作业区域有异常声音,进入窑池内李某看到堆 放在过道中冷媒増效剂的位置上方有火光,黄色烟雾迅速弥漫,室内5名施工人员均晕倒 在地。李某、钱某2人迅速撤离。李某跑出窑池后,立即打电话公司相关负责人报告,甲 企业负责人接到事故报告后立即赶赴现场并启动应急预案,并向政府有关部门进行报告。 最终本次事故共造成2人死亡、3人受伤,经济损失867万元。
根据以上场景,回答下列问题:
1.依据《企业安全生产标准化基本规范》(GB/T 33000),简述甲公司对乙公司的施 工人员应进行安全培训的内容。
2.简述动火作业的基本要求。
3.简述临时用电的管理要求。
4.简要说明本次事故的事故等级及事故调查报告的内容。
甲化妆品公司是始建于2008年的公司,2010年2月正式投产,注册资金5500万元, 员工432人,管理和技术人员73人。2016年11月份甲公司为了扩大产能,拟扩建二期车 间,新增1条生产线。甲公司在二期车间扩建项目的可行性论证阶段委托专门的评价机构 进行了安全预评价。
在完成可行性论证后,委托设计公司丙对二期车间进行设计(包括安全、职业病等设 施设计)。并通过招投标将二期车间建设工程以总承包的方式发包给乙单位,委托监理单 位丁负责对建设工程进行监理。乙单位根据工程需要将车间内水电气和相应设备的安装工 程分包给戊单位,并与之签订了专门的安全管理协议。
2017年4月,二期车间的厂房主体工程已完成施工,经过了竣工验收。乙单位开始安 装相应生产设备。7月19日,乙单位租借1台汽车起重机用以安装两台反应釜(单个反应 釜重12.3t)o上午10时20分左右,汽车起重机司机刘某在作业时,因注意力不集中造成 起重机吊物撞倒厂房一侧的脚手架,脚手架从I-K至I-L轴开始坍塌,接着从中间向南 北两侧连续坍塌,坍塌面积约为1600 n?,造成魏某(作业人员)1人当场死亡,14人不 同程度受伤,其中7人留院观察、治疗,另外7人经过检查无大碍后于当天出院。
事故发生后,当地政府迅速组成事故调查组进行调查,通过调査询问、现场勘查、技 术检验鉴定、查阅资料和综合分析等方式,查明了事故发生的经过、原因、人员伤亡及经 济损失情况,认定了事故性质,分清了事故责任,提出了对事故责任单位、相关人员责任 追究和事故防范措施的建议,形成了事故调查报告。
根据以上场景,回答下列问题:
1.简述安全预评价的内容。
2. 简述安全管理协议的内容。.
3. 简述事故调查组的组成及事故调查组的职责。
4. 简述汽车起重机司机刘某的安全操作技术内容。
甲洗衣服务有限公司成立于2015年3月31日,为个人投资企业,投资人为王某。注 册资金:50万元人民币。经营范围:洗衣服务。
2015年4月4日,王某与A厂签订合同,购买了一台燃油蒸汽锅炉,出口水压为 0.2 MPa(表压),且额定功率为0.1 MW,配套设施:锅炉本体、燃烧器、电控、分气缸、 仪表阀门、2台水泵、软化水、节能器、烟囱等。并规定预付15万元,安装进场时再付3 万元,安装完毕取得使用登记证时付清余款3万元。
2015年4月下旬,A厂的刘某联系B锅炉安装公司的田某为甲公司安装锅炉。5月8 日,田某带领赵某等7人到甲公司进行锅炉安装。5月13日完成锅炉主体及相关配套设备 安装,14日进行锅炉点火试运行验证各部件性能一切正常,试运行结束后,田某安排员 工刘某对非运行状态锅炉的燃料储存箱内部进行清理,在清理过程中刘某晕倒在燃料储存 箱内,员工赵某随即进入对刘某进行施救,在将刘某托举出燃料储存箱顶部开口处后晕倒 在箱内,在赵某晕倒在箱内后,员工罗某和田某依次进入箱内施救,均晕倒在箱内。甲公 司的王某发现后随即拨打“119”报警电话,员工冯某拨打“120”急救电话。最终确定 田某、刘某、赵某抢救无效死亡。
事故调査组认为,田某在未采取任何安全防护措施情况下指派员工进入燃料储存箱进 行清理作业,是造成该起事故的直接原因。无安全生产责任制度、无有限空间作业审批制 度及生产安全事故应急救援预案等是造成该起事故间接原因。B公司为了加强人员的应急 救援能力,事故后开始编制应急预案,落实相关责任制度,完善相关的责任体系。
根据以上场景,回答下列问题:
1.根据《特种设备安全监察条例》,简述锅炉安装前、安装完成后应当履行的告知 手续。
2.根据《安全生产法》,简述王某的安全管理职责。
3.简述锅炉启动步骤。
4.简述应急预案的编制程序。
2018年12月17日11时许,E机械加工厂一栋闲置厂房进行改造,计划用于板材剪 切加工车间。在违规气割作业过程中引发火灾,造成11人死亡、1人受伤,建筑物过火面 积3630 n?,直接经济损失1467万元。
起火建筑为6号闲置厂房,地上二层,建筑结构为混合结构,墙、柱均为砖混结构。 厂房顶板、立柱、墙面包覆保温材料,保温材料分两层,内层为聚苯乙烯泡沫板,表面喷 涂聚氨酯泡沫。内层聚苯乙烯材料引燃温度277 tC,燃烧产物主要为一氧化碳、苯等;表 面聚氨酯材料引燃温度258 tC,燃烧产物主要为一氧化碳、氧化物、氮氧化物等。
10时许,焊接人员张某推着载有焊割工具(包括气割枪、液化气钢瓶、氧气钢瓶等, 其中液化气钢瓶和氧气钢瓶并排固定)和灭火器的手推车,进入6号闲置厂房焊接通风机 械上方的金属管道。其间,张某独自实施作业,无人员对动火作业过程实施监护。11时 许,张某发现其切割位置下方着火,就立即用灭火器进行扑救,发现灭火器不能正常使 用,随后浓烟封闭入口,火灾蔓延扩大。
E厂负责人宋某在接到事故报告后,立即组织人员到现场核实情况,在确认情况属实 后立即拨打“ 119” “120”报警,赶往事故现场启动应急预案,开展应急救援,同时上报 政府部门事故情况。
根据以上场景,回答下列问题:
1.指出该企业在开展应急救援时的基本任务。
2.结合事故背景,简述该企业应如何确保作业安全。
3.简述动火作业应釆取的安全措施。
4,编制E机械加工厂新购置剪切机的安全操作规程。
甲企业是专门从事冷藏服务、冷链配送运输的企业,主要负责人为于某。公司占地55 亩,有19000 ɪn2大型冷库出租,冷库制冷设备为德国比泽尔压缩机组,蒸发器采用三翼 铝排管,采用液氨制冷,过道站台均安装冷风机辅助制冷,无缝站台对接卸货库门。
该企业冷库的液氨机房呈东西向,设置于院内东侧偏北位置,机房门朝北,机房距北 侧东西向围墙约3 m,墙根内侧东西向排列有贮氨器2个,每个储罐容积为2 m3。制冷压 缩机位于机房门口位置,机房内还有1台压缩机气缸和2台冷却器液位计,控制室紧邻液 氨机房东侧,中间设有观察窗,控制室外墙壁上设有3台压缩机的紧急停机开关,控制室 内配备仅有2具防毒面具等。为节约成本减少安全生产投入,缩减了防护用品开支。
7月7日23时许,制冷工孙某、李某开启压缩机实施制冷作业,0时30分许,吴某 听到机房方向发出“嗤嗤”响声,发现机房开始冒白烟,并闻到有刺激性的氨味,透过观 察窗发现孙某、李某晕倒在压缩机旁,吴某立即给在外地的于某打电话说明情况,随后叫 上赵某戴上防毒面具去机房救人,两人将李某抬出后,再次返回救援孙某时也因吸入过量 氨气晕倒在地。
消防救援人员到达时,发现机房门口处1台压缩机气缸盖处正往外泄氨,便紧急将连 通泄漏点的各阀门逐一关闭,在现场全面实施喷淋稀释,并将孙某、吴某、赵某等人抬岀 机房,紧急送往医院救治,李某、吴某和赵某逐渐恢复意识,但孙某因抢救无效死亡。李 某、吴某和赵某的身体被泄漏的液氨灼伤,呼吸道严重灼伤,经工伤鉴定委员会认定为五 级伤残。
事后经调査发现,泄漏的压缩机气缸下端2个螺栓已松动,压盖内的“0”形石棉密 封垫已严重老化,失去弹性,且机房内的2台冷却器液位均处于满液位状态,冷却器超 压,严重违反了相关的操作规程。综合技术分析认为当晚开机后未观察并及时调节贮氨器 供液阀门,致使中间冷却器液氨液位过高,液氨在回液至压缩机气缸内时,造成气缸超 压,将本已无弹性、老化的“0”形石棉密封垫从螺栓松动部位滋裂,最终导致液氨泄漏 事故发生。
根据以上场景,回答下列问题:
1.指岀本次事故的直接原因和间接原因。
2.简述李某、孙某等人的车间级培训内容。
3.简述人员发生氨中毒后,企业应釆取的应急处置措施。
4.根据《工伤保险条例》,简述应当认定为工伤的情况。
甲电力公司根据检修计划安排,2015年3月23日,WlIOkV变电站部分设备进行 试验、检修等工作。班组的负责人是张某(变电检修三班班长),作业小组的工作负责人 是刘某(变电检修三班专责工),作业人员为孙某、陈某(2人均为变电检修三班初级 ɪ)o
3月23 0 8时2分,运维人员设备停电操作完毕并按照工作票要求布置现场安全措施 后,工作许可人王某带领总工作负责人乔某及各班组工作负责人共同检查运维人员所做的 安全措施,办理工作许可手续完毕后,总工作负责人乔某向全体参加当日工作的人员进行 安全教育培训交底,交代工作内容及安全措施,并与各班组负责人办理工作开工手续。
9时30分左右,变电检修三班作业小组开始进行10 kV 501开关柜全回路电阻测试工 作。张某进行了工作分工,由张某带领孙某到开关柜后进行试验前准备工作,由刘某带领 陈某在开关柜前进行推手车进柜工作。张某、孙某将试验所用工器具等物品放到开关柜 后,张某离开501开关柜后,到西侧过道看后几天的工作计划。
9时40分,孙某在无人监护的情况下打开了 501开关柜后柜上柜门内母线桥小室盖板 (小室内部有带电的IokV 3号母线,横跨过垂直方向的主变进线母线桥),误触碰IOkV 带电母线(根据医院鉴定证明,判断为通过其双手、柜体形成放电通道),孙某大喊并 倒地。
事故发生后,现场其他工作人员立即对其进行现场急救并拨打“120”急救电话。9 时55分,急救车到达并将伤员送至医院。12时22分,伤者经医院抢救无效后死亡。
根据以上场景,回答下列问题:
1.简述孙某触电后,现场工作人员应采取的应急处置措施。
2.简述安全交底应包括的内容。
3.简述高压开关柜“五防”功能。
4.依据《特种作业人员安全技术培训考核管理规定》,孙某的作业是否属于特种作 业,并简述特种作业的范畴。
甲检测站成立于2013年11月14日,主要负责人为检测站站长李某,公司主要经营 业务为压力容器(含气瓶)检验检测服务,现有在职人员63人。
2018年5月18日13时,该检测站站长李某指挥6名职工将几只待检测的40L环氧乙 烷钢瓶滚到作业现场进行残液处理。员工孙某将环氧乙烷气瓶阀门打开后未见余气和残液 流出,就把阀门卸下,仍没有残液和余气流出,即将阀门重新装上并关好,再将环氧乙烷 钢瓶底部的一只易熔塞座螺栓旋松后,即听到有“滋滋”的漏气声,随后孙某分别将剩余 几只气瓶的易熔塞座螺栓旋松后便去干其他工作。15时20分左右,检测站作业现场正在 泄放环氧乙烷的钢瓶突然发生爆炸,造成作业现场内的4名员工当场死亡,爆炸还导致站 内大部分厂房和围墙倒塌,并造成周围一部分民宅门窗玻璃不同程度损坏。
事故调査组为查清事故原因,专门派员到事故钢瓶的产权单位、最近一次环氧乙烷的 充装单位进行了调查。调查结论女口下:免费资料老姚注安其他Q群:628721411
(1) 检测站站长李某违章指挥,在确认气瓶内存在残液的情况下,未釆取任何措施, 违规指挥工人在作业区松开底部易培塞座泄放瓶内环氧乙烷气体。因环氧乙烷气体比空气 重,大量气体沉伏于地面并与空气形成爆炸混合物,最终酿成爆炸事故。
(2) 工人违规操作,3名职工在清理地烘炉时,由于对环氧乙烷气体易燃易爆的危险 特性缺乏了解,在存在环氧乙烷和空气混合的环境条件下,使用铁锹清理煤渣碰撞产生火 花,导致了混合气体的爆炸。
事故发生后,企业负责人进行反思,充分地考虑了自身企业内部和外部的特征,重新 建立了企业安全文化,引导全体员工的安全态度和安全行为,通过全员参与实现了企业安 全生产水平持续提高。
根据以上场景,回答下列问题:
1-根据《气瓶安全技术规程》,简述气瓶的附件。
2-依据《安全生产法》,简述李某对本单位安全生产工作负有的职责。
3.简述装卸搬运气瓶管理要求。
4.依据《生产安全事故报告和调查处理条例》,简述事故调查组的职责。
机械制造A公司始建于2000年,占地面积18000 m2,专业从事铝合金重力铸造、低 压铸造、砂型铸造、铝合金铸件加工,2018年年度营收12亿元。
2018年10月16 0, A公司的2号加热炉工程发生一起施工升降机吊笼坠落事故,造 成7人死亡,2人重伤。
2018年3月18 0, A公司在资质不足,没有办理安全生产许可证的情况下,私自成 立项目部,使用本企业施工机具,招募劳务班组对该工程进行施工,由于搭设井架之前未 编制专项施工方案,施工人员仅凭“经验”搭设,搭设后也未按规范要求设置必需的安全 装置。
2018年10月16日,烟囱施工高度已达106 m,在烟囱顶部有13名工人绑扎钢筋和支 模板作业,完成后等待验收期间,13人中有5人乘吊篮下去。此时地面的卷扬机司机以为 还需检查一段时间,故拉上了卷扬机制动器后便离机。后因天气变化下雨,烟囱顶部的作 业人员准备下到地面,于是全部乘上吊篮(此时卷扬机司机仍不在岗位)。由于人员过多, 其重量超过卷扬机制动器的制动力,而吊篮又没有安装停靠装置,于是吊篮失去控制自动 下滑,又因无断绳保护装置,致使吊篮在无任何保护下直落地面,地面也没按规定装设缓 冲装置,过大的冲击及振动造成7人死亡,2人重伤。
A公司主要负责人王某在接到事故报告后,及时向政府有关部门进行了报告。
事故调查组在接下来的调查中发现:①该公司并无相关施工资质;②所使用的施工机 具在之前的检查中已经发现问题,但因该企业安全生产费用不足,并未对其进行整改; ③该公司缺少必要的安全生产管理制度,现有制度并未经过有关部门及人员审核审批,属 于为应对检查临时拼凑。
根据以上场景,回答下列问题:
1.简述A公司安全生产费用使用范围。
2.简述事故报告的内容。
3.简述A公司安全生产规章制度制定流程。
4.计算案例中所述机械制造公司2019年度应当提取的安全生产费用数目。
机械制造A公司是某大型国企所属子公司,负责人为邹某,经营范围:自动化、航 空、基础科研、光纤、通信、半导体、电子、医疗器械、避震器等设备配件的精加工服 务。目前公司拥有5轴全自动坐标测量仪(CMM)、光学投影仪等先进的检测仪器和多轴-CNC车、走芯机、4轴与5轴CNC铁、自动平面磨、线切割、冲压机等生产设备。
2015年4月11日13时左右,冲压机操作工吴某在公司102车间北线冲压机一工位开 始从事冲压作业。14时40分左右,吴某发现冲压机安全门内冲头动作异常停止了工作, 在未按规定断开电源且未按下急停按钮、未通知第二人现场监督情况下打开安全防护门, 将手进入到该设备的机械手工作区域内进行维修作业。维修作业完成后,由于此时冲压机 电源仍处于接通状态,冲头突然恢复快速运动撞击吴某双手,发生了冲压事故。
事故发生后,在距事发地约6 m的称重操作台工作的郭某听到吴某工位的响动声后, 发现吴某摔倒在冲压机旁边,呼喊在冲压机西侧(距事发地约4m)的王某立即切断电源 同时跑向事发地点。郭某到达现场后与到达现场的王某将吴某平抬至安全地带,并立即拨 打了 “120”急救电话,15时1分,医院急救中心救护车到达事故现场,并将伤者送往医 院进行抢救。
当地安全生产监督管理局于2015年4月11日16时左右接企业事故报告,随后立即组 织人员实地核实情况。经调查发现,该厂机械设备大部分没有设置警示标牌及操作规程, 虽然每日安全培训及定期安全培训资料充足,但大多数流于形式,作业人员无法理解,该 厂的主要领导除公司大会之外从不到场,并未组织过任何安全检查。
根据以上场景,回答下列问题:
1.简述该事故的直接原因和间接原因。
2.列举冲压机安全保护控制装置,并简述其相应的安全要求。
3.为预防此类事故再次发生,简述事故防范和整改措施。
4.简述A公司的安全生产主体责任。
甲气瓶有限公司成立于2005年3月23 0,属于非金属矿物制品业,主营行业为专用 设备制造业,力口工方式为OEM加工,加工工艺为涂层、'其他机械五金工艺,服务领域为 安全防护、医用、军工、矿业、航空航天等,现已建成φl40~180 mm, φ219~232 mm钢 质无缝气瓶生产线各四条,民用液化石油气钢瓶生产线两条,©232 ~ 406 mm车用压缩天 然气瓶生产线和车用压缩天然气钢质内胆环向缠绕气瓶生产线各一条,得到Bl、B2、B3 级压力容器制造许可,并正式投产。工业、民用气瓶、天然气瓶年生产能力200万只。
2019年2月3日10时57分,乙公司气瓶运输车辆驾驶员林某和叉车驾驶员张某,在 甲公司气瓶车间装卸气瓶完毕。张某把刚作业完毕的叉车停在气瓶货车左侧,此时叉车和 货车垂直停靠,叉车货叉一端指向货车,叉车货叉顶端和货车左侧厢门之间相距2m0林 某和张某一起关闭气瓶货车左侧厢门,随后再将叉车挂到货车尾部。
11时10分,张某接到甲公司现场负责人通知,另一车间重型物资箱需要临时进行搬 运,因急于去隔壁公司现场卸货,张某超速驾驶叉车出车间门左转弯上厂区大道时,撞压 2名警卫,致使两人当场死亡。
事故发生后,经过调查组综合分析后认定此事故的直接原因为张某忽视安全,违章驾 驶车辆。
为保证安全生产,甲乙两公司决定充分考虑自身内部的和外部的文化特征,引导全体 员工的安全态度和安全行为,建立了符合本企业实际情况的安全文化,以实现企业安全生 产水平持续提高。
根据以上场景,回答下列问题:
1.简述叉车使用安全技术。
2.简述叉车月检项目。
3.简述企业安全文化建设基本要素及内容。
4.简述企业安全文化建设的操作步骤。
B酿酒厂创始于1976年,有着多年的酿酒史,是一家集白酒生产、研发、销售为一 体的制造型企业,企业厂区占地面积2万多平方米,建筑面积1万多平方米,拥有先进的 生产和检测设施,以优质高粱为主要原料,年产IOOOO t优质白酒。
B酿酒厂公用设施齐全,有两条110 kV容量50000 kV的供变电系统、年运输能力为 IoXlO41铁路专用线、三台35 t的热电锅炉。2019年9月11日,某公司与B酿酒厂签订 租赁合同后,注入2000多万元资金,对该厂进行了技术改造,采用新技术投入到生产, 增加产量。为保证生产安全,该公司决定构建适于本厂的双重预防机制,并聘请一定数量 的注册安全工程师从事安全管理工作。但因发展初期资金相对较为匮乏,双重预防机制并 未建立完好。
8月3日10时30分左右,该工厂内主厂房工段泵房岗位1号高压液氨泵因泵头内漏 严重,准备更换泵头。操作工接工段指令顺利倒入2号泵后,开始对1号泵进行更换。当 操作工逐渐关小1号泵进口第一截止阀时,紧连着该阀的起备用作用的第二截止阀压盖开 始发生泄漏,随即该处垫片被冲出,泄漏量瞬间増大。由于该操作工事先戴好了防毒面 具,未导致中毒窒息。
正在现场指挥作业的车间主任王某未采取任何应急措施而独自撤离现场。因电源未切 断,液氨发生爆炸,共计造成8人死亡,45人受伤。
事故发生后,事故调査组经调查发现:①1号液氨泵出口第二高压截止阀严重内漏, 当操作工关小该泵进口第一截止阀后,包括第二截止阀在内的一小段中压管线内压力骤然 升高,导致第二截止阀压盖垫片超压冲出,液氨大量外漏,迫使系统紧急停车;②由于车 间不久前进行人员调整,王某由采购部门调入车间尚不足半月,并无应急管理的经验,发 生事故自身惊慌失措,这是导致事故恶化的主要原因;③安全生产管理制度,尤其是综合 安全管理制度不健全;④本厂专职安全管理人员靳某在上次的检查中已经发现设备问题, 但并未上报。
才艮据以上场景,回答下列问题:
1.简述液氨泄漏的应急处置措施及注意事项。
2.简述该工厂安全生产规章制度体系中,综合安全管理制度的内容。
3.简述构建双重预防机制的主要内容。
4,该工厂注册安全工程师参与并签署意见的安全工作有哪些?
位于G省的A造纸厂有限公司创建于2005年,注册资金300万元,现有职工873人。 主要产品包括胶版纸、书刊纸、其他文化、印刷用纸等。
2013年初,该企业为扩大经营,于甲市青年湖原址新建一厂房。建筑面积为1276 m2, 结构类型为现浇框架剪力墙结构,工期为2013年4月16日至2015年10月15日。所使用 的设备有塔式起重机10台,打桩机5台,汽车起重机40辆,渣土车20辆,氧气瓶乙焕瓶 若干,电焊机40台,钢筋切断机10台。
2014年3月24日8时50左右,职工吴某刚刚上班,正做焊接前的准备工作:先将压 力调节器安装在乙族瓶上,随手打开瓶阀,以便查看瓶内压力情况,在打开瓶阀的瞬间, 乙焕瓶突然爆炸,几秒钟后又发生一次大爆炸,吴某当即死亡,附近人员伤亡严重。
在场多人听到两次爆炸声,并看见事故气瓶在爆炸前先有烟气出现。据判断,乙块瓶 第一次爆炸后,瓶内乙焕气和气态丙酮急速向空间扩散,再与空气混合成易燃易爆气体, 加之现场存在很多点火源,从而导致第二次爆炸事故的发生。
事故导致4人死亡、14人重伤、2人轻伤,设备受损61台,仪器仪表损坏14台,周 边居民房也受到一定的损失,预计直接经济损失约为1300多万元。后经调查发现,施工 中的焊接作业并无相应防火花飞溅措施且安全距离不足,加之工作当天风力较强,飞溅的 火花飘至气瓶处导致事故发生。且气瓶本身存在一定缺陷,气瓶的安全技术档案不全。
根据以上场景,回答下列问题:
1.根据《特种设备安全法》,简述特种设备安全技术档案内容。
2.根据《企业职工伤亡事故分类》(GB 6441),简述该施工现场存在的危险有害 因素。
3.简述气瓶安全操作要求。
4.为预防事故的再次发生,A公司应采取哪些安全措施?
A公司是一家烟花爆竹生产企业,成立于2005年6月15日,注册资金1500万元,占 地面积9400 m2,建构筑物总数为57栋,2006年3月A公司申请安全生产许可证,并在3 月底取得安全生产许可证。2014年7月,A公司新建了 1个储存烟花爆竹的仓库,于2015 年12月委托某评价公司进行了安全验收评价并投入生产使用。
2016年8月16日9时47分,该公司工人在礼花弹装药工房进行礼花弹生产作业时引 发爆炸,随后引起装药间和2个中转间的开包药、效果件、半成品爆炸,爆炸冲击波、抛 射物体、燃烧星体,又引起厂区其他部位陆续发生9次爆炸。本次事故共计造成29人死 亡,152人受伤、直接经济损失6818万元。
有关政府在事故发生后立即组成事故调查组,在调查过程中发现以下问题:
(1) A公司生产管理混乱。
(2) 存在超许可范围生产烟花、超人员和超药量生产。
(3) 企业内外部安全距离不够、擅自扩大生产区域并新建大量工,(库)房。
(4) 随意改变工房设计用途。
(5) 生产工艺布置和建筑结构不符合国家标准等多项违法违规行为O
(6) 每年的安全生产费用提取不足,部分费用挪作他用。
(7) 相关部门对A公司未认真履行监管职责,对A公司长期存在的违法违规生产等 问题监管不力。
相关部门依照法律法规要求A公司立即整改。A公司主要负责人为防止此类事故的发 生,对从业人员进行安全教育培训,提高从业人员的安全意识;建立健全安全生产责任 制;加大安全生产费用的提取。 -
根据以上场景,回答下列问题:
1.依据《生产安全事故报告和调査处理条例》(国务院令第493号),简述该起事故 等级,事故应当逐级上报至哪级政府有关部门。
2.简述A公司安全生产费用的使用范围。
3,简述导致本次事故发生的间接原因。
4.简述该企业申请安全生产许可证需要具备的条件。
从事砂砖生产的A公司主要负责人为张某,主要生产经营耐火砖、烧结砖、景观砖、 广场砖、透水砖、陶瓷透水砖、铺路砖、铺地砖、草坪砖、仿古砖、人行道砖、彩砖、耐 酸砖、特耐砖、浇注料等相关产品。厂区占地面积达5500 m2,拥有80 m隧道窑两条,大 型压砖机10台,固定资产IOOO万元,年产各种烧结的铺路砖、透水砖60多个花色品种, 超60×104 m2o产品主要应用于公园、广场、生活小区、别墅区、厂区、工业园、学校、 家庭庭院、公路两侧走道等的地面铺设。
2017年12月29日下午,A公司共有43个工人正常上班作业。约14时30分,锅炉 操作工吴某将该厂3个蒸压釜中的2号釜的东头釜盖关上后,再将2号釜的西头釜盖关上 (该厂3个蒸压釜均为直径1.65 m,长21 m的压力容器)。
14时40分,吴某将3号釜的蒸气输入2号釜,至2个釜的蒸气压力平衡时,吴某关 闭两釜间的连通阀,然后到锅炉房烧锅炉并送气进2号釜。在15时40分左右,当压力达 到0. 8 MPa后,吴某推车拉煤,约在16时蒸气釜盖处已开始漏气,2号釜西头的釜盖滑 脱,釜内的蒸气向西喷出"其釜盖及喷出的通车将蒸压釜西侧的打砖车间摧毁。与此同 时,巨大的反冲力将釜体射出,当场致死7人、致伤25人。
事故发生后,生产副总王某决定启动应急预案,但因安全管理不到位,事故应急预案 流于形式,与实际严重不符,造成了施救困难,事故扩大,致伤人数中又有10人死亡。
当晚,设区的市级人民政府成立了以副市长为组长的事故调査组,立即开展了有关事 故的取证和调查工作。经调查发现:①吴某并无《特种设备操作证》,在蒸气反应釜出现 问题的情况下继续供气;②当地出具的检测报告中,综合结论该压力容器的安全状况等级 为4级,按规范要求是属于必须采取有效措施进行整改,否则只能在限定条件下使用; ③企业缺少必要的定期安全检查o
才艮据以上场景,回答下列问题:
1.简述应急预案的编制流程。
2.简述张某在事故发生后应采取的应急措施。
3.简述A公司的安全生产检查的类型。
4.简述A公司各类人员的安全培训要求和培训学时要求。
A烟花厂成立于2014年,占地面积2万余平方米,注册资本共1585万元,其中从业 人员218人,专职安全员3人。场内有主要办公大楼15栋,并配备电梯,转运车间20个, 并配有叉车。
2015年9月9日,A烟花厂发生烟花爆竹爆炸事故,造成8人死亡。事故发生后,当 地人民政府责令其停产整顿,但事故遗留的烟花因其化学性原料不稳定,存在安全隐患。 9月28日,安监部门下达了事故隐患整改通知,责成A烟花厂对事故遗留的半成品限时 妥善处置。
10月30日,A烟花厂一方面着手处理该重大隐患(销毁炸药的非本厂人员,由无资 质的劳务公司进行),另一方面在未进行安全设计审查的情况下新建烟火药混合车间(与 炸药销毁处的距离不足100 m),该项目由B公司实行总承包,主要使用的设备有起重机 械、带锯机、圆锯机、氧气瓶、乙焕瓶、特种电动机等。
2015年11月15日,劳务公司负责人张某为了赶任务,下午4时左右在炸药销毁处交 代管理人员李某等人晚上加班,把白天未销毁完成的炸药全部销毁(此时堆放的炸药远超 安全量)。下午6时左右开始加班,当时拉有2盏鸨灯分别立在消防栓旁和水沟围墙外, 张某在简单巡视之后便离开销毁现场。
20时50分左右突然发生爆炸,张某赶到现场时已经有伤员跑出来,张某立即组织人 抢救和灭火,并叫人开车来运送伤员,一部分人抱伤员上车送医院抢救,一部分人拿水桶 打水救火,直至县消防队赶到后才将火彻底扑灭。A烟花厂炸药销毁处附近的药工房、新 建烟火药厂房、杂物房全部炸毁。该起事故造成13人死亡,13人受伤(其中重伤12 人),直接经济损失160余万元。
后经事故调査分析发现,新建厂房临时用电所用电缆机械强度不足,发生断裂;销毁 处堆放炸药数量过多,且二者安全距离远远不足,漏电电缆被风吹到炸药上成为其引燃 源,最终导致爆炸事故的发生。
根据以上场景,回答下列问题:
L简述A烟花厂对B公司的安全管理要求。
2.依据《建设项目安全设施“三同时”监督管理办法》,简述建设项目安全设施设计 审查资料清单。
3.简述该起事故的直接原因和间接原因。
4.简述电缆敷设一般规定。
位于甲省的A水泥有限公司,始建于2000年,是一家拥有固定资产6000万元,年产 水泥120×104t,年产值5000万元的水泥企业。现有员工190人,拥有©3.2x13 m水泥磨 机3台。
2011年9月,该公司发生一起火灾事故,因发现及时,并未造成人员伤亡。后经调查 发现,该厂5号车间电缆破损,引燃堆积杂物造成了火灾事故。因未造成人员伤亡,该公 司只派安全管理员张某和电工李某对电缆线路进行了简单巡查,并未采取其他措施。
2012年10月29 0 3时左右,甲班组有82人进行夜班工作,其中5号车间有35人, 其他地点47人。夜班安全巡查员王某巡查至5号车间的时候发现车间内有浓烟冒出,于 是向安全总监和生产副厂长进行了报告。3时20分,生产副厂长接到报告后,一是通知电 工紧急切断5号车间供电,二是向厂长靳某和总经理成某作了汇报。成某随即逐级上报并 通知救护队紧急救援。
接到报告后,有关部门迅速成立抢险指挥部,迅速开展了抢险救援工作。有关领导也 赶到事故现场,对抢险救援工作提出了具体要求。
该公司有关负责人于10月29 0 4时50分带领第一批救护队员进入车间进行抢救,在 5号车间紧急逃生门的位置发现21名遇难人员。
救援工作结束后,有关部门成立了调查组,事故调查结果如下:5号车间长期满负荷 和超负荷运行,导致电缆加速老化、绝缘性能降低、温度升高,点燃积存在地板上的木料 等易燃杂物。经现场勘察、取证、分析,认定这是一起责任事故。
根据以上场景,回答下列问题:
1.简述产生危险温度的因素。
2.简述事故调查报告的内容。
3.简述火灾类别并判定本次火灾事故的类型。
4.简述为防止此类事故再次发生,企业应采取的安全措施。
位于甲省的A亚麻厂是当地规模较大的亚麻纺织厂之一,2015年投产,有职工625 人,生产规模2160锭,固定资产原值IOoo万元,年产值近1亿元,利税4000万元。
2015年3月15日凌晨2时39分,该厂正在生产的梳麻、前纺、准备3个车间的联合 厂房,突然发生亚麻粉尘爆炸起火,造成停电停水并致使当班的477名职工大部分被围 困。在消防救援人员、市救护站和工厂职工的及时抢救下,才使多数职工脱离了危险。
该起事故使L 3XlO4 m2的厂房遭受不同程度的破坏,2个换气室、1个除尘室全部被 炸毁,整个除尘系统遭受严重破坏;部分厂房墙倒屋塌,地沟盖板和原麻地下库被炸开, 车间内的189台(套)机器和电气等设备被掀翻、砸坏和烧毁,造成梳麻车间、前纺车 间、细纱湿纺车间全部停产,准备车间部分停产。由于厂房连体面积过大,给职工疏散 带来困难,职工急性中毒25人,重伤65人,轻伤112人,死亡28人,直接经济损失 880万元。
事故发生后,政府组织有关部门和有关专家成立了事故调査组,进行了3个月的调査 工作。经过核定事实,最后得出结论:①安全生产管理人员在检查出事故车间白炽灯存在 问题后,并未上报;②粉尘沉降室两个月已没有清理,加上近几天天气晴好,空气干燥, 该粉尘沉降室漂浮的粉尘浓度达到爆炸极限遇静电火花而发生爆炸。
根据以上场景,回答下列问题:
1.依据《安全生产法》,简述生产经营单位的安全生产管理机构的安全生产职责。
2.简述粉尘爆炸的条件及特点。
3,根据《生产安全事故报告和调查处理条例》(国务院令第493号),判断该起事故 等级并简要描述判别标准。
4.为预防此类事故再次发生,A公司应该采取的技术措施内容。
A厂是一家制桶厂,厂长为李某,位于某市经济开发区,厂房占地面积3000 m2,现 有从业人员1200 AO主营业务为化工、食品、燃料等行业提供纸板桶、全纸桶、方桶、 铁箍桶等包装。
2000年4月7日晚18时45分许,该制桶厂涂装车间在生产时突然发生爆燃,并引燃 车间内堆放的涂料等物品,火势迅速蔓延扩大,当班工人随即报警。19时13分,消防车 赶到现场展开扑救。19时30分左右,政府部门领导先后赶到现场,指挥灭火及救援工作。 经紧急排查,认定现场有4名职工被困。19时43分,火灾现场救援人员搜寻到两名工人, 经确认已死亡;20时5分,大火被彻底扑灭;20时10分,另两名工人在火场被找到,也 已死亡。火灾中另有两名工人受伤。
事后经过对火灾现场勘探,发现涂装车间在厂区北侧,与制桶车间连为一体,车间长 38 m、宽24 m、高7 mo车间内主要生产设备为涂装前清洗生产线、喷漆生产线、烘干 线、印字4个部分。
事故调查组认定该起事故是一起由于生产设备缺乏有效的安全装置、严重违章、公司 制度混乱、从业人员安全意识薄弱而造成的责任事故,A公司为了杜绝此类事故的发生, 釆取了以下措施:
(1) 在各车间设置了安全标志。
(2) 建立健全安全生产规章制度和各项安全生产操作规范,编制相关的安全技术 措施。
(3) 加强职工的安全教育。
(4) 将涂装车间位置进行调整,并提高其建筑物防火等级。
(5) 设置安全有效的安全装置。
才艮据以上场景,回答下列问题:
1.指出涂装车间入口处应设置的安全标志并说明其提示的内容。
2.依据《企业职工伤亡事故分类》(GB 6441),简述A厂涂装车间可能存在的事故 类型。
3.依据《安全生产法》,简述李某对A厂安全生产工作负有的职责。
4.简述发生事故后现场作业人员应当釆取的应急措施。
7月8日上午,某公司施工人员刘某到现场巡查发现1号机和3号高加汽侧管道底部 放水管(属于压力管道)有泄漏,随机向汽机检修班汇报缺陷情况,汽机检修班副班长吴 某立即将此情况向汽机检修分部经理和设备部点检员报告,汽机检修分部经理袁某接到报 告后,考虑到泄漏点不大,决定同意进行带压堵漏工作。
7月8日下午,接到带压堵漏工作任务后,该公司维修工刘某现场对泄漏放水管进行 了尺寸测量,准备加工带压堵漏用的夹具,同时要求汽机检修本体班副班长开工作票,汽 机检修班提交检修作业工单,并指派汽机检修班吴某为工作负责人,提请运行人员办理工 作票。16时,张某和吴某一同前去一期集控室办理工作票。运行当班控长黄某在办票时, 认为票面上所列的安全措施不需要进行系统隔离,无须停运设备,并强调了施工前对工作 人员所必须采取的防范和防护措施。吴某在工作票安全措施执行栏打“V”确认。16时 10分,当班值长周某和控长黄某分别签发和许可了工作票。
7月9日14时30分,工作人员刘某和王某在没有通知检修班组和部门的情况下,自 行到1号机3号高加泄漏点开始带压堵漏工作。在堵漏过程中,因为发现放水管泄漏点附 近管道有锈蚀现象,刘某对泄漏点管道进行除锈作业,15时00分左右,作业点放水管突 然爆破断裂,高温汽水混合物喷出,造成在现场作业的刘某被烫伤,在一旁工作的王某被 蒸汽压力波推到楼梯口的墙壁边。电厂人员接通知后迅速到达现场,用担架将伤者紧急送 到市中心人民医院抢救,相关人员的伤情经劳动能力鉴定委员会鉴定为二级伤残。
为防止此类事故的发生,该公司对从业人员进行了安全教育培训,针对具体的场所、 装置制定了相应的现场处置方案。
根据以上场景,回答下列问题:
1.简述现场压力管道巡回检查项目的内容。
2.依据《工伤保险条例》,简述王某依法享有的工伤待遇。
3.针对压力管道泄漏情况,简述不能进行带压堵漏的情形。
4.简述压力管道事故发生的原因。
■位于甲县的A公司是一家皮毛硝染企业,公司类型为有限责任公司,注册资本300万 元,公司现总资产1430多万元,占地面积20250 m2,设有生皮糅制车间、染色车间、污 水处理车间等,经营范围为毛皮躱制加工,生皮、熟皮储存,毛皮服装、毛皮制品加工、 制作、销售等。企业属季节性生产,旺季时员工240余人,淡季时50人左右。
2015年10月14日9时30分左右,该公司污水处理车间当班工人吴某在清理预曝调 节池作业过程中,中毒昏厥倒在池中。该池为混凝土结构,长H m,宽4.2m,深3.8m, 顶部为混凝土预制板盖板,在池子东南角留有长L 6 m、宽0.7 m的人孔口,为有限空间 且池内有大量硫化氢气体。发现吴某昏迷后,在事发现场的公司职工李某、孔某和附近的 刘某3人,在未采取任何安全防护措施的情况下,先后顺竹梯下到池底盲目救援,均中毒 昏厥倒在池中。
10月14日10时10分左右,附近车间马某外出时发现污水池内昏迷的4人,一方面 告知附近工人并用鼓风机向池中鼓风,另一方面拨打“120”急救电话。救援人员赶到现 场后给中毒人员采取按压心脏等急救措施,并先后送至当地卫生院救治。因中毒窒息时间 过长,4人经抢救无效死亡。
事故单位负责人董某缺乏事故报告的相关知识,事故发生后3 h县安全监管局才得到 事故报告,造成事故迟报。
事故发生后,当地有关部门十分重视,立即成立事故调查组,事故调查组按照“四不 放过”和“科学严谨、依法依规、实事求是、注重实效”的原则,通过现场勘察、检测 检验、调查取证、询问有关人员,查清了事故发生的经过、人员伤亡和直接经济损失,查 明了事故原因,认定了事故性质,提出了对有关责任人员和责任单位的处理建议,并针对 事故暴露出的突出问题制定了防范整改措施。
本次事故,4名职工每人丧葬费为20万元,李某、孔某家属抚恤费用为每人5万元, 现场抢救及清理现场费用共计3万元,处理环境污染1万元,罚款10万元,该公司给予 施救人员奖金共4万元。
根据以上场景,回答下列问题:
1.指出本次事故的直接经济损失并计算总数。
2.简述该企业主要负责人董某的培训内容。
3.根据案例判断施救人员应佩戴的呼吸道防毒面具种类,并简述原因。
4.为预防此类事故的发生,A公司应该釆取的管理措施内容。
位于甲省乙市的A公司是一家大型的机械加工企业,占地面积8000多平方米,注册 资金580万元。在设备方面,公司有1060加工中心1台,850加工中心4台,640加工中 心4台,数控车床8台,另有磨削专用砂轮机数十台。
2019年1月,该企业主要负责人李某决定对厂内一磨削厂房进行扩建。为保证生产效 率,李某在满员50人车间不停产的前提下,对厂房进行扩建。后续为保证安全,李某聘 请无安全管理资质的沈某负责门卫、安全检查等工作。磨削车间堆放了大量油漆及香蕉 水,原本设立的两个安全出口处堆放了大量标砖。
1月26 0 7时20分许,该磨削车间砂轮机操作工人吴某进入车间时,发现装修班组 正在其工作台附近进行涂料混合作业,为保证安全,吴某向沈某建议暂停涂料混合作业, 沈某以工作距离满足安全要求为由拒绝该建议。8时,吴某操作的砂轮机磨削产生的火花 引燃了香蕉水,火势迅速将室内堆放的多桶涂料、油漆及半成品引燃,并发出爆炸声。
由于安全出口被堵塞,吴某等人员未能及时撤离,并造成安全出口拥堵。约8时30 分,大面积的爆炸导致厂房坍塌,其他厂房人员立即拨响了火警电话,消防救援人员到达 现场后立即开展抢救工作,并与“120”急救人员共同对伤者进行施救,但因爆炸及厂房 坍塌过于严重,事故共造成包括吴某在内的9人死亡,21人重伤。
事后,政府立即成立了事故调查组,对该起事故进行了调查。
根据以上场景,回答下列问题:
1.根据《生产安全事故报告和调查处理条例》,判断负责调查该起事故的政府层级及 事故调查组的构成。
2.简述事故调査组应履行的职责。
3.根据《安全生产法》,简述李某的安全生产职责。
4.根据该案例,判断该工厂存在的安全隐患有哪些。
5.简述砂轮机操作要求。
位于甲市的汽车冲压件生产企业A公司,成立于2003年,固定资产原值IOoo万元, 下设3个车间,1个库房以及安全部、生产部等5个科室,员工55人,主要产品为汽车冲 压件,年销售收入900万元左右。供热设备为一台130 t/h燃煤锅炉,产生的蒸汽由公称 直径为500 mm、输送压力为IOMPa的管道向全厂运送。
2013年9月,该公司新建厂房,用于汽车冲压件生产。厂房主体为砖混结构,建筑面 积3219 m2(⅛×宽X高= 59.4 m×54.2 m×9 m),建设投资80万元。该项目于9月30日开 始施工建设,施工队伍为当地临时组织的施工队伍,无营业执照,无建筑施工资质,有30 余人,建筑队负责人刘某。在施工现场在用设备有汽车起重机2台,运送物料的叉车5 辆,混凝土搅拌机,电焊机及乙焼气瓶、氧气瓶等。
2013年10月9日7时30分左右,刘某安排建筑队工人冯某、吴某、严某3人负责在 建厂房立柱的钢筋运送及捆绑工作(冯某为班组长),H)时30分左右,冯某在建筑厂房 施工搭建的架子面向上拽拉钢筋时接打电话,不慎将钢筋搭在了附近高压线上造成 触电。
事故发生后,在场施工人员立即通知了刘某,并拨打了 “120”急救电话。为争取时 间,刘某开车将冯某送往附近医院进行救治。13时左右,冯某经救治无效死亡。
后经调查发现,该施工班组进场前,并未签署有关安全协议,A公司无专门安全管理 人员对班组进行管理;且该班组从未建立有关安全管理制度,也未对班组成员进行过安全 培训及教育,项目自从开始建设后,有关政府部门从未对A公司进行检查。
根据以上场景,回答下列问题:
1.指出A公司及建设项目施工现场存在的特种设备。
2.根据《特种设备安全监察条例》,简述特种设备安全技术档案应包含的内容。
3.结合案例,指出该起事故的直接原因和间接原因及事故的性质。
4.简述该施工班组成员应该接受的班组级培训内容。
5.简述A公司对施工队现场安全管理要求。
C企业为一家大型饲料生产企业,产能为60万t∕a,有员工216人。设有生产部、销 售部、安全环保部、综合部、保障部等部门。
C企业主要生产设施包括前端设施、饲料生产设施及辅助设施。前端设施包括卸粮 坑、原料立筒仓等原粮接收装置;饲料生产设施包括待粉碎仓、配料仓、待制粒仓、粉料 成品仓、斗式提升机、脉冲式除尘器等;辅助设施包括单独设置的除尘器风机房、成品库 (包装)、中央控制室、机修间、消防泵房等。
由于对粉尘防爆标准理解有误,C企业将前端设施、饲料生产设施及辅助设施一律按 粉尘爆炸危险场所20区进行管控。
2020年9月,为了满足饲料生产和冬季供暖的需要,C企业新增1台6 t/h的天然气 蒸汽锅炉。在锅炉投入使用前,安全环保部对该锅炉的安全装置进行了全面检查,发现锅 炉燃烧器安全与控制装置部分部件缺失,只配置了自动控制器和火焰监测装置两个部件。 C企业保障部随后联系锅炉供货厂家进行了补充安装。
2021年6月,为了全面排査粉尘爆炸隐患,C企业聘请了有资质的D公司对饲料生产 全过程进行了防火防爆专项评估。D公司评估发现,C企业采取了下列防火防爆安全措 施:制定了防火防爆安全管理制度;在原料进入设备加工前安装去除金属杂质的磁选设 备;车间电气设备均选用防爆型;所有设备设施、金属管件等均设置静电保护接地;厂房 设施设置防雷接地装置;干燥设备采用隔热保温层;所有轴承釆用防尘密封;生产系统设 置防火防爆相关安全标志标识。D公司在评估后指出:C企业针对人员作业时在防火防爆 方面的要求还有欠缺,针对设备设施方面的防火防爆措施还需完善,并提出了整改建议。
C企业按照D公司的建议整改后,由安全环保部组织对整改情况进行了现场检查。检 查发现,斗式提升机防打滑防跑偏的安全装置脱落失效,需要重新焊接。保障部随后按规 定办理了《动火作业许可证》和《临时用电许可证》后,开始进行电焊维修作业,并全 程安排专人监护。
才艮据以上场景,回答下列问题:
1.根据《粉尘防爆安全规程》(GB 15577),指出C企业粉尘爆炸危险场所的分区错 误并纠正。
2.列出6 t/h天然气蒸汽锅炉供货厂家补充安装的燃烧器安全与控制装置部件。
3.完善C企业针对人员作业时在防火防爆方面的要求。
4-简述C企业保障部进行斗式提升机焊接动火作业前应采取的安全措施。
F集贸市场是建设在东西走向干涸河道空间上的二层建筑。该建筑地上一层有20个 餐饮和零售铺面,东西长IOOnɪ,南北宽20 m;负一层为河道空间,长约110 m,宽约 18 m,高约3 m,其南、北、西侧均被封堵,只能通过东侧一个2 mx2 m入口进出。
F集贸市场南侧路面下有DNIOO mm、压力0. 5 MPa燃气管线。2010年该管线被第三 方施工单位挖断,导致燃气泄漏并引发火灾。事故发生后,燃气管线业主单位E燃气公司 改变了燃气管线敷设路径,从F集贸市场西侧负一层河道空间内由南向北穿越,穿越位置 距离东侧入口 95 m0
F集贸市场一层餐饮商户使用燃煤鼓风灶具,常年向负一层排放带火星的油烟气体; 部分生活污水直接排到负一层河道空间内,导致燃气管线穿越部分长期受污水腐蚀。
河道空间内刺激性气味刺鼻,E燃气公司未给检查人员配备相关安全防护装备,在进 行燃气管线安全巡检时,检査人员无法到达穿越管线位置。
2021年5月10日22时许,F集贸市场一层商户闻到疑似天然气泄漏的刺激性气味, 向E燃气公司报修。E燃气公司接报后,未及时派人前往现场处置。11日5时,疑似天然 气泄漏的刺激性气味更浓,商户再次向E燃气公司报修,并拨打“119”报警。5时15 分,燃气公司员工到达事发现场,在东侧入口处检测到天然气浓度超过8% ( V/V),随即 前往天然气管线上游阀门井处关闭阀门。随后,消防、应急、市政等部门抢险人员陆续到 达现场。燃气公司员工对到达的抢险人员表示,泄漏燃气管线阀门已关闭,燃气泄漏事故 已得到控制。
5时30分,F集贸市场负一层河道空间内发生爆炸事故,事故造成15人死亡,31人 受伤,F集贸市场地上一层建筑损毁,周边相邻建筑不同程度受损。
经现场勘查,排除了人为纵火、电气火花点燃泄漏天然气发生爆炸的可能性。
根据以上场景,回答下列问题:
1.分析该起事故的直接原因。
2.指出E燃气公司员工进入F集贸市场负一层对燃气管线巡检时,应配备的安全与 防护装备。
3.简述燃气泄漏发生后应釆取的应急处置措施。
4.分析E燃气公司在安全管理中存在的问题。
G公司是位于H市的一家汽车零部件生产企业,共有员工600人,主要建筑设施包 括:一栋建筑面积15000 n?单层生产车间和库房、一栋建筑面积2000 m2 Ξ层办公楼、配 套的能源动力等生产辅助用房及公司食堂等。食堂东侧设独立液化气气瓶间。G公司主要 生产车间包括模塑车间、喷涂车间和成型车间。
G公司模塑车间和喷涂车间为全自动生产线,产品在模塑车间成型后,通过生产线传 送至全封闭喷涂车间,由机械手进行涂装,然后进入暂存区储存,最后转运到成型车间, 进行人工抛光打磨。喷涂车间有4个涂装间,车间门口设置“严禁烟火”和“必须穿防静 电服”安全标识。
'液化气气瓶间为砖混结构建筑,耐火等级为二级,是G公司的重点防火区域。G公司 安全生产管理人员编制了安全检查表,并定期对气瓶间进行安全检查o
2019年3月,G公司计划在生产车间西侧新建一个能容纳30台叉车(铅酸电池)同 时充电的叉车充电间。经过招投标,I建筑公司承包了 G公司的叉车充电间施工项目。叉 车充电间属于易燃易爆场所,G公司按照“三同时”规定,要求承包单位在充电间内配置 相应的安全设施。
因工期紧张,I建筑公司在中标当天即安排6名建筑工人进入G公司施工。在施工第 三天,H市应急管理局到G公司进行专项安全检查,发现G公司无承包商安全管理制度, 未对承包商进行管理,I建筑公司员工对施工现场的危险因素不了解,且无证进行焊接作 业。H市应急管理局责令G公司和I建筑公司立即停止施工,并要求限期整改。G公司和 I建筑公司按照要求进行了整改。2019年8月,叉车充电间建成并投入使用。
为规范安全生产管理工作,G公司从2020年2月开始开展安全生产标准化二级达标 工作,并成立了以公司总经理为组长的安全生产标准化领导小组。G公司对照《机械制造 企业安全生产标准化评定标准》开展自评,发现存在下列安全问题:①未对新员工进行三 级安全教育培训;②未为2019年入职员工缴纳工伤保险;③喷涂车间安全标识不全;④ 成型车间未制定相关设备安全操作规程;⑤食堂未进行危险有害因素辨识;⑥叉车充电间 未编制作业人员应急处置卡。
根据自查情况,G公司安全生产标准化领导小组作出安排,对检查出的现场安全问题 进行了整改。2020年12月,G公司顺利通过安全生产标准化二级评审。
根据以上场景,回答下列问题:
1.补充完善G公司喷涂车间应设置的安全标志标识。
2.分析G公司新建叉车充电间应配置的安全设施。
3.简述叉车充电间施工项目中,G公司对I建筑公司的安全管理责任。
4.根据《企业安全生产标准化基本规范》(GB/T 33000),指出G公司自评中发现的 问题所对应的体系一级要素。
5.简述液化气气瓶间安全检査表的主要内容。
2019年7月14日14时,P开发区Q发电厂烟气脱硫脱硝工段液氨罐区的2号储罐发 生泄漏,造成厂内正在液氨罐区下风向IOOm处煤场作业的4名作业人员中毒,以及下风 向15Om处Q发电厂外鱼塘边垂钓者多人感觉不适。
14时15分,Q发电厂总经理甲接到事故报告后,立即启动应急救援预案,成立了现 场应急指挥小组。随后,Q发电厂监控室拉响应急警报,启用应急广播,疏散厂区内人员 至安全地带,并拨打“119” “120”等报警求助;同时甲向P开发区管委会报告了事故 情况。
P开发区管委会随即启动了区级应急救援预案,组织Q发电厂周边人员紧急疏散。14 时30分,P开发区消防救援大队2台消防车和抢险人员到达事故现场。抢险人员经过 30 min的处置,成功封堵液氨储罐泄漏点,并对泄漏现场进行了洗消。17时10分,技术 人员用气体检测仪对事故现场及周边区域进行检测,确认险情已被排除,在清点核实人数 后,事故现场应急救援工作结束。
Q发电厂液氨罐区有2个容积100 m3液氨储罐,最大充装系数0. 8,设计压力2.5 MPa, 最高工作压力1. 2 MPa)安全阀开启压力1. 6 MPa,现存液氨80 to
Q发电厂液氨罐区属于扩建项目,设计和施工由R公司承担。R公司具有相应的甲级 设计、施工资质。该项目未按规定履行安全设施“三同时”手续,液氨储罐未按规定在特 种设备安全监督管理部门办理使用登记。
根据以上场景,回答下列问题:
1.判断Q发电厂液氨罐区是否构成重大危险源,简述液氨储罐泄漏应采取的应急处 置措施。
2.简述Q发电厂针对液氨储罐泄漏编制的专项应急预案的主要内容。
3.列出液氨罐区扩建项目的主要安全设施。
4.为防止类似事故发生,简述Q发电厂应釆取的安全管理措施。
S公司为发动机研发企业,占地IoOoOO m2,有员工350 A,其中专职安全管理人员2 人。2018年S公司新建发动机试验技术中心,该中心由主功能区和辅助区组成。主功能区 建筑面积20000 m2,建筑高度13.75 m;辅助区建筑面积IOoOO m2,建筑高度5 m,均为 单层钢结构建筑,房顶采用彩钢板。
主功能区和辅助区均为独立的防火分区,配有相应的消防器材。发动机试验技术中心 四周铺设了环形水泥道路,建筑内设疏散通道、安全出口和火灾报警系统。
发动机试验技术中心主要进行发动机性能测试,所使用的化学品包括柴油、机油、氢 气、液氮、天然气、清洗剂等。
主功能区包括拆卸区、柴油机性能试验区和发动机存放区。拆卸区配备了额定起重量 500 kg的悬臂吊、电瓶叉车、翻转台各1台,工作压力0. 7 MPa容积6 m3的压缩空气罐2 个;柴油机性能试验区有8个试验间(重型发动机台架和轻型发动机台架各4个)、4个 设备间和1个控制间;发动机存放区分为重型发动机区和轻型发动机区。
辅助区包括配电间、工具间、液氮间、氢气瓶间、辅料间、清洗间、控制间、空调间 和循环水泵房。
发动机试验技术中心按照第二类防雷建筑物设计,采用在屋顶敷设接闪带的方式,预
防直击雷。主功能区和辅助区均设有独立的配电系统,建筑物釆取了防触电及接地安全措 施,高、低压电气设备的金属外壳及其金属支架设置了保护接地线(PE线);低压系统 中,变压器中性点直接接地,接地电阻不大于Ifl,电缆的PE线在引入建筑物处按规范 进行了重复接地;建筑物内的导电体均进行了等电位联结。
根据以上场景,回答下列问题:
I-根据《企业职工伤亡事故分类》(GB 6441),辨识拆卸区存在的危险有害因素。
2.简述发动机试验技术中心氢气瓶间的安全技术要求。
3.列出与建筑物接地线作等电位联结的导电体名称。
4.简述对压缩空气罐进行安全检查的要点。
T公司为一家大型饲料生产企业,占地面积80000 m?,共有员工110A,设有独立的 安全部。T公司有生产车间、包装车间、机修车间,以及高大立筒仓、包材库、锅炉房、 配电室等设施。
为满足内部维修需要,T公司的机修车间配有固定式砂轮机1台、电焊机2台、摇臂 钻床1台、机械式冲床1台、剪叉式液压高空作业升降平台1个。机修车间配有独立的配 电箱,用于设备、照明及临时用电。为规范动火作业管理,机修车间内划出了专门的动 火区。
2018年2月,为了进一步扩大产能,T公司在原有锅炉房旁新建燃气锅炉房并配置2 台20 t/h燃气锅炉,该建设项目由U公司承建,并于2019年2月完成新锅炉房建设。新 安装的燃气锅炉配置了安全阀、压力表、水位计等安全附件,在完成了特种设备注册登记
• 141 •
后,于2019年3月正式投入运行。
2019年4月15日,T公司维修车间操作工甲在操作机械式冲床时,发生伤害事故。T 公司随即开展了机械设备安全防护专项检查,安全部在检查中发现,机修车间的固定式砂 轮机、摇臂钻床、机械式冲床等设备的安全保护装置部分失效和缺失,需要修复和增设。
2019年8月,为汲取同行业发生的电气火灾事故教训,T公司聘请专业机构对可能产 生危险温度的电气设备进行了专项隐患排查,发现电气设备存在以下火灾隐患:临时用电 的零线和火线错接到了一起;空调的插头未插接到位;直接从小额定功率配电箱接大功率 电器;电动机外壳被杂物覆盖;电动机外壳带电;电动机轴承缺油;配电房低压配电柜输 出电压不稳定;包材库照明用1000 W卤鸨灯。
根据以上场景,回答下列问题:
1.简述T公司对U公司在锅炉房建设项目中进行安全管理的主要内容。
2.按功能类别,列出机修车间应修复和增设的机械设备安全保护装置。
3.简述固定式砂轮机作业中的安全操作要点。
4.补充新安装燃气锅炉除安全阀、压力表和水位计外的其他安全附件。
5.针对排查出的电气火灾隐患,指出其产生危险温度的原因。
D企业是一家新建大型燃煤发电企业,有员工850人,设置有安全管理部、设备保障 部、生产运营部等部门。发电用燃煤以铁路运输为主,汽车运输为辅。燃煤堆放在煤场, 通过皮带运输机送至煤仓,经给煤机进入磨煤机,磨制的煤粉进锅炉燃烧,将热能转化为 高温高压蒸汽,进入汽轮发电机转化为电能,通过配电线路输送到电网。
D企业在生产区域和设备系统上设置的安全技术措施包括:压力、温度、液位监测与 报警装置;易燃易爆、有毒有害气体监测报警装置;传动机械安全防护装置;起重设备安 全装置;锅炉和压力容器的安全门、安全阀、防爆膜等;输煤皮带运输机的急停装置;全 厂消防灭火系统。
D企业采用氨气脱硝工艺。建有氨站1座,设有2个1. O MPa、30 m3常温卧式液氨储 罐,配备了应急物资柜,现场设置了安全警示标志。
D企业成立了以总经理为主任的安全生产委员会,定期召开安委会会议,研究安全生 产工作。企业根据建设项目安全“三同时”要求,委托具有相应资质的安全评价机构进行 了安全验收评价,并于2018年3月正式投产运行。
2018年5月15日,燃煤输送皮带运输机电机发生故障,设备保障部安排电工甲、乙 前往维修。甲、乙在办理了作业许可后,进入皮带运输机的独立配电间,断开电机电源, 未挂牌上锁。随后2人登上2m高的平台进行维修作业。维修过程中,恰逢交接班,生产 运营部员工丙发现皮带运输机停运,未经确认就重新开启了电机电源,导致电工甲触电后 从平台坠落,小腿严重变形。电工乙按照安全培训学到的知识和技能,采取了应急处置 措施。
2018年6月,D企业开展了 “生命至上,安全发展”为主题的安全月活动,针对5月 15日的事故,安全管理部组织生产运营部和设备保障部全体员工进行了电气安全培训, 对皮带运输机配电间进行了安全专项检查,并对发现的隐患提出了整改方案。
根据以上场景,回答下列问题:
1.按照防止事故发生和减少事故损失两类进行分类,分别列出D企业釆用的安全技 术措施。
2.列出氨站应急物资柜应配置的应急物资清单。
3.简述电工乙在甲触电坠落后应釆取的应急处置措施。
4.列出皮带运输机配电间安全检查的主要内容。
E企业为肉制品加工企业,占地面积12000 m2,有员工611人。
E企业的主要建(构)筑物有:综合办公楼、宿舍楼、生产车间、冷库、锅炉房、变 电站、制冷车间、污水处理站等。主要原料和辅料有:原料肉、辅料、水、内外包材、食 品添加剂等。主要生产工序为:原料釆购运输、解冻挑拣、滚揉斩拌、灌装成型、熏蒸、 包装、冷藏、运输等。主要设备设施有:10辆冷藏车、4台叉车、4台氨压缩机、2个氨 储罐、1台4 t/h燃气锅炉、1台导热油锅炉、2台1800 kVA干式变压器、若干肉制品专 用设备,以及热力、制冷管网等。
2018年12月,为消除液氨隐患,该企业将制冷车间的制冷工艺由液氨制冷改为二氧 化碳制冷,并按照变更管理的要求实施该项目。
E企业污水处理站的厌氧发酵池为半封闭结构,长、宽、深为5mx4mx4m,顶部设有 两个ImXlm的入口,设有围栏防护,未设置安全警示标志。现场配有3根安全带、3条 安全绳、2个救生圈、1套电动葫芦、1套维修工具。
2019年5月10日9时,厌氧发酵池内污泥泵故障。当班班长甲发现故障后,立即安 排当班工人乙、丙入池维修。恰逢企业安全部安全管理人员丁现场巡查,丁及时制止了入 池维修作业。当天下午,企业安全部对污水处理站全体员工进行了安全教育培训。
为全面提升企业安全生产管理水平,2019年6月,E企业根据生产经营活动的特点, 进行了全员安全培训、系统安全大检查,完善了安全生产规章制度、操作规程和应急 预案。
根据以上场景,回答下列问题:
1.简述制冷车间制冷工艺变更管理的相关安全要求。
2.根据《工贸行业重大安全事故隐患判定标准(2017版)》,辨识以上场景中存在的 重大隐患并说明原因。
3.简述E企业污水处理站维修作业的安全管理要求。
4.简述E企业安全管理人员对污水处理站全体员工进行安全教育培训应包含的主要 内容。
F工厂为水泥生产企业,占地300000 m2,有员工580名。
FXr的主要设施包括:石灰石库、原材料堆场、熟料库、水泥成品筒型库、备件材料存 储仓库、水泥包装设施、水泥散装设施、维修车间、配电室等。主要设备包括:回转窑1条、 球磨机2台、磨煤机]台、选粉机4台、辐压机2台、高压离心风机9台、螺杆式空压机8台、 桥式刮板取料机1台、侧堆取料机4台、电收尘器2套、皮带机25条、篦冷机]台、9MW余热 发电机组1套及配套锅炉2台、回转式包装机3台、叉车4辆、起重设备3台、电气焊设备及 气并5^干。
2017年8月,F工厂启动了安全生产标准化二级企业达标创建工作,按照相关要求, F工厂总经理甲指定安环部成立应急救援预案编制小组,由安环部部长乙任组长,安环部 其他员工为组员,10月初完成了应急救援预案编制并由组长签发。2018年12月,该厂通 过了安全生产标准化二级企业验收。
2019年4月底,该厂在安全生产大检查中发现水泥成品筒型库内壁有附着物,存在脱 落风险,必须进行清理。5月8日,F工厂维修班当班班长丙在办理《高处作业安全许可 证》后,安排架子工搭设了 16 m高脚手架,维修班员工丁、戊登高对成品筒型库内壁进 行清理维修,于当天15时完成该项作业。
2019年6月10日,F工厂按照《企业安全生产标准化基本规范》关于设备设施检维 修要求,编制了检维修方案,对3号窑进行了检维修。当天4时03分,止火停窑;10时 37分,窑油煤混烧保温。窑内油煤混燃,产生大量的一氧化碳,窑内烟气经过预热器进 入增湿塔和生料粉磨系统后,再进入窑尾电收尘器。在检修过程中,进入窑尾电收尘器进 行了维修。
根据以上场景,回答下列问题:
1.指出F工厂应急预案编制过程中存在的问题,并简述应急预案的编制程序。
2.简述水泥成品筒型库内壁清理维修高处作业完工后的安全要求。
3.根据《企业安全生产标准化基本规范》(GB/T 33000),简述F工厂3号窑检维修 方案应包括的主要内容。
4. ∙根据《企业职工伤亡事故分类》(GB 6441),辨识3号窑尾电收尘器维修过程中存 在的危险有害因素。
5.指出进入3号窑尾电收尘器进行维修作业时应佩戴的劳动防护用品,并说明其 作用。
【解析】基本原则包括:坚持安全发展,坚持改革创新,坚持依法监管,坚持源头防 范,坚持系统治理。
【解析】职业病鉴定是医疗卫生机构的职责。
【解析】火灾分类:
A类火灾:指固体物质火灾,这种物质通常具有有机物性质,一般在燃烧时能产生灼 热灰烬,如木材、棉、毛、麻、纸张火灾等。
B类火灾:指液体火灾或可熔化的固体物质火灾,如汽油、煤油、柴油、原油、甲 醇、乙醇、沥青、石蜡火灾等。
C类火灾:指气体火灾,如煤气、天然气、甲烷、乙烷、丙烷、氢气火灾等。
D类火灾:指金属火灾,如钾、钠、镁、钛、错、锂、铝镁合金火灾等。
E类火灾:指带电火灾,是物体带电燃烧的火灾,如发电机、电缆、家用电器等。
F类火灾:指烹饪器具内烹饪物火灾,如动植物油脂等。
【解析】《职业病防治法》第十九条规定,国家对从事放射性、高毒、高危粉尘等作 业实行特殊管理。具体管理办法由国务院制定。
【解析】《建设工程安全生产管理条例》第十四条规定,工程监理单位应当审查施工 组织设计中的安全技术措施或者专项施工方案是否符合工程建设强制性标准。
.【解析】《安全生产法》(2021年版)第二十四条规定,矿山、金属冶炼、建筑施工、 运输单位和危险物品的生产、经营、储存、装卸单位,应当设置安全生产管理机构或者配 备专职安全生产管理人员。
前款规定以外的其他生产经营单位,从业人员超过一百人的,应当设置安全生产管理 机构或者配备专职安全生产管理人员;从业人员在一百人以下的,应当配备专职或者兼职 的安全生产管理人员。
其他选项错误在于,生活区和生产区要分开,有毒、有害作业要和辅助区分开。
7. B
【解析】生产经营单位的主要负责人依照前款规定受刑事处罚或者撤职处分的,自刑 罚执行完毕或者受处分之日起,五年内不得担任任何生产经营单位的主要负责人;对重 大、特别重大生产安全事故负有责任的,终身不得担任本行业生产经营单位的主要负 责人。
8. A
【解析】输送含尘气体的风管宜垂直或倾斜敷设,倾斜敷设时,与水平面的夹角应大 于45。。如必须设置水平管道时,管道不应过长,并应在适当位置设置清扫孔,方便清除 积尘,防止管道堵塞。
9. C
【解析】工作场所的新风应来自室外,新风口应设置在空气清洁区,新风量应满足下 列要求:非空调工作场所人均占用容积小于20 m3的车间,应保证人均新风量不小于 30 m3∕h;如所占容积大于20 n?时,应保证人均新风量不小于20 m3∕h0釆用空气调节的 车间,应保证人均新风量不小于30r∏3∕h。洁净室的人均新风量应不小于40 m3∕hc
封闭式车间人均新风量宜设计为30~50 m3∕ho微小气候的设计宜符合下表的要求。
| 参数 | 冬季 | 夏季 | 
| 温度/Y | 20-24 | 25-28 | 
| 风速/(m ∙ ST) | ≤0.2 | ≤0.3 | 
| 相对湿度/% | 30-60 | 40-60 | 
| 注:过渡季节微小气候计算参数取冬季、夏季差值。 | ||
10. D
【解析】有限空间作业应当严格遵守“先通风、再检测、后作业”的原则。检测指标 包括氧浓度、易燃易爆物质(可燃性气体、爆炸性粉尘)浓度、有毒有害气体浓度。检测 应当符合相关国家标准或者行业标准的规定。
11. C
【解析】《安全生产法》(2021年版)第二十一条规定,生产经营单位的主要负责人 对本单位安全生产工作负有下列职责:
(一) 建立健全并落实本单位全员安全生产责任制,加强安全生产标准化建设;
(二) 组织制定并实施本单位安全生产规章制度和操作规程;
(三) 组织制定并实施本单位安全生产教育和培训计划;
(四) 保证本单位安全生产投入的有效实施;
(五) 组织建立并落实安全风险分级管控和隐患排査治理双重预防工作机制,督促、 检查本单位的安全生产工作,及时消除生产安全事故隐患;
(六) 组织制定并实施本单位的生产安全事故应急救援预案;
(七) 及时、如实报告生产安全事故。
12. A
【解析】综合安全管理制度:
(1) 安全生产管理目标、指标和总体原则。
(2) 安全生产责任制。
(3) 安全管理定期例行工作制度。
(4) 承包与发包工程安全管理制度。
(5) 安全设施和费用管理制度。
(6) 重大危险源管理制度。
(7) 危险物品使用管理制度。
(8) 消防安全管理制度。
(9) 隐患排查和治理制度。
(10) 交通安全管理制度。
(11) 防灾减灾管理制度。
(12) 事故调查报告处理制度。
(13) 应急管理制度。
(14) 安全奖惩制度。
【解析】涂装流水线属于易燃易爆作业场所,应加强对点火源的管控。
【解析】生活区和生产区要分开。
【解析】建设项目安全设施设计完成后,生产经营单位应当按照相关规定向安全生产 监督管理部门备案,并提交下列文件资料:
(1) 建设项目审批、核准或者备案的文件。
(2) 建设项目安全设施设计审查申请。
(3) 设计单位的设计资质证明文件。
(4) 建设项目安全设施设计。
(5) 建设项目安全预评价报告及相关文件资料。
【解析】《建设工程安全生产管理条例》第二十四条规定,建设工程实行施工总承包 的,由总承包单位对施工现场的安全生产负总责。
修改新建厂房安全设施设计应由设计单位修改。
【解析】《建设工程安全生产管理条例》第十四条规定,工程监理单位和监理工程师 应当按照法律、法规和工程建设强制性标准实施监理,并对建设工程安全生产承担监理 责任。
【解析】焊接作业产生弧光。
【解析】《安全生产法》(2021年版)第二十四条规定,矿山、金属冶炼、建筑施工、 运输单位和危险物品的生产、经营、储存、装卸单位,应当设置安全生产管理机构或者配 备专职安全生产管理人员。
前款规定以外的其他生产经营单位,从业人员超过一百人的,应当设置安全生产管理 机构或者配备专职安全生产管理人员;从业人员在一百人以下的,应当配备专职或者兼职 的安全生产管理人员。
20. C
【解析】《安全生产法》(2021年版)第二十四条规定,矿山、金属冶炼、建筑施工、 运输单位和危险物品的生产、经营、储存、装卸单位,应当设置安全生产管理机构或者配 备专职安全生产管理人员o
前款规定以外的其他生产经营单位,从业人员超过一百人的,应当设置安全生产管理 机构或者配备专职安全生产管理人员;从业人员在一百人以下的,应当配备专职或者兼职 的安全生产管理人员。
21. C
【解析】《危险化学品生产企业安全生产许可证实施办法》第十二条规定,企业应当 依法设置安全生产管理机构,配备专职安全生产管理人员。配备的专职安全生产管理人员 必须能够满足安全生产的需要。
22. D
【解析】A选项错误。无水乙醇属于易燃的危险化学品,瓦楞纸箱属于可燃性材料, 二者同车装运会产生火灾隐患。
B选项错误。环氧乙烷为有毒的危险化学品,《危险化学品安全管理条例》第五十四 条规定了禁止通过内河封闭水域运输剧毒化学品以及国家规定禁止通过内河运输的其他危 险化学品。
C选项错误。《危险化学品安全管理条例》第四十三条规定了从事危险化学品道路运 输、水路运输的,应当分别依照有关道路运输、水路运输的法律、行政法规的规定,取得 危险货物道路运输许可、危险货物水路运输许可,并向工商行政管理部门办理登记手续。
D选项正确。液氯属于剧毒化学品,《危险化学品安全管理条例》第五十条规定了通 过道路运输剧毒化学品的,托运人应当向运输始发地或者目的地的县级人民政府公安机关 申请剧毒化学品道路运输通行证。
1. D
【解析】自动化涂装工艺中,漆料属于易燃液体,烘干工艺存在高温,自动化喷头喷 漆时发出噪声。
2. B
【解析】A选项,脱岗行为属于人的因素。
C选项,标志选用不当属于物的因素。
D选项,光照不足属于环境因素。
【解析】物理性危险和有害因素包括设备、设施、工具、附件缺陷,防护缺陷,电伤 害,噪声,振动危害,电离辐射,非电离辐射,运动物危害,明火,高温物体,低温物 体,信号缺陷,标志缺陷,有害光源等。B、C、D选项为环境因素。
【解析】液氨有毒,泄漏后形成氨气导致人员吸入中毒。
【解析】生产性粉尘根据其性质可分为三类。
(1) 无机性粉尘:①矿物性粉尘,例如煤、硅石、石棉、滑石等;②金属性粉尘,例 如铁、锡、铝、铅、镒等;③人工无机性粉尘,例如水泥、金刚砂、玻璃纤维等。
(2) 有机性粉尘:①植物性粉尘,例如棉、麻、面粉、木材、烟草、茶等;②动物性 粉尘,例如兽毛、角质、骨质、毛发等;③人工有机粉尘,例如有机燃料、炸药、人造纤 维等。
(3) 混合性粉尘:指上述各种粉尘混合存在。
【解析】煤焦化工艺不需要液氯或氯气。
【解析】金属熔炼炉操作工接触金属粉尘罹患尘肺病,金属粉尘也会导致人金属中毒, 作业场所高温,会导致中暑,属于物理因素所致职业病。
【解析】冲压车间的噪声使人员易罹患的职业病为噪声性耳聋。
【解析】木材加工车间的木粉尘可能引发的职业病是其他尘肺病。
【解析】涂装流水线工艺单元中的漆料存在苯、甲苯、二甲苯。
【解析】螺杆式压缩机发出的噪声能引发的职业病是噪声聋。
【解析】R=a2B 岩=1∙5 X (450/500 + 65/50 + 600/500) = 5. 1 ; RVlQ 为四级。
| 重乂危险源级别 | R值 | 
| 一级 | Rmioo | 
| 二级 | IOOARm50 | 
| 三级 | 50>Λ^10 | 
| 四级 | RVlO | 
13. D
【解析】《安全生产法》(2021年版)第六十五条规定,应急管理部门和其他负有安 全生产监督管理职责的部门依法开展安全生产行政执法工作,对生产经营单位执行有关安 全生产的法律、法规和国家标准或者行业标准的情况进行监督检查,行使以下职权:
(-)进入生产经营单位进行检查,调阅有关资料,向有关单位和人员了解情况;
(二) 对检查中发现的安全生产违法行为,当场予以纠正或者要求限期改正;对依法 应当给予行政处罚的行为,依照本法和其他有关法律、行政法规的规定作出行政处罚 决定;
(三) 对检查中发现的事故隐患,应当责令立即排除;重大事故隐患排除前或者排除 过程中无法保证安全的,应当责令从危险区域内撤出作业人员,责令暂时停产停业或者停 止使用相关设施、设备;重大事故隐患排除后,经审查同意,方可恢复生产经营和使用;
(四) 对有根据认为不符合保障安全生产的国家标准或者行业标准的设施、设备、器 材以及违法生产、储存、使用、经营、运输的危险物品予以查封或者扣押,对违法生产、 储存、使用、经营危险物品的作业场所予以查封,并依法作出处理决定。
监督检查不得影响被检查单位的正常生产经营活动。
控制企业主要负责人属于公安机关的职权。
14. B
【解析】国家安全生产监督管理总局2014年9月建立并实施“四不两直”安全生产暗 查暗访制度,即:
(1) 不发通知、不打招呼、不听汇报、不用陪同接待。
(2) 直奔基层、直插现场。
15. D
【解析】A选项,安全风险辨识范围应覆盖本单位的所有活动及区域,并考虑正常、 异常和紧急三种状态及过去、现在和将来三种时态。
B选项,企业应建立隐患排查治理制度,逐渐建立并落实从主要负责人(不是生产负 责人)到每位从业人员的隐患排査治理和防控责任制。并按照有关规定组织开展隐患排查 治理工作,及时发现并消除隐患,实行隐患闭环管理。
C选项,隐患排査的范围应包括所有与生产经营相关的场所、人员、设备设施和活 动,包括承包商和供应商等相关服务范围。
【解析】安全预评价,是在项目建设前,根据建设项目可行性研究报告的内容,分析 和预测该建设项目可能存在的危险、有害因素的种类和程度,提出合理可行的安全对策措 施和建议,用以指导建设项目的初步设计。
【解析】《建设项目安全设施“三同时”监督管理办法》第二十二条规定,本办法第 七条规定的建设项目安全设施竣工或者试运行完成后,生产经营单位应当委托具有相应资 质的安全评价机构对安全设施进行验收评价,并编制建设项目安全验收评价报告。
【解析】关键词“运行中”。针对生产经营活动、工业园区的事故风险、安全管理等 情况,辨识与分析其存在的危险、有害因素,审查确定其与安全生产法律法规、规章、标 准、规范要求的符合性,预测发生事故或造成职业危害的可能性及其严重程度,提出科 学、合理、可行的安全对策措施建议,作出安全现状评价结论的活动。
【解析】粉尘惰化措施属于防止粉尘爆炸的技术措施。
【解析】可燃物的粉尘具备爆炸危险性。
【解析】预防间接触电的技术措施是Tr系统、TN系统(保护接零系统)、IT系统。
能够预防直接触电又能预防间接触电的技术措施(兼防)是剩余电流动作保护器 (漏电保护装置)、双重绝缘(加强绝缘)、特低电压。
【解析】配电室存在轻微电磁辐射,对人体是无害的,无须采取辐射防护措施。
【解析】危险性=强度X可能性。含氧量影响的是爆炸的可能性。
【解析】进油管内流速过快,汽油在罐内发生了剧烈喷溅产生了静电。
【解析】安全许可是指国家对矿山企业、建筑施工企业和危险化学品、烟花爆竹、民 用爆炸物品生产企业实行安全许可制度。企业未取得安全生产许可证的,不得从事生产 活动。
石油天然气开釆属于非煤矿山企业。
【解析】《建设项目安全设施“三同时”监督管理办法》第二.十一条规定,本办法第 七条规定的建设项目竣工后,根据规定建设项目需要试运行(包括生产、使用,下同) 的,应当在正式投入生产或者使用前进行试运行。
【解析】《建设项目安全设施“三同时”监督管理办法》第二十二条规定,本办法第 七条规定的建设项目安全设施竣工或者试运行完成后,生产经营单位应当委托具有相应资 质的安全评价机构对安全设施进行验收评价,并编制建设项目安全验收评价报告。
【解析】《生产经营单位安全培训规定》第十三条规定,生产经营单位新上岗的从业 人员,岗前安全培训时间不得少于24学时。
煤矿、非煤矿山、危险化学品、烟花爆竹、金属冶炼等生产经营单位新上岗的从业人 员安全培训时间不得少于72学时,每年再培训的时间不得少于20学时。
5. C
【解析】《生产经营单位安全培训规定》第九条规定,生产经营单位主要负责人和安 全生产管理人员初次安全培训时间不得少于32学时,每年再培训时间不得少于12学时。
煤矿、非煤矿山、危险化学品、烟花爆竹、金属冶炼等生产经营单位主要负责人和安 全生产管理人员初次安全培训时间不得少于48学时,每年再培训时间不得少于16学时。
6. C
【解析】气体检测报警器的标定方法有专业人员进行整定。
7. C
【解析】《生产经营单位安全培训规定》第十二条规定,加工、制造业等生产单位的 其他从业人员,在上岗前必须经过厂(矿)、车间(工段、区、队)、班组三级安全培训 教育。
生产经营单位应当根据工作性质对其他从业人员进行安全培训,保证其具备本岗位安 全操作、应急处置等知识技能。
第十四条规定,厂(矿)级岗前安全培训内容应当包括:
(一) 本单位安全生产情况及安全生产基本知识;
(二) 本单位安全生产规章制度和劳动纪律;
(三) 从业人员安全生产权利和义务;
(四) 有关事故案例等。
煤矿、非煤矿山、危险化学品、烟花爆竹、金属冶炼等生产经营单位厂(矿)级安全 培训除包括上述内容外,应当增加事故应急救援、事故应急预案演练及防范措施等内容。
第十五条规定,车间(工段、区、队)级岗前安全培训内容应当包括:
(一) 工作环境及危险因素;
(二) 所从事工种可能遭受的职业伤害和伤亡事故;
(三) 所从事工种的安全职责、操作技能及强制性标准;
(四) 自救互救、急救方法、疏散和现场紧急情况的处理;
(五) 安全设备设施、个人防护用品的使用和维护;
(六) 本车间(工段、区、队)安全生产状况及规章制度;
(七) 预防事故和职业危害的措施及应注意的安全事项;
(八) 有关事故案例;
(九) 其他需要培训的内容。
第十六条规定,班组级岗前安全培训内容应当包括:
(一) 岗位安全操作规程;
(二) 岗位之间工作衔接配合的安全与职业卫生事项;
(三) 有关事故案例;
(四) 其他需要培训的内容。
8. B
【解析】A、C选项,企业应明确安全教育培训主管部门,定期识别安全教育培训需 求,制订、实施安全教育培训计划,并保证必要的安全教育培训资源。
D选项,企业应对进入企业从事服务和作业活动的承包商、供应商的从业人员和接收 的中等职业学校、高等学校实习生,进行入厂安全教育培训,并保存记录。
【解析】污水井内清污作业属于有(受)限空间作业,应办理受限空间作业许可证。
【解析】切割与焊接作业属于动火作业。
【解析】蒸汽包、蒸汽管道危险因素为高温,并且存在爆炸可能,警告标识提示“当 心灼烫” “当心爆炸”。配电柜有触电风险,警告标识提示“当心触电”。
【解析】LEC法进行评价时,风险分值D=LXEXC,水泵房危险值6×6×6 = 216,炸药 库危险值为3x5x40 = 600。
【解析】风险矩阵法,是一种能够把危险发生的可能性和伤害的严重程度综合评估风 险大小的定性的风险评估分析方法。它是一种风险可视化的工具,主要用于风险评估 领域。
风险值=可能性X严重性。
14. B
【解析】企业要建立完善安全风险公告制度,并加强风险教育和技能培训,确保管理 层和每名员工都掌握安全风险的基本情况及防范、应急措施。要在醒目位置和重点区域分 别设置安全风险公告栏,制作岗位安全风险告知卡,标明主要安全风险、可能引发事故隐 患类别、事故后果、管控措施、应急措施及报告方式等内容。对存在重大安全风险的工作 场所和岗位,要设置明显警示标志,并强化危险源监测和预警。
15. D
【解析】企业应建立隐患排查治理制度,逐渐建立并落实从主要负责人到每位从业人 员的隐患排查治理和防控责任制。并按照有关规定组织开展隐患排査治理工作,及时发现 并消除隐患,实行隐患闭环管理。
16. A
【解析】双重预防机制全称安全风险分级管控和事故隐患排查治理双重预防机制。事 前工作是风险辨识、风险分级、釆取管控措施。事中工作是隐患排査治理、闭环管理。基 本顺序是先事前后事中,事前的三个主要工作也存在逻辑关系,先发现,再分析,最后釆 取措施。
17. D
【解析】本质安全是指通过设计等手段使生产设备或生产系统本身具有安全性,即使 在误操作或发生故障的情况下也不会造成事故。具体包括两方面的内容:
(1) 失误一安全功能,指操作者即使操作失误,也不会发生事故或伤害,或者说设备 设施和技术工艺本身具有自动防止人的不安全行为的功能。
(2) 故障一安全功能,指设备设施或生产工艺发生故障或损坏时,还能暂时维持正常 工作或自动转变为安全状态。
上述两种安全功能应该是设备设施和技术工艺本身固有的,即在其规划设计阶段就被 纳入其中,而不是事后补偿的。
由此可知A、B、C选项均属于失误一安全功能。D选项属于故障一安全功能。
【解析】电焊作业产生弧光,需要配备焊接眼面防护具。
【解析】炼油厂污水井内清污作业存在有毒有害、易燃易爆气体,还存在缺氧的风险, 应配备空气呼吸器和导电鞋(防静电),井深2.2 m存在高低落差,有物体打击的可能, 应配备安全帽。
【解析】特钢厂电炉存在熔融金属飞溅的危险,应穿戴阻燃工作服。
【解析】特种作业的范围包括:电工作业、焊接与热切割作业、高处作业、制冷与空 调作业、煤矿安全作业、金属非金属矿山安全作业、石油天然气安全作业、冶金(有色) 生产安全作业、危险化学品安全作业、烟花爆竹安全作业、原国家安全监管总局认定的其 他作业。
选项B属于特种设备作业人员。
5. C
【解析】天车是桥式起重机的俗称,桥式起重机属于特种设备,其司机属于特种设备 作业人员。
6. C
【解析】《工伤保险条例》第八条规定,工伤保险费根据以支定收、收支平衡的原则, 确定费率。
第十条规定,用人单位应当按时缴纳工伤保险费。职工个人不缴纳工伤保险费。
第十二条规定,任何单位或者个人不得将工伤保险基金用于投资运营、兴建或者改建 办公场所、发放奖金,或者挪作其他用途。
7. C
【解析】A选项错误。工作时间前后在工作场所内,从事与工作有关的预备性或者收 尾性工作受到事故伤害的,应认定为工伤。
B选项错误。用人单位未按规定提出工伤认定申请的,工伤职工或者其近亲属、工会 组织在事故伤害发生之日或者被诊断、鉴定为职业病之日起1年内,可以直接向用人单位 所在地统筹地区社会保险行政部门提出工伤认定申请。
D选项错误。职工或者其近亲属认为是工伤,用人单位不认为是工伤的,由用人单位 承担举证责任O
8. D
【解析】A选项,生活护理费按照生活完全不能自理、生活大部分不能自理或者生活 部分不能自理3个不同等级支付,其标准分别为统筹地区上年度职工月平均工资的50%、 40% 或者 30% o
B选项,职工因工致残被鉴定为一级至四级伤残的,保留劳动关系,退出工作岗位, 享受后续工伤待遇。
C选项,从工伤保险基金按月支付伤残津贴,标准为:一级伤残为本人工资的90% , 二级伤残为本人工资的85% ,三级伤残为本人工资的80% ,四级伤残为本人工资的75% O 伤残津贴实际金额低于当地最低工资标准的,由工伤保险基金补足差额。
【解析】根据《工伤保险条例》第十九条,职工或者其近亲属认为是工伤,用人单位 不认为是工伤的,由用人单位承担举证责任。
【解析】根据《工伤保险条例》第四十三条,用人单位分立、合并、转让的,承继单 位应当承担原用人单位的工伤保险责任;原用人单位已经参加工伤保险的,承继单位应当 到当地经办机构办理工伤保险变更登记。
【解析】安全生产投入资金具体由谁来保证,应根据企业的性质而定,一般说来,股 份制企业、合资企业等安全生产投入资金由董事会予以保证;一般国有企业由厂长或者经 理予以保证;个体工商户等个体经济组织由投资人予以保证。
【解析】生产经营单位的决策机构、主要负责人或者个人经营的投资人应当保证本单 位下列安全生产资金投入:
(1) 完善、改造和维护安全防护设施设备(不含“三同时”要求初期投入的安全设 施)和重大安全隐患治理支出。
(2) 配备、维护、保养应急救援器材、设备支出和应急演练支出。
(3) 开展重大危险源和事故隐患评估、监控和整改支出。
(4) 安全生产检查、评价(不包括新建、改建、扩建项目安全评价)、咨询、标准化 建设支出。
(5) 配备和更新现场作业人员安全防护用品支出。
(6) 安全生产宣传、教育、培训支出。
(7) 安全生产适用的新装备、新技术、新工艺、新标准的推广应用支出。
(8) 安全设施及特种设备检测检验支出。
(9) 其他与安全生产直接相关的支出。
13. A
【解析】参考上题答案解析。
14. A
【解析】室内作业:WBGT=O. 7fnw+0.3tgθ其中TW为自然湿球温度;《为黑球温度。 由此可计算甲车间内 WBGT=O. 7×28+0. 3x33 = 19. 6+9. 9 = 29. 5≈30(tC ) 0
根据《工作场所有害因素职业接触限值 第2部分:物理因素》(GBZ 2. 2),甲车间 应将员工接触时间率调整为50% O
15. D
【解析】缺氧或有毒的受限空间经清洗或置换仍达不到安全要求的,应佩戴隔绝式呼 吸器,必要时应拴戴救生绳。D选项正确。
【解析】应急管理是一个动态的过程,包括预防、准备、响应和恢复4个阶段。
【解析】立即组织营救受害人员,组织撤离或者采取其他措施保护危害区域内的其他 人员。营救受害人员是应急救援的首要任务。
【解析】迅速控制事态,并对事故造成的危害进行检测、监测,测定事故的危害区域、 危害性质及危害程度。及时控制住造成事故的危险源是应急救援工作的重要任务。
【解析】生产经营单位应急预案编制程序包括成立应急预案编制工作组、资料收集、 风险评估、应急资源调査、应急预案编制、桌面推演、应急预案评审和批准实施8个 步骤。
【解析】演练时对事故的模拟是象征性的,不能真的泄漏油品,所以A选项错误。演 练中不应调用所有的人员、装备、车辆,以防止演练过程中,企业生产经营中出现真实事 故,调配不及,所以C选项错误。实战演练地点应选择在安全空旷处,不能在加油站进行 实战演练,所以D选项错误。
【解析】火灾发生时,作为企业负责人的厂长应优先保障人员生命安全,组织疏散。
【解析】火灾产生的烟气对人员威胁最大,灭火应在着火点上风侧采取应急行动。本 题是楼宇火灾,一层着火,烟气温度高,向高层蔓延,一层以上楼层人员应设法逃生。
【解析】企业恢复工作包括事故调查、灾后重建、汲取事故经验教训、落实整改措施。
【解析】井下巷道发生火灾,井下通风主要以稳风措施为主,并且视具体情况而定。 加大风速只会使火灾快速发展,风流反向会使烟气向巷道深处蔓延,若有人员因火灾被 困,烟气会侵袭受困人员。井下着火后应向调度室报告,并且采取灭火措施尝试扑灭初期 火灾,如无法扑灭再撤离现场。
【解析】油品着火不能选用水灭火,油的密度比水轻,会浮在水表面继续燃烧,而水 四处流淌,形成流淌火,加速火灾蔓延。
【解析】应急管理工作是对事故预防或者事故响应能起到积极影响的相关工作。安全 生产责任保险是事故发生后获得赔付,减少企业损失的措施,和应急管理工作无关。
【解析】液氨泄漏事故时,正确的应急措施是保障人员安全,堵漏,减小事故影响。
【解析】根据补报的规定,事故发生30日内有伤亡人员发生变化的应当及时补报,事 故造成共计3人死亡。较大事故,是指造成3人以上10人以下死亡,或者10人以上50人 以下重伤,或者1000万元以上5000万元以下直接经济损失的事故。
“以上”包括本数,所称的“以下”不包括本数。
2. D
【解析】重大事故,是指造成10人以上30人以下死亡,或者50人以上100人以下重 伤,或者5000万元以上1亿元以下直接经济损失的事故。
“以上”包括本数,所称的“以下”不包括本数。
3. A
【解析】《生产安全事故报告和调査处理条例》第九条规定,事故发生后,事故现场 有关人员应当立即向本单位负责人报告;单位负责人接到报告后,应当于1小时内向事故 发生地县级以上人民政府安全生产监督管理部门和负有安全生产监督管理职责的有关部门 报告。
4. B
【解析】《生产安全事故报告和调査处理条例》第十九条规定,特别重大事故由国务 院或者国务院授权有关部门组织事故调查组进行调查。
重大事故、较大事故、一般事故分别由事故发生地省级人民政府、设区的市级人民政 府、县级人民政府负责调查。省级人民政府、设区的市级人民政府、县级人民政府可以直 接组织事故调查组进行调查,也可以授权或者委托有关部门组织事故调查组进行调査。
5. B
[解析】事故造成的直接经济损失=450+260+3800+120+322+1150+200 = 6302(万元)。
重大事故,是指造成10人以上30人以下死亡,或者50人以上100人以下重伤,或者 5000万元以上1亿元以下直接经济损失的事故。
重大事故,应由事故发生地省级人民政府负责组织事故调查。
6. C
【解析】事故调查组由有关人民政府、安全生产监督管理部门、负有安全生产监督管 理职责的有关部门、监察机关、公安机关以及工会派人组成,并应当邀请人民检察院派人 参加。事故调查组可以聘请有关专家参与调査。
【解析】事故调査处理工作中应坚持的原则:一是“四不放过”的原则;二是出自 《安全生产法》的事故调查处理的原则,“科学严谨、依法依规、实事求是、注重实 效”。
【解析】特别重大事故,是指造成30人以上死亡,或者100人以上重伤(包括急性工 业中毒,下同),或者1亿元以上直接经济损失的事故。
特别重大事故由国务院或者国务院授权有关部门组织事故调查组进行调查。
【解析】间接原因:技术和设计上有缺陷——工业构件、建筑物、机械设备、仪器仪 表、工艺过程、操作方法、维修检验等的设计,施工和材料使用存在问题;教育培训不 够,未经培训,缺乏或不懂安全操作技术知识;劳动组织不合理;对现场工作缺乏检查或 指导错误;没有安全操作规程或不健全;没有或不认真实施事故防范措施;对事故隐患整 改不力;其他。
【解析】事故发生前,额定压力和额定温度都属正常,所以其不是事故发生的直接原 因。职工未佩戴劳动防护用品属于间接原因。
【解析】乙的铲装车油管漏油,甲再次启动时引燃发动机周围的可燃气体是火灾发生 的最直接原因。
【解析】责任事故,是指在生产、作业中违反有关安全管理的规定,因而发生伤亡事 故或者造成其他严重后果的行为。报警器没电属于加强管理可以避免事故发生的情况。
【解析】事故责任认定为直接责任者、主要责任者、领导责任者,没有间接责任者。
【解析】自然事故不追究责任,本事故应认定为责任事故,因此A、B选项错误。C 选项中事故调查组职责之一是给事故责任者提出处理建议。
【解析】百万工时伤害率=_______受伤害人数_______xl06-
烛A员X每天工作小时X每年工作天数-IooOX8×250 IO6 = IO
【解析】千人重伤率=IOOOxI/780 ≈ 1.28 o
【解析】直接经济损失统计范畴:
(1) 人身伤亡后所支出的费用:①医疗费用(含护理费用);②丧葬及抚恤费用;
③ 补助及救济费用;④歇工工资。
(2) 善后处理费用:①处理事故的事务性费用;②现场抢救费用;③清理现场费用;
④ 事故罚款和赔偿费用。
(3) 财产损失价值:①固定资产损失价值;②流动资产损失价值。
18. D
【解析】间接经济损失统计范畴:
(1) 停产、减产损失价值。
(2) 工作损失价值。
(3) 资源损失价值。
(4) 处理环境污染的费用。
(5) 补充新职工的培训费用。
(6) 其他损失费用。
19. C
【解析】直接经济损失= 9523+3052+1850=14425(万元)。
20. C
【解析】间接经济损失统计范畴:
(1) 停产、减产损失价值。
(2) 工作损失价值。
(3) 资源损失价值。
(4) 处理环境污染的费用。
(5) 补充新职工的培训费用。
(6) 其他损失费用。
1. C
【解析】起重伤害,指各种起重作业(包括起重机安装、检修、试验)中发生的挤 压、坠落(吊具、吊重)、物体打击等。
2. B
[解析]实现机械本质安全:
(1) 消除产生危险的原因。
(2) 减少或消除接触机器的危险部件的次数。
(3) 使人们难以接近机器的危险部位(或提供安全装置,使得接近这些部位不会导 致伤害)。
(4) 提供保护装置或者个人防护装备。
上述措施是依次序给出的,也可以结合起来应用。
3. C
【解析】实现机械本质安全:
(1) 消除产生危险的原因。
(2) 减少或消除接触机器的危险部件的次数。
(3) 使人们难以接近机器的危险部位(或提供安全装置,使得接近这些部位不会导 致伤害)。
(4) 提供保护装置或者个人防护装备。
上述措施是依次序给出的,也可以结合起来应用。
4. D
【解析】在无法用设计来做到本质安全时,为了消除危险,应使用安全装置。设置安 全装置,应考虑的因素主要有:
(1) 强度、刚度、稳定性和耐久性。
(2) 对机器可靠性的影响,例如固定的安全装置有可能使机器过热。
(3) 可视性(从操作及安全的角度来看,需要机器的危险部位有良好的可见性)。
(4) 对其他危险的控制,例如选择特殊的材料来控制噪声的强度。
5. D
【解析】机械设备安全防护罩的技术要求:
(1) 只要操作人员可能触及的传动部件,在防护罩没闭合前,传动部件就不能运转。
(2) 采用固定防护罩时,操作人员触及不到运转中的活动部件。
(3) 防护罩与活动部件有足够的间隙,避免防护罩和活动部件之间的任何接触。
(4) 防护罩应牢固地固定在设备或基础上,拆卸、调节时必须使用工具。
(5) 开启式防护罩打开时或一部分失灵时,应使活动部件不能运转或运转中的部件停 止运动。
(6) 使用的防护罩不允许给生产场所带来新的危险。
(7) 不影响操作,在正常操作或维护保养时不需拆卸防护罩。
(8) 防护罩必须坚固可靠,以避免与活动部件接触造成损坏和工件飞脱造成的伤害。
(9) 防护罩一般不准脚踏和站立,必须做平台或阶梯时,平台或阶梯应能承受
1500 N的垂直力,并采取防滑措施。
6. D
【解析】
通过规则开口最及的安全距离(14岁及14岁以上)
| 身体部位 | 图示 | 开口 | 安全距离Sr | ||
| 樁形 | 方形 | 圆形 | |||
| 指尖 | e≤4 | M2 | ⅛2 | M2 | |
| 4≤e≤6 | NlO | ⅛5 | N5 | ||
(续) mm
| 身体部位 | 图示 | 开口 | 安全距离Sr | |||
| 槽形 | 方形 | 圆形 | ||||
| 指至指 关节或手 | 7 W >t ∣∕P | 6 veW8 | N 20 | ⅛15 | N5 | |
| 8<e≤10 | N80 | N 25 | >20 | |||
| IOVeWI2 | MlOO | ⅛80 | N 80 | |||
| 12<e≤20 | N120 | ≡=120 | N120 | |||
| 20<e≤30 | N 850 | 5=120 | ⅛120 | |||
| 臂至肩关节 | K | a / // | 30<e≤40 | N 850 | N 200 | N120 | 
| 40 VeW 120 | N 850 | N 850 | N 850 | |||
注:如果槽形开口长度W65mm,大拇指将受到阻滞,安全距离可减小到200 mm。
当防护网开口形状为槽形,槽形长轴尺寸为30 mm,短轴尺寸为23 mm时,其安全距 离应为200 mm。但题干中的安全距离仅为Iomm,在此安全距离下,指尖、指至指关节 或手均不能防护,仅能防护臂至臂关节。
7. C
【解析】参见上题表格。
当防护网开口为圆形,直径为20 mm时,为保证对人体的各部位的防护,其安全距离 最小应为120 mmo
8. B
【解析】本质安全是通过机械的设计者,在设计阶段采取措施来消除隐患的一种实现 机械安全的方法。
(1) 釆用本质安全技术。包括:避免锐边、尖角和凸出部分,保证足够的安全距离, 确定有关物理量的限值,使用本质安全工艺过程和动力源。
(2) 限制机械应力。
(3) 提交材料和物质的安全性。
(4) 履行安全人机工程学原则。
(5) 设计控制系统的安全原则。
(6) 防止气动和液压系统的危险。
(7) 预防电气危害。
9. B
【解析】失效安全:设计者应该保证当机器发生故障时不出危险。相关装置包括操作 限制开关、限制不应该发生的冲击及运动的预设制动装置、设置把手和预防下落的装置、 失效安全的紧急开关等。
10. A
【解析】自动调节装置由于工件的运动而自动开启,当操作完毕后又回到关闭的状态。 跳闸安全装置的作用,是在操作到危险点之前,自动使机器停止或反向运动。该类装置依 赖于敏感的跳闸机构,同时也有赖于机器能够迅速停止(使用刹车装置可以做到这一点)。 这种装置迫使操纵者应用两只手来操纵控制器,它仅能对操作者提供保护。
11. C
【解析】冷加工车间通道宽度尺寸为:
人工运输不小于Im;
电瓶车单向行驶不小于L 8 m;
电瓶车对开不小于3 m;
叉车或汽车行驶不小于3.5mo
12. C
【解析】当物料直接存放在地面上时,堆垛高度不应超过1. 4 m,且高与底边长之比 不应大于3。
13. C
【解析】
机床布置的最小安全距离
| 项 目 | 小型机床 | 中型机床 | 大型机床 | 特大型机床 | 
| 机床操作面间距 | 1. 1 | 1.3 | 1.5 | 1.8 | 
| 机床后面、侧面离墙柱间距 | 0. 8 | 1.0 | 1.0 | 1.0 | 
| 机床操作面离柱间距 | 1.3 1 | 1.5 | 1.8 | 2.0 | 
14. A
【解析】皮带传动的传动比精确度较齿轮啮合的传动比差,但是当过载时,皮带打滑, 起到了过载保护作用。皮带传动机构传动平稳、噪声小、结构简单、维护方便,因此广泛 应用于机械传动中。但是,由于皮带摩擦后易产生静电放电现象,故不适用于容易发生燃 烧或爆炸的场所。
15. D
【解析】一切突出于轴面而不平滑的物件(键、固定螺钉等)均増加了轴的危险性。 联轴器上突出的螺钉、销、键等均可能给人们带来伤害。因此对联轴器的安全要求是没有 突出的部分,即采用安全联轴器。但这样还没有彻底排除隐患,根本的办法就是加防护 罩,最常见的是Q形防护罩。
16. D
【解析】机床常见事故:
(1)接地不良、漏电,照明未采用安全电压,发生触电事故。
(2) 旋转部位楔子、销子突出,没加防护罩,易绞缠人体。
(3) 清除铁屑无专用工具,操作者未戴护目镜,发生刺割事故及崩伤眼球。
(4) 加工细长杆轴料时,尾部无防弯装置或托架,导致长料甩击伤人。
(5) 零部件装卡不牢,可飞出击伤人体。
(6) 防护保险装置、防护栏、保护盖不全或维修不及时,造成绞伤、碾伤。
(7) 砂轮有裂纹或装卡不合规定,发生砂轮碎片伤人事故。
(8) 操作旋转机床戴手套,发生绞手事故。
17. A
【解析】出现撞击声。零部件松动脱落、进入异物、转子不平衡均可能产生撞击声。
18. A
【解析】砂轮机使用:
(1) 禁止侧面磨削。
(2) 不准正面操作。
(3) 不准共同操作。
19. A
【解析】冲压作业的危险因素:
(1) 设备结构具有的危险。
(2) 动作失控。
(3) 开关失灵。
(4) 模具的危险(缺陷)。
20. C
【解析】木工机械的危险因素:
(1) 机械伤害。
(2) 火灾和爆炸。
(3) 木材的生物、化学危害。
(4) 木粉尘危害。
(5) 噪声和振动危害。
21. C
【解析】机械伤害主要包括刀具的切割伤害、木料的冲击伤害、飞出物的打击伤害, 这些是木材加工中常见的伤害类型。如由于木工机械多釆用手工送料,当用手推压木料送 进时,往往遇到节疤、弯曲或其他缺陷,而使手与刀刃接触,造成伤害甚至割断手指;锯 切木料时,剖锯后木料向重心稳定的方向运动;木料含水率高、木纹、市疤等缺陷而引起 夹锯;在刀具水平分力作用下,木料向侧面弹开;经加压处理变直的弯木料在加工中发生 弹性复原等;刀具自身有缺陷(如裂纹、强度不够等);刀具安装不正确,如锯条过紧或 刨刀刀刃过高;重新加工有钉子等杂物的废旧木料等。
22. B
【解析】压力片的外缘应与刀轴外圆相合,当手触及刀轴时,只会碰伤手指皮,不会 被切断。
23. D
【解析】为了安全,手压平刨刀轴的设计与安装须符合下列要求:
(1) 必须使用圆柱形刀轴,绝对禁止使用方刀轴。
(2) 压力片的外缘应与刀轴外圆相合,当手触及刀轴时,只会碰伤手指皮,不会被 切断。
(3) 刨刀刃口伸出量不能超过刀轴外径1. 1 mm。
(4) 刨口开口量应符合规定。
24. A
【解析】铸造作业过程中存在诸多的不安全因素,可能导致多种危害,需要从管理和 技术方面采取措施,控制事故的发生,减少职业危害。
(1) 火灾及爆炸。
(2) 灼烫。
(3) 机械伤害。
(4) 高处坠落。
(5) 尘毒危害。
(6) 噪声振动。
(7) 高温和热辐射。
25. A
【解析】浇注过程浇包内严禁有水,否则会发生蒸汽爆炸事故。
26. B
【解析】在型砂、芯砂运输、加工过程中,打箱、落砂及铸件清理中,都会使作业区 产生大量的粉尘,因接触粉尘、有害物质等因素易引起职业病。冲天炉、电炉产生的烟气 中含有大量对人体有害的一氧化碳,在烘烤砂型或砂芯时也有二氧化碳气体排出;利用焦 炭熔化金属,以及铸型、浇包、砂芯干燥和浇铸过程中都会产生二氧化硫气体,如处理不 当,将引起呼吸道疾病。
27. B
【解析】浇注作业一般包括烘包、浇注和冷却三个工序。浇注前检查浇包是否符合要 求,升降机构、倾转机构、自锁机构及抬架是否完好、灵活、可靠;浇包盛铁水不得太 满,不得超过容积的80%,以免洒出伤人;浇注时,所有与金属熔液接触的工具,如扒渣 棒、火钳等均需预热,防止与冷工具接触产生飞溅。
28. A
【解析】铸造车间应安排在高温车间、动力车间的建筑群内,建在厂区其他不释放有 害物质的生产建筑的下风侧。
厂房主要朝向宜南北向。厂房平面布置应在满足产量和工艺流程的前提下同建筑、结 构和防尘等要求综合考虑。铸造车间四周应有一定的绿化带。
铸造车间除设计有局部通风装置外,还应利用天窗排风或设置屋顶通风器。熔化、浇 注区和落砂、清理区应设避风天窗。有桥式起重设备的边跨,宜在适当高度位置设置能启 闭的窗扇。.
29. A
【解析】铸造作业过程中存在诸多的不安全因素,可能导致多种危害,需要从管理和 技术方面采取措施,控制事故的发生,减少职业危害。
(1) 火灾及爆炸。红热的铸件、飞溅的铁水等一旦遇到易燃易爆物品,极易引发火灾 和爆炸事故。
(2) 灼烫。浇注时稍有不慎,就可能被熔融金属烫伤;经过熔炼炉时,可能被飞溅的 铁水烫伤;经过高温铸件时,也可能被烫伤。
(3) 机械伤害。铸造作业过程中,机械设备、工具或工件的非正常选择和使用,人的 违章操作等,都可导致机械伤害。如造型机压伤,设备修理时误启动导致硬伤、碰伤。
(4) 高处坠落。由于工作环境恶劣、照明不良,加上车间设备立体交叉,维护、检修 和使用时,易从高处坠落。
(5) 尘毒危害。在型砂、芯砂运输、加工过程中,打箱、落砂及铸件清理中,都会使 作业区产生大量的粉尘,因接触粉尘、有害物质等因素易引起职业病。冲天炉、电炉产生 的烟气中含有大量对人体有害的一氧化碳,在烘烤砂型或砂芯时也有二氧化碳气体排出; 利用焦炭熔化金属,以及铸型、浇包、砂芯干燥和浇铸过程中都会产生二氧化硫气体,如 处理不当,将引起呼吸道疾病。
(6) 噪声振动。在铸造车间使用的震实造型机、铸件打箱时使用的震动器以及在铸件 清理工序中,利用风动工具清铲毛刺,利用滚筒清理铸件等都会产生大量噪声和强烈的 振动。
(7) 高温和热辐射。铸造生产在熔化、浇铸、落砂工序中都会散发出大量的热量,在 夏季车间温度会达到40 Y或更高,铸件和熔炼炉对工作人员健康或工作极为不利。
【解析】蓄力器都应有安全阀,安全阀的重锤应位于带锁的锤盒内。
【解析】启动装置的结构应能防止锻压机械意外地开动或自动开动。较大型的空气锤 或蒸汽-空气自由锤一般是用手柄操纵的,应该设置简易的操作室或屏蔽装置。
【解析】当人的视野中有极强的亮度对比时,由光源直射或由光滑表面反射出的刺激 或耀眼的强烈光线,称为眩光。眩光可使人眼感到不舒服,使可见度下降,并引起视力明 显下降。
【解析】30Omm以下的短波紫外线可引起紫外线眼炎;紫外线照射4~5 h后眼睛便会 充血,10~12 h后会使眼睛剧痛而不能睁眼,这一般是暂时性症状,大多可以治愈;常受 红外线照射可引起白内障;直视高亮度光源(如激光、太阳光等),会引起黄斑烧伤,有 可能造成无法恢复的视力减退;低照度或低质量的光环境,会引起各种眼的折光缺陷或提 早形成老花眼。眩光或照度剧烈而频繁变化的光可引起视觉机能的降低。
34. C
【解析】能力是指一个人完成一定任务的本领,或者说,能力是人们顺利完成某种任 务的心理特征。能力标志着人的认识活动在反映外界事物时所达到的水平。影响能力的因
素很多,主要有感觉、知觉、观察力、注意力、记忆力、思维想象力和操作能力等。
35. B
【解析】
| 气质特征 | 行为倾向 | 
| 精力旺盛、热情直率、刚毅不屈 | 性情急躁、主观任性 | 
| 灵活机智、活泼好动、善于交际、性格开朗 | 情绪多变、轻举妄动 | 
| 安静、不外露、沉着、从容不迫、耐心谨慎 | 因循守旧、动作缓慢、难以沟通 | 
| 孤僻、消沉、行动迟缓、自卑退让 | 平易近人、容易相处、谦虚谨慎 | 
36. B
【解析】
体力劳动强度分级表
| 体力劳动强度级别 | __________体力劳动强度指数__________ | 
| ∕≤15 | |
| II级 | 15<7≤20 | 
| HI级 | 20<Z≤25 | 
| IV级 | !<25 | 
37. B
【解析】工作条件因素泛指一切对劳动者的劳动过程产生影响的工作环境。
(1) 劳动制度和生产组织不合理。如作业时间过久、强度过大、速度过快、体位欠 佳等。
(2) 机器设备和工具条件差,设计不良。如控制器、显示器不适合于人的心理及生理 要求。
(3) 工作环境很差。如照明欠佳,噪声太强,振动、高温、高湿以及空气污染等。
38. B
【解析】作业者本身的因素包括作业者的熟练程度、操作技巧、身体素质及对工作的 适应性,营养、年龄、休息、生活条件以及劳动情绪等。这里,大多数影响因素都会带来 生理疲劳,但是机体疲劳与主观疲劳感未必同时发生,有时机体尚未进入疲劳状态,却出 现了主观疲劳感。如对工作缺乏兴趣时常常如此。有时机体早已疲劳却无疲劳感,如出于 对工作具有高度责任感、特殊爱好或急中生智的情境之中时。
39. B
【解析】防护性是指通过针对机械危险的智能设计,应使机器在整个寿命周期内发挥 预定功能,包括误操作时机器和人身均安全,使人对劳动环境、劳动内容和主动地位的保 障得到不断改善。
40. C
【解析】利用超声波可以对所有固体材料进行探伤和检测。它常用来检查内部结构 的裂纹、搭接、夹杂物、焊接不良的焊缝、锻造裂纹、腐蚀坑以及加工不适当的塑料压 层等。还可用于检查管道中流体的流量、流速以及泄漏等。
41. B免费资料老姚注安其他Q群:628721411
【解析】相对湿度在80%以上称为高气湿,低于30%称为低气湿。空气相对湿度对人 体的热平衡和温热感有重大作用,特别是在高温或低温的条件下,高气湿对人体的作用就 更明显。高温高湿时,人体散热更加困难;低温高湿下人会感到更加阴冷。一般情况下, 相对湿度在30% -70%时感到舒适。
【解析】
| 评价指标 | 定义及特征 | 参数计算 —— | 
| .有效温度 (感觉温度) | 经验性温度指标 | 干球温度、湿球温度、气流速度 | 
| -~不适指数 | 评价气候舒适程度的指标 | 综合气温和湿度、干球温度、湿球温度 | 
| 三球温度指数 (WBGT) | 综合评价允许接触高温的阈值指标 | 干球温度、湿球温度、黑球温度 | 
| 卡他度 | 评价劳动条件舒适程度的指标 | 卡他温度计是一种测定气温、湿度和风速三者综 合作用的仪器 | 
43. B
【解析】
| 人机系统类型 | 人在系统的地位 | 安全性取决于 | 
| 机械化 半机械化控制 | 操作者与控制者 | 机器的本质安全性 人机功能分配的合理性 人为失误状况 | 
| 自动化控制 | 监视者和管理者 .监视自动化机器的工作 | 机器的本质安全性 机器的冗余系统失灵 人处于低负荷时应急反应 | 
【解析】人在人机系统中的主要功能:①传感功能;②信息处理功能;③操纵功能。
【解析】人机功能分配原则:
(1) 适合机器的工作:笨重的、快速的、持久的、可靠性高的、精度高的、规律性 的、单调的、高价运算的、操作复杂的、环境条件差的工作。
(2) 适合人的工作:研究、创造、决策、指令和程序的编排、检查、维修、故障处理 及应付不测等工作。
【解析】高可靠性方式原则:冗余设计(备用系统)、故障安全装置(单位故障、整 体安全)、自动保险装置(外行操作,也能安全)。
【解析】人机系统可靠度=人的操作可靠度X机器设备可靠度。
【解析】A选项错误。蒸汽机属于动力机械。
B选项错误。压实机属于工程机械。
D选项错误。拖拉机属于农用机械。
C选项正确。通用机械包括:泵、风机、压缩机、阀门、真空设备、分离机械、减 (变)速机、干燥设备、气体净化设备等。
49. C
【解析】①属于产生机械性危险的条件因素中的动能。②属于产生机械性危险的条件 因素中的相对位置。③属于产生机械性危险的条件因素中的形状或表面特征。
50. C
【解析】A选项错误。无凸起部分的转动轴一般是通过在光轴的暴露部分安装一个松 散的、与轴具有12 mm净距的护套来对其进行防护。
B选项错误。牵引辐可以安装一个钳型条,通过减少间隙来提供保护,通过钳型条上 的开口,便于材料的输送。
D选项错误。馄轴交替驱动的辐式输送机应该在驱动轴的下游安装防护罩。
51. B
【解析】皮带传动的防护措施:可采用金属骨架的防护网,与皮带的距离不应小于 50 mm,不应影响机器的运行。
一般传动机构离地面2m以下,应设防护罩。
下列3种情况下,在离地面2m以上也应加以防护:
(1) 皮带轮中心距之间的距离在3 m以上。
(2) 皮带宽度在15 Cm以上。
(3) 皮带回转的速度在9 m/min以上。
52. B
【解析】光电保护装置是通过光电发射和接收元件完成感应功能的装置,可探测特定 区域内由于不透光物体出现引起的该装置内光线的中断。其属于安全防护措施,不属于本 质安全设计。
53. C
【解析】A选项错误。固定式防护装置应采用焊接或螺栓固定的方式固定,不使用专 用工具将无法打开。
B选项错误。在要求通过防护装置观察机器运行的场合,宜提供大小合适开口的观察 孔或观察窗(注意是“宜”而不是“应当”)。
D选项错误。防护装置可能产生附加危险(例如使人产生依赖心理)。
54. C
【解析】A选项错误。开口尺寸e表示方形开口的边长、圆形开口的直径和槽形开口 的最窄处尺寸,因选项描述为最长边,无法判断。
B选项错误。开口最窄边长为Iomm的槽形防护罩,为保护手指至指关节部位,安全 距离不得小于80 mmo
D选项错误。开口半径为5 mm,即直径为IOmm的圆形防护罩,为保护手指至指关 节部位,安全距离不得小于20mmo
55. B
【解析】A选项错误。安全标志牌不宜设在门、窗、架或可移动的物体上。
C选项错误。机械设备易发生危险的相应部位,必须设有安全标志。
D选项错误。安全标志至少每半年检查一次,发现变形、破损、褪色不符合要求时, 应及时修整或更换。
【解析】A选项错误。道路上部管架和栈桥等,在干道上的净高不得小于5mo
B选项错误。车间横向主要通道宽度不应小于2000 mm;机床之间的次要通道宽度一 般不应小于IOOO InmO
【解析】根据《机械工业职业安全卫生设计规范》,机床按重量和尺寸,可分为小型 机床(最大外形尺寸小于6 m)、中型机床(最大外形尺寸6~12m)、大型机床(最大外 形尺寸大于12 m或质量大于10 t)、特大型机床(质量在30 t以上)。
结合下表:
机床布置的最小安全距离
| 项目 | 小型机床 | 中型机床 | 大型机床 | 特大型机床 | 
| 机床操作面间距 | 1.1 | 1.3 | 1.5 | 1.8 | 
| 机床后面、侧面离墙柱间距 | 0.8 | 1.0 | 1.0 | 1.0 | 
| 机床操作面离墙柱间距 | 1.3 | 1.5 | 1.8 | 2.0 | 
58. B
【解析】A选项错误。重型机床高于500 mm的操作平台周围应设高度不低于1050 mm 防护栏杆。
C选项错误。成垛堆放生产物料应堆垛稳固,堆垛高度不应超过1.4 m,且高与底边 长之比不应大于3。
D选项错误。原材料白班存放量应为每班加工量的L5倍,夜班存放量应为加工量的 2.5 倍。
59. C
【解析】A选项错误。一般用途的砂轮卡盘直径不得小于砂轮直径的1/3。
B选项错误。卡盘与砂轮侧面的非接触部分应有不小于1. 5 mm的足够间隙。
D选项错误。当砂轮磨损时,砂轮的圆周表面与防护罩可调护板之间的距离应不大于
1. 6 mmo
60. B
【解析】A选项错误。砂轮没有标记或标记不清,无法核对、确认砂轮特性的砂轮, 不管是否有缺陷,都不可使用。
C选项错误。应使用砂轮的圆周表面进行磨削作业,不宜使用侧面进行磨削。
D选项错误。禁止多人共用一台砂轮机同时操作。
61. D
【解析】组装后的刨刀片径向伸出量不得大于1. 1 mm0
62. C
【解析】A选项错误。利用焦炭熔化金属,以及铸型、浇包、砂芯干燥和浇铸过程中 都会产生大量二氧化硫气体。
B选项错误。浇包盛铁水不得太满,不得超过容积的80%,以免洒出伤人。
D选项错误。额式破碎机上部直接给料,落差小于Im时,可只做密闭罩而不排风。
63. A
【解析】根据题干:张某、王某、董某、靳某从事的体力劳动强度分别为I、口、皿、 IV级;根据下表判断A为正确选项。
工作场所不同体力劳动强度WBGT限值
| 接触时间率/ % | 体力劳动强度 | |||
| I | ∏ | m | IV | |
| 100 | 30 | 28 | 26 | 25 | 
| 75 | 31 | 29 | 28 | 26 | 
| 50 | 32 | 30 | 29 | 28 | 
| 25 | 33 | 32 | 31 | 30 | 
64. D
【解析】消除疲劳的途径归纳起来有以下几个方面:
(1) 在进行显示器和控制器设计时应充分考虑人的生理、心理因素。
(2) 通过改变操作内容、播放音乐等手段克服单调乏味的作业。
(3) 改善工作环境,科学地安排环境色彩、环境装饰及作业场所布局,保证合理的温 湿度、充足的光照等。
(4) 避免超负荷的体力或脑力劳动,合理安排作息时间,注意劳逸结合等。
65. D
【解析】破碎与碾磨设备
额式破碎机上部,直接给料,落差小于Im时,可只做密闭罩而不排风。不论上部有 无排风,当下部落差大于或等于Im时,下部均应设置排风密封罩。
66. B
【解析】人能够运用多种通道接收信息。当一种信息通道发生障碍时可运用其他的通 道进行补偿;而机器只能按设计的固定结构和方法输入信息。人能长期大量储存信息并能 综合利用记忆的信息进行分析和判断。
67. A
【解析】B选项错误。视觉信号可以与听觉信号同时使用,其特点是光、声信号共同 作用,用以加强危险和紧急状态的警告功能。
C选项错误。警告视觉信号的亮度应至少是背景亮度的5倍,紧急视觉信号亮度应至 少是背景亮度的10倍。
D选项错误。紧急视觉信号应为红色,警告视觉信号应为黄色或橙黄色。
68. D
【解析】A选项错误。对于有惯性冲击的机动往复运动部件,应设置缓冲装置。
B选项错误。运动部件在有限滑轨运行或有行程距离要求的,应设置可靠的限位 装置。
C选项错误。运动部件不允许同时运动时,其控制机构应联锁,不能实现联锁的,应 在控制机构附近设置警告标志,并在说明书中加以说明。
【解析】D选项错误。根据《剪切机械安全规程》(GB 6077),双手操作式安全控制 装置的两个控制按钮,应装设在开关箱(或按钮盒)内,其按钮的顶端不得凸出该开关箱 (或按钮盒)的表面。
【解析】B选项正确。根据《企业职工伤害事故分类》(GB 6441),在该锻造工段可 能发生的伤害事故类别是机械伤害、其他爆炸、起重伤害、灼烫、物体打击。
【解析】消除疲劳的途径归纳起来有以下几个方面:
(1) 在进行显示器和控制器设计时应充分考虑人的生理、心理因素。
(2) 通过改变操作内容、播放音乐等手段克服单调乏味的作业。
(3) 改善工作环境,科学地安排环境色彩、环境装饰及作业场所布局,保证合理的温 湿度、充足的光照等。
(4) 避免超负荷的体力或脑力劳动,合理安排作息时间,注意劳逸结合等。
夜班作业者疲劳自觉症状多,人体的负担程度大,连续3~4天夜班作业,就可以发 现有疲劳累积的现象,甚至连上几周夜班也难以完全习惯。轮班作业易发生疲劳的另一原 因,是夜班作业者在白天难以得到充分休息,长此以往疲劳将会给作业者的身心健康带来 显著的不利影响。
由此可知,A选项错误。
72. A
【解析】当可能坠落的高度超过500 mm时,应安装防坠落护栏、安全护笼及防护板 等。A选项正确。
重型机床高于500 mm的操作平台周围应设高度不低于1050 mm的防护栏杆。B选项 错误。
根据《机械安全避免人体各部位挤压的最小间距》(GB 12265.3)为避免头部受到 挤压,最小间距应该为300 mmo C选项错误。
根据《机械安全防止上下肢触及危险区的安全距离》(GB 23821),防护装置方形 开口的安全距离不小于5 mmo D选项错误。
73. B
【解析】根据《工贸行业重大生产安全事故隐患判定标准》(2017),机械行业属于重 大事故隐患的有:
(1) 会议室、活动室、休息室、更衣室等场所设置在熔炼炉、熔融金属吊运和浇注影 响范围内。
(2) 吊运熔融金属的起重机不符合冶金铸造起重机技术条件,或驱动装置中未设置两 套制动器。吊运浇注包的龙门钩横梁、耳轴销和吊钩等零件,未进行定期探伤检查。
(3) 铸造熔炼炉炉底、炉坑及浇注坑等作业坑存在潮湿、积水状况,或存放易燃易爆 物品。
(4) 铸造峪炼炉冷却水系统未配置温度、进出水流量检测报警装置,没有设置防止冷 却水进入炉内的安全设施。
(5) 天然气(煤气)加热炉燃烧器操作部位未设置可燃气体泄漏报警装置,或燃烧 系统未设置防突然熄火或点火失败的安全装置。
(6) 使用易燃易爆稀释剂(如天拿水)清洗设备设施,未采取有效措施及时清除集 聚在地沟、地坑等有限空间内的可燃气体。
(7) 涂装调漆间和喷漆室未规范设置可燃气体报警装置和防爆电气设备设施。
74. D
【解析】机械零、构件连接紧固可靠属于采用本质安全技术中限制机械应力以保证足 够的抗破坏能力。设计时避免出现锐边、尖角属于釆用本质安全技术中的合理的结构型 式。机械产品材料具有抗腐蚀功能属于采用本质安全技术中的材料和物质的安全性。制定 机械设备安全操作规程不属于安全技术措施。
75. B
【解析】避免材料毒性属于釆用本质安全技术中的材料和物质的安全性。釆用安全电 源属于采用本质安全技术中的使用本质安全的工艺过程和动力源。机器的稳定性属于釆 用本质安全技术中的合理的结构型式。事故急停装置属于安全防护措施中的补充保护 措施。
1. B
【解析】电伤是电流的热效应、化学效应、机械效应等对人体所造成的伤害。伤害多 见于机体的外部,往往在机体表面留下伤痕。能够形成电伤的电流通常比较大。电伤的危 险程度决定于受伤面积、受伤深度、受伤部位等。
2. C
【解析】
(1) 直接接触电击:设备或线路正常运行条件下,人体直接触及设备或线路的带电部 分所形成的电击。
(2) 间接接触电击:设备或线路故障状态条件下,原本正常情况下不带电的设备外露 可导电部分或设备以外的可导电部分变成了带电状态时,人体与上述故障状态下带电的可 导电部分触及而形成的电击。
3. C
【解析】跨步电压电击。指站立或行走的人体,受到出现于人体两脚之间的电压即跨 步电压作用所引起的电击。跨步电压是当带电体接地,电流经接地线流入埋于土壤中的接 地体,又通过接地体向周围大地流散时,在接地体周围土壤电阻上产生的电压梯度形 成的。
【解析】电弧发生在人体附近对人体形成的烧伤以及被熔化金属溅落的烫伤称为间接 电弧烧伤。弧光放电时电流很大,能量也很大,电弧温度高达数千度,可造成大面积的深 度烧伤。
【解析】电伤是电流的热效应、化学效应、机械效应等对人体所造成的伤害。伤害多 见于机体的外部,往往在机体表面留下伤痕。能够形成电伤的电流通常比较大。电伤的危 险程度决定于受伤面积、受伤深度、受伤部位等。
【解析】绝缘、屏护和间距是直接接触电击的基本防护措施。其主要作用是防止人体 触及或过分接近带电体造成触电事故以及防止短路、故障接地等电气事故。
【解析】绝缘材料的电阻通常用兆欧表(摇表)测量。
【解析】IT系统就是保护接地系统。IT系统的字母I表示配电网不接地或经高阻抗接 地,字母T表示电气设备外壳接地。
【解析】
| 中文名称 | 英文缩写 | 特 点 | _______适用范围________ | 
| 保护接地 | IT | 中性点不接地,设备外壳 接地 | 低电阻接地,电压安全;故障不消失;各种不接地 配电网 | 
| 工作接地 | Tr | 中性点接地,设备外壳接地 | 电压安全;故障不能迅速切除,无变压器,低压电 源小型用户 | 
(续)
| 中文名称 | 英文缩写 | 特 点 | 适用范围________ | 
| 保护接零TN | TN-S | 中性点接地,设备外壳接零 N与PE分开 | 电压不安全;迅速切断电源;有爆炸危险、火灾危 险性大及其他安全要求高的场所 | 
| TN-C | N⅛PE 合为 PEN | 触电危险性小、用电设备简单的场合 | |
| TN-C-S | 前PEN后N与PE分开 | 厂内低压配电的场所及民用楼房 | 
【解析】釆用Tr系统必须装设剩余电流动作保护装置或过电流保护装置,并优先采 用前者。
【解析】
| 相线截面5LZmm2 | 保护零线最小截面SPE∕mm2 | 
| Sl W16 | ____________________________Sh____________________________ | 
| 16<5l≤35 | 16 | 
| SLA35 | 5l∕2 . | 
【解析】I类设备。这种设备除依靠基本绝缘外,还有一个附加的安全措施。I类设 备外壳上没有接地端子,但内部有接地端子。自设备内部有接地端子引出的专用的保护芯 线的带有保护插头的电源线。I类设备带有全部或部分金属外壳,所用电源开关为全极开 关。I类设备也可以有II类结构或HI类结构的部件。
【解析】工作绝缘。又称基本绝缘,是保证电气设备正常工作和防止触电的基本绝缘, 位于带电体与不可触及金属件之间。
【解析】
| 环境 | 电压/V | 电压/V | |
| 特别危险 | 42 | 金属容器、潮湿处 | 12 | 
| 电击危险 | 36/24 | 水下 | 6 | 
【解析】在直接接触电击事故防护中,剩余电流保护装置只作为直接接触电击事故基 本防护措施的补充保护措施。从剩余电流动作保护的机理可知,其保护并不包括对相与 相、相与N线间形成的直接接触电击事故的防护。
【解析】工作电火花及电弧。指电气设备正常工作或正常操作过程中所产生的电火花。 例如,刀开关、断路器、接触器、控制器接通和断开线路时会产生电火花;插销拔出或插 入时的火花;直流电动机的电刷与换向器的滑动接触处、绕线式异步电动机的电刷与滑环 的滑动接触处也会产生电火花等。切断感性电路时,断口处火花能量较大,危险性也 较大。
17. D
【解析】电缆火灾的常见起因如下:
(1) 电缆绝缘损坏。运输过程或敷设过程中造成了电缆绝缘的机械损伤、运行中的过 载、接触不良、短路故障等都会使绝缘损坏,导致绝缘击穿而发生电弧。
(2) 电缆头故障使绝缘物自燃。施工不规范,质量差,电缆头不清洁等降低了线间 绝缘。
(3) 电缆接头存在隐患。电缆接头的中间接头因压接不紧、焊接不良和接头材料选择 不当,导致运行中接头氧化、发热、流胶;绝缘剂质量不合格,灌注时盒内存有空气,电 缆盒密封不好,进入了水或潮气等,都会引起绝缘击穿,形成短路甚至发生爆炸。
(4) 堆积在电缆上的粉尘起火。积粉不清扫,可燃性粉尘在外界高温或电缆过负荷 时,在电缆表面的高温作用下,发生自燃起火。
(5) 可燃气体从电缆沟窜入变、配电室。电缆沟与变、配电室的连通处未釆取严密封 堵措施,可燃气体通过电缆沟窜入变、配电室,引起火灾爆炸事故。
(6) 电缆起火形成蔓延。电缆受外界引火源作用一旦起火,火焰沿电缆延燃,使危害 扩大。电缆在着火的同时,会产生有毒气体,对在场人员造成威胁。
18. B
【解析】爆炸危险物质分如下三类:
(1) I类:矿井甲烷(CH4)o
(2) II类:工厂的爆炸性气体、蒸气。
(3) HI类:爆炸性粉尘、纤维或飞絮。
【解析】根据爆炸性气体混合物出现的频繁程度和持续时间,对危险场所分区,分为: O区、1区、2区。释放源的等级和通风条件对分区有直接影响。其中释放源是划分爆炸 危险区域的基础。
【解析】直击雷和闪电感应都能在架空线路、电缆线路或金属管道上产生沿线路或管 道的两个方向迅速传播的闪电电涌(即雷电波)侵入。
【解析】电性质的破坏作用。破坏高压输电系统,毁坏发电机、电力变压器等电气设 备的绝缘,烧断电线或劈裂电杆,造成大规模停电事故;绝缘损坏可能引起短路,导致火 灾或爆炸事故;二次放电的电火花也可能引起火灾或爆炸,二次放电也可能造成电击,伤 害人命;形成接触电压电击和跨步电压导致触电事故;雷击产生的静电场突变和电磁辐 射,干扰电视电话通信,甚至使通信中断;雷电也能造成飞行事故。
22. D
【解析】热性质的破坏作用。直击雷放电的高温电弧能直接引燃邻近的可燃物;巨大 的雷电流通过导体能够烧毁导体;使金属熔化、飞溅引发火灾或爆炸。球雷侵入可引起 火灾。
23. B
【解析】第二类防雷建筑物:
(1) 国家级重点文物保护的建筑物。
(2) 国家级的会堂、办公建筑物、大型展览和博览建筑物、大型火车站和飞机场、国 宾馆、国家级档案馆、大型城市的重要给水水泵房等特别重要的建筑物。
(3) 国家级计算中心、国际通信枢纽等对国民经济有重要意义的建筑物。
(4) 国家特级和甲级大型体育馆。
(5) 制造、使用或储存火炸药及其制品的危险建筑物,且电火花不易引起爆炸或不致 造成巨大破坏和人身伤亡者。
(6) 具有1区或21区爆炸危险场所的建筑物,且电火花不易引起爆炸或不致造成巨 大破坏和人身伤亡者。
(7) 具有2区或22区爆炸危险场所的建筑物。
(8) 有爆炸危险的露天钢质封闭气罐。
(9) 预计雷击次数大于0.05次/a的部、省级办公建筑物和其他重要或人员密集的公 共建筑物以及火灾危险场所。
(10) 预计雷击次数大于0.25次/a的住宅、办公楼等一般性民用建筑物或一般性工 业建筑物。
【解析】正常时,避雷器对地保持绝缘状态;当雷电冲击波到来时,避雷器被击穿, 将雷电引入大地;冲击波过去后,避雷器自动恢复绝缘状态。
■【解析】第一类防雷建筑物的直击雷防护,要求装设独立接闪杆、架空接闪线或网。
【解析】静电危害形式和事故后果:
(1) 静电放电火花会成为可燃性物质的点火源,造成爆炸和火灾事放。
(2) 人体因受到静电电击的刺激,可能引发二次事故,如坠落、跌伤等。此外,对静 电电击的恐惧心理还会影响效率。
(3) 静电的物理现象会对生产产生妨碍,导致产品质量不良,电子设备损坏。
27. C
【解析】
(1) 环境危险程度的控制:减少氧化剂含量。充填氮、二氧化琰或其他不活泼的气 体,减少爆炸性气体、蒸气或爆炸性粉尘中氧的含量,以消除燃烧条件。混合物中氧含量 不超过8%时即不会引起燃烧。
(2) 工艺控制-限制物料的运动速度:为了限制产生危险的静电,汽车罐车采用顶部 装油时,装油鹤管应深入到槽罐的底部200 mm。油罐装油时,注油管出口应尽可能接近 油罐底部,对于电导率低于50 pS∕m的液体石油产品,初始流速不应大于1 m∕s,当注入 口浸没200 mm后,可逐步提高流速,但最大流速不应超过7 m/s。
(3) 在静电危险场所,所有属于静电导体的物体必须接地。
(4) 禁止在静电危险场所穿脱衣物、帽子及类似物,并避免剧烈的身体运动。
28. B
【解析】电气火灾爆炸是由电气引燃源引起的火灾和爆炸。电气装置在运行中产生的 危险温度、电火花和电弧是电气引燃源主要形式。
29. A
【解析】直接接触电击是触及正常状态下带电的带电体时发生的电击,也称为正常状 态下的电击。间接接触电击是触及正常状态下不带电,而在故障状态下意外带电的带电体 时发生的电击,也称为故障状态下的电击。
B选项错误。裸导线属于正常状态下带电的带电体,触及发生的电击属于直接接触 电击。
C选项错误。“带电抢修”描述为该带电体本身就已经带电,“绝缘服划破”虽然发 生了故障,但是并不是带电体故障,所以此时发生的电击属于直接接触电击。
D选项错误。电吹风插头绝缘部分正常状态是不带电的,因故障意外带电,造成的电 击属于间接接触电击。
30. D
【解析】跨步电压电击是人体进入地面带电的区域时,两脚之间承受的跨步电压造成 的电击。故障接地点附近(特别是高压故障接地点附近),有大电流流过的接地装置附近, 防雷接地装置附近以及可能落雷的高大树木或高大设施所在的地面均可能发生跨步电压 电击。
31. D
【解析】按照电流转换成作用于人体的能量的不同形式,电伤分为电弧烧伤、电流灼 伤、皮肤金属化、电烙印、电气机械性伤害、电光眼等伤害。
A选项错误。电气机械性伤害是电流作用于人体时,由于中枢神经强烈反射和肌肉强 烈收缩等作用造成的机体组织断裂、骨折等伤害;而该选项描述为人触电后,身体碰触外 界物体造成的机体伤害,不符合电气机械性伤害定义。
B选项错误。皮肤金属化是电弧使金属熔化、气化,金属微粒渗入皮肤造成的伤害; 该选项描述为弧光放电时,熔化了的炽热金属飞溅出来造成烫伤属于电弧烧伤。
C选项错误。电流通过人体后在人体与带电体接触的部位留下永久性斑痕属于电 烙印。
32. B
【解析】A选项错误。小电流对人体的作用主要表现为生物学效应,给人以不同程度 的刺激,使人体组织发生变异。 _
C选项错误。发生心室纤维性颤动时,心脏每分钟颤动IOOo次以上,但幅值很小, 而且没有规则。
D选项错误。电流的瞬时作用引起的心室纤维性颤动,呼吸可能持续2~3 minO
33. D
【解析)A选项错误。绝缘材料电性能包括绝缘电阻、耐压强度、泄漏电流和介质 损耗。
B选项错误。介电常数越大,极化过程越慢。
C选项错误。绝缘电阻为直流电阻,是判断绝缘质量最基本、最简易的指标。
34. A
【解析】B选项错误。液体绝缘击穿后,绝缘性能只在一定程度上得到恢复。
C选项错误。热击穿:电压作用时间较长,而击穿电压较低。
D选项错误。电击穿:作用时间短、击穿电压高。
35. D
【解析】题中为TN-S系统,TN-S系统可用于有爆炸危险,或火灾危险性较大,或安 全要求较高的场所,宜用于有独立附设变电站的车间。TN-C-S系统宜用于厂内设有总变 电站,厂内低压配电的场所及非生产性楼房。TN-C系统可用于无爆炸危险、火灾危险性 不大、用电设备较少、用电线路简单且安全条件较好的场所。故C选项错误。
A选项错误。保护接零也能降低漏电设备对地电压。一般情况下,将漏电设备对地电 压限制在某一安全范围内是困难的。
B选项错误。在该系统中,对于配电线路或仅供给固定式电气设备用电技术的末端线 路,不宜大于5 SO
36. B
【解析】A选项错误。。类设备外壳既可以由绝缘材料制成,也可以由金属材料制成。
C选项错误。I类设备除依靠基本绝缘外,还有一个附加的安全措施。I类设备也可 以有∏类结构或DI类结构的部件。
D选项错误。II类设备具有双重绝缘和加强绝缘的结构,II类设备可以有ΠI类结构的 部件。
37. A
【解析】如图所示:
 
38. C
【解析】(1)高压断路器有强力灭弧装置,能在正常情况下接通和分断负荷电流。
(2) 高压断路器必须与高压隔离开关或隔离插头串联使用,由断路器接通和分断电 流,由隔离开关或隔离插头隔断电源。
(3) 高压负荷开关必须串联有高压熔断器。由熔断器切断短路电流。负荷开关只用来 操作负荷电流。
(4)隔离开关不具备操作负荷电流的能力。切断电路时必须先拉开断路器,后拉开隔 离开关;接通电路时必须先合上隔离开关,后合上断路器P
39. C
【解析】C选项错误。对于低压设备,遮栏与裸导体的距离不应小于0.8mo
40. C
【解析】B选项为TN-S系统,保护零线与中性线完全分开的系统。C选项为TN-C-S 系统,干线部分的前一段保护零线与中性线共用,后一段保护零线与中性线分开的系统。 D选项为TN-C系统,干线部分保护零线与中性线完全共用的系统。A选项为Tr系统。 TN-S系统可用于有爆炸危险,或火灾危险性较大,或安全要求较高的场所,宜用于有独 立附设变电站的车间。TN-C-S系统宜用于厂内设有总变电站,厂内低压配电的场所及非 生产性楼房。TN-C系统可用于无爆炸危险、火灾危险性不大、用电设备较少、用电线路 简单且安全条件较好的场所。综上本题选择C选项。
41. B
【解析】A选项错误。IT系统在380 V不接地低压配电网中,一般要求保护接地电阻 RE W4 Ωo
C选项错误。在TN系统中,当设备某相带电体碰连设备外壳时,短路保护迅速动作, 从而将故障部分断开电源,消除电击危险°
D选项错误。在TN系统中,一般情况下将漏电设备对地电压限制在某一安全范围内 是困难的。
42. C
【解析】对于供给手持式电动工具的线路,电压380 V者故障持续时间不宜超过 0. 2 SO
43. D
【解析】A选项错误。采用单芯绝缘导线作保护零线时,没有机械防护的截面积不得 小于4 mm2 O
B选项错误。采用单芯绝缘导线作保护零线时,有机械防护的截面积不得小于 2. 5 mm2 O
C选项错误。铜制PEN线截面积不得小于10 mn?。
44. C
【解析】当保护零线与相线材料相同时,相线截面积不大于16mm2时,保护零线最小 截面积与相线截面积相同。
45. C
【解析】A选项错误。当自然接地体的接地电阻符合要求时,可不敷设人工接地体 (发电厂和变电所除外)。
B选项错误。自然接地体至少应有两根导体在不同地点与接地网相连(线路杆塔除 外)。
D选项错误。埋设在地下的金属管道(有可燃或爆炸性介质的管道除外)、金属井管、 与大地有可靠连接的建筑物的金属结构、水工构筑物及类似构筑物的金属管、桩等自然导 体均可用作自然接地体。
46. C
【解析】A选项错误。为减少自然因素影响,接地体上端离地面深度不应小于0.6 m
(在农田地带不应小于Im),并应在冰冻层以下。
B选项错误。接地体宜避开人行道和将筑物出入口附近(注意是“宜”而不是“应 当”)。
D选项错误。接地体离独立避雷针接地体的地下水平距离不得小于3 mo
【解析】D选项错误。利用建筑物的钢结构、起重机轨道、工业管道等自然导体作接 地线时,其伸缩缝或接头处应另加跨接线,以保证连续可靠。
【解析】A选项错误。双重绝缘属于防止间接接触电击的安全技术措施。
B选项错误。具有双重绝缘的是∏类设备。
D选项错误。加强绝缘的绝缘电阻不得低于7 MΩo
【解析】A选项错误。凡特别危险环境使用的手持电动工具应采用42 V安全电压的m 类工具。
B选项错误。凡有电击危险环境使用的手持照明灯和局部照明灯应采用36 V或24 V 安全电压(二者均可,而不是单单使用36 V安全电压)。
D选项错误。当电气设备采用24 V以上安全电压时,必须采取直接接触电击的防护 措施。
50. A
【解析】属于I类的移动式电气设备及手持式电动工具必须安装漏电保护装置。
51. C
【解析】A选项错误。电压过低,除使电磁铁吸合不牢或吸合不上外,对于恒定电阻 的负载,还会使电流增大,增加发热。
B选项错误。漏电电流沿线路均匀分布,一般不会产生危险温度。
D选项错误。铁芯短路,或线圈电压过高,或通电后铁芯不能吸合,由于涡流损耗和 磁滞损耗增加都将造成铁芯过热并产生危险温度。
【解析】漏电电流沿线路均匀分布,一般不会产生危险温度。
【解析】能与空气形成爆炸性混合物的爆炸危险物质分为三类:I类是矿井甲烷;∏ 类是爆炸性气体、蒸气、薄雾;HI类是爆炸性粉尘、纤维。
【解析】20区包括粉尘容器、旋风除尘器、搅拌器等设备内部的区域。
【解析】A选项错误。良好的通风标志是混合物中危险物质的浓度被稀释到爆炸下限 的1/4以下。
B选项错误。存在连续释放源的区域可划分为O区。
D选项错误。在障碍物、凹坑和死角处,应局部提高爆炸危险区域等级。
【解析】"Ex p IHC T120 Y Db IP65”表示设备正压型“p”,保护级别为Db,用于DI C类导电性粉尘的爆炸性粉尘环境的防爆电气设备,其最高表面温度低于120 cC,外壳防 护等级为IP65o
【解析】本题当中“Exd HBT3Gb"表示的是该设备为隔爆型,用于IIB类T3组爆 炸性气体环境,保护级别Gb。
【解析】电气线路宜在爆炸危险性较小的环境或远离释放源的地方敷设。当可燃物质 比空气重时,电气线路宜在较高处敷设或直接埋地。
【解析】A选项错误。为防止形成爆炸混合物,应在危险空间充填惰性气体或不活泼 气体。
B选项错误。室内电压10 kV以上、总油量60 kg以下的充油设备可安装在两侧有隔 板的间隔内。
D选项错误。在有爆炸危险环境中的设备的金属部分、金属管道以及建筑物的金属结 构全部接地,并连接成连续整体。
60. A
【解析】B选项错误。国家级计算机中心属于第二类防雷建筑物。
C选项错误。有爆炸危险的露天汽油储罐属于第二类防雷建筑物。
D选项错误。省级档案馆属于第三类防雷建筑物。
61. C
【解析】A选项错误。建筑物的金属屋面可作为第一类工业建筑物以外其他各类建筑 物的接闪器。
B选项错误。避雷器应装在被保护设施的引入端。
D选项错误。不太重要的第三类建筑物冲击接地电阻可放宽至30 Ωo
【解析】静电消除器主要用来消除非导体上的静电。
【解析】A选项错误。静电能量小,电压高而容易发生放电。
C选项错误。静电电击不会使人致命。
D选项错误。生产过程中产生的静电,会妨碍生产或降低产品质量。
【解析】“IP66”表示“能完全防止灰尘进入壳内;能完全防止触及壳内带电运动部 分;向外壳各个方向强烈喷水无有害影响”。
65. B
【解析】A选项错误。测量连接导线不得采用双股绝缘线,而应采用绝缘良好单股线 分开连接,以免双股线绝缘不良带来测量误差。
C选项错误。使用指针式兆欧表摇把的转速应由慢至快,转速应稳定,不要时快 时慢。
D选项错误。测量应尽可能在设备刚停止运转时进行,以使测量结果符合运转时的实 际温度。
66. C
【解析】A选项错误。交流电气设备应优先利用自然导体作接地线。
B选项错误。不得利用蛇皮管、管道保温层的金属外皮或金属网以及电缆的金属护层 可作接地线。
D选项错误。接地装置地下部分的连接应采用焊接,并应采用搭焊,不得有虚焊。
67. A
【解析】B选项错误。聚氨酯泡沫材料为可燃性材料,敷设电气线路的沟道、电缆桥 架或导管,所穿过的不同区域之间墙或楼板处的孔洞,应采用非燃性材料严密堵塞。
C选项错误。当爆炸危险环境中可燃气体比空气重时,电气线路宜在较高处敷设或直 接埋地。
D选项错误。爆炸危险环境中,钢管配线可采用无护套的绝缘单芯或多芯导线。
68. C
【解析】A选项错误。雷电流的最大值可达数十千安至数百千安。
B选项错误。雷电流冲击波波头陡度可达50 kA∕μso
D选项错误。感应雷的过电压可达数百千伏。
69. C
【解析】A选项错误。电机在电源缺相状态下工作很容易烧毁,但不会使外壳带电造 成人员触电。
B选项错误。电动机轴承损坏会产生危险温度,但不会使外壳带电造成人员触电。
C选项正确。当施加于绝缘材料上的电场强度高于临界值时,绝缘材料发生破裂或分 解,电流急剧增加,完全失去绝缘性能,这种现象就是绝缘击穿。电机两相绕组之间的电 阻值为零、绕组与电机外壳之间的电阻值为零,说明发生了绝缘击穿,导致绝缘完全丧 失,使电动机外壳带电造成人员触电。
D选项错误。转子“扫膛”就是转子转动时与定子接触摩擦,一旦扫膛就会产生热量 很快烧坏电机,但不会使外壳带电造成人员触电。
70. A
【解析】B选项错误。使用兆欧表测量时,连接导线不得釆用双股绝缘线,而应釆用 绝缘良好单股线分开连接,以免双股线绝缘不良带来测量误差。 •
C选项错误。使用接地电阻测量仪测量时,测量电极间的连接线应避免与邻近的高压 架空线路平行,以防止感应电压的危险。
D选项错误。使用可燃气体检测仪测量时,报警浓度应设置为可燃气体爆炸下限的 20% ( V∕V) O
71. D
【解析】甲受到的触电伤害方式是电弧烧伤。电弧烧伤是由弧光放电造成的烧伤,是 最危险的电伤。电弧温度高达8000 tC ,可造成大面积、大深度的烧伤,甚至烧焦、烧毁 四肢及其他部位。发生弧光放电时,熔化了的炽热金属飞溅出来还会造成烫伤。高压电弧 和低压电弧都能造成严重烧伤。高压电弧的烧伤更为严重一些。
72. D
【解析】TN系统分为TN-S、TN-C-S, TN-C三种方式。TN-S系统是保护零线与中 性线完全分开的系统;TN-C-S系统是干线部分的前一段保护零线与中性线共用,后一段 保护零线与中性线分开的系统;TN-C系统是干线部分保护零线与中性线完全共用的系统。
A选项为Tr系统,不属于TN系统。B选项为TN-S系统。C选项为TN-C-S系统。 D选项为TN-C系统。
73. B
【解析】属于I类的移动式电气设备及手持式电动工具;生产用的电气设备;施工工 地的电气机械设备;安装在户外的电气装置;临时用电的电气设备;机关、学校、宾馆、 饭店、企事业单位和住宅等除壁挂式空调电源插座外的其他电源插座或插座回路;游泳 池、喷水池、浴池的电气设备;安装在水中的供电线路和设备;医院中可能直接接触人体 的电气医用设备等均必须安装漏电保护装置。
对于公共场所的通道照明电源和应急照明电源、消防用电梯及确保公共场所安全的电 气设备、用于消防设备的电源(如火灾报警装置、消防水泵、消防通道照明等)、用于防 盗报警的电源,以及其他不允许突然停电的场所或电气装置的电源,漏电时立即切断电源 将会造成其他事故或重大经济损失。在这些情况下,应装设不切断电源的报警式漏电保护 装置。
从防止触电的角度考虑,使用特低电压供电的电气设备、一般环境条件下使用的具有 双重绝缘或加强绝缘结构的电气设备、使用隔离变压器且二次侧为不接地系统供电的电气 设备,以及其他没有漏电危险和触电危险的电气设备可以不安装漏电保护装置。
具有双重绝缘的电气设备属于II类设备。II类设备在其明显部位应有“回”形标志。
74. A
【解析】防爆电气设备的标志应设置在设备外部主体部分的明显地方,且应设置在设 备安装之后能看到的位置。标志应包含:制造商的名称或注册商标、制造商规定的型号标 识、产品编号或批号、颁发防爆合格证的检验机构名称或代码、防爆合格证号、EX标志、 防爆结构型式符号、类别符号、表示温度组别的符号(对于II类电气设备)或最高表面温 度及单位tC ,前面加符号T(对于BI类电气设备)、设备的保护级别(EPL)、防护等级 (仅对于DI类,如IP54)o
EPL用于表示设备的固有点燃风险,区别爆炸性气体环境、爆炸性粉尘环境和煤矿有 甲烷的爆炸性环境的差别。用于煤矿有甲烷的爆炸性环境中的I类设备的EPL分为Ma、 Mb两级。用于爆炸性气体环境的II类设备的EPL分为Ga、Gb、GC三级。用于爆炸性粉 尘环境的l∏类设备的EPL分为Da、Db, DC三级。
“ExdHBT3Gb”表示该设备为隔爆型“d”,保护级别(EPL)为Gb,用于IIB类 T3组爆炸性气体环境的防爆电气设备。
75. D
【解析】电力线路应有必要的资料和文件,如施工图、实验记录等。还应建立巡视、 清扫、维修等制度。-
对临时线应建立相应的管理制度。例如,安装临时线应有申请、审批手续;临时线应 有专人负责;应有明确的使用地点和使用期限等。
【解析】静电防护措施包括:环境危险程度控制、工艺控制、接地、增湿、抗静电添 加剂、静电消除器。屏蔽不属于静电防护措施。
【解析】根据《电气装置安装工程爆炸和火灾危险环境电气装置施工及验收规范》 (GB 50257),爆炸危险环境内的钢管配线,钢管与钢管、钢管与电气设备、钢管与钢管附 件之间应采用跨线连接,并应保证良好的电气通路。B选项错误。
【解析】跨步电压电击是人体进入地面带电的区域时,两脚之间承受的跨步电压造成 的电击。故障接地点附近(特别是高压故障接地点附近),有大电流流过的接地装置附近, 防雷接地装置附近以及可能落雷的高大树木或高大设施所在的地面均有可能发生跨步电压 电击。
【解析】IT系统中,三相负载不平衡会导致零点漂移,并不会造成短路。选项D 正确。
【解析】IT系统与TT系统均属于接地保护。TN-C系统与TN-S系统属于接零保护系 统。其中,TN-S系统是保护零线与中性线完全分开的系统,TN-C系统是干线部分保护 零线与中性线完全共用的系统。
【解析】不得利用蛇皮管、管道保护层的金属外皮或金属网以及电缆的金属护层作接 地线。
【解析】根据《爆炸性环境 第1部分:设备 通用要求》(GB 3836. 1) I类电气设 备用于煤矿瓦斯气体环境。∏类电气设备用于除煤矿甲烷气体之外的其他爆炸性气体环 境。Dl类电气设备用于除煤矿以外的爆炸性粉尘环境。
【解析】接触面积越大,双电层正、负电荷越多,产生的静电越多。接触压力越大或 摩擦越强烈,会增加电荷分离强度,产生较多静电。A选项错误。
平皮带与皮带轮之间的滑动位移比三角皮带大,产生的静电也比较强烈。B选项 错误。
空气湿度降低,很多绝缘体表面电阻率升高,泄漏变慢,从而容易积累危险静电。C 选项错误。
【解析】根据《特种设备安全监察条例》,特种设备是指涉及生命安全、危险性较大 的锅炉、压力容器(含气瓶,下同)、压力管道、电梯、起重机械、客运索道、大型游乐 设施和场(厂)内专用机动车辆。
【解析】特种设备在正式使用前,必须到当地特种设备安全监察机构登记,经审查批 准登记建档、取得使用证方可使用。
【解析】锅炉在高温高压下工作,可能引发锅炉爆炸的原因包括水循环遭破坏、水质 不良、长时间低水位运行、超温运行和超压运行。
【解析】发现锅炉缺水时,应首先判断是轻微缺水还是严重缺水,然后酌情予以不同 的处理。通常判断缺水程度的方法是“叫水”。“叫水”操作一般只适用于相对容水量较 大的小型锅炉,不适用于相对容水量很小的电站锅炉或其他锅炉。
【解析】为了预防水击事故,给水管道和省煤器管道的阀门启闭不应过于频繁,开闭 速度要缓慢;对可分式省煤器的出口水温要严格控制,使之低于同压力下的饱和温度 40 cC5防止满水和汽水共腾事故,暖管之前应彻底疏水;上锅筒进水速度应缓慢,下锅 筒进汽速度也应缓慢。
【解析】压力表装置齐全(压力表、存水弯管、三通旋塞)。应每半年对其校验一次, 并铅封完好。
【解析】每台锅炉至少应装两只独立的水位计,额定蒸发量小于等于0.2 t/h的锅炉 可只装一只。
【解析】防止炉膛爆炸的措施是:点火前,开动引风机给锅炉通风5~10 min,没有风 机的可自然通风5~10 min,以清除炉膛及烟道中的可燃物质。点燃气、油、煤粉炉时, 应先送风,之后投入点燃火炬,最后送入燃料。
【解析】锅炉正常停炉的次序应该是先停燃料供应,随之停止送风,减少引风。
【解析】紧急停炉的操作次序是:立即停止添加燃料和送风,减弱引风;与此同时, 设法熄灭炉膛内的燃料;灭火后即把炉门、灰门及烟道挡板打开,以加强通风冷却;锅内 可以较快降压并更换锅水,锅水冷却至70 Y左右允许排水。
11. C
【解析】水压试验内容。缓慢升压至工作压力,检査是否有泄漏或异常现象;继续升 压至试验压力,至少保持20 min,再缓慢降压至工作压力,检查所有参加水压试验的承压 部件表面、焊缝、胀口等处是否有渗漏、变形,以及管道、阀门、仪表等连接部位是否有 渗漏。
【解析】压力容器设计压力,系指在相应设计温度下用以确定容器壳体厚度及其元件 尺寸的压力,即标注在容器铭牌上的设计压力。压力容器的设计压力值不得低于最高工作 压力。
【解析】压力容器本体泄漏或第一道阀门泄漏时,要根据容器、介质不同使用专用堵 漏技术和堵漏工具进行堵漏。易燃易爆介质泄漏时,要对周边明火进行控制,切断电源, 严禁一切用电设备运行,并防止静电产生。
【解析】压力容器爆炸分为物理爆炸现象和化学爆炸现象。物理爆炸现象是容器内高 压气体迅速膨胀并以高速释放内在能量。化学爆炸现象是容器内的介质发生化学反应,释 放能量生成高压、高温,其爆炸危害程度往往比物理爆炸现象严重。
【解析】压力容器事故的预防,应立即釆取紧急措施,停止容器的运行:
(1) 超温、超压、超负荷时,釆取措施后仍不能得到有效控制。
(2) 容器的承压部件出现裂纹、鼓包变形、焊缝或可拆连接处泄漏等危及容器安全的 迹象。
(3) 安全装置全部失效,连接管件断裂,紧固件损坏等,难以保证安全操作。
(4) 发生火灾、撞击等直接威胁压力容器安全运行的情况。
(5) 充装过量。
(6) 压力容器液位超过规定,釆取措施仍不能得到有效控制。
(7) 压力容器与管道发生严重振动,危及安全运行。
(8) 高压容器的信号孔或警报孔泄漏。
16. B
【解析】安全阀与爆破片装置的组合:
并联组合:安全阀的开启压力应略低于爆破片的标定爆破压力。
串联安装:
(1) 安全阀进口和容器之间爆破片:爆破片破裂后的泄放面积应不小于安全阀进口 面积。
(2) 安全阀出口侧装爆破片:介质洁净;存在背压时,阀仍能在开启压力下准确
开启。
(3)爆破片的泄放面积不得小于安全阀的进口面积。
17. C
【解析】对运行中的容器进行检查,包括工艺条件、设备状况以及安全装置等方面。 在设备状况方面,主要检査各连接部位有无泄漏、渗漏现象,容器的部件和附件有无塑性 变形、腐蚀以及其他缺陷或可疑迹象,容器及其连接管道有无振动、磨损等现象。
18. B
【解析】压力容器维护保养做法:
(1) 保持完好的防腐层。若发现防腐层损坏,即使是局部的,也应该先经修补等妥善 处理以后再继续使用。
(2) 消除产生腐蚀的因素。
(3) 消灭容器的“跑、冒、滴、漏”。
(4) 加强容器在停用期间的维护。对于长期或临时停用的容器,应加强维护。停用的 容器,必须将内部的介质排除干净,腐蚀性介质要经过排放、置换、清洗等技术处理。
(5) 经常保持容器的完好状态。容器上所有的安全装置和计量仪表,应定期进行调整 校正。
19. C
【解析】
| 赢检测 | -超声波检测 | |
| 适合检验 | 体积型缺陷(气孔、夹渣) | 面积型缺陷(裂纹、未熔合) | 
| 工件 | 对接焊缝 | 各种试件 | 
| 缺陷 | 成本高、辐射大 | 易受材质、颗粒影响 | 
20. C
【解析】有下述情况时,司机不应操作:起重机结构或零部件(如吊钩、钢丝绳、制 动器、安全防护装置等)有影响安全工作的缺陷和损伤;吊物超载或有超载可能,吊物质 量不清;吊物被埋置或冻结在地下、被其他物体挤压;吊物捆绑不牢,或吊挂不稳,被吊 重物棱角与吊索之间未加衬垫;被吊物上有人或浮置物;作业场地昏暗,看不清场地、吊 物情况或指挥信号。在操作中不得歪拉斜吊。
21. B
【解析】倾翻事故是自行式起重机的常见事故,自行式起重机倾翻事故大多是由起重 机作业前支承不当引发,如野外作业场地支承地基松软,起重机支腿未能全部伸出等。起 重量限制器或起重力矩限制器等安全装置动作失灵、悬臂伸长与规定起重量不符、超载起 吊等因素也都会造成自行式起重机倾翻事故。
22. B
【解析】防坠安全器是非电气、气动和手动控制的防止吊笼或对重坠落的机械式安全 保护装置,主要用于施工升降机等起重设备上,其作用是限制吊笼的运行速度,防止吊笼 坠落,保证人员设备安全。
【解析】回转锁定器常见形式有机械锁定器和液压锁定器两种。
【解析】用两台或多台起重机吊运同一重物时,每台起重机都不得超载。吊运过程应 保持钢丝绳垂直,保持运行同步。吊运时,有关负责人员和安全技术人员应在场指导。
【解析】司索工主要从事地面工作,例如准备吊具、捆绑挂钩、摘钩卸载等,多数情 况还担任指挥任务。如果作业场地为斜面,则应站在斜面上方(不可在死角),防止吊物 坠落后继续沿斜面滚移伤人。有主、副两套起升机构的,不允许同时利用主、副钩工作 (设计允许的专用起重机除外)。
26. C
[解析]
(1) 定期检验的内容。性能试验:空载试验,额定载荷试验。
(2) 首次检验的内容。除了上述定期检验内容外,还应附加下列检验项目:①静载荷 试验;②动载荷试验。
27. A
【解析】液压系统中,可能由于超载或者油缸到达终点油路仍未切断,以及油路堵塞 引起压力突然升高,造成液压系统破坏。因此系统中必须设置安全阀,用于控制系统最高 压力。最常用的是溢流安全阀。
28. D
【解析】货叉架下降速度在任何情况下,不得超过600 mm/sO货叉自然下滑量不大于 100 mm,门架(或货叉)倾角的自然变化量不大于2。。
货叉两叉尖应该等高,两叉尖高度差不得超过水平段长度的3%。货叉由于使用磨损, 货叉水平段和垂直的厚度不得小于原值的90%及以下。
29. D
【解析】(1)反应压力容器:如各种反应器、反应釜、聚合釜、合成塔、变换炉、煤 气发生炉等。
(2) 换热压力容器:如各种热交换器、冷却器、冷凝器、蒸发器等。
(3) 分离压力容器:如各种分离器、过滤器、集油器、洗涤器、吸收塔、干燥塔、汽 提塔、分汽缸、除氧器等。
(4) 储存压力容器:如各种型式的储罐、缓冲罐、消毒锅、印染机、烘缸、蒸锅等。
30. C
【解析】通常判断缺水程度的方法是“叫水”。“叫水”的操作方法是:打开水位表的 放水旋塞冲洗汽连管及水连管,关闭水位表的汽连接管旋塞,关闭放水旋塞。如果此时水 位表中有水位出现,则为轻微缺水。如果通过“叫水”水位表内仍无水位出现,说明水位 已降到水连管以下甚至更严重,属于严重缺水。
轻微缺水时,可以立即向锅炉上水,使水位恢复正常。如果上水后水位仍不能恢复正 常,应立即停炉检查。严重缺水时,必须紧急停炉。在未判定缺水程度或者已判定属于严 重缺水的情况下,严禁给锅炉上水,以免造成锅炉爆炸事故。
31. A
【解析】锅炉满水的处理:发现锅炉满水后,应冲洗水位表,检查水位表有无故障; 一旦确认满水,应立即关闭给水阀停止向锅炉上水,启用省煤器再循环管路,减弱燃烧, 开启排污阀及过热器、蒸汽管道上的疏水阀;待水位恢复正常后,关闭排污阀及各疏水 阀;查清事故原因并予以消除,恢复正常运行。
32. D
【解析】不能采取带压堵漏技术进行处理的情况有:
(1) 毒性极大的介质管道。
(2) 管道受压元件因裂纹而产生泄漏。
(3) 管道腐蚀、冲刷壁厚状况不清。
(4) 泄漏特别严重(当量直径大于10 mm),压力高、介质易燃易爆或有腐蚀性的 管道。
(5) 现场安全措施不符合要求的管道。
33. B
【解析】A选项错误。安全阀每年至少校验一次,检验的项目为整定压力和密封性能, 有条件时可以校验回座压力。
C选项错误。表盘直径不应小于100 mm,表的刻盘上应划有最高工作压力红线标志。
D选项错误。每台锅炉至少应装两只独立的水位计,额定蒸发量小于或等于0.5 t/h 的锅炉可只装一只。
34. A
【解析】A选项错误。从防止产生过大热应力出发,上水温度最高不超过90 tC,水温 与筒壁温差不超过50 OCO对水管锅炉,全部上水时间在夏季不小于1 h,在冬季不小于 2 ho
35. B
【解析】A选项错误。与乙焕接触的瓶阀材料,选用含铜量小于65%的铜合金(质量 比)。
.C选项错误。工业用非重复充装焊接气瓶瓶阀设计成不可重复充装的结构,瓶阀与瓶 体的连接采用焊接方式。
D选项错误。在规定的操作条件下,任何与气体接触的金属或者非金属瓶阀材料与气 瓶内所充装的气体具有相容性(相容性是指共混物各组分彼此相互容纳,形成宏观均匀材 料的能力)。
36. C
【解析】A选项错误。用于溶解乙炊的易熔塞合金装置:公称动作温度为100 ;车
用压缩天然气气瓶的易熔塞合金装置的动作温度为IIOtICO
B选项错误。安全阀:一般气瓶都没有安装这种泄压装置。
D选项错误。爆破片-易熔塞复合装置一般用于对密封性能要求特别严格的气瓶。
37. D
【解析】A选项错误。盛装剧毒气体的气瓶,禁止装设安全泄压装置。
B选项错误。爆破片装置的公称爆破压力为气瓶的水压试验压力。
C选项错误。焊接气瓶的安全泄压装置,可以装设在瓶阀上,也允许单独装设在气瓶 的封头部位。
38. B
【解析】B选项错误。不得使用金属链绳捆绑后吊运气瓶(无论捆绑方式如何)。
39. A
【解析】B选项错误。压力容器上爆破片的设计爆破压力一般不大于该容器的设计 压力。
C选项错误。安全泄放装置与压力容器之间不宜装设截止阀门。
D选项错误。对易爆介质或者毒性程度为极度、高度或者中度危害介质的压力容器, 应当在安全阀或者爆破片的排出口装设导管,将排放介质引至安全地点,并且进行妥善处 理;毒性介质不得直接排入大气。
40. C
【解析】A、B选项错误。安全阀与爆破片装置并联组合:爆破片的标定爆破压力不 得超过容器的设计压力。安全阀的开启压力应略低于爆破片的标定爆破压力。
D选项错误。当安全阀进口和容器之间串联安装爆破片装置时,爆破片破裂后的泄放 面积应不小于安全阀进口面积,同时应保证爆破片破裂的碎片不影响安全阀的正常动作。
41. A
【解析】A选项属于起重机械月检项目。
| 每月检查 | 检査项目包括:安全装置、制动器、离合器等有无异常,可靠性和精度;重要零部件的状态;电气、 液压系统及其部件的泄漏情况及工作性能;动力系统和控制器等。停用一个月以上的起重机构,使用前 也应做上述检査 | 
| 每日检査 | 每天作业前进行,应检査各类安全装置、制动器、操纵控制装置、紧急报警装置,轨道的安全状况, 钢丝绳的安全状况。检查发现有异常情况时,必须及时处理。严禁带病运行 | 
42. B
【解析】A选项错误。有主、副两套起升机构的,不允许同时利用主、副钩工作(设 计允许的专用起重机除外)。
C选项错误。吊载接近或达到额定值,或起吊危险器(液态金属、有害物、易燃易爆 物)时,吊运前认真检査制动器,并用小高度、短行程试吊,确认没有问题后再吊运。不 得超载起吊。
D选项错误。司机在正常操作过程中,不得利用极限位置限制器停车;不得利用打反 车进行制动。
43. D
【解析】A选项错误。对吊物的质量和重心估计要准确,如果是目测估算,应增大 20%来选择吊具。
B选项错误。形状或尺寸不同的物品不经特殊捆绑不得混吊,防止坠落伤人。
C选项错误。摘钩时应等所有吊索完全松弛再进行,确认所有绳索从钩上卸下再起 钩,不允许抖绳摘索,更不许利用起重机抽索。
44. C
【解析】A选项错误。高压胶管必须符合相关标准,并通过耐压试验、长度变化试验、 爆破试验、脉冲试验、泄漏试验等试验检测。
B选项错误。对于叉车等起升高度超过1. 8 m的工业车辆,必须设置护顶架。
D选项错误。货叉也称为取物装置,其必须符合相关标准,并通过重复加载的载荷试 验检测。
45. B
【解析】A选项错误。以内燃机为动力的叉车,进入仓库作业时,应有良好的通风设 施。严禁在易燃、易爆的仓库内作业。
C选项错误。物件提升离地后,应将起落架后仰,方可行驶。
D选项错误。不得单叉作业和使用货叉顶货或拉货(有特殊情况也不可以)。
46. A
【解析】A选项错误。客运索道每天开始运行之前,应彻底检查全线设备是否处于完 好状态,在运送乘客之前应进行一次试车,确认安全无误并经值班站长或授权负责人签字 后方可运送乘客(注意频率)。
47. D
【解析】A选项错误。层燃炉采用火床燃烧,主要用于工业锅炉,火床燃烧是固体燃 料以一定厚度分布在炉排上进行燃烧的方式。
B选项错误。室燃炉釆用火室燃烧,电站锅炉和部分容量较大的工业锅炉采用室燃方 式,燃料为油、气和煤粉。火室燃烧(悬浮燃烧)是燃料以粉状、雾状或气态随同空气喷 人炉膛中进行燃烧的方式。
C选项错误。旋风炉采用旋风燃烧,炉型有卧式和立式两种,燃用粗煤粉或煤屑。旋 风燃烧是燃料和空气在高温的旋风筒内高速旋转,部分燃料颗粒被甩向筒壁液态渣膜上进 行燃烧的方式。
48. A
【解析】A选项正确。脱绳事故是指重物从捆绑的吊装绳索中脱落溃散发生的伤亡毁 坏事故,造成脱绳事故的主要原因有:重物的捆绑方法与要领不当,造成重物滑脱;吊装 重心选择不当,造成偏载起吊或吊装中心不稳,使重物脱落;吊载遭到碰撞、冲击而摇摆 不定,造成重物失落等。
49. D
【解析】D选项正确。压力容器开始加载时,速度不宜过快,尤其要防止压力突然升 高,过高的加载速度会降低材料的断裂韧性,可能使存在微小缺陷的容器在压力的快速冲 击下发生脆性断裂。
50. C
【解析】C选项错误。根据《气瓶安全技术规程》(TSG 23),运输瓶装气体时,气瓶 应当整齐放置;横放时,瓶端应当朝向一致;立放时,要妥善固定,防止气瓶彳顷倒。
51. B
【解析】B选项正确。起重机械的每月检查项目包括:安全装置、制动器、离合器等 有无异常,可靠性和精度;重要零部件(如吊具、钢丝绳滑轮组、制动器、吊索及辅具 等)的状态,有无损伤,是否应报废等;电气、液压系统及其部件的泄漏情况及工作性 能;动力系统和控制器等。停用一个月以上的起重机构,使用前也应做上述检查。
【解析】B选项正确。司索工准备吊具时,对吊物的质量和重心估计要准确,如果是 目测估算,应增大20%来选择吊具。
【解析】从防止产生过大热应力出发,上水温度最高不超过90龙,水温与筒壁温差不 超过50龙。A选项错误。
【解析】事故单位的领导或主管部门接到事故报告后,应立即赶赴事故现场,组织人 员抢救伤员、物资,保护好事故现场,根据人员的伤势程度,按规定程序逐级上报。事故 单位的安全管理部门,可在不破坏事故现场的情况下,对现场初步进行勘察,尤其是在主 要干路上易被破坏的痕迹,物品的勘察应抓紧进行。
【解析】弹簧式安全阀结构紧凑,灵敏度高,安装位置无严格限制,应用广泛,对振 动的敏感性小,可用于移动式的压力容器。
【解析】根据《起重机械安全规程第1部分:总则》(GB 6067.1),电动葫芦应配 备的安全防护装置是起重量限制器、起升高度限位器。
【解析】场(厂)内机动车辆检查方面,使用单位应进行场(厂)内机动车辆的自我 检查、每日检査、每月检査和年度检査O
(1) 年度检査。每年对所有在用的场(厂)内机动车辆至少进行1次全面检査。停 用1年以上、发生重大车辆事故等的场(厂)内机动车辆,使用前都应做全面检查。
(2) 每月检查。检查项目包括:安全装置、制动器、离合器等有无异常,可靠性和精 度;重要零部件(如吊具、货叉、制动器、铲、斗及辅具等)的状态,有无损伤,是否应 报废等;电气、液压系统及其部件的泄漏情况及工作性能;动力系统和控制器等。停用一 个月以上的场(厂)内机动车辆,使用前也应做上述检查。
(3) 每日检查。在每天作业前进行,应检查各类安全装置、制动器、操纵控制装置、 紧急报警装置的安全状况,检查发现有异常情况时,必须及时处理。严禁带病作业。
注意本题涉及的叉车为电动叉车。不是所有电动叉车都有离合器。
58. C
【解析】安全泄压装置的设置原则:
(1)车用气瓶或者其他可燃气体气瓶、呼吸器用气瓶、消防灭火器用气瓶、溶解乙焕 气瓶、盛装低温液化气体的焊接绝热气瓶、盛装液化气体的气瓶集束装置、长管拖车及管 束式集装箱用大容积气瓶,应当装设安全泄压装置。
(2) 盛装剧毒气体的气瓶,禁止装设安全泄压装置。
(3) 液化石油气钢瓶,不宜装设安全泄压装置。
59. D
【解析】金属压力容器一般于投用后3年内进行首次定期检验。以后的检验周期由检 验机构根据压力容器的安全状况等级,按照以下要求确定:
(1) 安全状况等级为1、2级的,一般每6年检验一次。
(2) 安全状况等级为3级的,一般每3年至6年检验一次。
(3) 安全状况等级为4级的,监控使用,其检验周期由检验机构确定,累计监控使用 时间不得超过3年,在监控使用期间,使用单位应当釆取有效的监控措施。
(4) 安全状况等级为5级的,应当对缺陷进行处理,否则不得继续使用。
【解析】压力表装置齐全(压力表、存水弯管、三通旋塞)。应每半年对其校验一次, 并铅封完好。
【解析】盛装易燃气体的气瓶瓶阀的手轮,选用阻材料制造。瓶帽应当有良好的抗撞 击性,不得用灰口铸铁制造。目前气瓶安全泄压装置有4种,即易熔塞合金装置、爆破片 装置、安全阀和爆破片-易熔塞复合装置。
【解析】摘钩时应等所有吊索完全松弛再进行,确认所有绳索从钩上卸下再起钩,不 允许抖绳摘索,更不许利用起重机抽索。
【解析】如果是复杂物质,在受热时首先分解为气态或液态产物,其气态和液态产物 的蒸气进行氧化分解着火燃烧。
【解析】可燃液体在火源和热源的作用下,蒸发出的蒸气发生氧化分解而进行的燃烧, 称为蒸发燃烧。
【解析】A类火灾:指固体物质火灾,这种物质通常具有有机物性质,一般在燃烧时 能产生灼热灰烬,如木材、棉、毛、麻、纸张火灾等。
B类火灾:指液体火灾或可熔化的固体物质火灾,如汽油、煤油、柴油、原油、甲 醇、乙醇、沥青、石蜡火灾等。
C类火灾:指气体火灾,如煤气、天然气、甲烷、乙烷、丙烷、氢气火灾等。
D类火灾:指金属火灾,如钾、钠、镁、钛、誥、锂、铝镁合金火灾等。
E类火灾:指带电火灾,是物体带电燃烧的火灾,如发电机、电缆、家用电器等。
F类火灾:指烹饪器具内烹饪物火灾,如动植物油脂等。
【解析】参考上题答案解析。
【解析】一般情况下,密度越大,闪点越高而自燃点越低。比如,下列油品的密度: 汽油V煤油V轻柴油V重柴油V蜡油V渣油,而其闪点依次升高,自燃点则依次降低。
【解析】一般情况下闪点越低,火灾危险性越大。一般情况下燃点越低,火灾危险性 越大。液体和固体可燃物受热分解并析出来的可燃气体挥发物越多,其自燃点越低。固体 可燃物粉碎得越细,其自燃点越低。一般情况下,密度越大,闪点越高而自燃点越低。引 燃能是指释放能够触发初始燃烧化学反应的能量,也叫最小点火能,影响其反应发生的因 素包括温度、释放的能量、热量和加热时间。
【解析I爆炸最主要的特征是爆炸点及其周围压力急剧升高。
【解析】液相爆炸:包括聚合爆炸、蒸发爆炸以及由不同液体混合所引起的爆炸。例 如硝酸和油脂,液氧和煤粉等混合时引起的爆炸;熔融的矿渣与水接触或钢水包与水接触 时,由于过热发生快速蒸发引起的蒸汽爆炸等。
【解析】包括可燃性气体和助燃性气体混合物的爆炸;气体的分解爆炸;液体被喷成 雾状物在剧烈燃烧时引起的爆炸,称喷雾爆炸;飞扬悬浮于空气中的可燃粉尘引起的爆炸 等。A选项属于液相爆炸。
【解析】爆炸形成的高温、高压、高能量密度的气体产物,以极高的速度向周围膨胀, 强烈压缩周围的静止空气,使其压力、密度和温度突跃升高,像活塞运动一样推向前进, 产生波状气压向四周扩散冲击。爆炸发生时,特别是较猛烈的爆炸往往会引起短暂的地震 波。粉尘作业场所轻微的爆炸冲击波会使积存在地面上的粉尘扬起,造成更大范围的二次 爆炸等。
11. C
【解析】分解爆炸的敏感性与压力有关。分解爆炸所需的能量,随压力升高而降低。
12. A
【解析】燃烧反应过程一般可以分为三个阶段:
(1) 扩散阶段。可燃气分子和氧气分子分别从释放源通过扩散达到相互接触。所需时 间称为扩散时间。
(2) 感应阶段。可燃气分子和氧化分子接受点火源能量,离解成自由基或活性分子。 所需时间称为感应时间。
(3) 化学反应阶段自由基与反应物分子相互作用,生成新的分子和新的自由基,完成 燃烧反应。所需时间称为化学反应时间。
三段时间相比,扩散阶段时间远远大于其余两阶段时间,因此是否需要经历扩散过 程,就成了决定可燃气体燃烧或爆炸的主要条件。
13. B
【解析】爆炸极限不同的多种可燃气体组成的爆炸性混合气体的爆炸极限介于它们中 爆炸极限的最大值和最小值之间。天然气中甲烷爆炸下限最大,爆炸下限最小的是丁烷, 因此其爆炸极限介于甲烷和丁烷之间。可燃气体的爆炸下限越低爆炸的可能性就越高,因 此天然气的爆炸可能性高于甲烷。
14. A
【解析】粉尘爆炸速度或爆炸压力上升速度比爆炸气体小,但燃烧时间长,产生的能 量大,破坏程度大。
15. C
【解析】由于气体灭火剂具有释放后对保护设备无污染、无损害等优点,其防护对象 逐步向各种不同领域扩充。由于二氧化碳的来源较广,利用隔绝空气后的窒息作用可成功 抑制火灾,因此早期的气体灭火剂主要采用二氧化碳。由于二氧化碳不含水、不导电、无 腐蚀性,对绝大多数物质无破坏作用。
16. C
[解析】二氧化碳灭火器是利用其内部充装的液态二氧化碳的蒸气压将二氧化碳喷出 灭火的一种灭火器具,其利用降低氧气含量,造成燃烧区窒息而灭火。一般当氧气的含量 低于12%或二氧化碳浓度达30%-35%时,燃烧中止。Ikg的二氧化碳液体,在常温常压 下能生成500 L左右的气体,这些足以使1 H?空间范围内的火焰熄灭。
17. C
【解析】应按所监测的可燃气体的密度选择安装位置。监测密度大于空气的可燃气体 (如石油液化气、汽油、丙烷、丁烷等)时,探测器应安装在泄漏可燃气体处的下部,距 地面不应超过0.5 mo监测密度小于空气的可燃气体(如煤气、天然气、一氧化碳、氨 气、甲烷、乙烷、乙烯、丙烯、苯等)时,探测器应安装在可能泄漏处的上部或屋内顶棚 上。总之,探测器应安装在经常容易泄漏可燃气体处的附近,或安装在泄漏出来的气体容 易流过、滞留的场所。
18. A
【解析】A选项属于防止爆炸的发生,B、C、D选项均是减少爆炸发生后的破坏。
19. B
【解析】防爆的基本原则是根据对爆炸过程特点的分析釆取相应的措施,防止第一过 程的出现,控制第二过程的发展,削弱第三过程的危害。主要应采取以下措施:
(1) 防止爆炸性混合物的形成。
(2) 严格控制火源。
(3) 及时泄出燃爆开始时的压力。
(4) 切断爆炸传播途径。
(5) 减弱爆炸压力和冲击波对人员、设备和建筑的损坏。
(6)检测报警。
20. A
【解析】生产系统内一旦发生爆炸或压力骤增时,可通过防爆泄压设施将超高压力释 放出去,以减少巨大压力对设备、系统的破坏或者减少事故损失。防爆泄压装置主要有安 全阀、爆破片、防爆门等。
21. D
【解析】防爆泄压技术:
(1) 安全阀,杠杆式、弹簧式和脉冲式;隔断阀必须保持常开状态并加铅封;放空口 宜引出房顶2m以上。
(2) 爆破片,防爆效率取决于它的厚度、泄压面积和膜片材料。
(3) 防爆门(窗),泄压面积与厂房体积的比值(m2∕∏13)宜采用0. 05~0. 220
22. A
【解析]摩擦和撞击往往是可燃气体、蒸气和粉尘、爆炸物品等着火爆炸的根源之一。 例如机器轴承的摩擦发热、铁器和机件的撞击、钢铁工具的相互撞击、砂轮的摩擦等都能 引起火灾;甚至铁桶容器裂开时,亦能产生火花,引起逸出的可燃气体或蒸气着火。在有 爆炸危险的生产中,机件的运转部分应该用两种材料制作,其中之一是不发生火花的有色 金属材料(如铜、铝)。
23. A
【解析】爆炸物品、易燃液体、易燃固体、遇水或空气自燃物品、能引起燃烧的物品 等必须单独存放。其他危险物品可与惰性气体共同存放。
24. D
【解析】烟花爆竹的组成:
(1) 氧化剂。
(2) 可燃剂。
(3) 黏结剂。
(4) 功能添加剂。包括染焰剂、调速剂、安定剂、钝感剂以及增强烟火效应的添加 物质。
【解析】主要取决于火药的燃烧速率和燃烧表面积。
【解析】装、筑药工具应采用木、铜、铝制品或不产生火花的材质制品,严禁使用铁 质工具。工作台上等冲击部位必须垫上接地导电橡胶板。
【解析】“黑火药原料的粉碎,应将硫黄和木炭两种原料混合粉碎。”属于烟火药制造 过程中的防火防爆措施。
【解析】确定计算药量时应注意以下几点:
(1)防护屏障内的危险品药量,应计入该屏障内的危险性建筑物的计算药量。
(2) 抗爆间室的危险品药量可不计入危险性建筑物的计算药量。
(3) 厂房内采取了分隔防护措施,相互间不会引起同时爆炸或燃烧的药量可分别计 算,取其最大值。
【解析】专用民爆器材:如油气井用起爆器、射孔弹、复合射孔器、修井爆破器材、 点火药盒,地震勘探用震源药柱、震源弹,特种爆破用矿岩破碎器材、中继起爆具、平炉 出钢口穿孔弹、果林增效爆破具等。
【解析】粉状乳化炸药生产的火灾爆炸危险因素主要来自物质危险性,如生产过程中 的高温、撞击摩擦、电气和静电火花、雷电引起的危险性。
【解析】成品粉状乳化炸药具有较高的爆轰和殉爆特性,制造过程中还有形成爆炸性 粉尘的可能。硝酸铉储存过程中会发生自然分解,放出热量。当环境具备一定的条件时热 量聚集,当温度达到爆发点时引起硝酸铉燃烧或爆炸。油相材料都是易燃危险品,储存时 遇到高温、氧化剂等,易发生燃烧而引起燃烧事故。包装后的乳化炸药仍具有较高的温 度,炸药中的氧化剂和可燃剂会缓慢反应,当热量得不到及时散发时易发生燃烧而引起 爆炸。
32. C
【解析】A选项错误。粉尘爆炸的条件:粉尘本身具有可燃性、粉尘悬浮在空气(或 助燃气体)中并达到一定浓度、有足以引起粉尘爆炸的起始能量(点火源)。
B选项错误。粉尘爆炸速度或爆炸压力上升速度比爆炸气体小,但燃烧时间长,产生 的能量大,破坏程度大。
D选项错误。一般来说,粉尘粒度越细,分散度越高,可燃气体和氧的含量越大,火 源强度、初始温度越高,湿度越低,惰性粉尘及灰分越少,爆炸极限范围越大,粉尘爆炸 危险性也就越大。
33. D
【解析】D选项错误。固体可燃物粉碎得越细,其自燃点越低。
34. B
【解析】一般来说,爆炸现象的特征:
(1) 爆炸过程高速进行。
(2) 爆炸点附近压力急剧升高,多数爆炸伴有温度升高。
(3) 发出或大或小的响声。
(4) 周围介质发生震动或邻近的物质遭到破坏。
爆炸最主要的特征:爆炸点及其周围压力急剧升高。
35. D
【解析】A选项错误。熔融的矿渣与水接触或钢水包与水接触时,水大量气化发生的 爆炸既属于物理爆炸,也属于液相爆炸。
B选项错误。空气中飞散的铝粉、镁粉等引起的爆炸既属于化学爆炸,也属于气相 爆炸。
C选项错误。导线因电流过载,由于过热,金属迅速气化而引起的爆炸既属于物理爆 炸,也属于固相爆炸。
【解析】D选项错误。在混合气体中加入惰性气体(如氮、二氧化碳、水蒸气、 氮等),随着惰性气体含量的增加,爆炸极限范围缩小。当惰性气体的浓度增加到某一数 值时,爆炸上下限趋于一致,使混合气体不发生爆炸。
【解析】用爆炸上限、下限之差与爆炸下限浓度之比值表示其危险度H。H=(L上-L-F)/Lr = (75% - 4% )/4% = 17. 75o
【解析】A选项错误。明火加热设备的布置,应远离可能泄漏易燃气体或蒸气的工艺 设备和储罐区,并应布置在其上风向或侧风向。
B选项错误。存在火灾和爆炸危险的场所,不得使用蜡烛、火柴或普通灯具照明;汽 车、拖拉机一般不允许进入,如需进入,其排气管上应安装火花熄灭器。
C选项错误。使用过后的灭火器不得放回原处。
[解析】氮气等惰性气体在使用前应经过气体分析,其中含氧量不得超过2% O
【解析】B选项错误。用通风的方法使可燃气体、蒸气或粉尘的浓度不致达到危险的 程度,一般应控制在爆炸下限1/5以下。
【解析】A选项错误。爆燃型阻火器:用于阻止火焰以亚音速通过的阻火器。轰爆型 阻火器:用于阻止火焰以音速或超音速通过的阻火器。
C选项错误。阻火器不得靠近炉子和加热设备,除非阻火单元温度升高不会影响其阻 火性能。
D选项错误。单向阻火器安装时,应当将阻火侧朝向潜在点火源。
42. C
【解析】A选项错误。工业阻火器依靠本身的物理特性来阻火,对于纯气体才是有 效的。
B选项错误。主动式隔爆装置和被动式隔爆装置只是在爆炸发生时才起作用。
D选项错误。化学抑制防爆装置可用于装有气相氧化剂中可能发生爆燃的气体、油雾 或粉尘的任何密闭设备。适用于泄爆易产生二次爆炸,或无法开设泄爆口的设备以及所处 位置不利于泄爆的设备。
43. B
【解析】B选项错误。如安全阀用于排泄可燃气体,直接排入大气,则必须引至远离 明火或易燃物,且通风良好的地方,排放管必须逐段用导线接地以消除静电作用。
44. C
【解析】A选项错误。弹簧式安全阀对振动的敏感性小,可用于移动式的压力容器; 长期高温会影响弹簧力,不适用于高温系统。
B选项错误。杠杆式安全阀结构简单但笨重,限于中、低压系统;适于温度较高的系 统;不适于持续运行的系统。
D选项错误。全封闭式安全阀排出的气体全部通过排放管排放,介质不外泄,主要用 于存有有毒或易燃气体的系统。
【解析】燃烧特性标志火药能量释放的能力,主要取决于火药的燃烧速率和燃烧表 面积。
【解析】《烟花爆竹 安全与质量》(GBlO631)规定的主要安全性能检测项目包括: 摩擦感度、撞击感度、静电感度、爆发点、相容性、吸湿性、水分、PH值。
【解析】手工直接接触烟火药的工序应使用铜、铝、木、竹等材质工具,不应使用铁 器、瓷器和不导静电的塑料、化纤材料等工具盛装、掏挖、装筑(压)烟火药。
【解析】危险品生产区和危险品总仓库区的围墙高度不低于2 m。
【解析】A选项错误。防护屏障内的危险品药量,应计入该屏障内的危险性建筑物的 计算药量。
B选项错误。抗爆间室的危险品药量可不计入危险性建筑物的计算药量。
D选项错误。厂房计算药量和停滞药量规定,实际上都是烟花爆竹生产建筑物中暂时 搁置时允许存放的最大药量。
50. C
【解析】民用爆破器材包括工业炸药、起爆器材和专用民爆器材。其中,专用民爆物 品包括:如油气井用起爆器、射孔弹、复合射孔器、修井爆破器材、点火药盒,地震勘探 用震源药柱、震源弹,特种爆破用矿岩破碎器材、中继起爆具、平炉出钢口穿孔弹、果林 增效爆破具等。
51. B
【解析】B选项错误。区域报警系统比较简单,使用很广泛,如行政事业单位,工矿 企业的要害部门和娱乐场所均可使用。
52. A
【解析】不能用水扑灭的火灾主要包括:
(1) 密度小于水和不溶于水的易燃液体的火灾,如汽油、煤油、柴油等。
(2) 遇水产生燃烧物的火灾,如金属钾、钠、碳化钙等,应用砂土灭火。
(3) 硫酸、盐酸和硝酸引发的火灾。
(4) 电气火灾未切断电源前不能用水扑救。
(5) 高温状态下化工设备的火灾不能用水扑救,以防高温设备遇冷水后骤冷,引起形 变或爆裂。
【解析】A选项错误。干粉灭火器以液态二氧化碳或氮气为动力。
B选项错误。干粉灭火器主要用于扑灭可燃液体、可燃气体以及带电设备火灾。同 理,D选项错误。
【解析】紫外火焰探测器适用场所:有机化合物燃烧的场合。
【解析】由于二氧化碳是一种无色的气体,灭火不留痕迹,并有一定的电绝缘性能等 特点,因此,更适宜于扑救600 V以下带电电器、贵重设备、图书档案、精密仪器仪表的 初起火灾,以及一般可燃液体的火灾。
【解析】A选项错误。双罐式防毒口罩适用于毒性气体的体积浓度低,一般不高于1% 的场所。
C选项错误。送风长管式呼吸器适用于毒性气体浓度高,缺氧的固定作业的场所。
D选项错误。自吸长管式呼吸器适用于毒性气体浓度高,缺氧的固定作业的场所,且 导管限长小于10 m,管内径大于18 ɪnmO
57. D
【解析】氧气呼吸器适用于毒性气体浓度高,毒性不明或缺氧的可移动性作业的场所。
58. D
【解析】A选项错误。金属碳化物火灾不能用水扑救,碳化钙遇水分解并释放出大量 的热,易使燃烧扩大或发生爆炸,可用水泥、干燥的黄沙或干粉灭火器扑灭,不能用水成 膜等含水灭火器或含水物质来扑灭。
B选项错误。储存有大量硫酸、浓硝酸、盐酸等物品的场所发生火灾时,不能用水扑 救,防止出现放热引起更猛烈的燃烧。
C选项错误。轻于水且不溶于水的可燃液体火灾,如油脂、酒精,若用水扑,可燃液 体会浮在水面上,随水流散,促使火势蔓延。扑灭此类火灾,应采用空气隔离法,用物体 迅速将燃烧物体盖住,达到隔离空气的效果来灭火。
【解析】C选项错误。泄爆口应尽可能大小均匀和对称分布,尽量消除反冲力。
【解析】C选项错误。弹簧式安全阀对振动的敏感性小,可用于移动式的压力容器。
【解析】B选项错误。比较危险或计算药量较大的危险品仓库,不宜布置在库区出入 口的附近。
【解析】清理粉尘不能改变其可燃性、爆炸极限,更无法降低环境氧浓度。只能降低 粉尘浓度。
63. C
【解析】预防和控制天然气爆炸事故措施可分为防止爆炸发生的安全技术措施、减少 爆炸损失的安全技术措施。采用泄压式轻质屋顶属于减少爆炸损失的措施。压缩机出口设 置单向阀、厂房设置可燃气体探测装置属于防止爆炸发生的措施。厂房主结构涂覆防火涂 料无法防止爆炸的发生也无法减少爆炸损失。C选项错误。
【解析】燃点(着火点)对可燃固体和闪电较高的液体具有重要意义,在控制燃烧 时,需将可燃物的温度降至其燃点(着火点)以下。
【解析】对于有飞溅火花的加热装置,应布置在其工艺设备的侧风向。加热易燃物料 时,不得采用电炉、火炉、煤炉等直接加热。明火加热设备的布置,应远离可能泄漏易燃 气体或蒸气的工艺设备和储罐区,并应布置在其上风向或侧风向。
【解析】根据惰性气体保护的概念:由于爆炸的形成需要有可燃物质、氧气以及一定 的点火能量,用惰性气体取代空气,避免空气中的氧气进入系统,就消除了引发爆炸的一 大因素,从而使爆炸过程不能形成。A选项不符合。
【解析】根据《烟花爆竹工程设计安全规范》(GB 50161),烟花爆竹工厂建筑物的计 算药量是该建筑物内(含生产设备、运输设备和器具里)所存放的黑火药、烟火药、在制 品、半成品、成品等能形成同时爆炸或燃烧的危险品最大药量。
防护屏障内的危险品药量,应计入该屏障内的危险性建筑物的计算药量。
抗爆间室的危险品药量可不计入危险性建筑物的计算药量。
68. D
【解析】检测密度大于空气的可燃气体(如石油液化气、汽油、丙烷、丁烷等)时, 探测器应安装在泄漏可燃气体处的下部,距地面不应超过0.5 m0
69. C
【解析】运输易燃易爆危险货物车辆的排气管,应安装隔热和熄灭火星装置,并配装 导静电橡胶拖地带装置。
案例1
1. D
【解析】固体火灾属于A类火灾;液体火灾属于B类火灾;气体火灾属于C类火灾; 金属火灾属于D类火灾;电气火灾属于E类火灾;厨房烹饪火灾属于F类火灾。
2. B
【解析】甲级:闪点小于28 CC的液体、爆炸下限小于10%的气体。
乙级:闪点不小于28 OC ,但小于60 Y的液体、爆炸下限不小于10%的气体。
丙级:闪点不小于60 Y的液体、可燃固体。
丁级:难燃物质。
戊级:不燃物质。
3. A
【解析】氨有毒,泄漏后形成氨气导致人员吸入中毒。
4. ACD
【解析】B、E选项属于安全技术问题。
5. ABD
【解析】配电室存在轻微电磁辐射,对人体是无害的,无须采取辐射防护措施。配电 室着火属于电气火灾,不应用水灭火,设置消防栓错误。
案例2
【解析】冲压车间的噪声易使人罹患噪声性耳聋。
【解析】技术改造工程的检査验收,竣工验收阶段所做的职业卫生评价为职业病危害 控制效果评价。
【解析】工作场所的新风应来自室外,新风口应设置在空气清洁区,新风量应满足下 列要求:
非空调工作场所人均占用容积大于20 m3时,应保证人均新风量不小于20 m3∕h0
采用空气调节的车间,应保证人均新风量不小于30 m3∕ho
洁净室的人均新风量应不小于40 m3∕h0
封闭式车间人均新风量宜设计为30~50 m3∕ho微小气候的设计宜符合下表的要求。
| 参数 | 冬季 | ≡5~ | 
| 温度/cC | 20-24 | 25~28 | 
| 风速/ ( m ∙ s^1 ) | W0. 2 | WO. 3 | 
| 相对湿度/% | 30-60 | 40-60 | 
注:过渡季节微小气候计算参数取冬季、夏季差值。
4. ACE
【解析】涂装车间存在的风险为中毒、火灾、爆炸,应设置“当心中毒” “禁止吸烟” “禁止烟火”等标志。
5. ABC
【解析】D、E选项属于预防事故发生和事故应急管理的措施。
案例3
1. D
【解析】非煤矿矿山企业因变更主要负责人申请变更安全生产许可证的,应当提交: 变更申请书;安全生产许可证正本和副本;变更后的工商营业执照、采矿许可证复印件及 变更说明材料;变更后的主要负责人的安全资格证书复印件。
2. B
【解析】安全生产费用的使用:
(1) 完善、改造和维护安全防护设备、设施的支出。其中矿山企业安全设备设施是指 矿山综合防尘、地址监控、防灭火、防治水、危险气体监测、通风系统,支护及防治片帮 滑坡设备、机电设备、供配电系统、运输(提升)系统以及尾矿库(坝)等。
(2) 配备必要的应急救援器材、设备和现场作业人员安全防护物品支出。
(3) 安全生产检査与评价支出。
(4) 重大危险源、重大事故隐患的评估、整改、监控支出。
(5) 安全技能培训及进行应急救援演练支出。
(6) 其他与安全生产直接相关的支出。
3. E
【解析】固体火灾属于A类火灾;液体火灾属于B类火灾;气体火灾属于C类火灾; 金属火灾属于D类火灾;电气火灾属于E类火灾;厨房烹饪火灾属于F类火灾。
4. ACD
【解析】事故发生单位负责人接到事故报告后,应当立即启动事故应急预案,或者釆 取有效措施,组织抢救,防止事故扩大,减少人员伤亡和财产损失。选项B,不属于事故 发生后“立即”采取的“措施”。选项E,通风巷道对火灾事故的影响要因火灾事故情况 而定,大多数的井下火灾灭火措施都可以釆用阻隔空气流动,所以E错误。
5. ABD
【解析】事故调查报告应包括事故发生单位概况、事故发生经过和事故救援情况、事 故造成的人员伤亡和直接经济损失、事故发生的原因和事故性质、事故责任的认定以及对 事故责任者的处理建议、事故防范和整改措施。
案例4
[解析】持续生产经营期间进行的职业病危害评价为现状评价。
【解析】聚酯绒毛粉尘釆用布袋除尘。
【解析】根据《工作场所职业卫生管理规定》第二十条,职业病危害严重的用人单 位,应当委托具有相应资质的职业卫生技术服务机构,每年至少进行一次职业病危害因素 检测,每三年至少进行一次职业病危害现状评价。
4. ABE
【解析】根据《工作场所职业卫生管理规定》第二十九条,用人单位与劳动者订立劳 动合同时,应当将工作过程中可能产生的职业病危害及其后果、职业病防护措施和待遇等 如实告知劳动者,并在劳动合同中写明,不得隐瞒或者欺骗。
5. BDE
【解析】A、C选项,点火源管控和安装防爆灯具属于预防生产安全事故发生的措施。
案例5
1. D
【解析】安全评价分为安全预评价、安全验收评价和安全现状评价。甲污水处理公司 应开展的安全评价的类型为安全现状评价。
2. C
【解析】直接经济损失的统计范围:①人身伤亡后所支出的费用;②善后处理费用; ③财产损失价值。
'该起事故的直接经济损失为300+10+50+52 = 412(万元)O
3. ABDE
【解析】《生产过程危险和有害因素分类与代码》(GB/T 13861)将生产过程中的危险 和有害因素分为四大类,即人的因素、物的因素、环境因素、管理因素。其中,有毒气体 属于化学性危险和有害因素,作业场地空气不良、中间检修平台缺陷属于环境因素。
4. ADE
【解析】在有限空间作业过程中,工贸企业应当采取通风措施,保持空气流通,禁止 采用纯氧通风换气;未经通风和检测合格,任何人员不得进入有限空间作业,检测的时间 不得早于作业开始前30 mino
5. ACDE
【解析】依据《工贸企业有限空间作业安全管理与监督暂行规定》第二十三条,在有 限空间作业中发生事故后,现场有关人员应当立即报警,禁止盲目施救。应急救援人员实 施救援时,应当做好自身防护,佩戴必要的呼吸器具、救援器材。
案例6
1. B
【解析】依据《职业病防治法》第十八条的规定,建设项目在竣工验收前,建设单位 应当进行职业病危害控制效果评价。
2. A
【解析】本题考查的是火灾类型。A类火灾:指固体物质火灾,这种物质通常具有有 机物性质,一般在燃烧时能产生灼热灰烬,如木材、棉、毛、麻、纸张火灾等。
B类火灾:指液体火灾或可熔化的固体物质火灾,如汽油、煤油、柴油、原油、甲 醇、乙醇、沥青、石蜡火灾等。
C类火灾:指气体火灾,如煤气、天然气、甲烷、乙烷、丙烷、氢气火灾等。
D类火灾:指金属火灾,如钾、钠、镁、钛、結、锂、铝镁合金火灾等。
E类火灾:指带电火灾,是物体带电燃烧的火灾,如发动机、电缆、家用电器等。
F类火灾:指烹饪器具内烹饪物火灾,如动植物油脂等。
3. ACE
【解析】依据《职业病危害因素分类目录》,该企业木加工车间存在的职业病危害因 素有木粉尘、噪声等;油漆喷涂车间存在的职业病危害因素主要为苯,可引起苯中毒。
4. ADE
【解析】本题考查的是职业危害控制。工程控制技术措施是指应用工程技术的措施和 手段(例如密闭、通风、冷却、隔离等),控制生产工艺过程中产生或存在的职业危害因 素的浓度或强度,使作业环境中有害因素的浓度或强度降至国家职业卫生标准容许的范围 之内。B、C选项属于组织管理等措施。
5. ADE
【解析】本题考查的是粉尘爆炸的原因。粉尘爆炸的条件包括:
(1) 粉尘本身具有可燃性。
(2) 粉尘虚浮在空气中并达到一定浓度。
(3) 有足以引起粉尘爆炸的起始能量。
分析题中信息,木粉尘具有可燃性,并达到爆炸极限,同时有充足的氧气,且除尘器 管道内含尘气体流速过大会产生静电放电火花,提供了点火能量。故应控制可燃气体在管 道中的流速。A、D、E选项正确。
案例7
1. E
【解析】有限空间专项培训内容包括:
(1) 有限空间作业的危险有害因素和安全防范措施。
(2) 有限空间作业的安全操作规程。
(3) 检测仪器、劳动防护用品的正确使用。
(4) 紧急情况下的应急处置措施。
2. C
【解析】根据《安全生产法》(2021年版)第二十四条,矿山、金属冶炼、建筑施 工、运输单位和危险物品的生产、经营、储存、装卸单位,应当设置安全生产管理机构或 者配备专职安全生产管理人员。
前款规定以外的其他生产经营单位,从业人员超过一百人的,应当设置安全生产管理 机构或者配备专职安全生产管理人员;从业人员在一百人以下的,应当配备专职或者兼职 的安全生产管理人员。
3. ABDE
【解析】编制安全操作规程的依据如下:
(1) 现行国家、行业安全技术标准和规范、安全规程等。
(2) 设备的使用说明书,工作原理,以及设计、制造资料。
(3) 曾经出现过的危险、事故案例及与本项操作有关的其他不安全因素。
(4) 作业环境条件、工作制度、安全生产责任制等。
4. ADE
【解析】B选项错误。国内外先进的安全管理经验属于生产经营单位主要负责人和安 全生产管理人员初次培训的内容。
C选项错误。对被派遣劳动者的教育培训时间按照一般从业人员初次教育时间来确 定,不得少于24学时。
5. AC
【解析】刘某等人往气浮罐内倒入硫酸,产生刺鼻性气体,可能是硫化氢。所有进入 这类有毒气体产生的封闭场所,应当配备防毒面具、防化学品手套、化学品防护服、空气 呼吸器等。
案例8
1. B
【解析】本次事故共导致6人死亡,直接经济损失1200万元,根据《生产安全事故报 告和调查处理条例》第三条,本次事故属于较大事故。
2. D
【解析】依据《特种作业人员安全技术培训考核管理规定》第二十二条,特种作业操 作证需要复审的,应当在期满前60日内,由申请人或者申请人的用人单位向原考核发证 机关或者从业所在地考核发证机关提出申请,并提交下列材料:
(一) 社区或者县级以上医疗机构出具的健康证明;
(二) 从事特种作业的情况;
(三) 安全培训考试合格记录。
特种作业操作证有效期届满需要延期换证的,应当按照前款的规定申请延期复审。
3. ABE
【解析】C选项错误。安全生产监督管理部门和负有安全生产监督管理职责的有关部 门逐级上报事故情况,每级上报的时间不得超过2 h。
D选项错误。刘某接到事故报告后,应当于Ih内向发生地县级以上人民政府安全生 产监督管理部门和负有安全生产监督管理职责的有关部门报告。
4. ABD
【解析】C、E选项属于直接原因。
直接原因包括:①李某违规酒后在办公区燃放样品,违规将军工硝临时存放在旁边生 活楼二楼的通道内,为事故发生埋下重大安全隐患;(2庠某在试放烟花时,烟花效果件在 上升过程中遇到生活楼的屋檐和墙体等障碍改变运动轨迹,折射到军工硝的包装箱体上, 效果件开爆,引爆军工硝导致事故发生。
5. ABCE
【解析】依据《生产安全事故报告和调查处理条例》第二十二条,事故调查组的组成 应当遵循精简、效能的原则。
根据事故的具体情况,事故调查组由有关人民政府、安全生产监督管理部门、负有安 全生产监督管理职责的有关部门、监察机关、公安机关以及工会派人组成,并应当邀请人 民检察院派人参加。事故调查组可以聘请有关专家参与调查。
案例9
1. D
【解析】本次事故共导致2人死亡,27人重伤,直接经济损失870万元,故属于较大 事故。本次爆炸属于化学性爆炸,液氧与可燃物粉尘接触混合属于液相爆炸。按照爆炸速 度划分本次事故属于爆炸。
2. C
【解析】《生产安全事故报告和调查处理条例》第九条规定,事故发生后,事故现场 有关人员应当立即向本单位负责人报告;单位负责人接到报告后,应当于Ih内向事故发 生地县级以上人民政府安全生产监督管理部门和负有安全生产监督管理职责的有关部门 报告。
情况紧急时,事故现场有关人员可以直接向事故发生地县级以上人民政府安全生产监 督管理部门和负有安全生产监督管理职责的有关部门报告。
第十一条规定,安全生产监督管理部门和负有安全生产监督管理职责的有关部门逐级 上报事故情况,每级上报的时间不得超过2 h。
3. ABCD
【解析】报告事故信息,应当包括下列内容:
(1) 事故发生单位的名称、地址、性质、产能等基本情况。
(2) 事故发生的时间、地点以及事故现场情况。
(3) 事故的简要经过(包括应急救援情况)。
(4) 事故已经造成或者可能造成的伤亡人数(包括下落不明、涉险的人数)和初步 估计的直接经济损失。
(5) 已经采取的措施。
(6) 其他应当报告的情况。
4. ABCD
【解析】该事故隐患需要局部停车进行处理,属于重大事故隐患,重大事故隐患治理 方案包括以下内容:治理的目标和任务,釆取的方法和措施,经费和物资的落实,负责治 理的机构和人员,治理的时限和要求,安全措施和应急预案。
5. ABCE
【解析】压力容器的安全附件包括:安全阀、爆破片、爆破帽、易熔塞、紧急切断阀。
压力容器仪表:压力表、液位计、温度计。
案例10
1. C
【解析】本次事故共导致3人死亡。根据《生产安全事故报告和调查处理条例》,芝 大事故是指造成3人以上10人以下死亡,或者10人以上50人以下重伤,或者IOOO万元 以上5000万元以下直接经济损失的事故。故本次事故属于较大事故。
2. A
【解析】依据《刑法》第一百三十九条之一【不报、谎报安全事故罪】在安全事故发 生后,负有报告职责的人员不报或者谎报事故情况,贻误事故抢救,情节严重的,处三年 以下有期徒刑或者拘役;情节特别严重的,处三年以上七年以下有期徒刑。
相关司法解释:在安全事故发生后,负有报告职责的人员不报或者谎报事故情况,贻 误事故抢救,具有下列情形之一的,应当认定为刑法第一百三十九条之一规定的“情节严 重”:
(1) 导致事故后果扩大,增加死亡一人以上,或者增加重伤三人以上,或者增加直接 经济损失一百万元以上的。
(2) 实施下列行为之一,致使不能及时有效开展事故抢救的:①决定不报、迟报、谎 报事故情况或者指使、串通有关人员不报、迟报、谎报事故情况的;②在事故抢救期间擅 离职守或者逃匿的;③伪造、破坏事故现场,或者转移、藏匿、毁灭遇难人员尸体,或者 转移、藏匿受伤人员的;④毁灭、伪造、隐匿与事故有关的图纸、记录、计算机数据等资 料以及其他证据的。
3. ACE
【解析】根据《安全生产法》(2021年版)第二十一条,生产经营单位的主要负责人 对本单位安全生产工作负有下列职责:
(-)建立健全并落实本单位全员安全生产责任制,加强安全生产标准化建设;
(二) 组织制定并实施本单位安全生产规章制度和操作规程;
(三) 组织制定并实施本单位安全生产教育和培训计划;
(四) 保证本单位安全生产投入的有效实施;
(五) 组织建立并落实安全风险分级管控和隐患排查治理双重预防工作机制,督促、 检査本单位的安全生产工作,及时消除生产安全事故隐患;
(六) 组织制定并实施本单位的生产安全事故应急救援预案;
(七) 及时、如实报告生产安全事故。
4. ABCE
【解析】烟火药最基本的组成是氧化剂和还原剂,还包括黏合剂、添加剂(如火焰着 色剂、惰性添加剂)等。
5. ABCE
【解析】D选项错误。燃烧速率与火药的组成和物理结构有关,还随初始温度和工作 压力的升高而增大。烟花爆炸的特性包括:能量特征、燃烧特性、力学特性、安全性。
(1) 能量特征。它是标志火药做功能力的参量,一般是指1 kg火药燃烧时气体产物 所做的功。
(2) 燃烧特性。它标志火药能量释放的能力,主要取决于火药的燃烧速率和燃烧表 面积。
(3) 力学特性。它是指火药要具有相应的强度。
案例11
1. E
【解析】A类火灾:指固体物质火灾,这种物质通常具有有机物性质,一般在燃烧时 能产生灼热灰烬,如木材、棉、毛、麻、纸张火灾等。
B类火灾:指液体或可熔化的固体物质火灾,如汽油、煤油、柴油、原油、甲醇、乙 醇、沥青、石蜡火灾等。
C类火灾:指气体火灾,如煤气、天然气、甲烷、乙烷、丙烷、氢气火灾等。
D类火灾:指金属火灾,如钾、钠、镁、钛、错、锂、铝镁合金火灾等。
E类火灾:指带电火灾,是物体带电燃烧的火灾,如发电机、电缆、家用电器等。
F类火灾:指烹饪器具内烹饪物火灾,如动植物油脂等。
2. C
【解析】A选项错误。泡沫灭火器适合扑救脂类、石油产品等B类火灾以及木材等A 类物质的初起火灾,但不能扑救B类水溶性火灾,也不能扑救带电设备及C类和D类 火灾。
B选项错误。清水灭火器适用于扑救可燃固体物质火灾,即A类火灾。
D选项错误。酸碱灭火器不能用于扑救B类物质燃烧的火灾,也不能用于扑救C类火 灾可燃气体或D类轻金属火灾,同时也不能用于带电场合火灾的扑救。
E选项错误。空气泡沫器用来扑救各种油类和极性溶剂的初起火灾。
3. ABCD
【解析】交底内容应包括作业内容、安全注意事项、作业人员劳动保护装备、紧急情 况的处理、应急逃生路线和救护方法等,并根据实际情况,开具相应的作业票证。
4. ABCE
【解析】每一项安全技术措施计划至少应包括以下内容:
(1) 措施应用的单位或工作场所。
(2) 措施名称。
(3) 措施目的和内容。
(4) 经费预算及来源。
(5) 实施部门和负责人。
(6) 开工日期和竣工日期。
(7) 措施预期效果及检查验收。
5. ACDE
【解析】电流灼伤是电流通过人体由电能转换成热能造成的伤害。电流越大、通电时 间越长、电流途径上的电阻越大,电流灼伤越严重。
案例12
1. C
【解析】C选项正确。根据《砂轮机安全防护技术条件》(JB 8799),砂轮卡盘外侧面 与砂轮防护罩开口边缘之间的间距一般应不大于15 mmo
2. D
【解析]D选项正确。吊运气瓶应做到:①将散装瓶装入集装箱内,固定好气瓶,用 机械起重设备吊运;②不得使用电磁起重机吊运气瓶;③不得使用金属链绳捆绑后吊运气 瓶;④不得吊气瓶瓶帽吊运气瓶;⑤不得吊料框吊耳吊运气瓶。
3. CE
【解析】A选项错误。电焊机一次侧的电源线应绝缘良好,其长度不宜大于5 mo
B选项错误。不得釆用金属构件或结构钢筋代替二次线的地线。
D选项错误。根据《个体防护装备选用规范》(GB/T 11651),进行电焊作业时手部 应穿戴焊接手套。根据2022年1月1日最新实施的《个体防护装备配备规范 第1部分: 总则》(GB 39800.1),进行电焊作业时,手部应穿戴焊工防护手套。
4. ACDE
【解析】A选项,员工甲左手垫擦布手持工件,右手操作钻床进行打孔的作业,存在 将手卷入的事故隐患。
B选项,双手操纵装置是至少需要双手同时操作,以便在启动和维持机器某种运行的 同时,针对存在的危险,强制操作者在机器运转期间,双手没有机会进入机器的危险区, 以此为操作者提供保护的一种装置。
C选项,根据砂轮机的操作要求,无论是正常磨削作业、空转试验还是修整砂轮,操 作者都应站在砂轮的斜前方位置,不得站在砂轮正面。
D选项,根据气瓶的装卸运输要求,严禁用叉车、翻斗车或铲车搬运气瓶。
E选项,根据海因里希法则,无数次意外事件必然导致重大伤亡事故的发生。对发生 的未遂事故未进行原因分析且未采取预防措施,必然存在事故隐患。
由此可知,ACDE选项的做法存在事故隐患。
5. BCDE
【解析】特种设备是指对人身和财产安全有较大危险性的锅炉、压力容器(含气瓶)、 压力管道、电梯、起重机械、客运索道、大型游乐设施、场(厂)内专用机动车辆。
A选项错误。激光切割机是工厂内的一般生产设备,不属于特种设备。
B选项正确。额定起重量5 t天车属于特种设备中的起重机械。
C选项正确。叉车属于特种设备中的场(厂)内专用机动车辆。
D选项正确。货运电梯属于特种设备中的电梯。
E选项正确。氧气瓶属于特种设备中的压力容器(含气瓶)。
案例13
1. A
【解析】根据《生产安全事故报告和调查处理条例》第九条,事故发生后,事故现场 有关人员应当立即向本单位负责人报告;单位负责人接到报告后,应当于1小时内向事故 发生地县级以上人民政府安全生产监督管理部门和负有安全生产监督管理职责的有关部门 报告。
2. D
【解析】根据《建筑法》,建设单位应当向建筑施工企业提供与施工现场相关的地下 管线资料,建筑施工企业应当采取措施加以保护。
根据《建设工程安全生产管理条例》,工程监理单位和监理工程师应当按照法律、法 规和工程建设强制性标准实施监理,并对建设工程安全生产承担监理责任。
3. AB
【解析】人的不安全行为或物的不安全状态是造成事故的直接原因。本起事故中,角 钢挤压天然气管线,导致天然气泄漏,甲开灯引爆天然气是事故发生的直接原因。
4. ABD
【解析】加强施工过程安全监管、建立施工技术交底制度能够防止因施工问题造成的 天然气管道泄漏。增加天然气管道泄漏监测系统能够在天然气管道发生泄漏后及时发现问 题,避免爆炸事故的发生。
禁止保安人员在地下室居住、增加相关视频监控不能预防此类事故的发生。
5. ABCD
【解析】直接经济损失包括:
(1) 人身伤亡后所支出的费用,包括医疗费用(含护理费用)、丧葬及抚恤费用、补 助及救济费用、歇工工资。
(2) 善后处理费用,包括处理事故的事务性费用、现场抢救费用、清理现场费用、事 故罚款和赔偿费用。
(3) 财产损失价值,包括固定资产损失价值、流动资产损失价值。
间接经济损失包括:
(1) 停产、减产损失价值。
(2) 工作损失价值。
(3) 资源损失价值。
(4) 处理环境污染的费用。
(5) 补充新职工的培训费用。
(6) 其他损失费用。
案例14
1. B
【解析】根据《建设工程安全生产管理条例》,建设工程实行施工总承包的,由总承 包单位对施工现场的安全生产负总责。
2. E
【解析】根据《建设工程安全生产管理条例》,建设工程实行施工总承包的,由总承 包单位对施工现场的安全生产负总责。
实行施工总承包的建设工程,由总承包单位负责上报事故。
3. ABCD
【解析】为除锈作业人员配置防毒面具并不能防止氮气窒息引起的事故。选项E 错误。
4. ABC
【解析】丙突然从作业跳板坠落至过滤器锥体底部,并未受到上部物体掉落打击。该 事故不存在氮气系统渗漏富集。D、E选项错误。
5. BCDE
【解析】根据《建设工程安全生产管理条例》,建设工程实行施工总承包的,由总承 包单位对施工现场的安全生产负总责。总承包单位应当自行完成建设工程主体结构的施 工。总承包单位依法将建设工程分包给其他单位的,分包合同中应当明确各自的安全生产 方面的权利、义务。总承包单位和分包单位对分包工程的安全生产承担连带责任。分包单 位应当服从总承包单位的安全生产管理,分包单位不服从管理导致生产安全事故的,由分 包单位承担主要责任。A选项错误。
案例15
1. 此次事故的类别是起重伤害。
起重伤害是指各种起重作业(包括起重机安装、检修、试验)中发生的挤压、坠落、 物体(吊具、吊重物)打击等。该起事故就是塔式起重机在安装过程中由于违章操作导致 塔身倾倒酿成的事故,所以是起重伤害。
2. E公司安全生产管理人员应履行的安全生产职责是:
(1) 组织或者参与拟订本单位安全生产规章制度、操作规程和生产安全事故应急救援 预案。
(2) 组织或者参与本单位安全生产教育和培训,如实记录安全生产教育和培训情况。
(3) 组织开展危险源辨识和评估,督促落实本单位重大危险源的安全管理措施。
(4) 组织或者参与本单位应急救援演练。
(5) 检查本单位的安全生产状况,及时排查生产安全事故隐患,提出改进安全生产管 理的建议。
(6) 制止和纠正违章指挥、强令冒险作业、违反操作规程的行为。
(7) 督促落实本单位安全生产整改措施。
3. 本次事故暴露出的现场安全管理问题:
(1) 起重机械的安装和拆卸应由具有相应资质的单位承担。
(2) 没有制定具有针对性的施工组织方案和安全技术措施。
(3) 施工中没有派(专门)专业技术人员监督。
(4) 在作业环境不良的条件下违章指挥,强令冒险作业。
(5) 临时工未经培训上岗,特种专业人员未持证上岗。
(6) 相关方管理混乱,存在着非法分包、转包的现象。
4. 为防止此类事故发生应采取的安全措施:
(1) 按照《安全生产法》及《建设工程安全生产管理条例》的要求设置安全生产管 理机构,配备专职安全生产管理人员。建立健全安全生产责任制。
(2) 建设工程分包应符合《建设工程安全生产管理条例》的规定,不能把施工工程 转包给不符合规定的单位或个人。管理机构严格审核相关单位的资质和条件。
(3) 加强对起重设备的安装、使用、维修管理,杜绝违章指挥、违章作业。
(4) 制定有针对性的安全施工方案和安全措施。
(5) 加强从业人员岗前安全教育培训,持证上岗,树立良好的安全意识。
(6) 现场派专业技术人员监督,保证操作规程的遵守和安全措施的落实。
案例16
1. 为预防燃煤输送系统事故,应采取的安全技术措施:
(1) 热电厂在使用蒸汽时,对油库、油泵房、卸油泵房、燃油系统、煤粉仓、绞龙附 近、原煤仓以及一次风粉输送管道附近,都可以装设固定蒸汽管接头,灭火时,接上胶管 即可灭火;对于易发生火灾的危险区也可釆用固定的蒸汽灭火装置;对于油罐灭火需要与 泡沫灭火和水喷淋装置配合,以利于在各种情况下的灭火。
(2) 改革工艺流程,实现生产过程的自动化、机械化;湿式作业;密闭、通风、除 尘;个体防护。
(3) 机械传动部件采用防护罩、防护网等装置防止机械伤害。
(4) 采用接地等防静电措施,接零、屏蔽等防雷击措施。
2. F厂委托给E机构的安全评价属于安全预评价。
安全预评价内容主要包括:
(1) 前期准备工作。
(2) 辨识和分析评价对象可能存在的各种危险、有害因素。
(3) 评价单元划分。
(4) 选择适用的定性、定量评价方法。
(5) 提出安全技术、管理对策措施。
(6) 评价撰写评价报告。
3. 根据《企业安全生产标准化基本规范》(GB/T 33000),安全生产标准化建设中生 产现场管理和生产过程控制的要求包括:
(1) 对生产过程及物料、设备设施、器材、通道、作业环境等存在的隐患,应进行分 析和控制。
(2) 对危险场所动火作业等危险性较高的作业活动实施作业许可管理,严格履行审批 手续,作业许可证应包含危害因素分析和安全措施等内容。
(3) 企业进行给水系统等危险作业时,应当安排专人进行现场安全管理,确保安全规 程的遵守和安全措施的落实,还要加强生产作业行为的安全管理。
(4) 对作业行为隐患、设备设施使用隐患、工艺技术隐患等进行分析,釆取控制
措施。 _ _
(5) 在有较大危险因素的作业场所和设设施上如液氨储罐设置明显的安全警示标 志,进行危险提示、警示,告知危险的种类、后果及应急措施等。
案例17
1.整改措施包括:
(1)加强培训,发电厂铲车司机等特种作业人员须取得特种作业人员操作资格证书, 才能上岗作业。
(2) 作业人员要正确佩戴和使用防护用品,杜绝未戴安全帽违章行为。
(3) 需更换或修补皮带引桥内的电缆,避免漏电、短路的发生。
(4) 清除皮带引桥地面的大量煤尘。
2. 进入磨煤机检修应配备的防护设备及用品:
(1) 防爆工具设备。作用是防止爆炸。
(2) 防静电工作服。作用是防止产生静电火花。
(3) 防静电鞋。作用是防止产生静电火花。
(4) 防尘、防毒口罩。作用是防止吸入尘、毒物质。
(5) 安全帽。作用是防物体打击。
(6) 安全带。作用是防高空坠落。
(7) 防护手套。作用是防止手受伤。
3. G发电厂现存材料中的化学品及其类别:
(1) 柴油。类别为易燃液体。
(2) 液氨。类另为有毒品。
(3) 盐酸。类别为腐蚀品。
(4) 氢氧化钠。类别为腐蚀品。
(5) 氮气。类另!|为压缩气体。
(6) 氢气。类别为易燃气体、压缩气体。
(7) 燃煤。类别为自燃性物品。
4. G发电厂脱硫脱硝系统液氨泄漏时应釆取的应急处置措施:
(1) 立即停止作业,禁止接触和跨越泄漏的液氨。
(2) 向当地政府和消防部门、应急部门及环保部门报警。
(3) 疏散场内所有人员,向上风向转移,防止吸入有毒物质。
(4) 处置人员应使用呼吸器,用喷雾水进行稀释,可用砂土等惰性吸附材料收集和吸 附泄漏物。
(5) 利用无火花工具对泄漏点进行封堵。
案例18
1. 抽水作业现场存在的危险因素:
(1) 淹溺。有坠落隔油池发生淹溺事故的风险。
(2) 触电。抽水泵工作中有发生触电的风险。
(3) 火灾。可燃气体或液体发生火灾的风险。
(4) 其他爆炸。可燃气体或液体与空气混合发生爆炸的风险。
(5) 中毒与窒息。隔油池存在有毒有害气体。
(6) 其他伤害。作业期间跌伤、歲脚等伤害。
2. 该起事故中作业现场存在的违章行为:
(1) 未对作业进行风险辨识。
(2) 未制定具体作业方案。
(3) 使用刀闸式开关和明接线。 、
(4) 违章提拉电缆,将潜水泵从隔离油池中往上提,未拉下刀闸式开关,导致电缆与 潜水泵连接线松动脱落,形成电火花,引爆隔油池中的混合气体,爆炸引起大火。
3. 导致该起事故的直接原因为:违章提拉电缆,将潜水泵从隔离油池中往上提,未 拉下刀闸式开关,导致电缆与潜水泵连接线松动脱落,形成电火花,引爆隔油池中的混合 气体,爆炸引起大火。
导致该起事故的间接原因为:未对作业进行风险辨识;未制定具体作业方案;员工安 全意识淡薄;作业现场安全管理混乱;安全检査出的发现刀闸式开关和明接线等隐患没有 及时整改;安全培训不到位等。
该起事故的预防措施包括:①对危险作业进行风险辨识,并制定具体作业方案;②落 实安全生产责任制,严格规范执行操作规程,杜绝违章指挥、违章作业;③加强职工安全 教育培训,提高员工安全意识;④加强现场监督和检查,发现隐患要及时整改;⑤建立完 善企业应急预案。
4. 抽水作业安全培训的内容:
(1) 作业岗位安全风险辨识及作业方案。
(2) 岗位安全职责,安全操作规程。
(3) 用电安全知识及安全注意事项。
(4) 安全设施,个人防护用品的使用和维护。
(5) 自救、互救方法及疏散和紧急情况的应急处理。
(6) 本作业以往发生典型事故案例。
案例19
1. 涂装车间可能存在的职业病危害因素有:粉尘(除锈、打磨引起)、震动(打磨引 起)、噪声(打磨引起)、高温(油漆烘干引起)、中毒(油漆引起)。
2. 涂装车间存在的国家禁止的作业有:火焰去除旧漆、石英砂除锈、釆用红丹作 底漆。
3. 对劳务派遣人员,应当进行三级安全教育培训,调整工作岗位或离岗后重新上岗, 应重新进行岗位安全教育培训等。其中,三级安全教育培训内容包括:本企业安全生产现 状和安全生产规章制度,岗位危险有害因素和安全操作规程,作业设备安全使用与管理, 作业条件与环境,个人劳动防护用品的使用和维护,作业现场安全生产标准化,现场安全 生产检查与隐患分析排查治理,现场应急处置和救护,本企业、本行业典型生产安全事故 案例,班组安全生产组织管理和先进班组的安全生产管理经验等。
4. 涂装车间厂房入口处应设置的安全标志及提示的内容:
(1) 禁止标志:①禁止吸烟;②禁止明火;③禁止带火种;④禁止防止易燃物;⑤禁 止非从业人员进入;⑥禁止穿化纤服;⑦禁止穿带铁钉鞋。
(2) 警告标志:①注意安全;②当心火灾;③当心中毒;④当心爆炸。
(3) 指令标志:①必须戴防护眼镜;②必须戴防尘口罩;③必须戴防毒面具;④必须 戴安全帽。
(4)提示标志:①紧急出口;②应急电话;③避险区;④急救点;⑤可动火区。
案例20
1. 千人重伤率=重伤人数/从业人员数XlOOO= (2/2000)XlOOO= Io
百万工时死亡率=死亡人数/实际总工时XIO6 = [ l∕(2000×8×250) ] ×IO6 = 0. 25o
2. 该起事故的间接原因为:
(1) 教育培训不够。相关人员未经培训,缺乏或不懂相关安全技术知识。
(2) 劳动组织不合理(在加油时,没有领导干部在现场指挥)。
(3) 对现场缺乏检查和指导。
(4) 没有安全操作规程或不健全。
(5) 技术和设计有错误。
(6) 没有或不认真实施事故防灾指导。
3. 加油作业现场存在主要危险有害因素:
(1) 火灾(油罐车,油罐库区)。
(2) 容器爆炸(储油罐)。免费资料老姚注安其他Q群:628721411
(3) 车辆伤害(油罐车)。
(4) 触电。
(5) 物体打击(加油管)。
(6) 高处坠落(油罐车人孔)。
(7) 灼烫。
(8) 其他伤害。
4. 防止此类事故再次发生应采取的安全技术措施:
(1) 限制物料运动速度。罐车采用顶部加油,应将加油鹤管深入罐底部,初始流速不 应大于lm∕s,当注入口浸没200 mm后,可逐步提高流速,但最大流速不应超过7 m∕s°
(2) 静电接地。油罐车在装油前,应与储油设备跨接并接地,装卸完毕先拆除油管, 后拆除跨接线和接地线,禁止明火。
(3) 为防止人体静电的危害,作业人员应穿防静电工作服和防静电工作鞋袜,佩戴防 静电工作手套以及采取静电消除技术,防止电气设备引起火花。
(4) 现场安装火灾监测报警装置。
(5) 现场使用安全电压工具。
案例21
1. L印刷企业的特种设备有:
(1) 燃气锅炉1台。
(2) 5 t桥式起重机8台。
(3) 叉车15辆。
(4) 氧气瓶、乙焕瓶。
特种作业有:
(1) 电工作业。
(2) 焊接与热切割作业。
(3) 高处作业。
(4) 危险化学品安全作业。
2. L印刷企业应取得的安全检测报告的类别包括:
(1) 特种设备检测检验报告。
(2) 起重设备检测报告。
(3) 压力容器设备检测报告。
(4) 消防设施检测报告。
(5) 职业病危害因素检测报告。
(6) 安全设备和安全装置检测报告,如防雷装置检测和接地装置检测等。
3. L印刷企业内必须使用防爆电器的场所为:原料库;化工库;油墨调配车间;废料 库;柴油罐区;变配电站;柴油发电机房;燃气锅炉房;消防监控室。
4. L印刷企业废料库房坍塌隐患治理方案应当包括以下内容:
(1) 治理的目标和任务。
(2) 采取的方法和措施。
(3) 经费和物资的落实。
(4) 负责治理的机构和人员。
(5) 治理的时限和要求。
(6) 安全措施和应急预案。
案例22
1. 第一起爆点的可能点火源是液压破碎锤在击打水泥盖板时出现的火花。港海下水 道内参与爆炸的物质是原油。
2. 此次事故在应急响应和应急处置方面存在以下问题:
(1) H分公司发现原油泄漏后没有立即停止输送石油。
(2) 事故上报时未向当地消防部门、环保部门和公安部门报告。
(3) 在实施抢修管道时,没有对周边人员进行疏散。
(4) 现场抢险人员没有佩戴防化服和空气呼吸器。
(5) H分公司发现原油泄漏后未及时上报。
(6) 没有使用防爆工具。
(7) 事故发生后主要负责人未到现场组织实施抢救。
3. 此次事故事后处置应开展以下工作:
(1) 该石油输送管道立即停止输送石油。
(2) 向消防部门、环保部门、公安部门、安监部门报告。
(3) 疏散影响区域附近所有人员,向上风向转移,防止吸入接触有毒气体。
(4) 按照应急预案,组织机构到位,成立现场应急指挥小组。
(5) 抢修人员应佩戴好防化服和空气呼吸器,釆用防爆工具等进行堵漏处理。
(6) 泄漏的油污,可用吸附材料收集和吸附。
(7) 事故现场恢复。
注意事项:处置过程中,杜绝一切明火;现场处置人员,穿防静电工作服;使用不产 生火花的防爆工具或设备设施;修复完毕后,清理现场油污。
4. M集团公司为确保∏号管道运行应采取的安全措施主要有:
(1) 落实企业安全生产责任制,明确职责。
(2) 建立健全企业全员隐患排查治理制度,施行闭环管理。
(3) 提高输油气管道防腐技术,防止管道腐蚀产生的原油泄漏。
(4) 加强隐患排查,严格定期检测,确保管道运行安全。
(5) 进一步加强集团公司全体员工的安全教育培训。
(6) 增加安全投入,建立健全职业危害防治系统。
(7) 制定并完善应急预案,定期组织演练。
案例23
1. NΓ原料、中间产品、产品中的火灾爆炸物质及理由:
(1) 燃煤——易燃(自燃)物质,易发生火灾。
(2) 柴油——易燃液体,易发生火灾。
(3) 煤气——易燃气体,易发生火灾。
(4) 氧化铝、灰渣——过热遇水易发生物理性爆炸。
(5) 液氨——泄漏后氨气易发生爆炸。
(6) 硫酸铉、硫酸——强氧化性物质。
2. 上述场景中的特种设备:
(1) 电梯——主办公楼2部。
(2) 锅炉——130 t/h燃煤锅炉3台。
(3) 压力管道——蒸汽管道、工艺物料输送管道、热力管网。
(4) 压力容器一 气容器、熔盐加热工艺。
(5) 场内机动车——工艺间物料输送使用的机动车辆。
3. N厂热力工程系统中危险因素及其存在的单元:
(1) 火灾——堆煤场、油泵房、点火泵房、溶盐加热站等。
(2) 其他爆炸——除灰系统(粉尘爆炸)、热力管网(管道爆炸)。
(3) 坍塌——堆煤场。
(4) 高处坠落——主厂房系统及设备等检修。
(5) 淹溺——除盐水站。
(6) 触电——各种电气设备。
(7) 机械伤害——系统中使用的各种机械。
(8) 窒息和中毒——氨法脱硫系统、热力管网气体。
(9) 车辆伤害——机动车辆。
(10) 灼烫——溶盐加热站、热力管网等。
(II)其他伤害一摔伤、歲脚。
4. 重大事故隐患I、II均由N厂整改。
(1) 生产经营单位是本单位事故隐患排查、整改、防控的主体。
(2) 生产经营单位主要负责人负责监督、检查本单位安全生产工作,及时消除本单位 事故隐患。
(3) 生产经营单位主要负责人组织制定并实施本单位重大事故隐患治理方案。
(4) 生产经营单位对承包方、承租方的隐患排查负有统一协调、管理的职责。
5. 整改措施包括:
(1) 加强员工教育培训,增强安全意识。
(2) 建立健全安全生产责任制,并保证落实。
(3) 建立健全隐患的排查、治理、复查、举报等隐患排査制度。
(4) 加强安全生产投入,建立隐患排査专项资金使用制度。
(5) 坚强相关方管理,签订安全生产管理协议,明确各方安全生产职责。
(6) 对重大事故隐患要制定隐患整改方案,落实整改隐患整改措施,整改完毕后,应 对整改情况进行评估。
案例24
1. 2011年度千人重伤率=重伤人数/平均职工人数XlO3 = ( 1/780)XlO3≈1.28o
2011年度百万工时伤害率=伤害人数/实际总工时XlO6= [3∕(780×250×8)] ×
106≈1.92o
2. P公司主要设备中的特种设备:
蒸汽锅炉,叉车,电梯,热力、制冷管网(压力容器、压力管道)。
3. P公司生产工艺中的职业病危害因素:
(1) 噪声--锅炉房。
(2) 振动——冷却器风机等。
(3) 粉尘——食品添加剂。
(4) 低温——冷库。
(5) 高温——蒸制。
(6) 辐射一干式变压器、蒸汽锅炉。 -
(7) 中毒——天然气、液氨等。
4. L劳务公司派遣人员违章事故的事故责任主体是P公司。
按照《劳动合同法》的有关规定,P公司是用人单位。劳务派遣单位派遣劳动者应当 与接受以劳务派遣形式用工的单位(用工单位)订立劳务派遣协议,用工单位应当对劳务 派遣人员提供安全教育培训,并配发劳动防护用品,用人单位应对劳务派遣人员在作业时 的安全负责。
5. P公司安全生产规章制度中属于综合安全管理的规章制度:
(1) 安全生产管理目标、指标和总体原则。
(2) 安全生产责任制。
(3) 安全管理定期例行工作制度。
(4) 承包与发包工程安全管理制度。
(5) 安全设施和费用管理制度。
(6) 重大危险源管理制度。
(7) 危险物品使用管理制度。
(8) 消防安全管理制度。
(9) 隐患排查和治理制度。
(10) 事故调查报告处理制度。
(11) 应急管理制度。
(12) 安全奖惩制度。
(13) 交通安全管理制度。
(14) 防灾减灾管理制度。
案例25
1. 此次未遂事故报告的内容:
(1) 事故发生单位概况。
(2) 事故发生的时间、地点以及事故现场情况。
(3) 事故的简要经过。
(4) 事故已经造成或者可能造成的伤亡人数(包括下落不明的人数)和初步估计的 直接经济损失。
(5) 已经采取的措施。
(6) 其他应当报告的情况。
2. 主要的特种设备包括进出油输送管道、起重机、电梯、叉车、燃气锅炉、二氧化 碳钢瓶和磷化氢钢瓶、氮气钢瓶。
3. 装卸作业职业危害控制的措施:
(1) 釆用新技术、新设备,完善防护设施。
(2) 强化员工安全意识,定期进行健康检査。
(3) 改善作业条件,加强作业现场管理。
(4) 做好防尘降尘工作。
(5) 建立健全职业危害预防控制规章制度。
4. 粉尘爆炸隐患治理方案包括以下内容:
(1) 治理的目标和任务。
(2) 采取的方法和措施。
(3) 经费和物资的落实。
(4) 负责治理的机构和人员。
(5) 治理的时限和要求。
(6) 安全措施和应急预案。
5. 公司主要负责人的安全生产职责有:
(1) 建立健全并落实本单位全员安全生产责任制,加强安全生产标准化建设。
(2) 组织制定并实施本单位安全生产规章制度和操作规程。
(3) 组织制定并实施本单位安全生产教育和培训计划O
(4) 保证本单位安全生产投入的有效实施。
(5) 组织建立并落实安全风险分级管控和隐患排查治理双重预防工作机制,督促、检 查本单位的安全生产工作,及时消除生产安全事故隐患。
(6) 组织制定并实施本单位的生产安全事故应急救援预案。
(7) 及时、如实报告生产安全事故。
案例26
1. 304地铁车站土方开挖及基础施工阶段的主要危险有害因素有:车辆伤害;机械伤 害;起重伤害;高处坠落;物体打击;淹溺;噪声;粉尘;坍塌。
2. K建筑公司对I公司进行安全生产管理的主要内容包括:
(1) 签订安全生产管理协议。
(2) 负责建立对I公司包括评价、选择和管理等全过程的分包管理制度和管理台账并 加以实施。
(3) 负责I公司的资质审核以及专业技术能力的审查。
(4) 负责组织、实施和监督对I公司作业人员的安全教育。
(5) 负责对作业现场的监督和管理。
3. 第3标段的安全评价报告中应提出的安全对策措施包括:
(1) 施工过程中工人应该佩戴好安全帽防止物体打击和重物坠落;作业过程中工人涉 及登高作业的应该系好安全带,高挂低用,安全带完好无破损。
(2) 采用的金属切削工具和木工机械防护罩完好,接地良好。
(3) 木工作业现场划分防火区域,采用吸尘设备,并在现场根据《建筑灭火器配置 设计规范》(GB 50140)配备灭火器。
(4) 使用起重机械、挖掘机和运输车辆人员应取得特种设备操作许可证并持证上岗, 使用的特种设备应状况良好,经过定期检验合格后方可进入现场使用。
(5) 固定及临时电气线路及用电设备接线规范,接地良好,根据使用用途及场所使用 特定电压,并加装漏电保护器。
(6) 作业过程中水下穿越工程时有坍塌、淹溺的危险,开凿隧道时要固定好支撑顶网 和锚杆,防止冒顶和坍塌。对隧道和河道采取监控手段并进行连锁声光报警,当发生隧道 顶端出现裂纹、渗水等危险情况时,人员应立即撤离。
(7) 振动设备应进行降噪处理,设备固定螺栓加装垫片,工作人员配发耳塞。
(8) 可能情况下采用湿式作业,降低粉尘,并配发防尘口罩或面罩。
(9) 开凿隧道时要对隧道内的含氧量和有毒气体、易燃易爆气体进行检测。各项指标 合格后,在专人监护的情况下,方可作业。作业过程应进行机械通风。
(10) 照明设施良好,不影响作业人员作业。
(11) 根据危险有害因素分析评价结果制定专项应急预案,配备应急器材和应急人员。
4. I公司项目经理甲应履行的安全生产责任有:
(1) 建立健全并落实本单位全员安全生产责任制,加强安全生产标准化建设。
(2) 组织制定并实施本单位安全生产规章制度和操作规程。
(3) 组织制定并实施本单位安全生产教育和培训计划。
(4) 保证本单位安全生产投入的有效实施。
(5) 组织建立并落实安全风险分级管控和隐患排査治理双重预防工作机制,督促、检 査本单位的安全生产工作,及时消除生产安全事故隐患。
(6) 组织制定并实施本单位的生产安全事故应急救援预案。
(7) 及时、如实报告生产安全事故。
5. 304地铁车站工程中需要编制安全专项施工方案的分项工程包括:
(1) 基坑支护、降水工程。
(2) 土方开挖工程。
(3) 模板工程及支撑体系。
(4) 起重吊装及安装拆卸工程。
(5) 脚手架工程。
(6) 拆除、爆破工程。
案例27
1. 重大事故隐患治理方案的内容包括:
(1) 治理的目标和任务。
(2) 采取的方法和措施。
(3) 经费和物资的落实。
(4) 负责治理的机构和人员。
(5) 治理的时限和要求。
(6) 安全措施和应急预案。
2. 该废气处理系统存在的物理性危险和有害因素有:
(1) 防护缺陷。
(2) 电危害。,
(3) 噪声。
(4) 振动危害。
(5) 运动物危害。
(6) 电磁辐射。
(7) 粉尘与气溶胶。
3. 粉尘爆炸条件:①粉尘本身具有可燃性;②粉尘悬浮在空气中并达到爆炸极限浓 度;③有足以引起粉尘爆炸的起始能量。
粉尘爆炸特点:①粉尘爆炸速度或爆炸压力上升速度比爆炸气体小,但燃烧时间长, 产生的能量大,破坏程度大;②爆炸感应期较长;③有产生二次爆炸的可能。
4. 该企业安全生产投入费用包含:
(1) 完善、改造和维护安全防护设备、设施的支出(不含“三同时”要求初期投入 的安全设施)O
(2) 配备、维护、保养应急救援器材(含应急药品支出)、设备支出、配备和更新现 场作业人员安全防护物品支出。
(3) 安全生产检查、评价(不包含新建、改建、扩建项目安全评价)、咨询和标准化 建设支出。
(4) 开展重大危险源、重大事故隐患的评估、整改、监控支出。
(5) 安全生产宣传、教育、培训支出及进行应急救援演练支出。
(6) 安全生产适用的新技术、新标准、新工艺、新装备的推广应用支出。
(7) 安全设施及特种设备检测检验支岀。
(8) 其他与安全生产直接相关的支出。
5.喷漆作业的安全要求有:
(1) 贮存和调漆应在符合防火要求的专门房间内进行。地面应采用耐火且不易碰出火 花的材料。
(2) 喷漆厂房与明火操作场所的距离应大于30 mo
(3) 喷漆车间和喷漆料、溶剂的贮存、调配间的各种电器应符合电气防爆规范要求。
(4) 动火检修时,必须釆取防火措施。还必须经相关管理部门审批同意后,才能 动火。
(5) 喷漆车间应根据生产情况设置足够的通风和排风装置,将可燃气体及时迅速排 出。所有电气设备应有良好接地。如果车间没有严格的保温要求,最好尽量采用自然 通风。
(6) 操作时应控制喷速,空气压力应控制在0.2~0. 4 MPa,喷枪与工件表面的距离宜 保持在 300~500 Inmo
(7) 车间里的油漆和溶剂贮存量以不超过一日用量为宜。为减少挥发量,容器应 加盖。
(8) 在特殊情况下,如大型机械、机车等机件庞大且又不宜搬动的喷漆操作,若确需 在现场进行,而现场的电气设备又不防爆时,应将现场电源全部切断,待喷漆结束、可燃 蒸气全部排除后方可通电。
(9) 在露天进行喷漆操作时,应避开焊割作业、砂轮、锻造、铸造等明火场所。
(10) 喷漆的防火还应从改进工艺和材料着手。如釆用静电喷漆、电泳涂漆等。
案例28
1. 该酒厂储酒池可能存在的危险有害因素有:机械伤害、物体打击、触电、火灾、 中毒和窒息、其他伤害。
2. 直接原因:储酒池内二氧化碳含量高氧气含量少,三人缺氧窒息死亡。
间接原因:①作业前未对储酒池进行通风和检测;②从业人员的安全意识薄弱;③通 风设施不完善,没有对进入有限空间作业的员工配备气体检测报警仪等劳动防护用品和器 材;④储酒池未设置强制通风风机。
3. 专项培训内容包括:
(1) 有限空间作业的安全规章制度。
(2) 作业现场和作业过程中可能存在的危险、有害因素及应采取的具体安全措施 (例如中毒窒息)。
(3) 作业过程中所使用的呼吸器的使用方法及使用注意事项。
(4) 发生窒息中毒事故的预防、避险、逃生、自救、互救等知识。
(5) 相关事故案例和经验、教训。
4, 有限空间作业过程检测与通风要求:
(1) 有限空间作业应当严格遵守“先通风、再检测、后作业”的原则。检测指标包 括氧浓度、易燃易爆物质(可燃性气体、爆炸性粉尘)浓度、有毒有害气体浓度。检测应 当符合相关国家标准或者行业标准的规定。未经通风和检测合格,任何人员不得进入有限 空间作业。检测的时间不得早于作业开始前30 mirIO
(2) 检测人员进行检测时,应当记录检测的时间、地点、气体种类、浓度等信息。检 测记录经检测人员签字后存档。检测人员应当釆取相应的安全防护措施,防止中毒窒息等 事故发生。
(3) 在有限空间作业过程中,工贸企业应当采取通风措施,保持空气流通,禁止釆用 纯氧通风换气。
(4) 发现通风设备停止运转、有限空间内氧含量浓度低于或者有毒有害气体浓度高于 国家标准或者行业标准规定的限值时,工贸企业必须立即停止有限空间作业,清点作业人 员,撤离作业现场。
(5) 在有限空间作业过程中,工贸企业应当对作业场所中的危险有害因素进行定时检 测或者连续监测。作业中断超过30 min,作业人员再次进入有限空间作业前,应当重新通 风、检测合格后方可进入。
案例29
1. 锅炉紧急停炉操作次序及注意事项:
(1) 立即停止添加燃料和送风,减弱引风。
(2) 设法熄灭炉膛内的燃料,对于一般层燃炉可以用砂土或湿灰灭火,链条炉可以开 快挡使炉排快速运转,把红火送入灰坑。
(3) 灭火后即把炉门、灰门及烟道挡板打开,以加强通风冷却。
(4) 锅内可以较快降压并更换锅水,锅水冷却至70 CC左右允许排水。
(5) 因缺水紧急停炉时,严禁给锅炉上水,并不得开启空气阀及安全阀快速降压。
2. 事故调查组的职责:
(1) 查明事故发生的经过、原因、人员伤亡情况及直接经济损失。
(2) 认定事故的性质和事故责任。
(3) 提出对事故责任者的处理建议。
(4) 总结事故教训,提出防范和整改措施。
(5) 提交事故调查报告。
3. 新装、移装、大修锅炉的启动步骤:
(1) 检查准备:对新装、移装和检修后的锅炉,在启动前要进行全面检查。
(2) 上水:检查完好后,上水,上水温度最高不超过90 °C ,与筒壁温差不超过 50 tC O
(3) 烘炉:新装、移装、大修或长期停用的锅炉,其炉膛和烟道的墙壁非常潮湿,一 旦骤然接触高温烟气,将会产生裂纹、变形,甚至发生倒塌事故。为防止此种情况发生, 此类锅炉在上水后,启动前要进行烘炉。
(4) 煮炉:新装、移装、大修或长期停用的锅炉,在正式启动前必须煮炉。煮炉的目 的是清除蒸发受热面中的铁锈、油污和其他污物,减少受热面腐蚀,提高锅水和蒸汽 品质。
(5) 点火升压:一般锅炉上水后即可点火升压。
(6) 暖管与并汽:暖管,即用蒸汽慢慢加热管道、阀门、法兰等部件,使其温度缓慢 上升。并汽也叫并炉、并列,即新投入运行锅炉向共用的蒸汽母管供汽。
4. 进入锅炉内部检维修作业应采取的安全措施:
(1) 作业前,作业单位和生产单位应对作业现场和作业过程中可能存在的危险、有害 因素进行辨识,制定相应的安全措施。
(2) 作业前,作业单位应办理作业审批手续,并有相关责任人签名确认。
(3) 作业前,应对参加作业的人员进行安全教育,书面安全技术交底,并有所有人员 的签字记录。
(4) 作业前,生产单位应对设备、管线进行隔绝、清洗、置换,并确认满足动火、进 入受限空间等作业安全要求。
(5) 作业前,作业单位对作业现场及作业涉及的设备、设施、工器具等进行检查。
(6) 进入作业现场的人员应按规定着装及正确佩戴相应的个体防护用品,多工种、多 层次交叉作业应统一协调。
(7) 当作业现场出现异常,可能危及作业人员安全时,作业人员应停止作业,迅速撤 离,作业单位应立即通知生产单位。
(8) 作业完毕,应恢复作业时拆移的安全设施的安全使用功能;将作业用的工器具、 脚手架、临时电源、临时照明设备等及时撤离现场;将废料、杂物、垃圾、油污等清理 干净。
(9) 作业前30 min内,应对锅炉内部进行气体分析,分析合格后方可进入,如现场 条件不允许,时间可适当放宽,但不应超过60 mino
(10) 进入锅炉内部作业应坚持“三不进入”,即没有办理“受限空间作业许可证” 不进入、作业监护人员不在现场不进入、安全防护措施不落实不进入。
(11) 与锅炉炉膛相连的所有工艺管道要加盲板隔离(或拆除一段管线),不允许用 关闭阀门、水封代替加装盲板,决不允许有工艺介质进入锅炉内。
(12) 在锅炉外应设有专人监护,作业期间监护人员不应离开。
(13) 锅炉外应设置安全警示标志。
(14) 进入锅炉作业,不得使用卷扬机、吊车等运送作业人员。
案例30
1. 该事故背景中涉及的特种作业包括高处作业。
从事特种作业人员应当具备的条件:
(1) 年满18周岁,且不超过国家法定退休年龄。
(2) 经社区或者县级以上医疗机构体检健康合格,并无妨碍从事相应特种作业的器质 性心脏病、癫痫病、美尼尔氏症、眩晕症、瘡病、震颤麻痹症、精神病、痴呆症以及其他 疾病和生理缺陷。
(3) 具有初中及以上文化程度。
(4) 具备必要的安全技术知识与技能。
(5) 相应特种作业规定的其他条件。
2. 从业人员车间级岗前安全教育培训内容包括:
(1) 工作环境及危险因素。
(2) 所从事工种可能遭受的职业伤害和伤亡事故。
(3) 所从事工种的安全职责、操作技能及强制性标准。
(4) 自救互救、急救方法、疏散和现场紧急情况的处理。
(5) 安全设备设施、个人防护用品的使用和维护。
(6) 本车间(工段、区、队)安全生产状况及规章制度。
(7) 预防事故和职业危害的措施及应注意的安全事项。
(8) 有关事故案例。
(9) 其他需要培训的内容。
3. 未为从业人员缴纳工伤保险费属于资金投入责任主体责任未落实。
(1) 设备设施(或物质)保障责任。包括具备安全生产条件;依法履行建设项目安 全设施“三同时”的规定;依法为从业人员提供劳动防护用品,并监督、教育其正确佩戴 和使用。
(2) 资金投入责任。包括按规定提取和使用安全生产费用,确保资金投入满足安全生 产条件需要;依法为从业人员缴纳工伤保险费;保证安全生产教育培训的资金。
(3) 机构设置和人员配备责任。包括依法设置安全生产管理机构,配备安全生产管理 人员;按规定委托和聘用注册安全工程师或者注册安全助理工程师为其提供安全管理 服务。
(4) 规章制度制定责任。包括建立、健全安全生产责任制和各项规章制度、操作规 程、应急救援预案并督促落实。
(5) 安全教育培训责任。包括开展安全生产宣传教育;依法组织从业人员参加安全生 产教育培训,取得相关上岗资格证明。
(6) 安全生产管理责任。包括主动获取国家有关安全生产法律法规并贯彻落实;定期 组织开展安全检査;依法对安全生产设施、设备或项目进行安全评价;及时消除事故隐 患;统一协调管理承包、承租单位的安全生产工作。
(7) 事故报告和应急救援责任。包括按规定报告生产安全事故,及时开展事故抢险救 . 228 .
援,妥善处理事故善后工作。
(8)法律法规、规章规定的其他安全生产责任。
4.“十不吊”包括:①超载不吊;②六级以上强风不吊;③散装物装得太满或捆扎不 牢不吊;④安全装置失灵不吊;⑤吊物上站人不吊;⑥斜吊不吊;⑦指挥信号不明不吊; ⑧埋在地下的构件不吊;⑨光线阴暗看不清吊物不吊;⑩吊物边缘无防护措施不吊。
案例31
1. 该火力发电厂存在的危险有害因素包括以下内容。
(1) 火灾:①贮煤场、输煤系统;②主厂房(汽机房、锅炉房、除氧煤仓间);③主 变压器、室外配电装置;④油库;⑤贮氢站。
(2) 机械伤害:①贮煤场、输煤系统;②主厂房(汽机房、锅炉房、除氧煤仓间); ③脱硫车间;④脱硝车间;⑤干灰库。
(3) 其他爆炸:①贮煤场、输煤系统;②主厂房(汽机房、锅炉房、除氧煤仓间); ③脱硝车间;④油库;⑤贮氢站。
(4) 触电:主变压器、室外配电装置。
(5) 高处坠落:①干灰库;②主厂房(汽机房、锅炉房、除氧煤仓间);③脱硫车 间;④脱硝车间。
(6) 其他伤害。
2. 安全检查的准备工作包括:
(1) 确定检査对象、目的、任务。
(2) 查阅、掌握有关法规、标准、规程的要求。
(3) 了解检查对象的工艺流程、生产情况、可能出现危险和危害的情况。
(4) 制定检查计划,安排检查内容、方法、步骤。
(5) 编写安全检查表或检查提纲。
(6) 准备必要的检测工具、仪器、书写表格或记录本。
(7) 挑选和训练检查人员并进行必要的分工等。
3. 安全评价程序:
(1) 前期准备。
(2) 辨识与分析危险、有害因素。
(3) 划分评价单元。
(4) 定性、定量评价。
(5) 提出安全对策措施建议。
(6) 作出安全评价结论。
(7) 编制安全评价报告。
4. 安全操作规程包括:
(1) 操作前的准备。
(2) 劳动防护用品的穿戴要求。
(3) 操作的先后顺序、方式。
(4) 操作过程中机器设备的状态,如手柄、开关所处的位置等。
(5) 操作过程需要进行哪些测试和调整,如何进行。
(6) 操作人员所处的位置和操作时的规范姿势。
(7) 操作过程中有哪些必须禁止的行为。
(8) 一些特殊要求。
(9) 异常情况如何处理。
(10) 其他要求。
案例32
1. 该次作业过程中涉及的危险有害因素有:物体打击;高处坠落;坍塌;触电;车 辆伤害;机械伤害;起重伤害;其他伤害。
2. 物料提升机的操作要求:
(1) 开机运行前必须检査确认本机各零部件及其功能是否齐全、完整。
(2) 物料在吊篮内均匀分布,不得超出吊篮。散料应装箱或装笼,严谨超载使用。
(3) 严禁人员攀登、穿越提升机架体和乘吊篮上下。
(4) 设指挥人员,信号不清不得开机,作业中任何人发出紧急停车信号,应立即 执行。
(5) 发生特殊情况断电后,重新恢复作业前,确认提升机动作正常后方可继续使用。
(6) 发现安全装置、通信装置失灵时,应立即停机修复,作业中不得随意使用极限限 位装置。
(7) 使用中经常检查钢丝绳、滑轮工作情况,发现磨损严重,及时更换。
(8) 处于工作状态时,不得进行保养、维修,排除故障应在停机后进行。
(9) 提升机处于工作状态时,不得进行保养、维修,排除故障应在停机后进行。
3. 注册安全工程师在工作中应履行的义务:
(1) 保证执业活动的质量,承担相应的责任。
(2) 接受继续教育,不断提高执业水准。
(3) 在本人执业活动所形成的有关报告上署名。
(4) 维护国家、公众的利益和受聘单位的合法权益。
(5) 保守执业活动中的秘密。
(6) 不得出租、出借、涂改、变造执业证和执业印章。
(7) 不得同时在两个或者两个以上单位受聘执业。
(8) 法律、法规规定的其他义务。
4. 事故调查报告的主要内容包括:
(1) 事故发生单位概况。
(2) 事故发生经过和事故救援情况。
(3) 事故造成的人员伤亡和直接经济损失。
(4) 事故发生的原因和事故性质。
(5) 事故责任的认定以及对事故责任者的处理建议。
(6)事故防范和整改措施。
案例33
1. 依据《企业安全生产标准化基本规范》(GB/T 33000),外来人员进入作业现场前, 应由作业现场所在单位对其进行安全教育培训,主要内容包括:
(1) 外来人员入厂(矿)有关安全规定、可能接触到的危害因素。
(2) 易燃易爆物质以及存放地点。
(3) 所从事作业的安全要求。动火作业,临时用电作业,受限空间作业作业时的相关 要求。
(4) 作业安全风险分析及安全控制措施。动火作业,临时用电作业,受限空间作业安 全风险分析以及相关的应急控制措施。
(5) 危害防护措施、应急知识等。
(6) 作业时的防护措施以及可能发生事故的应急措施。
2. 动火作业基本要求:
(1) 作业前,作业单位应办理作业审批手续,并有相关责任人签名确认。
(2) 作业前,作业单位和生产单位应对作业现场和作业过程中可能存在的危险、有害 因素进行辨识,制定相应的安全措施。
(3) 作业前,应对参加作业的人员进行安全教育。作业的规章制度、事故预防、避 难、逃生、自救互救等知识。
(4) 作业前,作业单位对作业涉及的设备进行检查,作业使用的防护设备应完好。作 业人员正确佩戴个人防护。
(5) 作业现场设置相关的警示牌、警示标志等。
(6) 特种作业和特种设备作业人员应持证上岗。
(7) 作业时应符合相关作业的具体要求。
(8) 作业后应清理现场,恢复作业时拆移的安全设施,将临时的设备拆离现场。
3. 临时用电管理要求:
(1) 在运行的生产装置和具有火灾爆炸危险场所内不应接临时电源。
(2) 各类移动电源及外部自备电源,不应接入电网。
(3) 动力和照明路线应分路设置。 _
(4) 在开关上接引、拆除临时用电线路时,其上级开关应断电上锁并加挂安全警示 标牌。
(5) 临时用电应设置保护开关,使用前应检查电气装置和保护设施的可靠性。所有的 临时用电均应设置接地保护。
临时用电时间一般不超过15天,特殊情况不应超过一个月。
4. 本次事故共造成2人死亡、3人受伤,经济损失867万元。根据《生产安全事故报 告和调查处理条例》本次事故属于一般事故。
事故调査报告应当包括下列内容:
(1)事故发生单位概况。
(2) 事故发生经过和事故救援情况。
(3) 事故造成的人员伤亡.和直接经济损失。
(4) 事故发生的原因和事故性质。
(5) 事故责任的认定以及对事故责任者的处理建议。
(6) 事故防范和整改措施。
案例34
1. 安全预评价内容包括:
(1) 前期准备工作应明确评价对象和评价范围,组建评价组,收集相关的法律法规并 分析评价对象的基础资料等。
(2) 辨识和分析评价对象可能存在的各种危险、有害因素。
(3) 评价单元划分应考虑安全预评价的特点,以自然条件、基本工艺条件、危险和有 害因素分布及状况、便于实施评价为原则进行。
(4) 根据评价的目的、要求和评价对象的特点、工艺、功能或活动分布,选择科学、 合理、适用的安全评价方法。
(5) 为保障评价对象建成或实施后能安全运行,应从评价对象、功能分布、人员管理 等方面提出安全技术对策措施和安全管理对策措施等。
(6) 概括评价结果,给出评价对象在评价时的条件下与国家有关法律法规、标准的符 合性结论,给出危险、有害因素引发各类事故的可能性及其严重程度的预测性结论,明确 评价对象建成或实施后能否安全运行的结论。
2. 安全管理协议内容包括:
(1) 发包方企业提出的确保施工安全的组织措施、安全措施和技术措施要求。
(2) 承包方企业制定的确保施工安全的组织措施、安全措施和技术措施。
(3) 承包方企业遵照执行的有关安全文明生产、治安、防火等方面的规章制度。
(4) 发包方企业对现场实施奖惩的有关规定。
(5) 双方有关事故报告、调查、统计、责任划分的规定。
(6) 对承包方企业人员进行安全教育、考试及办理施工人员进入现场应履行的手续等 要求。
(7) 承包方企业必须按照发包方企业的要求提供相关材料,接受安全资质和条件 审査。
(8) 承包方企业不得擅自将工程转包、分包和返包。确有需要企业配合完成的应书面 提出申请,由企业的领导批准后,指派有关部门、班组配合完成。
(9) 承包方企业在施工过程中不得擅自更换工程技术管理人员、安全管理人员以及关 系到施工安全及质量的特殊工种人员,特殊情况需要换人时须征得企业的同意并对新参加 工作人员进行相应的安全教育、培训和考核,合格后方可使用。
(10) 承包方企业不得使用童工,施工人员不得有所承包工程的职业禁忌症。
3. 事故调查组由有关人民政府、安全生产监督管理部门、负有安全生产监督管理职 责的有关部门、监察机关、公安机关以及工会派人组成,并应当邀请人民检察院派人参 加。事故调查组可以聘请有关专家参与调查。
事故调查组的职责:①查明事故发生的经过;②查明事故发生的原因;③查明人员伤 亡情况;④查明事故的直接经济损失;⑤认定事故的性质和事故责任;⑥提出对事故责任 者的处理建议;⑦总结事故教训;⑧提出事故防范措施和整改意见;⑨提交事故调查 报告。
4.汽车起重机的安全操作技术内容:
(1) 开机作业前,应确认处于安全状态方可开机:所有控制器是否置于零位;起重机 上和作业区内是否有无关人员,作业人员是否撤离到安全区;起重机运行范围内是否有未 清除的障碍物;支脚是否可靠等。
(2) 开车前,必须鸣铃或示警;操作中接近人时,应给断续铃声或示警。
(3) 司机在正常操作过程中,不得利用极限位置限制器停车;不得利用打反车进行制 动;不得在起重作业过程中进行检查和维修;不得带载调整起升、变幅机构的制动器,或 带载增大作业幅度;吊物不得从人头顶上通过,吊物和起重臂下不得站人。
(4) 严格按指挥信号操作,对紧急停止信号,无论何人发出,都必须立即执行。
(5) 起重机各部位、吊载及辅助用具与输电线的最小距离应满足安全要求。
(6) 用两台或多台起重机吊运同一重物时,每台起重机都不得超载。吊运过程应保持 钢丝绳垂直,保持运行同步。吊运时,有关负责人员和安全技术人员应在场指导。
(7) 露天作业时,当风力大于6级时,应停止作业。
案例35
1. 锅炉在安装前将拟进行的安装情况书面告知直辖市或者设区的市的特种设备安全 监督管理部门,告知后即可施工。
锅炉安装后,应当在验收后30日内将有关技术资料移交使用单位,高耗能特种设备 还应当按照安全技术规范的要求提交能效测试报告。
2. 王某的安全管理职责:
(1) 建立健全并落实本单位全员安全生产责任制,加强安全生产标准化建设。
(2) 组织制定并实施本单位安全生产规章制度和操作规程。
(3) 组织制定并实施本单位安全生产教育和培训计划。
(4) 保证本单位安全生产投入的有效实施。
(5) 组织建立并落实安全风险分级管控和隐患排查治理双重预防工作机制,督促、检 查本单位的安全生产工作,及时消除生产安全事故隐患。
(6) 组织制定并实施本单位的生产安全事故应急救援预案。
(7) 及时、如实报告生产安全事故。
3. 锅炉启动步骤:
(1) 检查准备。检查受热面、承压部件的内外部,看其是否处于可投入运行的良好状 态,检查各处是否处于完好状态;检查安全附件和测量仪表是否齐全等。
(2) 上水。上水温度不超过90 0C,水温和筒壁温差不超过50龙。
(3) 烘炉。新装、移装、大修或长期停用的锅炉在上水后,启动前要进行烘炉。
(4) 煮炉。新装、移装、大修或长期停用的锅炉,在正式启动前必须煮炉。
(5) 点火升压。一般锅炉上水后即可点火升压。
(6) 暖管与并汽。
4.应急预案的编制程序:
(1) 成立应急预案编制工作组。结合本单位部门职能和分工,以本单位有关负责人担 任小组长。
(2) 资料收集。收集与预案编制工作相关的法律法规、技术标准、应急预案、国内外 同行业事故资料,同时收集本单位安全生产相关技术资料等。
(3) 风险评估。分析生产经营单位存在的危险因素,确定事故危险源。分析可能发生 的事故类型及后果,并指出可能产生的次生、衍生事故。评估事故的危害程度和影响范 围,提出风险防控措施。
(4) 应急资源调查。全面调查和客观分析生产经营单位应急队伍、装备、物资等应急 资源状况。
(5) 应急预案编制。应急预案编制应遵循以人为本、依法依规、符合实际、注重实效 的原则,以应急处置为核心,尽可能简明化、图表化、流程化。
(6) 桌面推演。结合有关的经验教训,釆取桌面演练的形式,模拟生产安全事故应对 过程,逐步分析和讨论并形成记录,检验应急预案的可行性,进一步完善应急预案。
(7) 应急预案评审。应急预案编制完成后,生产经营单位应按法律法规有关规定组织 评审或论证。
(8) 批准实施。通过评审的应急预案,由生产经营单位主要负责人签发实施。
案例36
1. 该企业开展应急救援时的基本任务包括:
(1) 立即组织营救受害人员。
(2) 迅速控制事态。
(3) 消除危害后果,做好现场恢复。
(4) 查清事故原因,评估危害程度。
2. 为确保作业安全,应做到:
(1) 事先分析和控制生产现场存在的安全风险。
(2) 配备相应的安全、职业病防护用品及消防设施与器材。
(3) 危险性较大的作业活动,严格履行作业许可审批手续。
(4) 特种作业人员持证上岗,并安排专人进行现场安全管理。
(5) 交叉作业现场,签订管理协议。
(6) 监督、指导从业人员遵守安全生产和职业卫生规章制度、操作规程。
3. 动火作业应采取的安全措施:
(1) 作业前,作业单位和生产单位应对作业现场和作业过程中可能存在的危险、有害 因素进行辨识,制定相应的安全措施。
(2) 作业前,作业单位应办理作业审批手续,并有相关责任人签名确认。
(3) 作业前,应对参加作业的人员进行安全教育,书面安全技术交底,并有所有人员 的签字记录。
(4) 作业前,生产单位应对设备、管线进行隔绝、清洗、置换,并确认满足动火、进 入受限空间等作业安全要求。
(5) 作业前,作业单位对作业现场及作业涉及的设备、设施、工器具等进行检查。
(6) 进入作业现场的人员应按规定着装及正确佩戴相应的个体防护用品,多工种、多 层次交叉作业应统一协调。
(7) 当作业现场出现异常,可能危及作业人员安全时,作业人员应停止作业,迅速撤 离,作业单位应立即通知生产单位。
(8) 作业完毕,应恢复作业时拆移的安全设施的安全使用功能;将作业用的工器具、 脚手架、临时电源、临时照明设备等及时撤离现场;将废料、杂物、-垃圾、油污等清理 干净。
(9) 动火分析与动火作业间隔一般不超过30 min,如现场条件不允许,间隔时间可适 当放宽,但不应超过60 min;作业中断时间超过60 min,应重新分析,每日动火前均应进 行动火分析;特殊动火作业期间应随时进行监测。
(10) 动火作业实行“三不动火”,即没有经批准的“动火作业许可证”不动火、动 火监护人不在现场不动火、安全管控措施不落实不动火。
(11) 乙焕瓶使用时必须垂直放置,应有防倒措施,不得卧放使用,使用时应安装阻 火器,乙焕气瓶上的易熔塞朝向无人处。
4.剪切机的安全操作规程:
(1) 必须穿戴好(工作服、安全帽、工作鞋等)防护用品。
(2) 检査设备上是否有杂物及时清理,设备运行时,动转部分不得放置任何物品。剪 切机周边不得存放易燃、易爆物品,做好防火措施。
(3) 观察液压油箱,油位、油质是否正常(参照剪切机油质油位表),对设备各个润 滑点进行润滑。
(4) 观察电气线路是否有破损,电气箱是否有异味,如不正常请及时报告。
(5) 启动循环水:查看冷水循环是否打开,如果没有请先启动循环水电机,确认循环 水正常工作。
(6) 打开电源:确认电源指示灯已亮。让电机运行30 s至Imin,看电机是否运转正 常有无异响。
(7) 点动运行:调制点动运行,合闭剪切刀架,检查刀口对合情况是否正常,检查刀 片锁紧螺栓是否紧固。
(8) 操作后,按动剪切开关,设备开始运行,同时手或脚不得停留在按钮上。
(9) 剪切时,出料一侧严禁站人或清理切料。
(10) 操作时发现设备运转异常,马上停机、关闭电源、向上级报告、检查故障。
(11) 操作后,使剪切回程、压料回程,刀架为完全打开状态。
(12) 关闭电源,打扫设备卫生。
案例37
1. 直接原因包括:气缸超压;“0”形石棉密封垫从螺栓松动部位开裂;液氨泄漏; 人员盲目施救。
间接原因包括:①压缩机部件未及时检修维护,作业人员制冷操作严重失误;②2台 冷却器液位均处于满液位状态,冷却器超压,严重违反了相关的操作规程;③安全投入不 足,安全防护用品不足。
2. 车间级培训内容:
(1) 工作环境及危险因素。
(2) 所从事工种可能遭受的职业伤害和伤亡事故。
(3) 所从事工种的安全职责、操作技能及强制性标准。
(4) 自救互救、急救方法、疏散和现场紧急情况的处理。
(5) 安全设备设施、个人防护用品的使用和维护。.
(6) 本车间(工段、区、队)安全生产状况及规章制度。
(7) 预防事故和职业危害的措施及应注意的安全事项。
(8) 有关事故案例。
(9) 其他需要培训的内容。
3. 企业应采取的应急处置措施:
(1) 救护者现场准备。救护人员在救护之前应做好自身呼吸系统、皮肤的防护。
(2) 切断毒性危险化学品来源。将中毒者移至空气新鲜、通风良好的地方,迅速启动 通风排毒设施或打开门窗。
(3) 迅速脱去被毒性危险化学品污染的衣服、鞋袜、手套等,并用大量的清水或解毒 液彻底清洗被毒性危险化学品污染的皮肤。
(4) 让中毒者呼吸氧气。
(5) 及时拨打“110” “120”电话并及时送往医院救治。
4. 应当认定为工伤的情况:
(1) 在工作时间和工作场所内,因工作原因受到事故伤害的。
(2) 工作时间前后在工作场所内,从事与工作有关的预备性或者收尾性工作受到事故 伤害的。
(3) 在工作时间和工作场所内,因履行工作职责受到暴力等意外伤害的。
(4) 患职业病的。
(5) 因工外出期间,由于工作原因受到伤害或者发生事故下落不明的。
(6) 在上下班途中,受到非本人主要责任的交通事故或者城市轨道交通、客运轮渡、 火车事故伤害的。
(7) 法律、行政法规规定应当认定为工伤的其他情形。
案例38
1.孙某触电后,现场工作人员应采取的应急处置措施:
(1) 大声呼救,向现场附近人员寻求帮助。
(2) 立即向企业主要负责人及相关人员电话汇报,报告内容包括地点、受伤人员及伤 员当前状况。
(3) 立即拨打“120”急救电话,并等待、指挥救护车行进。
(4) 如果经过相关医护专业培训可以对伤员进行救护。
(5) 如果伤情不明,在确保伤员没有受到周边威胁的情况下,尽量不要挪动伤员。
(6) 在确保伤员安全的情况下在周边进行警戒,对危险区域进行封锁,防止无关人员 进入。
(7) 在确保自身安全的情况下,对皮带作停电处理并挂牌上锁。
(8) 根据现场应急指挥人员的要求,釆取其他应急措施。
2. 安全交底的内容包括:
(1) 配电柜的危险部位。
(2) 针对危险部位采取的具体防范措施。
(3) 作业中应注意的安全事项。
(4) 作业人员应遵守的安全操作规程和规范。
(5) 安全防护措施的正确操作。
(6) 发现事故隐患应及时釆取的措施。
(7) 发现事故后应及时采取的躲避和急救措施。
3. 高压开关柜“五防”功能:
(1) 保证只有断路器处在断开位置时才能操作隔离开关,防止带负荷操作隔离开关。
(2) 防止未拆除临时接地线之前或未拉开接地隔离开关之前合闸送电。
(3) 防止未断开电源前挂临时接地线或合上接地隔离开关。
(4) 防止断路器在合闸状态移动手车、防止断路器未处在工作位置或试验位置误 合闸。
(5) 保证断路器、隔离开关未断开前,开关柜的门不能打开,防止人员误入带电 间隔。
4. 孙某的作业属于特种作业。
特种作业包括:电工作业、焊接与热切割作业、高处作业、制冷与空调作业、煤矿安 全作业、金属非金属矿山安全作业、石油天然气安全作业、冶金(有色)生产安全作业、 危险化学品安全作业、烟花爆竹安全作业、应急管理部认定的其他作业。
案例39
1. 气瓶的附件:
(1) 气瓶安全附件,包括气瓶阀门(含组合阀件、简称瓶阀)、安全泄压装置、紧急 切断装置等。
(2) 气瓶保护附件,包括固定式瓶帽、保护罩、底座、颈圈等。
(3) 安全仪表,包括压力表,液位计等。
2. 李某对本单位安全生产工作负有的职责:
(1) 建立健全并落实本单位全员安全生产责任制,加强安全生产标准化建设。
(2) 组织制定并实施本单位安全生产规章制度和操作规程。
(3 )组织制定并实施本单位安全生产教育和培训计划。
(4) 保证本单位安全生产投入的有效实施。
(5) 组织建立并落实安全风险分级管控和隐患排查治理双重预防工作机制,督促、检 查本单位的安全生产工作,及时消除生产安全事故隐患。
(6) 组织制定并实施本单位的生产安全事故应急救援预案。
(7) 及时、如实报告生产安全事故。
3. 装卸搬运气瓶管理要求:
(1) 建立相应的安全管理、应急预案制度,对气瓶的押运员、驾驶人员.、装卸人员都 应进行相关的气体知识教育。
(2) 在搬运前应了解气体名称、性质和安全搬运注意事项,要备齐工器具和防护 用品。
(3) 搬运前检查气瓶的气体产品合格证、警示标志是否与充装气体及气瓶标志的介质 名称一致,要配带瓶帽、防震圈。
(4) 搬运气瓶要注意:①气瓶轻装、轻卸;②严禁抛、滑、滚、碰;③严禁拖拽、随 地平滚、顺坡横或竖滑下或用脚踢;严禁肩扛、背驮、怀抱、臂挟、托举等;当人工将气 瓶向高处举放或气瓶从高处落地时必须二人同时操作。
(5) 严禁用叉车、翻斗车或铲车搬运气瓶。
4. 事故调查组的职责: '
(1) 查明事故发生的经过、原因、人员伤亡情况及直接经济损失。
(2) 认定事故的性质和事故责任。
(3) 提出对事故责任者的处理建议。
(4) 总结事故教训,提出防范和整改措施。
(5) 提交事故调查报告。
案例40
1.安全生产费用使用范围: -
(1) 完善、改造、维护安全防护设施设备支出(不含“三同时”要求初期投入的安 全设施)。
(2) 配备、维护、保养应急救援器材、设备支出和应急演练支出。
(3) 开展重大危险源和事故隐患评估、监控和整改支岀。
(4) 安全生产检查、评价(不包括新建、改建、扩建项目安全评价)、咨询和标准化 建设支出。
(5) 安全生产宣传、教育、培训支出。
(6) 配备和更新现场作业人员安全防护用品支出。
(7) 安全生产适用的新技术、新标准、新工艺、新装备的推广应用。
(8) 安全设施及特种设备检测检验支出。
(9)其他与安全生产直接相关的支出。
2. 事故报告内容:
(1) 事故单位概况。
(2) 事故发生的时间、地点以及事故现场情况。
(3) 事故的简要经过。
(4) 事故已经造成或者可能造成的伤亡人数(包括下落不明的人数)和初步估计的 直接经济损失。
(5) 已经采取的措施。
(6) 其他应当报告的情况。
3. 安全生产规章制度制定流程:
(1) 起草。由负责安全生产管理部门或相关职能的部门负责起草。
(2) 会签或公开征求意见。
(3) 审核。
(4) 签发。技术规程、安全操作规程等一般技术性较强的安全规章制度由生产经营单 位主管生产的领导或总工程师签发,涉及全局性的综合管理制度应由生产经营单位主要负 责人签发。
(5) 发布。
(6) 培训。
(7) 反馈。
(8) 持续改进。对安全操作规程类安全规章制度,除每年进行审查和修订外,3~5年 应组织进行一次全面修订,并重新发布。
4. 机械制造企业以上年度实际营业收入为计提依据,釆取超额累退方式按照以下标 准平均逐月提取:
(1) 营业收入不超过IoOO万元的,按照2%提取。
(2) 营业收入超过1000万元至1亿元的部分,按照1%提取。
(3) 营业收入超过1亿元至10亿元的部分,按照0.2%提取。
(4) 营业收入超过10亿元至50亿元的部分,按照0.1%提取。
(5) 营业收入超过50亿元的部分,按照0. 05%提取。
故:本年度安全生产费用=1000×2% +9000x1% +90000x0. 2% + 20000×0. 1% =310 (万元)。
案例41
1.直接原因:吴某在未按操作规程关闭冲压机电源、无第二人现场监护情况下违规 打开安全防护门作业是引发事故的直接原因。
间接原因:①公司安全管理不到位,102车间冲压机作业现场未设置安全警示标志、 未设置岗位操作规程;②公司安全教育培训不到位,从业员工尚未真正掌握本岗位工作所 必需的安全生产知识和技能,工人作业过程中麻痹大意,自我防护意识不强;③公司负责 人、安全管理负责人和有关部门负责人没有尽到安全监管责任,隐患排查不到位。对作业 人员打开安全防护门作业未切断电源、未有第二人现场监护作业的行为监督排查不到位, 没有及时发现并纠正。
2. 冲压机安全保护控制装置包括双手操作式、光电感应保护装置等。
双手操作式安全保护控制装置要求:
(1) 双手操作的原则。必须双手同时推按操纵器,离合器才能接合滑块下行程;在滑 块下行过程中,松开任一按钮,滑块立即停止下行程或超过下死点。
(2) 重新启动的原则。对于被中断的操作控制需要恢复以前,应先松开全部按钮,然 后再次双手按压后才能恢复运行。
(3) 最小安全距离的原则。
(4) 操纵器的装配要求。两个操纵器(按钮或操纵手柄的手握部位)的内缘装配距
离至少相隔260 mmo
(5) 对需多人协同配合操作的压力机,应为每位操作者都配置双手操纵装置,并且只 有全部操作者协同操作双手操纵装置时,滑块才能启动运行。
光电保护装置应满足以下功能:
(1) 保护范围。保护高度不低于滑块最大行程与装模高度调节量之和,保护长度应能 覆盖操作危险区。
(2) 自保功能。
(3) 回程不保护功能。
(4) 自检功能。
(5) 装置响应时间不得超过20 mso
(6) 抗干扰性。
3. 事故防范和整改措施:
(1) A公司应加大对事故隐患排查力度,及时发现并消除在安全管理、设备设施等方 面的隐患。
(2) A公司应结合实际,及时修订安全生产责任制度、规章制度和操作规程。
(3) 在事发冲压机安全防护门醒目位置应设置安全警示标志,冲压机岗位操作规程。
(4) A公司应加强对公司员工的安全教育培训力度,使职工增强安全意识,操作中禁 止麻痹大意、违规作业。
(5) 强化各部位的日常检査并做好相应的检査记录,强化作业现场的安全管理。
(6) A公司应根据保障安全需要,102车间冲压机安全防护门钥匙应指定专人保管, 并制定使用钥匙的相关规定。
4. 安全生产主体责任包括:
(1) 设备设施(或物资)保障责任。具备安全生产条件,依法为从业人员提供劳动 防护用品等。
(2) 资金投入责任。按规定提取和使用安全生产费用。
(3) 机构设置和人员配备责任。依法设置安全生产管理机构,配备专职安管人员。
(4) 规章制度制定责任。建立、健全安全生产责任制和各项规章制度、操作规程、应 急救援预案并督促落实。
(5) 安全教育培训责任。开展安全生产宣传教育,从业人员持证上岗。
(6) 安全生产管理责任。安全风险管控及隐患排查治理。
(7) 事故报告和应急救援责任。按规定报告生产安全事故,及时开展事故救援。
(8) 法律法规、规章规定的其他安全生产责任。
案例42
1. 叉车使用安全技术:
(1) 叉装物件时,被装物件质量应在该机允许载荷范围内。当重物质量不明时,应将 该物件叉起离地IOomm后检査机械的稳定性,确认无超载现象后,方可运送。
(2) 叉装时,物件应靠近起落架,其重心应在起落架中间,确认无误,方可提升。
(3) 物件提升离地后,应将起落架后仰,方可行驶。
(4) 两辆叉车同时装卸一辆货车时,应有专人指挥联系,保证安全作业。
(5) 不得单叉作业和使用货叉顶货或拉货。
(6) 以内燃机为动力的叉车,进入仓库作业时,应有良好的通风设施。严禁在易燃、 易爆的仓库内作业。
(7) 严禁货叉上载人。
2. 叉车月检项目:
(1) 安全装置、制动器、离合器等有无异常,可靠性和精度。
(2) 重要零部件(如吊具、货叉、制动器、铲、斗及辅具等)的状态。
(3) 电气、液压系统及其部件的泄漏情况及工作性能。
(4) 动力系统和控制器。
3. 企业安全文化建设基本要素及内容:
(1) 安全承诺。企业应建立包括安全价值观、安全愿景、安全使命和安全目标等在内 的安全承诺。
(2) 行为规范与程序。建立清晰界定的组织结构和安全职责体系。
(3) 安全行为激励。企业应建立员工安全绩效评估系统,建立将安全绩效与工作业绩 相结合的奖励制度。
(4) 安全信息传播与沟通。企业应建立安全信息传播系统,优化安全信息的传播 内容。
(5) 自主学习与改进。企业应建立有效的安全学习模式,建立正式的岗位适任资格评 估和培训系统。
(6) 安全事务参与。全体员工和应认识到自己负有对自身和同事安全作出贡献的重要 责任。
(7) 审核与评估。企业应对自身安全文化建设情况进行定期的全面审核。
4. 企业安全文化建设的操作步骤:
(1) 建立机构。
(2) 制定规划:①对本单位的安全生产观念、状态进行初始评估;②对本单位的安全 文化理念进行定格设计;③制定出科学的时间表及推进计划。
(3) 培训骨干。
(4) 宣传教育。
(5) 努力实践。
案例43
1. 液氨泄漏的应急处置措施及注意事项:
(1) 该液氨输送管道立即停止输送液氨。
(2) 向消防部门、环保部门、公安部门、应急管理部门报警。
(3) 疏散影响区域附近所有人员,向上风向转移,防止吸入接触。
(4) 按照应急预案,组织机构到位,成立现场应急指挥小组。
(5) 处置人员佩戴好防化服和空气呼吸器,用防爆工具等进行堵漏处理。
(6) 注意事项:①处置过程中,杜绝一切明火;②现场处置人员,穿防静电工作服; ③使用不产生火花的防爆工具或设备设施;④修复完毕后,清理现场残留液氨。
2. 综合安全管理制度的内容:
(1) 安全生产管理目标、指标和总体原则。
(2) 安全生产责任制。
(3) 安全管理定期例行工作制度。
(4) 承包与发包工程安全管理制度。
(5) 安全设施和费用管理制度。
(6) 重大危险源管理制度。
(7) 危险物品使用管理制度。
(8) 消防安全管理制度。
(9) 隐患排查和治理制度。
(10) 交通安全管理制度。
(11) 防灾减灾管理制度。
(12) 事故调查报告处理制度。
(13) 应急管理制度。
(14) 安全奖惩制度。
3. 构建双重预防机制的主要内容:
(1) 全面开展安全风险辨识。按照有关制度和规范,针对本企业类型和特点,制定科 学的安全风险辨识程序和方法,全面开展安全风险辨识。
(2) 科学评定安全风险等级。企业要对辨识出的安全风险进行分类梳理,参照《企 业职工伤亡事故分类》(GB 6441),综合考虑起因物、引起事故的诱导性原因、致害物、 伤害方式等,确定安全风险类别。
(3) 有效管控安全风险。企业要根据风险评估的结果,针对安全风险特点,从组织、 制度、技术、应急等方面对安全风险进行有效管控。
(4) 实施安全风险公告警示。企业要建立完善的安全风险公告制度,并加强风险教育 和技能培训,确保管理层和每名员工都掌握安全风险的基本情况及防范、应急措施。
(5)建立完善的隐患排查治理体系。企业要建立完善的隐患排査治理制度,制定符合 企业实际的隐患排查治理清单,明确和细化隐患排查的事项、内容和频次,并将责任逐一 分解落实,推动全员参与自主排查隐患,尤其要强化对存在重大风险的场所、环节、部位 的隐患排査。
4.该工厂注册安全工程师参与并签署意见的安全工作有:
(1) 制定安全生产规章制度、安全技术操作规程和作业规程。
(2) 排查事故隐患,制定整改方案和安全措施。
(3) 制定从业人员安全培训计划。
(4) 选用和发放劳动防护用品。
(5) 生产安全事故调查。
(6) 制定重大危险源检测、评估、监控措施和应急救援预案。
(7) 其他安全生产工作事项。
案例44
1. 特种设备安全技术档案内容:
(1) 特种设备的设计文件、产品质量合格证明、安装及使用维护保养说明、监督检验 证明等相关技术资料和文件。
(2) 特种设备的定期检验和定期自行检査记录。
(3) 特种设备的日常使用状况记录。
(4) 特种设备及其附属仪器仪表的维护保养记录。
(5) 特种设备的运行故障和事故记录。
2. 该施工现场存在的危险有害因素:机械伤害,车辆伤害,起重伤害,触电,火灾, 容器爆炸,其他伤害,高处坠落,坍塌。
3. 气瓶安全操作要求:
(1) 气瓶在使用前必须逐个检查。
(2) 气瓶在使用和贮存过程中,应放置平稳。
(3) 乙焕瓶和氧气瓶应分室存放,室内要配置灭火器。
(4) 搬运气瓶要旋紧瓶帽,轻装轻卸,用推车运送,严禁肩扛、拖拉、抛、滑或其他 易碰撞摔跌的搬运办法。
(5) 开启气瓶要用手或专用工具缓慢操作,严禁用锤子、凿子打开阀门,避免损坏阀 门造成事故。
(6) 瓶阀冻结时,严禁明火烘烤,应使用热水解冻。
(7) 气瓶不得靠近热源和电气设备。
(8) 夏天,要防止气瓶直接暴露在阳光下。
(9) 气瓶使用时应直立放置,防止倾倒,严禁卧放。
(10) 瓶内气体严禁用尽,必须留有余压。
4. A公司应釆取的安全措施:
(1)彻底排查事故隐患,对存在的事故隐患要进行整改。
(2) 结合企业实际,全面落实安全生产责任制,建立健全完善各项规章制度并严格执 行,细化操作规程,严防违章作业、违章指挥、违反劳动纪律的现象发生。
(3) 宣传工业气体安全使用知识,包括安全储存、搬运、使用及相关作业要求。
(4) 配置安全作业工器装备,配发员工劳动防护用品,配备应急救援灭火器材等。
(5) 有关人员应加强上岗培训和安全教育。
(6) 动火作业时,严格按照有关规范要求,点火源与易燃易爆物品保持必要的安全 距离。
(7) 作业现场配备必要的消防器材。
案例45
1. 依据死亡29人和直接经济损失6818万元,判定此次事故为重大事故。
重大事故逐级上报至国务院安全生产监督管理部门和负有安全生产监督管理职责的有 关部门。
2. A公司安全生产费用的使用范围:
(1) 完善、改造和维护安全防护设备设施支出(不含“三同时”要求初期投入的安 全设施)o
(2) 配备、维护、保养防爆机械电器设备支出。
(3) 配备、维护、保养应急救援器材、设备支出和应急演练支出。
(4) 开展重大危险源和事故隐患评估、监控和整改支出。
(5) 安全生产检查、评价(不包括新建、改建、扩建项目安全评价)、咨询和标准化 建设支出。
(6) 安全生产宣传、教育、培训支出。
(7) 配备和更新现场作业人员安全防护用品支出。
(8) 安全生产适用新技术、新标准、新工艺、新装备的推广应用支出。
(9) 安全设施及特种设备检测检验支出。
(10) 其他与安全生产直接相关的支出。
3. 本次事故发生的间接原因:
(1)内部生产管理混乱。
-(2)违反相关规定,超许可范围、超人员和超药量生产。
(3) 内外部安全距离不够,擅自扩大库房。
(4) 生产投入不足且挪作他用。
(5) 未认真落实监管职责。
(6) 监管责任不落实。
(7) 从业人员安全意识淡薄。
4. 申请安全生产许可证需要具备的条件:
(1) 建立、健全安全生产责任制,制定完备的安全生产规章制度和操作规程。
(2) 安全投入符合安全生产要求。
(3) 设置安全生产管理机构,配备专职安全生产管理人员。
(4) 主要负责人和安全生产管理人员经考核合格。
(5) 特种作业人员经有关业务主管部门考核合格,取得特种作业操作资格证书。
(6) 从业人员经安全生产教育和培训合格。
(7) 依法参加工伤保险,为从业人员缴纳保险费。
(8) 厂房、作业场所和安全设施、设备、工艺符合有关安全生产法律、法规、标准和 规程的要求。
(9) 有职业危害防治措施,并为从业人员配备符合国家标准或者行业标准的劳动防护 用品。
(10) 依法进行安全评价。
(11) 有重大危险源检测、评估、监控措施和应急预案。
(12) 有生产安全事故应急救援预案、应急救援组织或者应急救援人员,配备必要的 应急救援器材、设备。
(13) 法律、法规规定的其他条件。
案例46
1. 应急预案的编制流程:成立应急预案编制工作组;资料收集;风险评估;应急资 源调查;应急预案编制;桌面推演;应急预案评审;批准实施。
2. 张某在事故发生后应采取的应急措施:
(1) 及时、如实向安全生产监督管理部门、负有安全生产监督管理职责的有关部门 报告。
(2) 接到事故报告后,应当立即启动事故应急预案,或者釆取有效措施,组织抢救。
(3) 接到报告后立即赶赴现场,组织相关人员成立现场救援指挥组,统一指挥救援 工作。
(4) 接到事故报告后立即拨打“119” “120”,组织对伤者进行救治。
(5) 到现场后立即组织人员设立警戒线或警戒标志,设置专职的安全监护人员,防止 无关人员进入现场,造成伤害。
(6) 救援人员及应急管理部门有关人员到现场后,要积极配合救援工作,不得阻碍 救援。
(7) 应当妥善保护事故现场以及相关证据,不得破坏事故现场、毁灭相关证据;需要 移动事故现场物件的,应当做出标志,绘制现场简图并做出书面记录,妥善保存现场重要 痕迹、物证。
3. A公司安全生产检查的类型:
(1) 定期安全生产检查。
(2) 经常性安全生产检查。
(3) 季节性及节假日前后安全生产检査。
(4) 专业(项)安全生产检查。
(5) 综合性安全生产检查。
(6) 职工代表不定期对安全生产的巡查。
4. A公司各类人员的安全培训要求和培训学时要求:
(1) 主要负责人和安全生产管理人员应接受安全培训,具备相应的安全生产知识和管 理能力;初次安全培训时间不得少于32学时。每年再培训时间不得少于12学时。
(2) 特种作业人员,须取得特种作业操作资格证书后方可上岗作业。特种作业操作证 申请复审或者延期复审前,安全培训时间不少于8个学时。
(3) 加工、制造业等生产单位的其他从业人员,在上岗前必须经过厂(矿)、车间 (工段、区、队)、班组三级安全培训教育。岗前培训时间不得少于24学时。
(4) 其他从业人员。根据工作性质进行安全培训,保证其具备本岗位安全操作、应急 处置等知识和技能;熟悉有关安全生产规章制度和安全操作规程。
(5) 从业人员调整工作岗位或离岗一年以上重新上岗时,应当重新接受车间(工段、 区、队)和班组级的安全培训。
(6) 实施新工艺、新技术或者使用新设备、新材料时,应当对有关从业人员重新进行 有针对性的安全培训。
案例47
1. A烟花厂对B公司的安全管理要求:
(1) 工程开工前生产经营单位应对承包方负责人、工程技术人员进行全面的安全技术 交底,并应有完整的记录。
(2) 在有危险性的生产区域内作业,有可能造成事故的,生产经营单位应要求承包方 做好作业安全风险分析,并制订安全措施。
(3) 在承包商队伍进入作业现场前,发包单位要对其进行消防安全、设备设施保护及 社会治安方面的教育。
(4) 发包单位、承包商安全监督管理人员,应经常深入现场,检查指导安全施工,要 随时对施工安全进行监督,发现有违反安全规章制度的情况,及时纠正,并按规定给予 惩处。
(5) 承包商施工队伍严重违章作业,导致设备故障等严重影响安全生产的后果,生产 经营单位可以要求承包商进行停工整顿,并有权决定终止合同的执行。
2. 建设项目安全设施设计审査资料清单:
(1) 建设项目审批、核准或者备案的文件。
(2) 建设项目安全设施设计审查申请。
(3) 设计单位的设计资质证明文件。
(4) 建设项目安全设施设计。
(5) 建设项目安全预评价报告及相关文件资料。
(6) 法律、行政法规、规章规定的其他文件资料。
3-'事故直接原因:电缆断裂被风吹到炸药上成为其引燃源最终导致爆炸事故。
事故间接原因:①销毁炸药的非本厂人员,由无资质的劳务公司进行;②新建项目与 炸药销毁处并无足够的安全距离;③堆放的需要销毁的炸药远远超过安全量;④违规夜间 加班,造成操作人员身体状态下降;⑤班组长张某安全巡查不到位;⑥在建项目所用电缆 机械强度不足;⑦有关政府部门监管不力。
4.电缆敷设一般规定:
(1) 应避免电缆遭受机械性外力、过热、腐蚀等危害。
(2) 满足安全要求条件下,应保证电缆路径最短。
(3) 应便于敷设、维护。
(4) 宜避开将要挖掘施工的地方。
案例48
1. 产生危险温度的因素有:短路;接触不良;过载;铁芯过热;散热不良;漏电; 机械故障;电压过高或过低;电热器具和照明灯具。
2. 事故调查报告包括:
(1) 事故发生单位概况。
(2) 事故发生经过和事故救援情况。
(3) 事故造成的人员伤亡和直接经济损失。
(4) 事故发生原因和事故性质。
(5) 事故责任的认定以及对事故责任者的处理建议。
(6) 防范和整改措施。
3. A类火灾,固体物质火灾。B类火灾,液体或可熔化的固体物质火灾。C类火灾, 气体火灾。D类火灾,金属火灾。E类火灾,带电火灾。F类火灾,烹饪器具内烹饪物 火灾。
本次事故属于A类火灾,电缆过热为引火源,堆积的杂物为最终燃烧物质。
4. 严格执行相关规范要求中的电气设计及防火的要求:①在特定的工作场所,必须 按照专业的安全规程选用特制的电气设备,以保证使用的安全性;②必须选择阻燃电缆, 电缆线路的连接和敷设要严格按照规范进行,在使用过程中防止线路的过负荷,以避免出 现短路失火等现象;③各种电气设备,要严禁超负荷运转,确保电气设备的正常使用。同 时也要防止因设备内部的故障等原因导致设备起火;④要定期检查电缆线的绝缘程度及设 备的运行完好状况,并做好相应记录;⑤应经常加强对职工安全用电教育。
加强电气管理,提高防火意识:①建立、健全各项规章制度;②进行专项整治工作, 消防电气火灾事故隐患;③建立电气火灾应急预案,并进行必要的事故模拟演练。 ’
应用新技术和新设备,提高防灭火能力。
案例49
1.生产经营单位的安全生产管理机构的安全生产职责:
(1) 组织或者参与拟订本单位安全生产规章制度、操作规程和生产安全事故应急救援 预案。
(2) 组织或者参与本单位安全生产教育和培训,如实记录安全生产教育和培训情况。
(3) 组织开展危险源辨识和评估,督促落实本单位重大危险源的安全管理措施。
(4) 组织或者参与本单位应急救援演练。
(5) 检査本单位的安全生产状况,及时排查生产安全事故隐患,提出改进安全生产管 理的建议。
(6) 制止和纠正违章指挥、强令冒险作业、违反操作规程的行为。
(7) 督促落实本单位安全生产整改措施。
2. 粉尘爆炸的条件:①粉尘本身具有可燃性;②粉尘悬浮在空气(或助燃气体)中 并达到一定浓度;③有足以引起粉尘爆炸的起始能量。
粉尘爆炸的特点:①粉尘爆炸速度或爆炸压力上升速度比爆炸气体小,但燃烧时间 长,产生的能量大,破坏程度大;②爆炸感应期较长;③有产生二次爆炸的可能性;④粉 尘有不完全燃烧现象。
3. 本次事故属于重大事故。
根据《生产安全事故报告和调查处理条例》,事故一般分为以下等级:①特别重大事 故,是指造成30人以上死亡,或者100人以上重伤(包括急性工业中毒,下同),或者1 亿元以上直接经济损失的事故;②重大事故,是指造成10人以上30人以下死亡,或者50 人以上100人以下重伤,或者5000万元以上1亿元以下直接经济损失的事故;③较大事 故,是指造成3人以上10人以下死亡,或者10人以上50人以下重伤,或者IoOO万元以 上5000万元以下直接经济损失的事故;④一般事故,是指造成3人以下死亡,或者10人 以下重伤,或者Iooo万元以下直接经济损失的事故。
4. 为预防此类事故再次发生,A公司应釆取的技术措施有:
(1) 建筑结构。生产场所不得设置在危房和违章建筑内,应当有两个以上直通室外的 安全出口,疏散门向外开启,通道确保畅通。
(2) 通风除尘。安装相对独立的通风除尘系统,并设置有接地装置。回收的粉尘应储 存在独立干燥的场所,除尘器采用防爆除尘器,并配套相应的防爆风机,通风管道上应设 置泄爆片。
(3) 有效清洁。每天对生产场所进行清理,应当采用不产生火花、静电、扬尘等方法 清理,禁止使用压缩空气进行吹扫。及时对除尘系统收集的粉尘进行清理,使作业场所积 累的粉尘量降至最低。’
(4) 禁火措施。生产场所严禁各类明火,需在生产场所进行动火作业时,必须停止生 产作业,并采取相应的防护措施。
(5) 电气电路。生产场所电气线路应当釆用镀锌钢管套管保护,在车间外安装空气开 关和漏电保护器,设备、电源开关及相关的电气元件应当釆用防爆防静电措施。
案例50
I-禁止标志:禁止吸烟、禁止明火、禁止携带火种、禁止携带易燃物、禁止非从业 人员进入、禁止穿化纤服、禁止穿带铁钉鞋。
警告标志:注意安全、当心火灾、当心中毒、当心爆炸。
指令标志:必须戴防护眼镜、必须戴防尘口罩、必须戴防毒面具、必须戴安全帽。
提示:紧急出口、应急电话、避险区、急救点、可动火区。
2.涂装车间可能存在的事故类型包括:物体打击、机械伤害、火灾、灼烫、触电、 中毒和窒息、其他爆炸、其他伤害。
3. 李某是A厂的主要负责人。依据《安全生产法》(2021年版)第二十一条,生产 经营单位的主要负责人对本单位安全生产工作负有下列职责:
(1) 建立健全并落实本单位全员安全生产责任制,加强安全生产标准化建设。
(2) 组织制定并实施本单位安全生产规章制度和操作规程。
(3) 组织制定并实施本单位安全生产教育和培训计划。
(4) 保证本单位安全生产投入的有效实施。
(5) 组织建立并落实安全风险分'级管控和隐患排查治理双重预防工作机制,督促、检 查本单位的安全生产工作,及时消除生产安全事故隐患。
(6) 组织制定并实施本单位的生产安全事故应急救援预案。
(7) 及时、如实报告生产安全事故。
4. 发生事故后现场作业人员应当采取的应急措施:
(1) 立即向企业相关负责人报告,同时拨打“110” “119”报警。
(2) 无关人员及时撤出火灾现场。
(3) 迅速关闭火场附近的电源、易燃易爆气体开关,将易燃易爆品搬离火场。
(4) 及时通知周围人员远离火场,减少人员财产损失。
(5) 对受伤人员展开医疗救助。
(6) 电话报警时,不要惊慌失措,要沉着冷静、语言清晰地将火情发生的所在区域、 燃烧物质、火势大小、有无人员伤亡、报警人姓名、部门、所在位置等信息报告消防 部门。
案例51
1. 现场压力管道巡回检查项目:
(1) 各项工艺操作指标参数、系统平稳运行情况。
(2) 管道接头、阀门及各管件密封情况。
(3) 防腐层、保温层完好情况。
(4) 管道振动情况。
(5) 管道支吊架的紧固、腐蚀和支承情况,管架、基础完好情况。
(6) 阀门等操作机构润滑状况。
(7) 安全阀、压力表等安全保护装置运行状况。
(8) 静电跨接、静电接地、抗腐蚀阴极保护装置的运行和完好状况。
(9) 地表环境情况。
2. 王某依法享有的工伤待遇:
(1) 保留劳动关系,退出工作岗位。
(2) 从工伤保险基金中按月支付伤残津贴,金额为本人工资的85%。
(3) 从工伤保险基金按伤残等级支付一次性伤残补助金,金额为25个月的本人工资。
(4) 达到退休年龄并办理退休手续后,停发伤残津贴,按照国家有关规定享受基本养 老保险待遇。
(5)由用人单位和职工个人以伤残津贴为基数,缴纳基本医疗保险费。
3. 不能进行带压堵漏的情形:
(1) 毒性极大的介质管道。
(2) 管道受压元件因裂纹而产生泄漏。
(3) 管道腐蚀、冲刷壁厚状况不清。
(4) 由于介质泄漏使螺栓承受高于设计使用温度的管道。
(5) 泄漏特别严重(当量直径大于10 Inm),压力高、介质易燃易爆或有腐蚀性的 管道。
(6) 现场安全措施不符合要求的管道。
4. 压力管道事故发生的原因:
(1) 腐蚀减薄。介质和外部环境对管道元件产生腐蚀,承载能力下降。
(2) 冲刷磨损。管道内的介质对管道的长期冲刷。
(3) 开裂。由于各种作业会产生不同程度的裂纹。
(4) 材质劣化。在压力、温度、介质的作用下,组织发生变化,材料性能下降。
(5) 变形。由于不合理的结构,或者长期超温、过载运行导致变形。
(6) 设计原因。设计不合理、材料选用不符合要求。
(7) 制造原因。管道制造过程中过度减薄和变形,阀门密封结构和操作机构不可靠。
(8) 安装质量原因。材料混用,焊接质量低。
(9) 使用过程超压超温、违章作业。
(10) 自然条件恶劣,人为破坏。
案例52
1. 本次事故的直接经济损失包括:①四名职工每人丧葬费为20万元;②李某、孔某 家属抚恤费用为每人5万元;③现场抢救及清理现场费用共计3万元;④罚款10万元。
直接经济损失= 20×4+2×5+3+10=103(万元)。
2. 董某的培训内容包括:
(1) 国家安全生产方针、政策和有关安全生产的法律、法规、规章及标准。
(2) 安全生产管理基本知识、安全生产技术、安全生产专业知识。
(3) 重大危险源管理、重大事故防范、应急管理和救援组织以及事故调查处理的有关 规定。
(4) 职业危害及其预防措施。
(5) 国内外先进的安全生产管理经验。
(6) 典型事故和应急救援案例分析。
(7) 其他需要培训的内容。
3. 经案例得知污水池为毒性不明区域,施救人员所从事为移动性作业,故施救人员 可佩戴:①供氧式氧气呼吸器;②供氧式空气呼吸器;③生氧面具。
上述三类呼吸器适合于:毒性气体浓度高,毒性不明或缺氧的可移动性作业。
4. A公司应采取的管理措施:
(1) 建立健全本单位的安全生产责任制并保障落实。
(2) 加强企业安全生产标准化建设并建立企业特色的安全文化。
(3) 建立健全本单位的规章制度和操作规程,制定本单位的事故应急救援预案。
(4) 设置安全管理机构并配备符合要求的安全管理人员。
(5) 加强员工的安全培训和教育,提高员工的安全意识及危险源辨识和风险分析的 能力。
(6) 加强现场安全管理检查、杜绝违章,加强作业现场隐患整改力度。
案例53
1. 本次事故共造成9人死亡,21人重伤,根据《生产安全事故报告和调査处理条例》 本次事故属于较大事故。较大事故由事故发生地设区的市级人民政府负责调查。
事故调查组由有关人民政府、安全生产监督管理部门、负有安全生产监督管理职责的 有关部门、监察机关、公安机关以及工会派人组成,并应当邀请人民检察院派人参加。事 故调查组可以聘请有关专家参与调查。
2. 事故调查组应履行的职责:
(1) 查明事故发生的经过、原因、人员伤亡情况及直接经济损失。
(2) 认定事故的性质和事故责任。
(3) 提出对事故责任者的处理建议。
(4) 总结事故教训,提出防范和整改措施。
(5) 提交事故调查报告。
3. 李某的安全生产职责:
(1) 建立健全并落实本单位全员安全生产责任制,加强安全生产标准化建设。
(2) 组织制定并实施本单位安全生产规章制度和操作规程。
(3) 组织制定并实施本单位安全生产教育和培训计划o
(4) 保证本单位安全生产投入的有效实施。
(5) 组织建立并落实安全风险分级管控和隐患排查治理双重预防工作机制,督促、检 查本单位的安全生产工作,及时消除生产安全事故隐患。
(6) 组织制定并实施本单位的生产安全事故应急救援预案。
(7) 及时、如实报告生产安全事故。
4. 该工厂存在的安全隐患:
(1) 在车间未停车的状态下进行扩建作业。
(2) 物料(标砖)堆垛阻碍了安全出口。
(3) 在产生火花的地点堆放易燃易爆品。
(4) 安全管理人员没有相应资质。
5. 砂轮机操作要求:
(1) 在任何情况下都不允许超过砂轮的最高工作速度,安装砂轮前应核对砂轮主轴的 转速,在更换新砂轮时应进行必要的验算。
(2) 应使用砂轮的圆周表面进行磨削作业,不宜使用侧面进行磨削。
(3) 无论是正常磨削作业、空转试验还是修整砂轮,操作者都应站在砂轮的斜前方位 置,不得站在砂轮正面。
(4) 禁止多人共用一台砂轮机同时操作。
(5) 砂轮机的除尘装置应定期检査和维修,及时清除通风装置管道里的粉尘,保持有 效的通风除尘能力。
(6) 发生砂轮破坏事故后,必须检查砂轮防护罩是否有损伤,砂轮卡盘有无变形或不 平衡,检査砂轮主轴端部螺纹和紧固螺母,合格后方可使用。
案例54
1. A公司及施工现场存在的特种设备有:一台130 t/h燃煤锅炉;压力管道;5辆叉 车;乙焕气瓶;氧气瓶。
2. 特种设备安全技术档案应包含:
(1) 特种设备的设计文件、制造单位、产品质量合格证明、使用维护说明等文件以及 安装技术文件和资料。
(2) 特种设备的定期检验和定期自行检査的记录。
(3) 特种设备的日常使用状况记录。
(4) 特种设备及其安全附件、安全保护装置、测量调控装置及有关附属仪器仪表的日 常维护保养记录。
(5) 特种设备运行故障和事故记录。
(6) 高耗能特种设备的能效测试报告、能耗状况记录以及节能改造技术资料。
3. 事故直接原因:冯某违反劳动纪律,在拉拽钢筋过程中接打电话,注意力分散, 致使钢筋搭到附近高压线上,直接导致事故发生。
事故间接原因:①A公司厂房建筑项目未批先建,并擅自将建设项目承包给无资质的 建筑队施工;②A公司安全管理职责不落实,安全管理制度不健全,外协施工队伍管理失 控;③建筑队无营业执照,无建筑施工资质,安排人员进行建筑施工;④未建立健全建筑 施工的安全管理制度和安全操作规程;⑤未对作业人员进行安全教育培训;⑥现场作业 中,未充分考虑危险因素和进行风险辨识。
事故性质:这是一起因违法建设、安全防护不到位、工人违反劳动纪律造成的生产安 全责任事故。
4. 班组级培训内容为:岗位安全操作规程;岗位之间工作衔接配合的安全与职业卫 生事项;有关事故案例;其他需要培训的内容。
5. A公司对施工队现场安全管理要求:
(1) 工程开工前生产经营单位应对承包方负责人、工程技术人员进行全面的安全技术 交底,并应有完整的记录。
(2) 在有危险性的生产区域内作业,有可能造成事故的,生产经营单位应要求承包方 做好作业安全风险分析,并制定安全措施。
(3) 在承包商队伍进入作业现场前,发包单位要对其进行消防安全、设备设施保护及 社会治安方面的教育。
(4) 发包单位、承包商安全监督管理人员,应经常深入现场,检查指导安全施工,要 随时对施工安全进行监督,发现有违反安全规章制度的情况,及时纠正,并按规定给予 惩处。
(5) 承包商施工队伍严重违章作业,导致设备故障等严重影响安全生产的后果,生产 经营单位可以要求承包商进行停工整顿,并有权决定终止合同的执行。
案例55
1. C企业粉尘爆炸危险场所的分区错误的有:风机房、成品库(包装)、中央控制 室、机修间、消防泵房,它们不属于20区。其中,风机房应为21区,成品库(包装)为 22区;中央控制室、机修间、消防泵房为非防爆区。
2. 6 t/h天然气蒸汽锅炉供货厂家应补充安装的燃烧器安全与控制装置部件有:安全 切断阀、空气压力监测装置、燃烧器阀门检漏装置、天然气压力监测装置。
3. C企业针对人员作业时在防火防爆方面的要求:
(1) 动火作业应实施作业许可管理。
(2) 进入车间应穿戴防静电工作服、防静电鞋。
(3) 生产区域严禁带入火种。
(4) 维修等作业时应使用铜制或铝制工具。
(5) 严禁用压缩空气进行清扫。
4. C企业保障部进行斗式提升机焊接动火作业前应采取的安全措施:
(1) 彻底停机且采取可靠的安全措施。
(2) 现场应配备足够的灭火器材。
(3) 地面用水淋湿,开启所有门窗。
(4) 动火点Iom半径范围内应清扫干净,所有的孔、口都应加盖,并用不燃材料进 行覆盖。
(5) 电焊机漏电保护器控制,保护接地、电源线不能有接头。
案例56
1. 该起事故的直接原因是管道腐蚀导致燃气泄漏,形成的爆炸性气体混合物遇餐饮 商户常年通过油烟管道向负一层排出的火星,发生爆炸。
2. 应配备的安全与防护装备有:防爆照明和通信工具、防静电服、空气呼吸器、甲 烷检测仪、安全帽、安全绳等。
3. 现场外拨打救援电话;关闭有关燃气阀门;立即启动应急预案;疏散现场及周边 受影响人员;现场进行警戒;禁止无关人员入内;监测风向及空气中燃气浓度;消除危险 区域内火源;开窗通风;查找泄漏点;对泄漏点进行处理;期间应急人员应佩戴好相应的 安全防护装备。
4. E燃气公司在安全管理中存在的问题:
(1) 随意改变燃气管线敷设路径。
(2) 未给检查人员配备相关安全防护装备,未按规定对穿越燃气管线检查。
(3) 接报后,未及时派人去现场进行处置。
(4) 在东侧入口处检测到天然气浓度超过8%却未疏散人员。
(5) 草率宣布燃气泄漏事故已得到控制,误导救援工作。
案例57
1. 当心火灾;当心爆炸;必须消除人体静电;必须佩戴防毒面具;禁止入内。
2. 氢气检测报警器;静电消除装置;防爆电气线路及照明;防爆通风机;保护接地 及漏电保护;消防器材;护目镜;防酸手套;洗眼设施等。
3. 签订安全协议;审核有关资质及施工方案;入场前安全教育;安全技术交底;现 场协调和监督检査。
4. G公司自评中发现的问题所对应的体系一级要素:
(1) 教育培训。
(2) 目标职责。
(3) 现场管理。
(4) 制度化管理。 '
(5) 安全风险管控及隐患排查治理。
(6) 应急管理。
5. 液化气气瓶间安全检查表的主要内容:
(1) 警示标识张贴是否正确、齐全。
(2) 气瓶附件是否齐全并检验合格。
(3) 防倾倒装置是否完好。
(4) 空瓶和实瓶是否分开存放。
(5) 泄漏报警装置是否与风机联动。
(6) 电气防爆是否符合要求。
(7) 消防器材配置是否符合要求。
(8) 安全管理制度是否健全。
(9) 日常检查记录是否齐全。
(10) 是否存在地漏暗沟。
案例58
1. 液氨罐区构成重大危险源;应急处置措施:启动应急预案,拨打“ 119” “120”电 话,并向地方政府报告;控制现场火源、电源;通知现场和周边人员撤离;搜救伤员;监 测风向、风速、空气中氨气浓度及扩散范围、环境中氨含量;设置警戒线,周边交通管 制;现场抢险处置;人员清点等。
2. 液氨泄漏风险分析;应急指挥机构及职责;液氨泄漏处置程序;液氨泄漏处置
措施。 一
3. 储罐围堰;储罐喷淋装置;氨气泄漏报警装置;洗消装置;人体静电消除装置; 事故应急池;风向标;应急物资柜。
4.建立健全并落实危化品管理制度;严格执行项目安全设施“三同时”制度;加强 设备巡查;加强监控和预警措施;加强特种设备使用管理;加强应急教育培训和演练;加 强相关方管理。
案例59
1. 车辆伤害;机械伤害;触电;火灾;物体打击;容器爆炸。
2. 可靠的通风换气装置;设泄漏报警器;防爆电气;防静电装置;配备灭火器材; 空瓶和实瓶应分区放置;有防倾倒措施;防震圈、瓶帽等安全附件齐全。
3. PE线;PEN干线;电气装置接地极的接地干线;建筑物金属构件。
4. 检査压力容器登记使用证;压力容器定期检验报告;安全阀、压力表等安全附件 检验合格证,作业人员持证上岗;排污阀定期排污;安全阀定期手动起跳试验;压力容 器;压力是否在正常运行范围内;安全操作规程、现场应急处置方案、运行记录。
案例60
1. T公司对U公司在锅炉房建设项目中进行安全管理的主要内容:
(1) 与U公司签订安全管理协议,明确各自的安全生产管理职责。
(2) 对U公司的特种设备、特种作业人员和安全管理人员资质/资格查验。
(3) 对U公司的进场人员进行危害告知和安全交底,安全教育培训。
(4) 审查U公司的危险性较大工程的施工方案和计划。
(5) 进行现场检查。
2. 联锁装置;能动装置;保持一运行控制装置;双手操纵装置;敏感保护装置;有 源光电保护装置;机械抑制装置;限制装置;限位装置。
3. 固定式砂轮机作业中的安全操作要点:
(1) 砂轮机空转正常后使用。
(2) 砂轮磨损严重的应及时更换。
(3) 禁止两人同时使用。
(4) 禁止戴手套打磨工件和用布包着工件作业。
(5) 禁止用工件撞击砂轮。
(6) 禁止用砂轮的侧面磨削。
(7) 禁止站在砂轮机正面作业。
(8) 禁止磨削细小工件。
(9) 必须戴防护眼镜和防尘口罩。
4. 温度测量装置;超温报警和联锁保护装置;超压报警装置;高低水位报警和低水 位联锁保护装置;锅炉熄火保护装置;排污阀或放水装置;防爆门;锅炉自动控制装置。
5. 过载;短路;接触不良;散热不良;漏电;电压过高或过低;机械故障;电热器 具和照明灯具。
案例61
1. 按照防止事故发生和减少事故损失两类进行分类,D企业采用的安全技术措施有以 下内容。
(1) 防止事故发生措施:①压力、温度、液位监测与报警装置;②易燃易爆、有毒有 害气体监测报警装置;③传动机械安全防护装置;④起重设备安全装置;⑤输煤皮带运输 机的急停装置。
(2) 减少事故损失措施:①锅炉和压力容器的安全门,安全阀、防爆膜等;②全厂消 防灭火系统。
2. 氨站应急物资柜应配置的应急物资清单:
(1) 正压式呼吸器。
(2) 防爆应急灯。
(3) 安全带。
(4) 防毒面具。
(5) 安全警示带(警戒线)。
(6) 防静电工作服。
(7) 检测报警装置。
(8) 对讲机。
(9) 急救包或急救箱。
(10) 手电筒。
(H) 灭火器。
(12) 消防带,消防斧。
(13) 洗消设施。
3. 电工乙在甲触电坠落后应采取的应急处置措施:
(I) 立即向企业主要负责人上报事故。
(2) 当发现有人触电后,应立即向周围大声呼救。
(3) 迅速断开电机电源,解救触电者,并进行初步救护。
(4) 设立危险警戒区域,严禁无关人员进入。
(5) 伤势较重及时联系当地“120”急救中心或医疗部门救治,告知所处的详细位 置,并派人到路口等候,接应急救车,赶赴现场急救。
4. 皮带运输机配电间安全检查的主要内容:
(1) 室内外环境整洁,物品摆放整齐有序,无杂物及无关物品存放。
(2) 是否有用电安全管理制度,是否有专职电工,电工是否持有效证件上岗。
(3) 检查作业规程、安全措施、责任制度、操作规程等是否齐全,是否有效。
(4) 有无定期检査、维护记录。
(5) 有无配电室管理标识牌。
(6) 绝缘工具是否齐全、有效。
(7) 接线、装量是否完好,电线有无私拉乱接,绝缘破损现象。
(8) 开关柜(箱)内电气是否整洁、完好、路线规整,箱内外要有明显的接地线; 箱门状态良好。
(9) 严查值班室、主控制室、配电室食品和杂物,保证有良好的清洁环境。
案例62
1. 制冷车间制冷工艺变更管理的相关安全要求:
(1) 企业应制定变更管理制度。
(2) 变更前应对变更过程及变更后可能产生的安全风险进行分析。
(3) 制定控制措施。
(4) 履行审批及验收程序。
(5) 告知和培训相关从业人员。
2. 根据《工贸行业重大安全事故隐患判定标准(2017版)》,以上场景中存在的重大 隐患及原因有以下内容。
(1) 重大隐患:①未对有限空间作业场所进行辨识,并设置明显安全警示标志;②未 落实作业审批制度,擅自进入有限空间作业。
(2) 原因:①未设置安全警示标志;②当班班长甲发现故障后,立即安排当班工人 乙、丙入池维修。
3. E企业污水处理站维修作业的安全管理要求:
(1) 实行作业审批制度,严禁擅自进入有限空间作业。
(2) 实施作业前,制定有限空间作业方案,并对作业人员进行培训,合格后方可 作业。
(3) 作业应当严格遵守“先通风、再检测、后作业”的原则,严禁通风、检测不合 格作业。
(4) 设置明显的安全警示标志和警示说明,作业前后清点作业人员和工器具。
(5) 作业现场应设置监护人员,同时监护人员不得离开岗位,并与作业人员保持 联系。
(6) 必须配备个人防中毒窒息等劳动防护用品或设备,设置安全警示标识。
(7) 存在交叉作业时,采取避免互相伤害的措施。
(8) 对作业场所中的危险有害因素进行定时检测或者连续监测。
(9) 必须制定应急措施,现场配备应急装备,严禁盲目施救。
4. 安全教育培训应包含的主要内容:
(1) 岗位安全操作规程。
(2) 作业现场危险有害因素。
(3) 具体安全防护措施。
(4) 具体的互保监护措施。
(5) 实施作业的具体步骤。
(6) 实施作业的注意事项。
(7) 突发意外时的应急措施。
(8)典型事故和案例分析。
案例63
LF工厂应急预案编制过程中存在的问题与应急预案的编制程序如下。
(1) 存在的问题:①安环部部长任组长;②应急预案编制并由组长签发。
(2) 应急预案编制程序:①应急预案编制工作组;②资料收集;③风险评估;④应急 能力评估;⑤编制应急预案;⑥应急预案评审。
2. 水泥成品筒型库内壁清理维修高处作业完工后的安全要求:
(1) 作业现场清扫干净,作业用的工具、拆卸下的物件及余料和废料应清理运走。
(2) 脚手架拆除时,应设警戒区,并派专人监护。拆除脚手架、防护棚时不得上下同 时施工。
(3) 临时用电的线路应由持证电工拆除。
(4) 作业人员要安全撤离现场,验收人在“作业证”上签字。
(5) 拆除脚手架时需指定专项施工方案。
3. 根据《企业安全生产标准化基本规范》(GB/T 33000), F工厂3号窑检维修方案 应包括的主要内容:
检维修方案应包含作业安全风险分析、控制措施、应急处置措施及安全验收标准。
4. 根据《企业职工伤亡事故分类》(GB 6441), 3号窑尾电收尘器维修过程中存在的 危险有害因素:
(1) 中毒与窒息。
(2) 其他爆炸。
(3) 火灾。
(4) 触电。
(5) 物体打击。
(6) 高处坠落。
(7) 机械伤害。
(8) 其他伤害。
5. 进入3号窑尾电收尘器进行维修作业时应佩戴的劳动防护用品及其作用如下。
(1) 安全帽:防止砸伤。
(2) 防尘口罩:防止粉尘。
(3) 安全带:预防高处坠落。
(4) 空气呼吸器:应急救护。
(5) 防静电工作服:防止静电。
(6) 防静电鞋:防止静电。
(7) 防静电手套:防止静电。
• 258 •